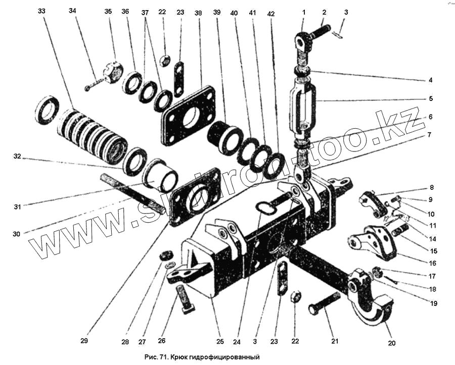
Каталог запасных частей к технике: ПТЗ К-701. Крюк гидрофицированный
1
2
3
3
4
5
6
7
8
9
10
11
14
15
16
17
18
19
20
21
22
22
23
23
24
25
26
27
28
29
30
31
32
33
34
35
36
37
38
39
40
41
42
| Позиция на иллюстрации | Заводской номер детали | Название детали | |
|---|---|---|---|
| 700А.46.29.000 | 700А.46.29.000 | Крюк гидрофицированный | |
| 1 | 700.46.00.095-01 | Винт стяжной | |
| 2 | 700.46.00.026-1 | Палец | |
| 3 | Шплинт пружинный 2-3.6-01-9 ОСТ 23.300-7 | Шплинт пружинный 2-3.6-01-9 ОСТ 23.300-71 | |
| 4 | Гайка М36Х3 ГОСТ 5927-70 | Гайка М36Х3 ГОСТ 5927-70 | |
| 5 | 700.46.00.024-5 | Гайка | |
| 6 | Гайка М36Х3 левая ГОСТ 5927-70 | Гайка М36Х3 левая ГОСТ 5927-70 | |
| 7 | 700.46.00.095-02 | Винт стяжной | |
| 8 | 700.46.29.028 | Собачка защелки | |
| 9 | Болт 3М8Х35 ГОСТ 7811-70 | Болт 3М8Х35 ГОСТ 7811-70 | |
| 10 | 700.46.29.032 | Скобка | |
| 11 | Шайба 8.65Г ГОСТ 6402-70 | Шайба 8.65Г ГОСТ 6402-70 | |
| 12 | 700.14.00.053 | Звено цепочки | |
| 13 | 700.46.29.031 | Крючок | |
| 14 | 700.45.29.038 | Шплинт пружинный | |
| 15 | 700.46.29.019 | Ось собачки | |
| 16 | 700.46.29.012-1 | Защелка | |
| 17 | Гайка М24Х2 ГОСТ 5933-73 | Гайка М24Х2 ГОСТ 5933-73 | |
| 18 | Шплинт 5Х45 ГОСТ 397-79 | Шплинт 5Х45 ГОСТ 397-79 | |
| 19 | Шайба 24.01 ГОСТ 11371-78 | Шайба 24.01 ГОСТ 11371-78 | |
| 20 | 700А.46.29.011-1 | Крюк буксирный | |
| 21 | 700.46.29.018.1 | Палец защелки | |
| 22 | Гайка М20Х1.5 ГОСТ 5927-70 | Гайка М20Х1.5 ГОСТ 5927-70 | |
| 23 | 700А.46.29.018 | Планка стопорная | |
| 24 | 700.46.0.040-01 | Палец в сборе | |
| 25 | 700А.46.29.010 | Балка в сборе | |
| 26 | 700.46.00.028-3 | Палец | |
| 27 | Шайба 30.01 ГОСТ 11371-78 | Шайба 30.01 ГОСТ 11371-78 | |
| 28 | Гайка М30Х2 ГОСТ 5927-70 | Гайка М30Х2 ГОСТ 5927-70 | |
| 29 | 700А.46.29.014-1 | Фланец передний | |
| 30 | 700А.46.29.017 | Шпилька | |
| 31 | 700А.46.29.024-01 | Втулка | |
| 32 | 700А.46.29.013-2 | Шайба | |
| 33 | Пружина НС100Х60Х7Х2 ГОСТ 3057-79 | Пружина НС100Х60Х7Х2 ГОСТ 3057-79 | |
| 34 | Шплинт 8Х90 ГОСТ 397-79 | Шплинт 8Х90 ГОСТ 397-79 | |
| 35 | 700.46.28.275-1 | Гайка | |
| 36 | Шайба 48.01 ГОСТ 1 1371-78 | Шайба 48.01 ГОСТ 1 1371-78 | |
| 37 | 700А.46.29.019 | Прокладка | |
| 38 | 700А.46.29.015-1 | Фланец задний | |
| 39 | 700А.46.29.024 | Втулка | |
| 40 | 700А.46.29.016-01 | Прокладка | |
| 41 | 700А.46.29.016-02 | Прокладка | |
| 42 | 700А.46.29.016-03 | Прокладка |
Содержащиеся в справочниках-каталогах запасные части и детали не предлагаются к продаже, а носят исключительно информационный характер