Каталог запасных частей к технике: ПТЗ К-700. Установка коробки передач
1
2
3
4
5
6
6
7
7
8
8
9
9
10
10
10
10
11
11
12
13
14
15
16
17
18
19
19
20
21
22
23
24
25
26
27
28
29
30
30
31
32
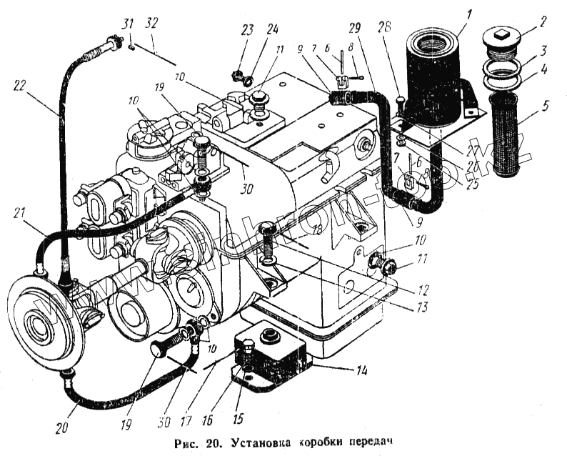
| Позиция на иллюстрации | Заводской номер детали | Название детали | |
|---|---|---|---|
| 700.00.17.000-5 | 700.00.17.000-5 | Установка коробки -передач | |
| 700.00.17.010 | 700.00.17.010 | Бачок заливной | |
| 1 | 700.00.17.020 | Корпус в сборе | |
| 2 | 700.00.17.024-2 | Пробка | |
| 3 | 700.00.17.011 | Кольцо | |
| 4 | 700.00.17.012 | Прокладка | |
| 5 | 700.00.17.030 | Фильтр в сборе | |
| 6 | Лента ХЛ-375 | Лента ХЛ-375 | |
| 7 | Рамка ХР | Рамка ХР | |
| 8 | Шплинт ХШ | Шплинт ХШ | |
| 9 | Рукав 1У32-15Х90 | Рукав 1У32-15Х90 | |
| 10 | 700.17.01.413 | Прокладка | |
| 11 | Пробка с буртиком М22Х1,5 | Пробка с буртиком М22Х1,5 | |
| 12 | Болт М22Х65-101 ГОСТ 7808-62 | Болт М22Х65-101 ГОСТ 7808-62 | |
| 13 | Шайба пружинная 22Н ГОСТ 6402-61 | Шайба пружинная 22Н ГОСТ 6402-61 | |
| 14 | 700.00.17.170 | Амортизатор типа АКСС-220м | |
| 15 | Шайба пружинная 14Н ГОСТ 6402-61 | Шайба пружинная 14Н ГОСТ 6402-61 | |
| 16 | Болт III М14Х35 ГОСТ 7808-62 | Болт III М14Х35 ГОСТ 7808-62 | |
| 17 | Проволока КО 1,6Х700 мм ГОСТ 792-67 | Проволока КО 1,6Х700 мм ГОСТ 792-67 | |
| 18 | Проволока КО 1,6Х200 мм ГОСТ 792-67 | Проволока КО 1,6Х200 мм ГОСТ 792-67 | |
| 19 | 700.17.24.023-2 | Болт зажимной | |
| 20 | 700.17.24.240-02 | Рукав в сборе | |
| 21 | 700.17.24.270 | Рукав в сборе | |
| 22 | 700.00.17.210 | Вал гибкий в сборе ГВ44-АН | |
| 23 | Пробка с буртиком М12Х1,25 | Пробка с буртиком М12Х1,25 | |
| 24 | Прокладка 12Х18 | Прокладка 12Х18 | |
| 25 | Гайка М8-011 ГОСТ 5927-62 | Гайка М8-011 ГОСТ 5927-62 | |
| 26 | Шайба пружинная 8Н ГОСТ 6402-61 | Шайба пружинная 8Н ГОСТ 6402-61 | |
| 27 | Шайба 8-001 ГОСТ 11371-68 | Шайба 8-001 ГОСТ 11371-68 | |
| 28 | Болт М8Х20-021 ГОСТ 7808-32 | Болт М8Х20-021 ГОСТ 7808-32 | |
| 29 | 700.00.17.065 | Труба | |
| 30 | Проволока КО 1,6Х150 мм ГОСТ 792-67 | Проволока КО 1,6Х150 мм ГОСТ 792-67 | |
| 31 | Пломба 10 | Пломба 10 | |
| 32 | Проволока КО 1Х150 мм ГОСТ 792-67 | Проволока КО 1Х150 мм ГОСТ 792-67 |
Содержащиеся в справочниках-каталогах запасные части и детали не предлагаются к продаже, а носят исключительно информационный характер