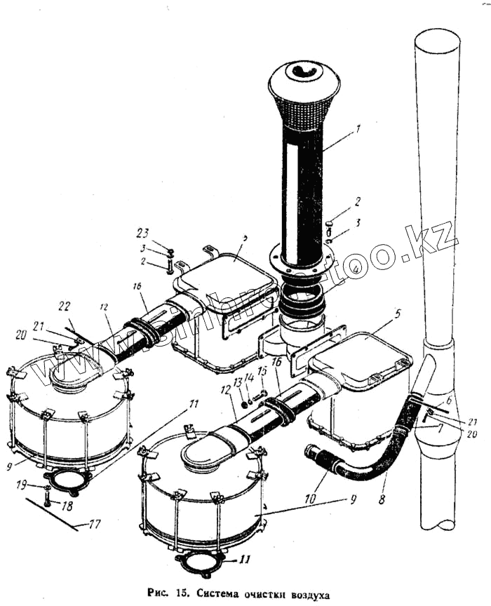
Каталог запасных частей к технике: ПТЗ К-700. Система очистки воздуха
1
2
2
3
3
4
5
5
6
7
8
9
9
10
11
11
12
12
13
14
15
16
16
17
18
19
20
20
21
21
22
23
| Позиция на иллюстрации | Заводской номер детали | Название детали | |
|---|---|---|---|
| 700.19.00.000-4 | 700.19.00.000-4 | Система очистки воздуха | |
| 1 | 700.19.00.010-2 | Труба в сборе | |
| 2 | Болт М8Х20-021 ГОСТ 7808-62 | Болт М8Х20-021 ГОСТ 7808-62 | |
| 3 | Шайба пружинная 8Н ГОСТ 6402-61 | Шайба пружинная 8Н ГОСТ 6402-61 | |
| 4 | 700.19.00.064 | Манжета | |
| 5 | 700.19.02.000-2 | Воздухоочиститель I ступени | |
| 6 | Лента ХЛ-500 | Лента ХЛ-500 | |
| 7 | Рукав 4У48-15Х120 | Рукав 4У48-15Х120 | |
| 8 | 700.19.00.046-1 | Труба | |
| 9 | 700.19.03.000-3 | Воздухоочиститель II ступени | |
| 10 | 700.19.00.065-1 | Муфта | |
| 11 | 700.19.00.032-1 | Прокладка | |
| 12 | 700.19.00.080 | Патрубок | |
| 13 | Гайка М10-011 ГОСТ 5927-62 | Гайка М10-011 ГОСТ 5927-62 | |
| 14 | Шайба пружинная 10Н ГОСТ 6402-61 | Шайба пружинная 10Н ГОСТ 6402-61 | |
| 15 | Болт М10Х35-021 ГОСТ 7808-62 | Болт М10Х35-021 ГОСТ 7808-62 | |
| 16 | 700.19.00.090 | Патрубок | |
| 17 | Проволока КО 1,6Х800 мм ГОСТ 792-67 | Проволока КО 1,6Х800 мм ГОСТ 792-67 | |
| 18 | Болт III М10Х40-021 ГОСТ 7811-62 | Болт III М10Х40-021 ГОСТ 7811-62 | |
| 19 | Шайба 10 ГОСТ 11371-68 | Шайба 10 ГОСТ 11371-68 | |
| 20 | Шплинт ХШ | Шплинт ХШ | |
| 21 | Рамка ХР | Рамка ХР | |
| 22 | Лента ХЛ-675 | Лента ХЛ-675 | |
| 23 | Шайба 8-001 ГОСТ 6958-68 | Шайба 8-001 ГОСТ 6958-68 |
Содержащиеся в справочниках-каталогах запасные части и детали не предлагаются к продаже, а носят исключительно информационный характер