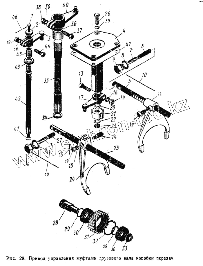
Каталог запасных частей к технике: ПТЗ К-700. Привод управления муфтами грузового вала коробки передач
1
2
3
4
5
6
7
7
8
8
9
9
10
10
11
12
13
14
15
16
17
18
18
19
19
19
20
21
22
23
24
25
26
27
28
29
29
30
30
31
32
33
34
35
36
37
38
39
39
40
41
42
43
44
45
46
47
| Позиция на иллюстрации | Заводской номер детали | Название детали | |
|---|---|---|---|
| 700.17.01.000-1 | 700.17.01.000-1 | Коробка передач | |
| 700А.17.01.010 | 700А.17.01.010 | Вал ведущий в сборе | |
| 700.17.01.020 | 700.17.01.020 | Опора левая в сборе | |
| 1 | Болт М6Х20-021 ГОСТ 7805-62 | Болт М6Х20-021 ГОСТ 7805-62 | |
| 2 | 700.17.01.298-2 | Кольцо | |
| 3 | 700.17.01.250-1 | Рычаг в сборе | |
| 4 | 700.17.01.220-1 | Корпус в сборе | |
| 5 | 700.17.01.407-01 | Валик-рейка | |
| 6 | 700.17.01.345-1 | Фиксатор | |
| 7 | 700.17.01.343 | Пружина | |
| 8 | Прокладка 27Х35 | Прокладка 27Х35 | |
| 9 | 700.17.01.332 | Пробка | |
| 10 | Проволока КО 1,6Х200 мм ГОСТ 792-67 | Проволока КО 1,6Х200 мм ГОСТ 792-67 | |
| 11 | 700.17.01.143-1 | Вилка | |
| 12 | 700.17.01.357 | Винт установочный | |
| 13 | Болт М10Х50-021 ГОСТ 7811-62 | Болт М10Х50-021 ГОСТ 7811-62 | |
| 14 | 700.17.01.482 | Клин | |
| 15 | Шайба 10-001 ГОСТ 11371-68 | Шайба 10-001 ГОСТ 11371-68 | |
| 16 | Шплинт 2,5Х25-001 ГОСТ 397-66 | Шплинт 2,5Х25-001 ГОСТ 397-66 | |
| 17 | 700.17.01.230 | Рычаг нижний в сборе | |
| 18 | Шайба пружинная 10Н ГОСТ 6402-61 | Шайба пружинная 10Н ГОСТ 6402-61 | |
| 19 | Гайка М10-011 ГОСТ 5927-62 | Гайка М10-011 ГОСТ 5927-62 | |
| 20 | Кольцо НЭ-20 | Кольцо НЭ-20 | |
| 21 | 700А.17.01.243 | Шестерня | |
| 22 | 700.17.01.484 | Шайба | |
| 23 | Гайка М14-011 ГОСТ 5927-62 | Гайка М14-011 ГОСТ 5927-62 | |
| 24 | 700.17.01.144-2 | Вилка | |
| 25 | 700.17.01.483 | Валик | |
| 26 | Болт М12Х25-021 ГОСТ 7808-62 | Болт М12Х25-021 ГОСТ 7808-62 | |
| 27 | 700.17.01.353 | Фиксатор | |
| 28 | 700.17.01.138 | Ось | |
| 29 | 700.17.01.141 | Кольцо распорное | |
| 30 | Роликоподшипник 12211К ГОСТ 6328-57 | Роликоподшипник 12211К ГОСТ 6328-57 | |
| 31 | 700.17.01.075 | Шестерня | |
| 32 | Кольцо ВЭ-100 ГОСТ 9301-59 | Кольцо ВЭ-100 ГОСТ 9301-59 | |
| 33 | 700.17.01.139 | Кольцо упорное | |
| 34 | Кольцо Н1-38Х30-4 ГОСТ 9833-61 | Кольцо Н1-38Х30-4 ГОСТ 9833-61 | |
| 35 | 700.17.01.244-1 | Вал полый | |
| 36 | 700.17.01.296 | Втулка | |
| 37 | Болт М12Х55-021 ГОСТ 7811-62 | Болт М12Х55-021 ГОСТ 7811- 62 | |
| 38 | Гайка М12-010 ГОСТ 5927-62 | Гайка М12-010 ГОСТ 5927- 62 | |
| 39 | Шайба пружинная 12Н ГОСТ 6402-61 | Шайба пружинная 12Н ГОСТ 6402-61 | |
| 40 | 700.17.01.240-1 | Рычаг верхний в сборе | |
| 41 | Кольцо Н1-22 Х18-4 ГОСТ 9833-61 | Кольцо Н1-22 Х18-4 ГОСТ 9833-61 | |
| 42 | 700.17.01.129-1 | Валик | |
| 43 | 700.17.01.298-1 | Кольцо | |
| 44 | Болт М10Х40-021 ГОСТ 7811-62 | Болт М10Х40-021 ГОСТ 7811- 62 | |
| 45 | 700.17.01.297 | Втулка | |
| 46 | Проволока КО 1,6Х160 мм ГОСТ 792-67 | Проволока КО 1,6Х160 мм ГОСТ 792-67 | |
| 47 | 700.17.01.133-1 | Прокладка |
Содержащиеся в справочниках-каталогах запасные части и детали не предлагаются к продаже, а носят исключительно информационный характер