Каталог запасных частей к технике: ПТЗ К-700. Принадлежности кабины
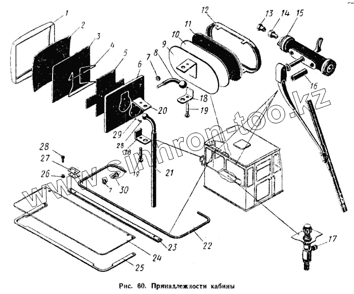
1
2
3
4
5
6
7
7
8
9
10
11
12
13
14
15
16
17
18
18
19
19
20
21
22
23
24
25
26
27
28
28
29
30
| Позиция на иллюстрации | Заводской номер детали | Название детали | |
|---|---|---|---|
| 700.82.01.040 | 700.82.01.040 | Зеркало в сборе | |
| 700.82.01.010 | 700.82.01.010 | Зеркало в сборе | |
| 700.82.00.000 | 700.82.00.000 | Принадлежности кабины | |
| 700.82.04.000 | 700.82.04.000 | Козырек противосолнечный | |
| 1 | 700.82.01.023 | Ободок | |
| 2 | 700.82.01.021 | Зеркало | |
| 3 | 700.82.01.022 | Прокладка | |
| 4 | 700.82.01.027 | Пружина | |
| 5 | 700.82.01.025 | Пластина | |
| 6 | 700.82.01.026 | Корпус | |
| 7 | Гайка М8-011 ГОСТ 5927-62 | Гайка М8-011 ГОСТ 5927-62 | |
| 8 | 700.82.00.020-1 | Кронштейн | |
| 9 | 700.82.01.030 | Основание в сборе | |
| 10 | 700.82.01.011 | Прокладка | |
| 11 | 700.82.01.012 | Зеркало | |
| 12 | 700.82.01.019 | Обечайка | |
| 13 | 700.82.00.017 | Ниппель | |
| 14 | 700.82.00.016 | Штуцер | |
| 15 | 700.82.07.000 | Стеклоочиститель | |
| 16 | 700.82.00.023 | Втулка | |
| 17 | 700.82.00.010 | Воздушный кран Кр11 | |
| 18 | 700.82.00.018-1 | Прижим | |
| 19 | Болт М8Х40-021 ГОСТ 7811-62 | Болт М8Х40-021 ГОСТ 7811-62 | |
| 20 | 700.82.01.024 | Фланец | |
| 21 | 700.82.00.030 | Стойка в сборе | |
| 22 | 700.82.04.012 | Скоба | |
| 23 | 700.82.04.015 | Обечайка верхняя | |
| 24 | 700.82.04.014 | Козырек | |
| 25 | 700.82.04.011 | Обечайка нижняя | |
| 26 | Гайка М4-011 ГОСТ 5927-62 | Гайка М4-011 ГОСТ 5927-62 | |
| 27 | 700.82.04.017 | Скоба | |
| 28 | Винт М4Х12-001 ГОСТ 1489-62 | Винт М4Х12-001 ГОСТ 1489-62 | |
| 29 | Шайба пружинная 4Н ГОСТ 6402-61 | Шайба пружинная 4Н ГОСТ 6402-61 | |
| 30 | Болт М8Х25-021 ГОСТ 7808-62 | Болт М8Х25-021 ГОСТ 7808-62 |
Содержащиеся в справочниках-каталогах запасные части и детали не предлагаются к продаже, а носят исключительно информационный характер