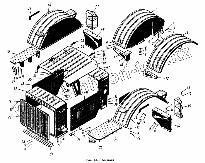
Каталог запасных частей к технике: ПТЗ К-700. Облицовка
1
2
3
4
5
6
7
7
7
7
7
8
8
8
8
8
9
10
10
10
10
11
12
13
14
15
16
17
18
18
18
18
18
18
18
18
19
20
21
21
21
21
21
21
22
22
22
23
24
25
26
27
28
28
28
28
29
30
31
32
33
34
35
36
37
38
39
40
41
42
43
43
44
45
46
47
48
48
| Позиция на иллюстрации | Заводской номер детали | Название детали | |
|---|---|---|---|
| 700.84.00.000-2 | 700.84.00.000-2 | Облицовка в сборе | |
| 1 | 700.84.04.010-2 | Крыло заднее правое | |
| 2 | Болт М12Х25-021 ГОСТ 7808-62 | Болт М12Х25-021 ГОСТ 7808-62 | |
| 3 | Шайба пружинная 12Н ГОСТ 6402-61 | Шайба пружинная 12Н ГОСТ 6402-61 | |
| 4 | Шайба 12-001 ГОСТ 11371-68 | Шайба 12-001 ГОСТ 11371-68 | |
| 5 | 700.84.04.020-2 | Крыло заднее левое | |
| 6 | 700.84.00.031 | Планка | |
| 7 | Шайба пружинная 10Н ГОСТ 6402-61 | Шайба пружинная 10Н ГОСТ 6402-61 | |
| 8 | Болт 410Х25-021 ГОСТ 7808-62 | Болт 410Х25-021 ГОСТ 7808-62 | |
| 9 | Шайба увеличенная 10-001 ГОСТ 6958-68 | Шайба увеличенная 10-001 ГОСТ 6958-68 | |
| 10 | Шайба 10-001 ГОСТ 11371-65 | Шайба 10-001 ГОСТ 11371-65 | |
| 11 | 700.84.04.080-1 | Кронштейн правый в сборе | |
| 12 | 700.84.04.070-1 | Кронштейн левый в сборе | |
| 13 | 700.67.00.014-1 | Ось петли | |
| 14 | Шплинт 3,2Х20-001 ГОСТ 397-66 | Шплинт 3,2Х20-001 ГОСТ 397-66 | |
| 15 | 700.84.03.090 | Трап левый в сборе | |
| 16 | 700.84.03.070-1 | Опора левая в сборе | |
| 17 | Болт М8Х25-021 ГОСТ 7808-62 | Болт М8Х25-021 ГОСТ 7808-62 | |
| 18 | Шайба пружинная 8Н ГОСТ 6402-61 | Шайба пружинная 8Н ГОСТ 6402-61 | |
| 19 | 700.84.00.043 | Планка левая | |
| 20 | 700.84.03.020-2 | Крыло переднее левое | |
| 21 | Болт М8Х20-021 ГОСТ 7808-62 | Болт М8Х20-021 ГОСТ 7808-62 | |
| 22 | Шайба увеличенная 8-001 ГОСТ 6958-68 | Шайба увеличенная 8-001 ГОСТ 6958-68 | |
| 23 | 700.84.00.050-1 | Площадка левая в сборе | |
| 24 | 700.84.00.090-1 | Кронштейн в сборе | |
| 25 | Заклепка 2Х4-700 ГОСТ 10299-68 | Заклепка 2Х4-700 ГОСТ 10299-68 | |
| 26 | 700.84.01.077-1 | Табличка | |
| 27 | 700.84.00.032 | Щиток | |
| 28 | Шайба 8-001 ГОСТ 11371-68 | Шайба 8-001 ГОСТ 11371-68 | |
| 29 | 700.84.00.010 | Решетка в сборе | |
| 30 | Болт М6Х18-021 ГОСТ 7808-62 | Болт М6Х18-021 ГОСТ 7808-62 | |
| 31 | Шайба 6-001 ГОСТ 11371-68 | Шайба 6-001 ГОСТ 11371-68 | |
| 32 | 700.84.01.000-2 | Облицовка радиатора | |
| 33 | 700.84.02.020-1 | Щиток правый в сборе | |
| 34 | Шплинт 2Х16-001 ГОСТ 307-66 | Шплинт 2Х16-001 ГОСТ 307-66 | |
| 35 | 700.84.02.190 | Труба в сборе | |
| 36 | Ось 10Х/5/Х40-101 ГОСТ 9650-66 | Ось 10Х/5/Х40-101 ГОСТ 9650-66 | |
| 37 | 700.84.00.080 | Кронштейн в сборе | |
| 38 | 700.84.00.060-1 | Площадка правая в сборе | |
| 39 | 700.84.00.042 | Планка правая | |
| 40 | 700.84.03.010-2 | Крыло переднее правое | |
| 41 | 700.84.03.100 | Трап правый в сборе | |
| 42 | 700.84.03-080-1 | Опора правая в оборе | |
| 43 | 700.84.02.090 | Петля в сборе | |
| 44 | 700.84.02.180 | Труба в сборе | |
| 45 | Гайка М8-011 ГОСТ 5927-62 | Гайка М8-011 ГОСТ 5927- 62 | |
| 46 | 700.84.02.160 | Крышка капота | |
| 47 | 700.84.02.120-2 | Облицовка капота в сборе | |
| 48 | 700.84.02.010-1 | Щиток левый в сборе |
Содержащиеся в справочниках-каталогах запасные части и детали не предлагаются к продаже, а носят исключительно информационный характер