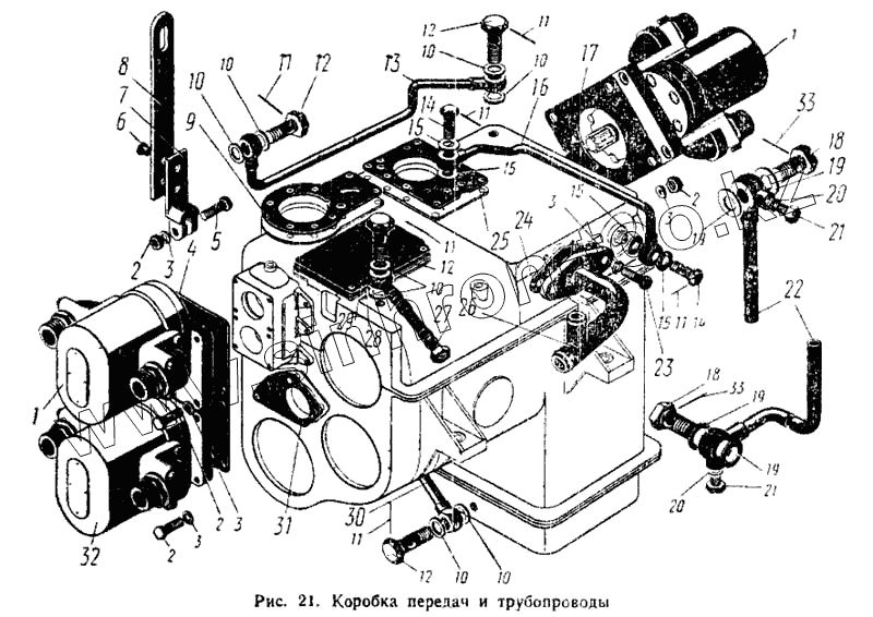
Каталог запасных частей к технике: ПТЗ К-700. Коробка передач и трубопроводы
1
1
2
2
2
2
3
3
3
3
3
4
5
6
7
8
9
10
10
10
10
10
10
10
11
11
11
11
11
11
12
12
12
12
13
14
14
15
15
15
15
16
17
18
18
19
19
19
19
20
20
21
21
22
23
24
25
26
27
28
29
30
31
32
33
33
| Позиция на иллюстрации | Заводской номер детали | Название детали | |
|---|---|---|---|
| 700.17.00.040 | 700.17.00.040 | Рычаг в сборе | |
| 700.17.00.000-2 | 700.17.00.000-2 | Коробка передач в сборе | |
| 1 | 700.17.00.070-2 | Насос НШ46У левого вращения | |
| 2 | Гайка М10-011 ГОСТ 5927-62 | Гайка М10-011 ГОСТ 5927-62 | |
| 3 | Шайба пружинная 10Н ГОСТ 6402-61 | Шайба пружинная 10Н ГОСТ 6402-61 | |
| 4 | 700.17.00.013 | Прокладка | |
| 5 | Болт М10Х50-021 ГОСТ 7811-62 | Болт М10Х50-021 ГОСТ 781 1- 62 | |
| 6 | Заклепка 6Х18 ГОСТ 10299-62 | Заклепка 6Х18 ГОСТ 10299-62 | |
| 7 | 700.17.00.022 | Рычаг | |
| 8 | 700.17.00.021 | Рычаг | |
| 9 | 700.17.00.012-1 | Прокладка | |
| 10 | 700.17.01.413 | Прокладка | |
| 11 | Проволока КО 1,6Х110 мм ГОСТ 792-67 | Проволока КО 1,6Х110 мм ГОСТ 792-67 | |
| 12 | 700.17.24.023-2 | Болт зажимной | |
| 13 | 700.17.24.050-3 | Труба | |
| 14 | 700.17.24.045 | Болт зажимной | |
| 15 | 700.34.29.042 | Прокладка | |
| 16 | 700.17.24.380 | Труба в сборе | |
| 17 | 700.17.00.017 | Прокладка | |
| 18 | 700.17.24.042 | Болт зажимной | |
| 19 | Прокладка 27Х35 | Прокладка 27Х35 | |
| 20 | Прокладка 16Х22 | Прокладка 16Х22 | |
| 21 | Пробка шестигранная ПМ16Х15 | Пробка шестигранная ПМ16Х15 | |
| 22 | 700.17.24.070-1 | Труба в сборе | |
| 23 | Болт М10Х25-021 ГОСТ 7808-62 | Болт М10Х25-021 ГОСТ 7808-62 | |
| 24 | 700.17.01.286-1 | Прокладка | |
| 25 | 700.17.00.015-1 | Прокладка | |
| 26 | 700.17.00.110-1 | Труба в сборе | |
| 27 | 700.17.24.270 | Рукав в сборе | |
| 28 | 700.17.00.016-1 | Прокладка | |
| 29 | 700.17.00.019 | Прокладка | |
| 30 | 700.17.24.130 | Угольник в сборе | |
| 31 | 700.17.00.018-2 | Прокладка | |
| 32 | 700.17.00.080-2 | Насос НШ46У правого вращения | |
| 33 | Проволока КО 1,6Х160 мм ГОСТ 792-67 | Проволока КО 1,6Х160 мм ГОСТ 792-67 |
Содержащиеся в справочниках-каталогах запасные части и детали не предлагаются к продаже, а носят исключительно информационный характер