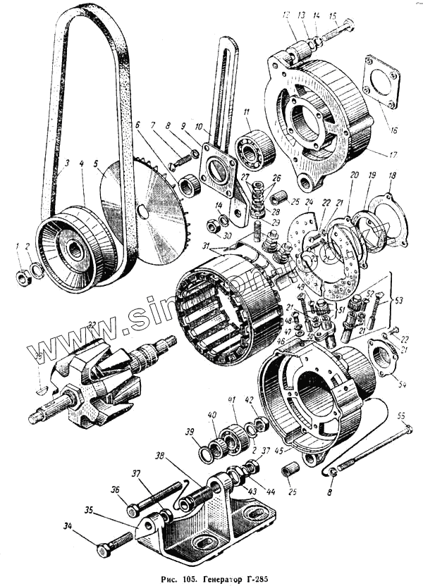
Каталог запасных частей к технике: ПТЗ К-700. Генератор Г-285
1
2
2
3
4
5
6
7
8
8
9
10
11
12
13
14
14
15
16
17
18
19
20
21
21
21
21
21
22
22
23
24
25
25
26
27
28
29
30
31
32
33
34
35
36
37
37
38
39
40
41
42
43
44
45
46
47
48
49
50
51
52
53
54
55
| Позиция на иллюстрации | Заводской номер детали | Название детали | |
|---|---|---|---|
| Г285-3701300 | Г285-3701300 | Крышка со стороны контактных колец в сборе | |
| СК-Г285-3701000-Г | СК-Г285-3701000-Г | Генератор в сборе | |
| Г285-3701400 | Г285-3701400 | Крышка со стороны привода в сборе | |
| 1 | НО-2201 | Гайка | |
| 2 | Х-4289 | Шайба пружинная | |
| 3 | 238НБ-1307170 | Ремень привода водяного насоса | |
| 4 | Г285-3701051 | Шкив | |
| 5 | Г253-3701055 | Вентилятор в сборе | |
| 6 | Г253-3701054 | Втулка | |
| 7 | 005 | Винт | |
| 8 | Х-1482 | Шайба пружинная | |
| 8 | Х-1482 | Шайба пружинная | |
| 9 | Г285-3701404 | Шайба специальная | |
| 10 | 236-3701025-Б2 | Планка крепления генератора | |
| 11 | 180603С9 | Шарикоподшипник | |
| 12 | 238НБ-3701027-Б | Втулка распорная | |
| 13 | 252038-П29 | Шайба | |
| 14 | 252135-П2 | Шайба пружинная | |
| 15 | 201466-П29 | Болт крепления генератора к планке | |
| 16 | Г285-3701405 | Шайба специальная | |
| 17 | Г285-3701401 | Крышка со стороны привода | |
| 18 | Г285-3701304 | Держатель сальника внутренний | |
| 19 | Г285-3701305 | Шайба войлочная | |
| 20 | Г285-3701306 | Держатель сальника наружный | |
| 21 | Х-1012 | Шайба пружинная | |
| 21 | Х-1012 | Шайба пружинная | |
| 21 | Х-1012 | Шайба пружинная | |
| 22 | 8Х-1541 | Винт | |
| 22 | 8Х-1541 | Винт | |
| 23 | 8Х-1545 | Винт | |
| 24 | Г285-3701009 | Сетка крышки | |
| 25 | Г285-3701303 | Втулка | |
| 25 | Г265-3701303 | Втулка | |
| 26 | Х-4069 | Шайба пружинная | |
| 27 | 8Х-1537М | Гайка | |
| 28 | Г108-3701037 | Шайба стальная | |
| 29 | Г285-3701128 | Шайба изоляционная | |
| 30 | 250511-П29 | Гайка | |
| 31 | Г285-3701100 | Статор с катушками в сборе | |
| 32 | Г285-3701200 | Ротор в сборе | |
| 33 | Б-16 | Шпонка сегментная | |
| 34 | 201504-П29 | Болт крепления кронштейна | |
| 35 | 238НБ-3701020-В | Кронштейн крепления генератора | |
| 36 | 200324-П29 | Болт крепления генератора к втулке | |
| 37 | 250512-П29 | Гайка | |
| 38 | 236-3701044-В | Втулка кронштейна крепления генератора | |
| 39 | Г253-3701004 | Прокладка | |
| 40 | Г251-3701054 | Втулка | |
| 41 | 180502КС9 | Шарикоподшипник | |
| 42 | МХ-0015 | Гайка | |
| 43 | 250638-П29 | Гайка | |
| 44 | 252136-П2 | Шайба пружинная | |
| 45 | Г285-3701301 | Крышка со стороны контактных колец | |
| 46 | 8Х-1497А | Шайба стальная | |
| 47 | Х-4001 | Шайба пружинная | |
| 48 | МХ-0097 | Винт крепленая панели | |
| 49 | 8Х-4165 | Винт | |
| 50 | Х-4020 | Шайба плоская | |
| 51 | Г253-3701010 | Щеткодержатель изолированный со щеткой в сборе | |
| 52 | 8Х-1549 | Винт | |
| 53 | Г253-3701030 | Щеткодержатель массовый со щеткой в сборе | |
| 54 | Г210-3701002 | Крышка подшипника | |
| 55 | Г285-3701080 | Шпилька стяжная |
Содержащиеся в справочниках-каталогах запасные части и детали не предлагаются к продаже, а носят исключительно информационный характер