Вернуться на главную
Поиск
Каталоги запчастей к технике
Сельхозтехника
New Holland
TS6.110
90.118.AE - STEP - ROPS, CAB
Каталог запасных частей к технике: New Holland TS6.110. 90.118.AE - STEP - ROPS, CAB
zoom-in
zoom-out
enlarge
shrink
circle-right
circle-left
file-text2
info
cart
Тип техники
Не выбрано
Легковые автомобили
Грузовые автомобили и прицепы
Автобусы
Сельхозтехника
Спецтехника
Двигатели
Мототехника
Марка
Не выбрано
AGCO
Amity
CASE IH
DongFeng
Fortschritt
Foton
Franz Kleine
Gaspardo
Great Plains
KRONE
KUHN
Lemken
Lovol
MacDon
Massey Ferguson
New Holland
TIGARBO
Vaderstad
Versatile
Wirax
Агро
Агротехмаш
Бобруйскагромаш (ОАО «УКХ «Бобруйскагромаш»)
БЭМЗ
ВгТЗ
Воронежсельмаш
ВТЗ
Гомсельмаш
ДКЗ
ЗАО "Техника-сервис"
ЗиД
КЗК
Кировец-Ландтехник
Клевер
Красная Звезда
Лидагропроммаш
Лидсельмаш
ЛТЗ
Машстройхолдинг
Минитракторы
Мордовагромаш
МТЗ
Навигатор-Новое машиностроение
Нефтекамский автозавод
ПТЗ
Ремком
РСМ
Сибсельмаш
ТеКЗ
ТКЗ
ХЗТСШ
ХТЗ
ЮМЗ
Модель
Не выбрано
CSX7080 (D660) (2008)
T8 (2012)
T9.615, T9.670 (2012)
TL5040 (2012)
TS6.110 (2012)
Комбайн CR9080 E3 (часть 1) (2014)
Комбайн CR9080 E3 (часть 2) (2014)
Трактор T9.505 (часть 1) (2012)
Трактор T9.505 (часть 2) (2012)
Трактор TJ425 (часть 1) (2010)
Трактор TJ425 (часть 2) (2010)
Схема
>
Не выбрано
05.100.01 - INITIAL STOCKING LIST (LIST A)
05.100.02 - INITIAL STOCKING LIST (LIST B)
05.100.03-01 - FILTERS
05.100.03-02 - FILTERS
10.001.AB - CRANKCASE
10.001.AD - ENGINE
10.001.AK - HOOK - ENGINE
10.101.AA-01 - CYLINDER HEAD 4 CYL.
10.101.AA-02 - CYLINDER HEAD 6 CYL.
10.101.AB-01 - CYLINDER HEAD - COVERS 4 CYL.
10.101.AP - ROCKSHAFT
10.102.AP-01 - ENGINE OIL SUMP
10.103.AA - CRANKSHAFT
10.103.AG - PULLEY - CRANKSHAFT
10.103.AH-01 - FLYWHEEL - ENGINE MECHANICAL 8+8
10.103.AH-02 - FLYWHEEL - ENGINE POWER SHUTTLE 8+8
10.103.AK - CRANKCASE COVERS
10.105.AC - CONNECTING ROD
10.105.AG - PISTON - ENGINE
10.106.AG - CAMSHAFT - TIMING CONTROL
10.110.AA-01 - DYNAMIC BALANCER - GEARS
10.110.AA-02 - DYNAMIC BALANCER
10.202.AB - AIR CLEANER
10.210.AO-01 - FUEL PUMP - 4 CYL.
10.114.AB - INJECTION PUMP - CONTROLS
10.216.AI-01 - FIRE SHIELD
10.216.AI-02 - FUEL SYSTEM INJECTOR - ENGINE
10.216.AI-03 - FUEL TANK - SUPPORT 4 CYL.
10.218.AD - FUEL FILTER
10.218.AI-01 - INJECTION PIPE 4 CYL
10.218.AI-02 - FUEL LINES
10.218.AI-03 - INJECTION PIPE
10.218.AQ-01 - INJECTION PUMP
10.218.AQ-02 - FUEL SYSTEM INJECTOR
10.218.AU - INJECTION PIPE
10.250.AC - TURBOCHARGER
10.254.AC - EXHAUST MANIFOLD
10.254.AI-01 - VERTICAL EXHAUST - MUFFLER 4 CYL.
10.254.AM - INLET MANIFOLD
10.304.AC - OIL PUMP - ENGINE
10.304.AE - OIL FILTER - ENGINE
10.304.AL - PIPE - ENGINE OIL
10.304.AM - MOTOR - SENSOR
10.304.AS - ENGINE OIL DIPSTICK
10.400.AE - COOLING SYSTEM LINE - ENGINE
10.400.BB-01 - WATER PUMP
10.400.BB-02 - WATER PUMP - CONTROLS - NAR
10.400.BC - THERMOSTAT ENGINE COOLING SYSTEM WATER PUMP
10.400.BE - RADIATOR
10.408.AC - HEAT EXCHANGER - ENGINE
10.414.AC - FAN DRIVE
10.414.AD-01 - BELT PULLEY DRIVE
10.414.AD-02 - BELT PULLEY DRIVE
18.100.AF-01 - CLUTCH - CONTROLS ROPS - HYDRAULIC
18.100.AF-02 - CLUTCH - CONTROLS ROPS - MECHANICAL
18.100.AF-03 - CLUTCH, PEDAL, MECHANICAL, PEDAL, CAB
18.104.AF - CLUTCH, PEDAL, HYDRAULIC LIFT, CAB
18.110.AB-01 - CLUTCH - ASSY MECHANICAL 8+8
18.110.AB-02 - CLUTCH - ASSY SHUTTLE 8+8
21.109.AD-01 - COOLING SYSTEM - OIL - MECHANICAL
21.109.AD-02 - COOLING SYSTEM - OIL - POWER SHUTTLE
21.112.AC - TRANSMISSION HOUSING 8+8, 16+8 POWER SHUTTLE
21.114.AL - TRANSMISSION HOUSING 8+8 MECHANICAL
21.130.AB - TRANSMISSION - FORKS 8+8 MECHANICAL - 30 KM/40 KM
21.130.BC-01 - CONTROL LEVER MECHANISM INSTALLATION
21.130.BC-02 - CONTROL LEVER MECHANISM INSTALLATION
21.130.BC-03 - FORWARD REVERSE CONTROL 8+8 PS, 16+8 PS - CAB
21.130.BC-04 - RANGE LEVER ASSY
21.134.AB-01 - POWERSHUTTLE, VALVE
21.134.AB-02 - POWERSHUTTLE, VALVE, COMPONENTS
21.134.AB-03 - TRANSMISSION CONTROL VALVE, POWERSHUTTLE, COMPONENTS
21.134.AB-04 - TRANSMISSION CONTROL VALVE, POWERSHUTTLE, COMPONENTS
21.134.AB-05 - TRANSMISSION CONTROL VALVE, POWERSHUTTLE, COMPONENTS
21.134.AH-01 - ACTUATOR - POWERSHUTTLE - HYD
21.134.AH-02 - TRANSMISSION - FORKS 8+8 POWER SHUTTLE, 16+8 POWER SHUTTLE/DUAL POWER - 30 KM/40 KM
21.140.AE-01 - TRANSMISSION, CREEPER GEAR
21.140.AE-02 - TRANSMISSION - GEARS
21.140.AE-03 - TRANSMISSION - GEARS
21.140.AE-04 - TRANSMISSION - GEARS
21.140.AE-05 - TRANSMISSION - GEARS
21.140.AE-06 - TRANSMISSION - GEARS
21.140.AE-07 - TRANSMISSION - GEARS
21.140.AE-08 - TRANSMISSION - GEARS
21.140.AE-09 - TRANSMISSION - GEARS
21.140.AE-10 - TRANSMISSION - GEARS
21.140.AN - COVER GEAR SHIFT 8+8, MECHANICAL - 30 KM/40 KM
21.140.AR - FRONT COVER 8+8 MECHANICAL - 30 KM/40 KM
21.154.AA-01 - FRONT COVER 8+8 POWER SHUTTLE - 30 KM/40 KM
21.154.AA-02 - FRONT COVER 16+8 POWER SHUTTLE/DUAL POWER - 30 KM/40 KM
21.154.AA-03 - TRANSMISSION - GEARS
21.154.AA-04 - TRANSMISSION - GEARS
21.154.AJ - TRANSMISSION - GEARS
21.154.AM - COVER GEAR SHIFT 8+8 POWER SHUTTLE, 16+8 POWER SHUTTLE/DUAL POWER - 30 KM/40 KM
21.160.AL - CREEPER TRANSMISSION CONTROL
21.162.AB - MECHANICAL REVERSE ACTUATOR
25.100.AI-01 - FRONT AXLE - 4WD
25.102.AC-01 - BEVEL GEAR - FRONT AXLE/PINION SET - STANDARD DUTY 108
25.102.AE - FRONT AXLE LIMITED SLIP DIFFERENTIAL - STANDARD DUTY 108
25.108.AA-01 - DRIVE SHAFT - FRONT AXLE - STANDARD DUTY 108
25.108.AB-01 - GEAR REDUCTION UNIT - FRONT AXLE - STANDARD DUTY 108
25.108.AG-01 - FRONT AXLE SWIVEL HOUSING
25.301.AB - AXLE HOUSING - FRONT AXLE 4WD - AXLE REF. # 149749 - STANDARD DUTY 108
25.400.AM-02 - FRONT AXLE - STEERING SYSTEM 2WD - 4 CYL. HEAVY DUTY
25.400.AM-01 - FRONT AXLE - STEERING SYSTEM 2WD - 4 CYL.
27.100.AB - REAR AXLE, CENTER HOUSING
27.100.AK - REAR AXLE MUDDER DROP TRUMPET
27.106.AC - REAR AXLE - DIFFERENTIAL
27.106.AK-01 - REAR AXLE - DIFFERENTIAL LOCK CONTROLS > SHIM
27.106.AK-02 - REAR AXLE - DIFFERENTIAL LOCK
27.120.AF-01 - SIDE GEAR REDUCTION UNIT
27.120.AF-02 - SIDE GEAR REDUCTION UNIT
27.120.AF-03 - SIDE REDUCTION UNITS GEARING - HEAVY DUTY
27.120.AI - CASING AND COVERS SIDE REDUCTION UNITS
27.120.AR - HUBS FOR SINGLE
31.101.AB - LEVER - PTO CONTROL, ROPS
31.104.AY-01 - PTO - CONTROLS, CAB
31.104.AY-02 - PTO CONTROLS - BREAKDOWN, CAB > CAP
31.110.AB - SHAFT
31.114.AB - SHAFT
31.114.AH - GUARD - PTO
31.114.AI - CLUTCH
33.110.AJ - HAND BRAKE
33.120.AG - PEDAL - BRAKES , CAB
33.202.AK - PARKING BRAKE - 4WD
33.202.AM - RESERVOIR - BRAKES > DISC,53.34mm ID x 223.52mm OD x 4.9mm Thk
33.202.AP-01 - PEDAL - BRAKES , PLATFORM
33.202.AP-02 - CONTROL - BRAKES
33.202.AR - PEDAL - BRAKES
35.100.AB - LESS HYDRAULIC LIFT, ASSY
35.104.AA - TANDEM GEAR PUMP - MOUNTING 13/9 GPM
35.114.AA - HYDRAULIC LIFT CYLINDER
35.124.AD-01 - HYDRAULIC LIFT ASSIST CYLINDER SINGLE
35.124.AD-02 - HYDRAULIC LIFT ASSIST CYLINDER DOUBLE
35.204.BE-01 - DELUXE REMOTE HYDRAULIC CONTROL VALVE - BEFORE SN: NH02657M, NH02662M, NH02631M
35.204.BE-02 - REMOTE CONTROL VALVE 1 VALVE - AFTER SN: NH02657M
35.204.BE-03 - REMOTE CONTROL VALVE 1 VALVE - AFTER SN: NH02657M
35.204.BE-04 - REMOTE CONTROL VALVE 1 VALVE - AFTER SN: NH02657M
35.204.BE-05 - REMOTE CONTROL VALVE 2 VALVES - AFTER SN: NH02662M
35.204.BE-06 - REMOTE CONTROL VALVE 2 VALVES - AFTER SN: NH02662M
35.204.BE-07 - REMOTE CONTROL VALVE 2 VALVES - AFTER SN: NH02662M
35.204.BE-08 - REMOTE CONTROL VALVE 4 VALVES - AFTER SN: NH02631M
35.204.BE-09 - REMOTE CONTROL VALVE 4 VALVES - AFTER SN: NH02631M
35.204.BE-10 - REMOTE CONTROL VALVE - 4 VALVES - AFTER SN: NH02631M
35.204.BJ-01 - REMOTE CONTROL VALVE, HOSES 1
35.204.BJ-02 - REMOTE CONTROL VALVE, HOSES 4 VALVES - AFTER SN: NH02631M
35.204.BL-01 - 1 CONTROL VALVE, CAB - BEFORE SN: NH02657M
35.204.BL-02 - 2 CONTROL VALVES LEVER , CAB - BEFORE SN: NH02662M
35.204.BL-03 - 4 CONTROL VALVES LEVER , CAB - BEFORE SN: NH02631M
35.204.BL-04 - REMOTE CONTROL VALVE, 1 CONTROL LEVER, PLATFORM - AFTER SN: NH02657M
35.204.BL-05 - REMOTE CONTROL VALVE, 2 CONTROL LEVER, PLATFORM - AFTER SN: NH02662M
35.204.BL-06 - REMOTE CONTROL VALVE, 4 CONTROL LEVER, PLATFORM - AFTER SN: NH02631M
35.204.BL-07 - REMOTE CONTROL VALVE, 1 CONTROL LEVER, CAB - AFTER SN: NH02657M
35.204.BL-08 - REMOTE CONTROL VALVE, 2 CONTROL LEVER, CAB - AFTER SN: NH02662M
35.204.BL-09 - REMOTE CONTROL VALVE, 4 CONTROL LEVER, CAB - AFTER SN: NH02631M > CLIP
35.204.BL-10 - LIFT CONTROL - CAB
35.204.BP - HYDRAULIC LIFT UNLOAD VALVE PRIORITY ASSEMBLY
35.204.BQ - HYDRAULIC VALVE - CONTROLS - BEFORE SN: NH02657M, NH02662M, NH02631M
35.220.AA - AUXILIARY HYDRAULIC PUMP
35.220.AE - HYDRAULIC PUMP - MOUNTING
35.220.AG - HYDRAULIC PUMP - LINES
37.100.AA-01 - SWINGING DRAWBAR - WITH CLEVIS
37.100.AA-02 - SWINGING DRAWBAR - LESS CLEVIS
37.108.AC-01 - VAR 330845 - LIFT CONTROL
37.108.AC-02 - LIFT CONTROL LEVER- PLATFORM > LEVER
37.108.AG-01 - LIFT CONTROL
37.108.AG-02 - LIFT CONTROL
37.108.AG-03 - LIFT CONTROL
37.110.AE - HYDRAULIC LIFT SHAFT
37.110.AP - HYDRAULIC LIFT - COVER
37.120.AF-01 - LOWER LINK - STABILIZER SECTION
37.120.AF-02 - CHAIN - STABILIZER SECTION
37.120.AX - HYDRAULIC LIFT LINKAGE
39.140.AI-01 - WHEEL WEIGHT - REAR - FLANGE AXLE
39.140.AI-02 - 6 BALLAST - REAR - BAR AXLE
39.140.AI-03 - 10 BALLAST - REAR - BAR AXLE
41.101.AB-01 - STEERING COLUMN, ROPS
41.101.AB-02 - STEERING COLUMN, CAB
41.101.AC - TRANSFER BOX - FRONT AXLE
41.101.AF-01 - DRIVE SHAFT - FRONT AXLE 4WD, 4CYL
41.101.AJ - STEERING WHEEL - CAB
41.200.AO-01 - POWER STEERING LINES MECHANICAL/POWER SHUTTLE 4 CYL. - 2WD/4WD
41.200.AO-03 - STEERING PUMP TANK PIPES FRONT AXLE 2WD 4CYL. HEAVY DUTY
41.200.AT - HYDRAULIC STEERING
41.200.AX-01 - TANDEM HYDRAULIC PUMP PIPING
41.200.AX-02 - TANDEM HYDRAULIC PUMP PIPING - POWER SHUTTLE
41.216.AN-01 - POWER STEERING CYLINDER COMPONENTS - FRONT AXLE 2WD
41.216.AN-02 - PARTS, AUXILIARY CYLINDER
44.511.AE-01 - WHEEL - FRONT - 4WD
44.511.AE-02 - WHEEL ASSY - FRONT - 2WD
44.511.AE-03 - WHEEL - FRONT - 2WD
44.520.AB - WHEEL STANDARD - REAR
50.100.AP-01 - AIR CONDITIONER - CAB
50.100.AP-02 - AIR CONDITIONER - COMPONENTS
50.100.AP-03 - AIR CONDITIONER - COMPONENTS
50.100.AP-04 - AIR CONDITIONING UNIT - AIR CONDITIONER
50.100.AP-05 - AIR CONDITIONING UNIT- PIPES
50.100.AP-06 - AIR CONDITIONER
50.104.AQ - FILTERS - CAB
50.200.AA - AIR CONDITIONER - CAB
55.015.AB-01 - ELECTRICAL WIRING HARNESS, MAIN FRONT
55.015.AB-02 - ELECTRICAL WIRING HARNESS, MAIN FRONT- ROPS
55.015.AB-03 - ELECTRICAL WIRING HARNESS, MAIN FRONT- ROPS
55.100.BZ-01 - HARNESS ASSY., REAR LIGHTS, CAB
55.100.BZ-02 - ELECTRICAL WIRING HARNESS, MAIN REAR, ROPS
55.100.BZ-03 - ELECTRICAL WIRING HARNESS, MAIN REAR, CAB
55.100.BZ-04 - TRANSMISSION, HARNESS ASSY, REAR LIGHTS, ROPS
55.100.BZ-04 - TRANSMISSION, HARNESS ASSY, REAR LIGHTS, ROPS
55.100.DP - HARNESS - ASSY CREEPER
55.201.AE - STARTER MOTOR
55.201.AH - CAB - ELECTRONIC CONTROLS
55.202.AY - THERMOSTART
55.301.AA-01 - ALTERNATOR
55.301.AA-02 - ALTERNATOR ASSY - 65 AMP
55.301.AA-03 - ALTERNATOR ASSY - 120 AMP
55.302.AG - BATTERY
55.404.AC - ROTARY BEACON - W/CAB
55.404.AL - ELECTRICAL WIRING HARNESS, FRONT LIGHTS
55.404.AQ - HEADLAMP - ASSY
55.404.BM-01 - FLASHER LAMP, ROPS
55.404.BM-02 - FLASHER LAMP, ROPS - ONLY SOUTH AFRICA
55.404.BS-01 - WORK LIGHT
55.404.BS-02 - REAR AND FRONT WORKING LIGHTS - W/CAB
55.404.BS-03 - WORKING LIGHT - W/CAB
55.408.BG-01 - REVERSE ALARM, ROPS
55.408.BG-02 - REVERSE ALARM - CAB
55.510.AB - HARNESS, CAB
55.510.AF - MAIN HARNESS - W/CAB
55.512.AA - SPEAKER, ANTENNA
55.512.BQ - INSTRUMENT PANEL
55.512.BY - CAB - ELECTRONIC CONTROLS
55.518.AI - WINDSHIELD WIPER, FRONT
55.525.AL - THROTTLE CONTROL LINKAGE
55.525.AM-01 - THROTTLE CONTROL LINKAGE, CAB
55.525.AM-02 - THROTTLE CONTROL LINKAGE - ROPS
55.785.AO - ELECTRICAL, SWITCH
88.055.01 - DIA KIT, WORK LIGHTS, PLATFORM
88.100.10-01 - DIA KIT FIRE SHIELD 4 CYL
88.100.10-02 - DIA KIT FIRE SHIELD 6 CYL
88.100.35-01 - DIA KIT, QUADRUPLE VALVE, ROPS - BEFORE SN: NH02657M, NH02662M, NH02631M
88.100.35-02 - DIA KIT, HYDRAULIC LIFT AUXILIARY CYLINDER SINGLE LH
88.100.35-03 - DIA KIT, HIDRAULIC LIFT AUXILIARY CYLINDER SINGLE RH
88.100.35-04 - DIA KIT HYDRAULIC PUMP TUBING AUXILIARY
88.100.35-05 - DIA KIT, QUADRUPLE VALVE CAB - BEFORE SN: NH02657M, NH02662M, NH02631M
88.100.35-06 - DIA KIT, TRACTOR, VALVE, ROPS, FROM 1 TO 2 BODIES, AFTER SN: NH02657M
88.100.35-07 - DIA KIT, TRACTOR, VALVE, CAB, FROM 1 TO 2 BODIES, AFTER SN: NH02657M
88.100.35-08 - DIA KIT, TRACTOR, VALVE, ROPS, FROM 2 TO 3 BODIES, AFTER SN: NH02662M
88.100.35-09 - DIA KIT, TRACTOR, VALVE, CAB, FROM 2 TO 3 BODIES, AFTER SN: NH02662M
88.100.35-10 - DIA KIT, TRACTOR, VALVE, ROPS, FROM 3 TO 4 BODIES, AFTER SN: NH02631M
88.100.35-11 - DIA KIT, TRACTOR, VALVE, CAB, FROM 3 TO 4 BODIES, AFTER SN: NH02631M
88.100.39-01 - DIA KIT FRONT END WAFER WEIGHTS
88.100.39-02 - DIA KIT SWINGING DRAWBAR 4 CYL
88.100.39-03 - DIA KIT SWINGING DRAWBAR 6 CYL
88.100.39-04 - DIA KIT WHITE REAR WHEEL WEIGHTS
88.100.55-01 - DIA KIT, HINGE/GUARD F, REAR LIGHTS/ROPS
88.100.55-02 - DIA KIT REAR OR FRONT WORKING LIGHTS - W/CAB
88.100.55-03 - DIA KIT ALARM REVERSE PLATFORM
88.100.55-04 - DIA KIT ALARM REVERSE CAB
88.100.55-05 - DIA KIT REAR WINDSHIELD WIPER
88.100.55-06 - DIA KIT BEACON - PLATFORM
88.100.55-07 - DIA KIT BEACON - CAB
88.100.55-08 - DIA KIT, TRACTOR, BLOCK HEATER - ENGINE 110 V
88.100.55-09 - DIA KIT, TRACTOR, BLOCK HEATER, ENGINE 220 V
88.100.90-01 - DIA KIT EXTENSION MIRROR CAB
88.100.90-02 - DIA KIT FLOORMAT PLATFORM
88.100.90-03 - DIA KIT FRONT FENDERS, 4 CYL. 4WD
88.100.90-04 - DIA KIT FRONT FENDERS, 6 CYL.
88.100.90-05 - DIA KIT GRILL-GUARD W/ARMS LH
88.100.90-06 - DIA KIT STEP RH PLATFORM
88.100.90-07 - VAR - 330196, 330197, 334104, 334285, 713640, 713641, 713646, 713647, 713648, 715824, 730885 - , FRONT LOADER HYDRAULIC SYSTEM
88.100.AH-01 - TOOL
88.100.AH-02 - TOOL BOX 4 CYL., PLATFORM
88.100.AH-03 - TOOL BOX 4 CYL., CAB
88.100.AN-01 - WARNING TRIANGLE, ROPS
88.100.AN-02 - WARNING TRIANGLE, CAB
90.100.AC-01 - HOOD, UPPER
90.100.AC-02 - COVERS, HOOD
90.100.AC-03 - COVERS, HOOD
90.100.AF - GRILLE - FRONT
90.100.AU - HOOD
90.102.AD - STRAP HOOD
90.108.AA - DECALS, CONTROL INSTRUCTION
90.108.AB - DECALS, IDENTIFICATION
90.108.AC-01 - DECALS, WARNING
90.108.AC-02 - DECALS, SERVICE, MEXICO
90.108.AC-03 - DECALS, SERVICE, NAR
90.108.AC-04 - DECALS, TRANSMISSION SHIFT PATTERN
90.108.AC-05 - DECAL KIT FRENCH - CAB
90.110.AA - MUDGUARD
90.110.AP-01 - MUDGUARD
90.110.AP-02 - PLATFORM
90.110.BD - MUDGUARD
90.114.AQ - ROLLBAR ASSEMBLY, FOLDING
90.114.BE - CANOPY KIT
90.116.AC-01 - REAR FENDER - RH 4/6 CYL.
90.116.AC-02 - REAR FENDER - LH 4/6 CYL.
90.116.AC-03 - FRONT FENDER, 4WD
90.119.AB-01 - BAFFLE - HEATED
90.118.AE - STEP - ROPS, CAB
90.119.AB-02 - STEERING COLUMN - ASSY BAFFLE
90.120.AD-01 - DELUXE SEAT WITH RETRACTABLE BELTS AND SWITCH - W/CAB
90.120.AD-02 - DELUXE SEATWITH RETRACTABLE BELTS AND SWITCH - BREAKDOWN
90.120.AD-03 - DELUXE SEATWITH RETRACTABLE BELTS AND SWITCH - BREAKDOWN
90.120.AD-04 - AIR SUSPENSION SEAT W SEAT BELT
90.124.AE-01 - OPERATOR SEAT ASSEMBLY, GRAMMER, ROPS
90.124.AE-02 - VAR - 332254 - OPERATOR SEAT ASSEMBLY, GRAMMER - ROPS
90.150.AC - CAB FRAME
90.150.BB - CAB SUPPORT
90.150.BC - INSULATOR, CAB
90.150.BG-01 - CAB ROOF
90.150.BG-02 - ROOF LINING - W/CAB
90.151.AB - CUP HOLDER
90.151.AE - SUN CURTAIN
90.151.AK - MIRROR, REAR
90.154.AA-01 - CAB DOOR
90.154.AA-02 - CAB DOOR
90.156.AB - CAB REAR WINDOW
90.156.AL - CAB GLASS
90.160.AM - LINING - LEFT - W/CAB
90.160.AO -01 - INSTRUMENT CLUSTER - ELECTRONIC CONTROLS
90.160.BL-01 - LINING - RIGHT - W/CAB
90.160.BL-02 - LEVER ASSY
90.160.CD-01 - TRIM PANEL - FRONT
90.160.CD-02 - TRIM PANEL - FRONT - W/CAB
90.160.CK-01 - INSULATOR, CAB
90.160.CK-02 - INSULATOR, CAB
90.456.AZ - CAB SIDE GLASS
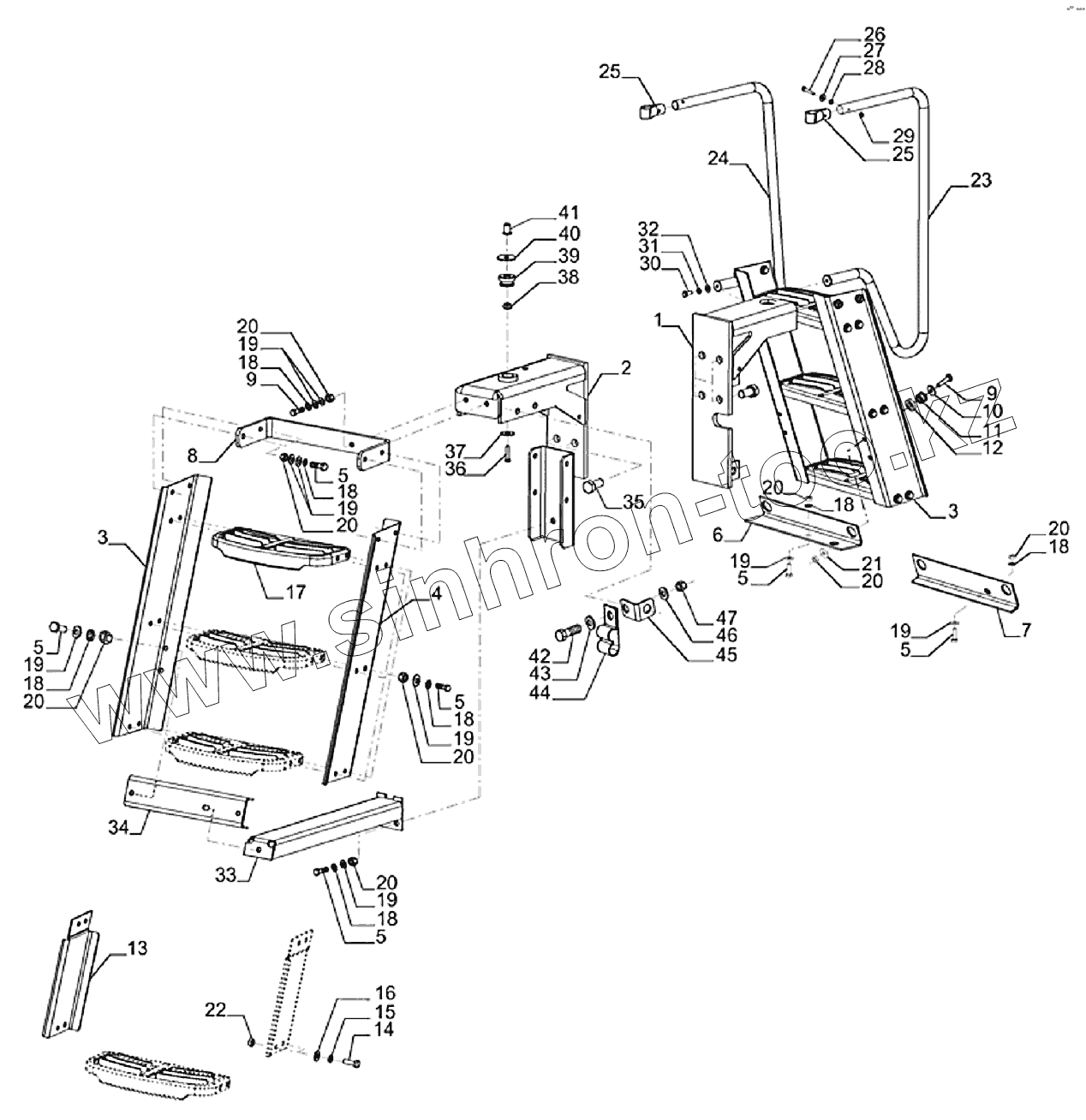
1
1
2
2
3
3
4
5
5
5
5
5
5
6
7
8
9
9
10
11
12
13
14
15
16
17
18
18
18
18
18
18
18
19
19
19
19
19
19
19
20
20
20
20
20
20
20
20
21
22
23
24
25
25
26
27
28
29
30
31
32
33
34
35
36
37
38
39
40
41
42
43
44
45
46
47
Позиция на иллюстрации
Заводской номер детали
Название детали
1
73335595
SUPPORT
1
73337673
SUPPORT
2
73335592
SUPPORT
2
73337669
SUPPORT
3
73337711
SUPPORT
4
73337712
SUPPORT
5
43140
BOLT
6
73337971
SUPPORT
7
73337969
SUPPORT
8
73337716
SUPPORT
9
43248
BOLT
10
86636827
WASHER
11
82009429
ISOLATOR
12
73337059
SPACER
13
73337715
PLATE
14
43140
BOLT
15
85700672
LOCK WASHER
16
86625253
WASHER
17
73337713
STEP
18
85700672
LOCK WASHER
19
86625253
WASHER
20
86500689
NUT
21
86624186
WASHER
22
86500689
NUT
23
73337687
HANDRAIL
24
73337690
HANDRAIL
25
73335224
BRACKET, SUPPORTING
26
43118
Bolt
27
83926806
WASHER,
28
86517328
WASHER
29
86500688
NUT
30
120104
BOLT
31
83990583
Lock washer
32
86625263
WASHER
33
73337973
BRACKET
34
73337977
BRACKET
35
86624002
Bolt
36
9706693
Bolt
37
86624147
WASHER
38
412123
WASHER
39
73337033
ISOLATOR
40
87613264
WASHER
41
73336653
RIVET
42
83952638
SCREW
43
85700654
Плоская шайба
44
83934650
CLIP
45
73335063
SUPPORT
46
85700672
LOCK WASHER
47
82879516
NUT
Содержащиеся в справочниках-каталогах запасные части и детали не предлагаются к продаже, а носят исключительно информационный характер
Дополнительная информация
×
Название:
Номер:
Примечание: