Вернуться на главную
Поиск
Каталоги запчастей к технике
Сельхозтехника
New Holland
Трактор TJ425 (часть 2)
REGULATOR VALVE ASSY
Каталог запасных частей к технике: New Holland Трактор TJ425 (часть 2). REGULATOR VALVE ASSY
zoom-in
zoom-out
enlarge
shrink
circle-right
circle-left
file-text2
info
cart
Тип техники
Не выбрано
Легковые автомобили
Грузовые автомобили и прицепы
Автобусы
Сельхозтехника
Спецтехника
Двигатели
Мототехника
Марка
Не выбрано
AGCO
Amity
CASE IH
DongFeng
Fortschritt
Foton
Franz Kleine
Gaspardo
Great Plains
KRONE
KUHN
Lemken
Lovol
MacDon
Massey Ferguson
New Holland
TIGARBO
Vaderstad
Versatile
Wirax
Агро
Агротехмаш
Бобруйскагромаш (ОАО «УКХ «Бобруйскагромаш»)
БЭМЗ
ВгТЗ
Воронежсельмаш
ВТЗ
Гомсельмаш
ДКЗ
ЗАО "Техника-сервис"
ЗиД
КЗК
Кировец-Ландтехник
Клевер
Красная Звезда
Лидагропроммаш
Лидсельмаш
ЛТЗ
Машстройхолдинг
Минитракторы
Мордовагромаш
МТЗ
Навигатор-Новое машиностроение
Нефтекамский автозавод
ПТЗ
Ремком
РСМ
Сибсельмаш
ТеКЗ
ТКЗ
ХЗТСШ
ХТЗ
ЮМЗ
Модель
Не выбрано
CSX7080 (D660) (2008)
T8 (2012)
T9.615, T9.670 (2012)
TL5040 (2012)
TS6.110 (2012)
Комбайн CR9080 E3 (часть 1) (2014)
Комбайн CR9080 E3 (часть 2) (2014)
Трактор T9.505 (часть 1) (2012)
Трактор T9.505 (часть 2) (2012)
Трактор TJ425 (часть 1) (2010)
Трактор TJ425 (часть 2) (2010)
Схема
>
Не выбрано
BRAKE CONTROL
BRAKE VALVE ASSY
AXLE HYDRAULICS - SERVICE BRAKE CIRCUIT (TJ375, TJ425 MANUAL SHIFT, TJ450)
AXLE HYDRAULICS - SERVICE BRAKE CIRCUIT (TJ375 HD, TJ425 POWER SHIFT, TJ450, TJ500)
AXLE HYDRAULICS - PARK BRAKE CIRCUIT, WITH DIFFERENTIAL LOCKS (TJ375, TJ425 MANUAL SHIFT, TJ450)
AXLE HYDRAULICS - PARK BRAKE CIRCUIT, WITH DIFFERENTIAL LOCKS (TJ375, TJ425 MANUAL SHIFT, TJ450)
AXLE HYDRAULICS - PARK BRAKE CIRCUIT, WITH DIFFERENTIAL LOCKS (TJ375 HD, TJ425 POWER SHIFT, TJ450)
AXLE HYDRAULICS - PARK BRAKE CIRCUIT, WITH DIFFERENTIAL LOCKS (TJ375 HD, 425 POWER SHIFT, 450, 500)
AXLE HYDRAULICS - PARK BRAKE CIRCUIT, WITHOUT DIFFERENTIAL LOCKS (TJ375,TJ425 MANUAL SHIFT, TJ450)
AXLE HYDRAULICS - PARK BRAKE CIRCUIT, WITHOUT DIFFERENTIAL LOCKS (TJ375, TJ425 MANUAL SHIFT, TJ450)
AXLE HYDRAULICS - PARK BRAKE CIRCUIT, WITHOUT DIFFERENTIAL LOCKS (TJ375 HD,TJ425 POWER SHIFT, TJ450)
AXLE HYDRAULICS - PARK BRAKE CIRCUIT, WITHOUT DIFFERENTIAL LOCKS (TJ375 HD, 425 POWER SHIFT,450, 500)
HYDRAULIC OIL COOLER
HYDRAULIC OIL COOLER MOUNTING
OIL FILTER - AXLE AND TRANSMISSION
OIL FILTER - MAIN HYDRAULICS (BELOW BATTERY)
AXLE HYDRAULICS - LUBRICATION CIRCUIT (TJ375, TJ425 MANUAL SHIFT, TJ450), BSN RVS001801
AXLE HYDRAULICS - LUBRICATION CIRCUIT (TJ375, TJ425 MANUAL SHIFT, TJ450), BTW RVS001801 & RVS003801
AXLE HYDRAULICS - LUBRICATION CIRCUIT (TJ375, TJ425 MANUAL SHIFT), ASN RVS003801
AXLE HYDRAULICS - LUBRICATION AND COOLING CIRCUIT (TJ375, TJ425 MANUAL SHIFT, TJ450), BSN RVS001801
AXLE HYDRAULICS - AIR AND LUBRICATION CIRCUIT (TJ375, TJ425 MANUAL SHIFT, TJ450), ASN RVS001801
AXLE HYDRAULICS - LUBRICATION CIRCUIT (TJ375 HD, TJ425 POWER SHIFT, TJ450), BSN RVS001801
AXLE HYDRAULICS - LUBRICATION CIRCUIT (TJ375 HD, TJ425 POWER SHIFT, TJ450, TJ500)
AXLE HYDRAULICS - LUBRICATION CIRCUIT (TJ375 HD, TJ425 POWER SHIFT, TJ450, TJ500)
AXLE HYDRAULICS - LUBRICATION AND COOLING CIRCUIT (TJ375 HD, TJ425 POWER SHIFT, TJ450)
AXLE HYDRAULICS - AIR AND LUBRICATION CIRCUIT (TJ375 HD, TJ425 POWER SHIFT, TJ450, TJ500)
AXLE HYDRAULICS - COOLING CIRCUIT, ASN RVS001801
HYDRAULIC TANK
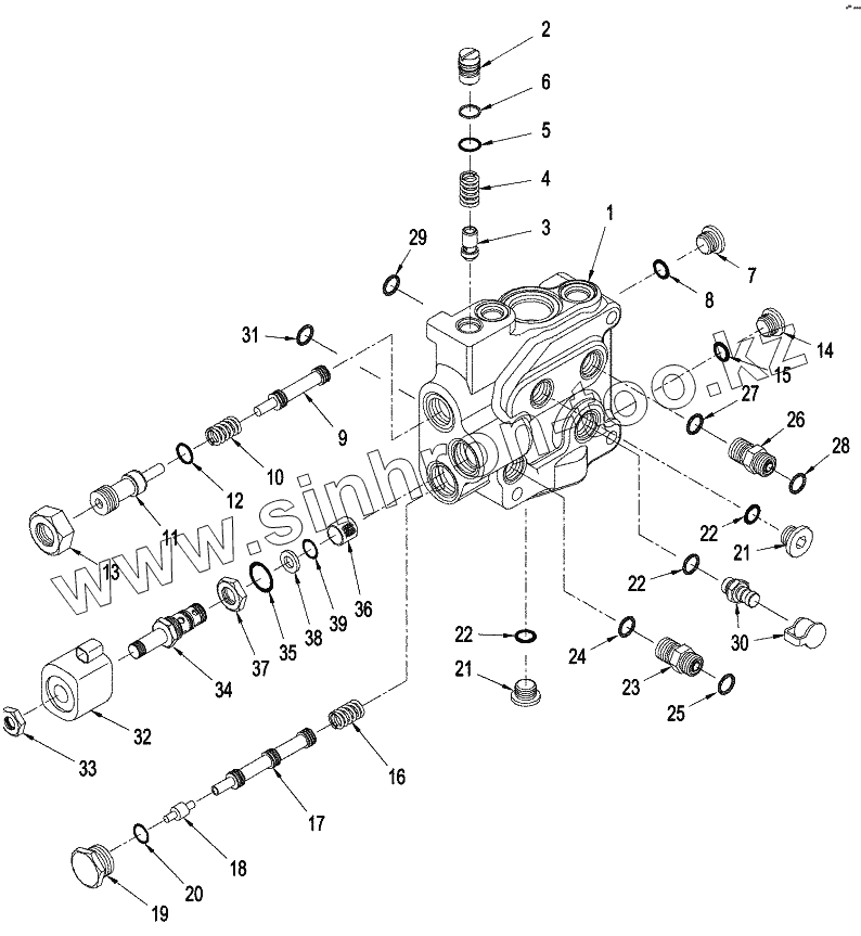
REGULATOR VALVE ASSY
TOW BLOCK VALVE ASSY
CONTROLS - HYDRAULIC REMOTE, MANUAL REMOTE, BSN RVS001927
LINKAGE HYDRAULIC REMOTE CONTROL, BSN RVS001927
HYDRAULIC REMOTE HOSES ELECTRONIC REMOTE
HYDRAULIC REMOTE HOSES MANUAL REMOTE, BSN RVS001927
STANDARD HYDRAULICS - PUMP LUBRICATION CIRCUIT, MANUAL SHIFT TRANSMISSION
STANDARD HYDRAULICS - PUMP LUBRICATION CIRCUIT, POWER SHIFT TRANSMISSION
STANDARD HYDRAULICS - PUMP MOUNTING
PISTON PUMP ASSY - STANDARD HYDRAULICS
STANDARD HYDRAULICS - PRIORITY VALVE ASSY
HIGH OUTPUT HYDRAULICS - PUMP LUBRICATION CIRCUIT, BSN RVS003801
HIGH OUTPUT HYDRAULICS - PUMP LUBRICATION CIRCUIT, ASN RVS003801
HIGH OUTPUT HYDRAULICS - PUMP MOUNTING
HIGH OUTPUT HYDRAULICS - PISTON PUMP ASSY
GEAR PUMP ASSY
PRIORITY VALVE ASSY - HIGH OUTPUT HYDRAULICS
HYDRAULIC REMOTE CONTROL VALVE
MANIFOLD VALVE ASSY
REMOTE VALVE ASSY - MANUAL REMOTE, BSN RVS001927
REMOTE VALVE ASSY - ELECTRONIC CONTROLLED
COUPLER VALVE ASSY
MAIN AND AUXILIARY VALVE ASSY - MANUAL REMOTE, BSN RVS001927
MAIN AND AUXILIARY VALVE ASSY - ELECTRONIC REMOTE
HITCH VALVE ASSEMBLY - ELECTRONIC REMOTE
MOTOR RETURN
COUPLERS - POWER BEYOND
CABLE - TOW VALVE
THREE POINT HITCH HYDRAULICS - MANUAL HITCH
THREE POINT HITCH HYDRAULICS - ELECTRONIC CONTROLLED HITCH SYSTEM
CYLINDER ASSY - THREE POINT HITCH
VALVE ASSY - DIFFERENTIAL LOCK
HYDRAULICS - FAN DRIVE CIRCUITRY (TJ425, TJ450, TJ500)
HYDRAULIC FAN PUMP ASSY
HYDRAULIC FAN OIL COOLER - MOUNTING
HYDRAULICS - MEGA FLOW CIRCUITRY
MEGA FLOW HYDRAULICS - AUXILIARY REMOTE MOUNTING
MEGA FLOW HYDRAULIC MANFOLD ASSY
MEGA FLOW HYDRAULIC PUMP ASSY
OIL FILTER - MEGA FLOW HYDRAULICS
THREE POINT HITCH
ROCKSHAFT
THREE POINT HITCH - UPPER LINK, WITH POWER TAKEOFF
THREE POINT HITCH - UPPER LINK, WITHOUT POWER TAKEOFF
LINK ASSY - UPPER
LINK ASSY - LIFT
QUICK HITCH
DRAWBAR - EXTENDABLE
DRAWBAR - HEAVY DUTY, WITH THREE POINT HITCH
DRAWBAR - HEAVY DUTY, WITHOUT THREE POINT HITCH
DRAWBAR - REYNOLDS, BSN RVS001801
DRAWBAR - REYNOLDS, ASN RVS001801
CAB MOUNTING
INTERIOR TRIM - STANDARD AND DELUXE CABS
CAB - FLOORMATS AND DOORS
DOOR ASSY
CAB - SKIRTS AND GLASS
ROOF
CAB - HEADLINER AND CONTROL PANEL, STANDARD CAB
CAB - HEADLINER AND CONTROL PANEL, DELUXE CAB
FRONT CONSOLE
CONSOLE - RIGHT-HAND ARMREST, MANUAL
CONSOLE - RIGHT HAND ARMREST, ELECTRIC
SEAT - NON-INSTRUCTIONAL
SEAT - INSTRUCTIONAL
SEAT - OPERATORS
SEAT - CUSHION ASSEMBLY, BSN RVS003801
SEAT - CUSHION ASSEMBLY, ASN RVS003801
SEAT - SUSPENSION
SEAT - SEMI ACTIVE SUSPENSION ASSEMBLY, ASN RVS001801
MIRRORS
MONITOR MOUNTING
FRONT FRAME
BATTERY DOOR
BUMPER
REAR FRAME
CENTER LINK
HOOD AND SUPPORT
GRILLE
HOOD - LIFT ARM
HEATER - HOSES
AIR CONDITIONING SYSTEM
AIR CONDITIONING - DUCTS
AIR CONDITIONING - CLIMATE CONTROL UNIT WITH AUTO TEMP CONTROL, BSN RVS003801
AIR CONDITIONING - CLIMATE CONTROL UNIT WITH AUTO TEMP CONTROL, ASN RVS003801
AIR CONDITIONING - CLIMATE CONTROL UNIT WITHOUT AUTO TEMP CONTROL, BSN RVS003801
AIR CONDITIONING - CLIMATE CONTROL UNIT WITHOUT AUTO TEMP CONTROL, ASN RVS003801
AIR CONDITIONING - AIR FILTER HOUSING ASSEMBLY
AIR CONDITIONING - BLOWER ASSEMBLY
WEIGHTS - FRONT FRAME, BSN RVS003917
WEIGHTS - FRONT FRAME, ASN RVS003917
WEIGHTS - REAR FRAME
WEIGHTS - WHEEL
STORAGE BOX
TOW CABLE
MOUNTING - FLEX CONTROL, BSN RVS002823
MOUNTING - FLEX CONTROL, BTW RVS002823 & RVS003801
MOUNTING - FLEX CONTROL, ASN RVS003801
MOUNTING - FLEX CONTROL, ASN RVS003801
DECALS - HOOD, ASN RVS001801
DECALS
DECALS
DECALS
FIRE EXTINGUISHER
1
2
3
4
5
6
7
8
9
10
11
12
13
14
14
15
16
17
18
19
20
21
21
22
22
22
23
24
25
26
27
28
29
30
31
32
33
34
35
36
37
37
38
39
Позиция на иллюстрации
Заводской номер детали
Название детали
339487A2
339487A2
CONNECTOR
1542563C1
1542563C1
VALVE
411104A2
411104A2
VALVE
1
Body
Body
2
1994580C1
PLUG
3
1543329C1
POPPET
4
1994581C1
SPRING
5
165212
O-RING
6
G108723
RING
7
221579A1
PLUG
8
86639044
O-RING
9
119182A3
SPOOL
10
176312A1
SPRING
11
313941A1
PLUG
12
167266
O-RING
13
86637729
NUT
14
Plug
Plug
14
344573A1
PLUG
15
86639044
O-RING
16
330105A1
SPRING
17
330103A1
SPOOL
18
330104A1
PIN
19
9841223
PLUG
20
9617873
O-RING
21
221578A1
PLUG
22
86639043
O-RING
23
Adapter
Adapter
24
86639042
O-RING
25
9993141
O-RING
26
86579671
CONNECTOR
27
9992298
O-RING
28
9993141
O-RING
29
86629585
O-RING
30
358968A1
COUPLING
31
14457081
O-RING
32
298614A1
SOLENOID
33
Nut
Nut
34
Valve
Valve
35
167266
O-RING
36
Filter
Filter
37
87330331
SOLENOID
37
87330336
SOLENOID
38
G35540
RING
39
9991976
O-RING
Содержащиеся в справочниках-каталогах запасные части и детали не предлагаются к продаже, а носят исключительно информационный характер
Дополнительная информация
×
Название:
Номер:
Примечание: