Каталог запасных частей к технике: New Holland Трактор TJ425 (часть 1). TRANSMISSION LUBRICATION, MANUAL SHIFT
1
2
2
3
4
5
6
7
8
9
10
11
12
13
14
15
16
16
16
16
17
17
17
17
18
18
18
18
19
19
20
21
22
23
25
26
27
27
27
28
28
28
29
29
29
29
30
31
32
33
34
35
36
37
38
39
40
41
42
43
44
45
46
47
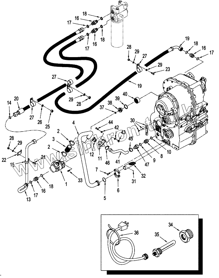
| Позиция на иллюстрации | Заводской номер детали | Название детали | |
|---|---|---|---|
| 186135A1 | 186135A1 | KIT | |
| 1 | 370546A1 | PUMP | |
| 2 | 86637709 | CLAMP | |
| 3 | 435454A1 | HOSE | |
| 4 | 418735A1 | TUBE ASSY | |
| 5 | 86637769 | O-RING | |
| 6 | A14141 | FLANGE | |
| 7 | 9824642 | BOLT | |
| 8 | 86579685 | CONNECTOR | |
| 9 | 9824051 | O-RING | |
| 10 | 86639047 | O-RING | |
| 11 | 414480A2 | TUBE ASSY | |
| 12 | 325737A1 | CAP | |
| 13 | 438240A1 | TUBE ASSY | |
| 14 | 9824050 | O-RING | |
| 15 | 86637977 | CLAMP | |
| 16 | 86580179 | CONNECTOR | |
| 17 | 86639046 | O-RING | |
| 18 | 9824050 | O-RING | |
| 19 | 402010A1 | HOSE ASSY | |
| 20 | 441327A1 | HOSE ASSY | |
| 21 | 43233 | BOLT | |
| 22 | 416102A1 | SUPPORT | |
| 23 | 43235 | BOLT | |
| 24 | 324089A1 | PLATE ASSY | |
| 25 | 86500689 | NUT | |
| 26 | 86624176 | WASHER | |
| 27 | 86639002 | CLAMP | |
| 28 | 43362 | NUT | |
| 29 | 86624184 | WASHER | |
| 30 | L116247 | GAUGE | |
| 31 | S14701960 | BALL | |
| 32 | 370551A1 | TUBE ASSY | |
| 33 | 412160 | BOLT | |
| 34 | 367930A1 | ADAPTER | |
| 35 | 385486A1 | HEATER ASSY | |
| 36 | 435437A1 | STRAP | |
| 37 | 427516A1 | SNAP RING | |
| 38 | 427523A1 | ADAPTER | |
| 39 | 86639140 | RING | |
| 40 | 427521A1 | COUPLING | |
| 41 | 419491A3 | HOSE | |
| 42 | 86624176 | WASHER | |
| 43 | 86514720 | NUT | |
| 44 | 627-10035 | BOLT | |
| 45 | 507586 | CLAMP | |
| 46 | 84674 | CLAMP | |
| 47 | 429193A1 | TUBE ASSY |
Содержащиеся в справочниках-каталогах запасные части и детали не предлагаются к продаже, а носят исключительно информационный характер