Вернуться на главную
Поиск
Каталоги запчастей к технике
Сельхозтехника
New Holland
T8
HARNESS CHASSIS
Каталог запасных частей к технике: New Holland T8. HARNESS CHASSIS
zoom-in
zoom-out
enlarge
shrink
circle-right
circle-left
file-text2
info
cart
Тип техники
Не выбрано
Легковые автомобили
Грузовые автомобили и прицепы
Автобусы
Сельхозтехника
Спецтехника
Двигатели
Мототехника
Марка
Не выбрано
AGCO
Amity
CASE IH
DongFeng
Fortschritt
Foton
Franz Kleine
Gaspardo
Great Plains
KRONE
KUHN
Lemken
Lovol
MacDon
Massey Ferguson
New Holland
TIGARBO
Vaderstad
Versatile
Wirax
Агро
Агротехмаш
Бобруйскагромаш (ОАО «УКХ «Бобруйскагромаш»)
БЭМЗ
ВгТЗ
Воронежсельмаш
ВТЗ
Гомсельмаш
ДКЗ
ЗАО "Техника-сервис"
ЗиД
КЗК
Кировец-Ландтехник
Клевер
Красная Звезда
Лидагропроммаш
Лидсельмаш
ЛТЗ
Машстройхолдинг
Минитракторы
Мордовагромаш
МТЗ
Навигатор-Новое машиностроение
Нефтекамский автозавод
ПТЗ
Ремком
РСМ
Сибсельмаш
ТеКЗ
ТКЗ
ХЗТСШ
ХТЗ
ЮМЗ
Модель
Не выбрано
CSX7080 (D660) (2008)
T8 (2012)
T9.615, T9.670 (2012)
TL5040 (2012)
TS6.110 (2012)
Комбайн CR9080 E3 (часть 1) (2014)
Комбайн CR9080 E3 (часть 2) (2014)
Трактор T9.505 (часть 1) (2012)
Трактор T9.505 (часть 2) (2012)
Трактор TJ425 (часть 1) (2010)
Трактор TJ425 (часть 2) (2010)
Схема
>
Не выбрано
INITIAL STOCKING LIST (ISL) FOR N.A. ONLY
FILTERS and CAPACITIES
ENGINE T4
ENGINE T2
CYLINDER BLOCK and RELATED PARTS (504292416 - 504311100 - 504248099)
ENGINE, MOUNTING
HOOKS - ENGINE (504363395)
CYLINDER HEAD and RELATED PARTS (5801378194 - 504029659 - 5801379857 - 504320756 - 504223088)
HEAD COVER
ENGINE BREATHERS (504334914)
OIL SUMP and RELATED PARTS (504332983)
FLYWHEEL CASE (504356968 - 504134507)
OIL LEVEL CHECK (504376868 - 504376865 - 5801411691 - 5801440482)
ENGINE OIL DRAIN
CRANKSHAFT and RELATED PARTS (504385236)
FLYWHEEL (504338269)
DAMPER, PST SHAFT and SHIELD - T8.360, T8.390
DAMPER, PST SHAFT and SHIELD - T8.275, T8.300, T8.330
DAMPER - PULLEY (504220573 - 504363515 - 504323018)
DAMPER, CVT SHAFT and SHIELD - T8.360, T8.390
DAMPER, CVT SHAFT and SHIELD, T8.275, T8.300, T8.330
PISTON - ENGINE
CONNECTING ROD
CAMSHAFT (504339814)
SHAFT and ROCKER ARMS (504189152 - 504312664)
PULLEY - CRANHSHAFT (504248440)
BELT PULLEY DRIVE and COVER (504150293)
ENGINE EXHAUST BRAKE (504329098)
AIR INTAKE
AIR INTAKE
DUCT, DIRTY AIR ASSEMBLY
AIR CLEANER ASSEMBLY
FUEL FILTER and RELATED PARTS (504363526 - 504363525)
ENGINE OIL FILTER ASSY
FUEL SEPARATOR FILTER
FUEL LINES WITH SEPARATOR FILTER
FUEL FILTER WITH WIF SENSOR
FUEL PUMP/FILTER PLUMBING
FUEL TANK and ASSOCIATED PARTS POWERSHIFT TRANSMISSION, T4
FUEL TANKS and MOUNTING, T2 WITH POWERSHIFT TRANSMISSION
FUEL TANK SUPPORTS WITH POWERSHIFT TRANSMISSION
FUEL TANK SUPPORTS WITH PST
FUEL TANK SUPPORTS WITH CVT
FUEL TANKS and MOUNTING T4 WITH CVT
FUEL TANKS and MOUNTING, T2 WITH CVT
FUEL INJECTORS (504319990)
FUEL LINES and RELATED PARTS (504305623)
FUEL LINES and RELATED PARTS (504363514)
FOOT THROTTLE
EXHAUST BRAKE PEDAL and SWITCH
INJECTION PUMP (504305623)
INJECTION PUMP
TURBOCHARGER and RELATED PARTS (504382715)
AIR LINES (504236499)
ENGINE BLOCK and TRANSMISSION HEATERS
EXHAUST SYSTEM T4
EXHAUST SYSTEM, T4
EXHAUST SYSTEM, T2
AIR INLET HEATER (504329100)
EXHAUST MANIFOLD (504380218)
SCR TANK ASSEMBLY
SCR HOSE ASSEMBLY and COMPONENTS
GRID HEATER CABLES
PUMP, ENGINE OIL and RELATED PARTS (504133121)
OIL PUMP PIPING (504332973)
OIL PUMP PIPING (5801372649)
OIL PUMP PIPING (504385686)
OIL PRESSURE REGULATION VALVE (504191874)
AFTERCOOLER
WATER PUMP PIPES, ENGINE WITH BRAKE (504382682 - 504322623 - 504387190 - 5801422773)
WATER PUMP PIPES, ENGINE WITHOUT BRAKE (504382682 - 504322623 - 504387190 - 504153553)
PIPING - ENGINE COOLING SYSTEM (504032238 - 504032236 - 504088291 - 504051325)
TEMPERATURE CONTROL (THERMOSTAT) - (504292843 - 504072032)
WATER PUMP and RELATED PARTS (504361542)
RADIATOR and FAN SHROUD - 4-ROW
RADIATOR and FAN SHROUD - 4-ROW
RADIATOR ASSEMBLY - 5-ROW
RADIATOR MOUNTING AND PLUMBING - 5-ROW
RADIATOR MOUNTING AND PLUMBING - 5-ROW
HEAT EXCHANGER (504339248)
VISCOUS FAN DRIVE, ELECTRONIC
SUPPORT ASSY, VISCOUS FAN DRIVE
POWER TAKE OFF ASSEMBLY, INPUT SHAFT
POWER TAKE OFF ASSEMBLY, REDUCTION GEAR, DUAL SPEED
POWER TAKE OFF ASSEMBLY, OUTPUT SHAFT, DUAL SPEED
POWER TAKE OFF ASSEMBLY, OUTPUT SHAFT, SINGLE SPEED
TRANSMISSION HYDRAULIC LUBE LINES - POWERSHIFT
TRANSMISSION HYDRAULIC LUBE LINES - POWERSHIFT
SPEED TRANSMISSION, HOUSING
TRANSMISSION CONTROL ASSEMBLY
VALVE ASSEMBLY, INCHING
TRANSMISSION CONTROL VALVE LOCATION
VALVE ASSEMBLY, TRANSMISSION CONTROL (450729A2)
VALVE ASSEMBLY, TRANSMISSION CONTROL (450724A2)
VALVE ASSEMBLY, TRANSMISSION CONTROL (450728A2)
VALVE ASSEMBLY, TRANSMISSION CONTROL (87323842)
SPEED TRANSMISSION, INPUT SHAFT WITHOUT CREEP OR 19 SPEED
SPEED TRANSMISSION, INPUT SHAFT WITH CREEP/19 SPEED OR 50 KPH TRANSMISSION
RANGE TRANSMISSION, INPUT SHAFT
SPEED TRANSMISSION, COUNTERSHAFT WITHOUT CREEP OR 19 SPEED
SPEED TRANSMISSION, COUNTERSHAFT WITH CREEP/19 SPEED OR 50 KPH TRANSMISSION
SPEED TRANSMISSION, OUTPUT SHAFT FRONT CLUTCH
SPEED TRANSMISSION, OUTPUT SHAFT REAR CLUTCH
RANGE TRANSMISSION, HOUSING
RANGE TRANSMISSION - MFD CLUTCH AND PARK BRAKE
RANGE TRANSMISSION - DANA CLASS V MFD CLUTCH AND PARK BRAKE
RANGE TRANSMISSION - DANA 12 BOLT MFD CLUTCH AND PARK BRAKE
RANGE TRANSMISSION - CLASS 4.5 MFD CLUTCH AND PARK BRAKE
RANGE TRANSMISSION, MASTER CLUTCH
RANGE TRANSMISSION, COUNTERSHAFT
TRANSMISSION DROP BOX
TRANSMISSION DROP BOX
FRONT AXLE DRIVESHAFT, MFD, WITHOUT DIFFERENTIAL LOCK-T8.275,T8.300,T8.330,T8.360
FRONT AXLE DRIVE SHAFT, MFD, WITH DIFFERENTIAL LOCK-T8.275,T8.300,T8.330,T8.360
FRONT AXLE DRIVE SHAFT, MFD, CLASS 4.5 AXLE-T8.275,T8.300
SHAFT ASSY, MFD 6C - PST and CVT
HYDRAULIC SYSTEM, 12 BOLT, SUSPENDED MFD AXLE-T8.275,T8.300,T8.330,T8.360
HYDRAULIC SYSTEM, 12 BOLT, SUSPENDED MFD AXLE-T8.275,T8.300,T8.330,T8.360
HYDRAULIC SYSTEM, CLASS V, SUSPENDED MFD AXLE-MAGNUM T8.330,T8.360,T8.390
HYDRAULIC SYSTEM, CLASS V, SUSPENDED MFD AXLE-MAGNUM T8.330,T8.360,T8.390
HYDRAULIC SYSTEM, CLASS V, SUSPENDED MFD AXLE-MAGNUM T8.330,T8.360,T8.390
VALVE ASSEMBLY, SUSPENDED AXLE CONTROL
FRONT AXLE PLANETARIES AND HUB, MFD, 12 BOLT HUB-T8.275,T8.300,T8.330,T8.360
FRONT AXLE PLANETARIES AND HUB, MFD, 12 BOLT HUB-T8.275,T8.300,T8.330,T8.360
FRONT AXLE PLANETARIES AND HUB, CLASS 4.5, STANDARD MFD-T8.275,T8.300
MFD AXLE HOUSING ASSEMBLY, STANDARD 12 BOLT, WITH DIFFERENTIAL LOCK-T8.275,T8.300,T8.330,T8.360
FRONT AXLE ASSEMBLY, CLASS 4.5, STANDARD MFD-T8.275,T8.300
FRONT AXLE ASSEMBLY, CLASS 4.5, STANDARD MFD-T8.275,T8.300
FRONT AXLE ASSEMBLY, CLASS V, STANDARD AND SUSPENDED MFD-T8.330,T8.360,T8.390
FRONT AXLE ASSEMBLY, CLASS V, STANDARD AND SUSPENDED MFD-T8.330,T8.360,T8.390
FRONT AXLE DRIVE SHAFTS - CLASS V - STANDARD AND SUSPENDED MFD
MFD AXLE HOUSING ASSEMBLY, SUSPENDED WITH 12 BOLT HUB, WITH DIFFERENTIAL LOCK-T8.275,T8.300,T8.330,T8.360
MFD AXLE HOUSING ASSEMBLY, SUSPENDED WITH 12 BOLT HUB, WITH DIFFERENTIAL LOCK-T8.275,T8.300,T8.330,T8.360
FRONT AXLE, MOUNTING, MFD-T8.275,T8.300,T8.330,T8.360
FRONT AXLE, MOUNTING, SUSPENDED MFD-T8.275, T8.300, T8.330, T8.360
CARRIER and DIFFERENTIAL, MFD, 12 BOLT HUB, WITH DIFFERENTIAL LOCK-T8.275,T8.300,T8.330,T8.360
CARRIER and DIFFERENTIAL, MFD, 12 BOLT HUB, WITH DIFFERENTIAL LOCK-T8.275,T8.300,T8.330,T8.360
CARRIER and DIFFERENTIAL, CLASS 4.5, STANDARD MFD-T8.275,T8.300
CARRIER and DIFFERENTIAL, CLASS 4.5, STANDARD MFD-T8.275,T8.300
CARRIER and DIFFERENTIAL, CLASS 4.5, STANDARD MFD-T8.275,T8.300
CARRIER and DIFFERENTIAL, CLASS V, STANDARD AND SUSPENDED MFD-T8.330,T8.360,T8.390
FRONT AXLE KING PIN WITH AUTOGUIDANCE-T8.275,T8.300,T8.330,T8.360
FRONT AXLE, SUSPENSION, SUSPENDED MFD-T8.275,T8.300,T8.330,T8.360
FRONT AXLE, SUSPENSION, SUSPENDED MFD-T8.275,T8.300,T8.330,T8.360
FRONT AXLE, CLASS V, SUSPENDED MFD-T8.330,T8.360,T8.390
FRONT AXLE, SUSPENSION, CLASS V, SUSPENDED MFD-T8.330,T8.360,T8.390
CYLINDER ASSEMBLY, FRONT AXLE SUSPENSION
FRONT AXLE PLANETARIES AND HUB, CLASS V, STANDARD AND SUSPENDED MFD-T8.330,T8.360,T8.390
MFD AXLE, CLASS V, DRIVESHAFT WITH POWERSHIFT TRANSMISSION-T8.330,T8.360,T8.390
MFD AXLE, DRIVE SHAFT and SHIELD-T8.275,T8.300,T8.330,T8.360
REAR AXLE, HOUSING COVER
REAR AXLE, HOUSING
TRANSMISSION, DIFFERENTIAL
TRANSMISSION, PINION SHAFT and GEARS
REAR AXLE, 4 X 98 INCH, T8.275, T8.300, T8.330
REAR AXLE, 4.5 X 98 INCH, T8.330, T8.360, T8.390
REAR AXLE, 4 X 120 INCH, T8.275, T8.300, T8.330
REAR AXLE, 4.5 X 120 INCH, T8.300, T8.330, T8.360, T8.390
REAR AXLE, PLANETARY - T8.275, T8.300
REAR AXLE, PLANETARY - T8.330, T8.360
REAR AXLE, PLANETARY - T8.390
TRANSMISSION, PUMP DRIVE
PTO, DIFFERENTIAL LOCK VALVE ASSEMBLY
FPTO ENGINE GEARBOX AND ARMS
ENGINE GEARBOX ASSY
FRONT PTO, FRONT HITCH HYDRAULICS
FRONT PTO and HITCH TRANSMISSION HYDRAULICS
FPTO 3PTH ASSEMBLY
HITCH, 3 POINT ASSY W/FPTO
FPTO GEARBOX ASSEMBLY INSTALLATION
FPTO GEARBOX ASSEMBLY
FPTO GEARBOX ASSEMBLY
FRONT HITCH, 3 POINT ASSEMBLY, 6T
FRONT HITCH, 3 POINT ASSEMBLY, 6T
FRONT HITCH, 3 POINT ASSEMBLY, 6T
FRONT HITCH, 3 POINT ASSEMBLY, 6T INSTALLATION
FPTO HYD HOOD SUPPORT
FRONT PTO, HEAT DEFLECTOR
FRONT PTO, OIL COOLER MOUNTING
OIL COOLER ASSY, FPTO
FRONT HITCH JUMPER
PARK BRAKE, RELEASE
PARK BRAKE, HYDRAULIC SYSTEM
BRAKES, PEDAL BRAKE
BRAKES, HYDRAULIC SYSTEM, WITHOUT TRAILER BRAKES
BRAKES, HYDRAULIC SYSTEM, WITH HYDRAULIC TRAILER BRAKES
BRAKES, HYDRAULIC SYSTEM, WITH PNEUMATIC BRAKES
BRAKES, CONTROL VALVE
BRAKE ASSY DIFFERENTIAL
TRAILER BRAKE PLUMBING
TRAILER BRAKES VALVE AND FILTER ASSY
PNEUMATIC TRAILER BRAKE CONTROL VALVE
TRAILER BRAKE RESERVOIRS, PST
AIR COMPRESSOR
TRAILER BRAKES, PNEUMATIC,COUPLERS, DUAL LINE
TRAILER BRAKES, PNEUMATIC, HAND CONTROL VALVE
TRAILER BRAKES, PNEUMATIC, RESERVOIR, MU8.1
HYDRAULIC TRAILER BRAKE
HITCH LIFT LINK/TURNBUCKLE PLUMBING
HITCH LIFT CYLINDER PLUMBING 95MM
HITCH LIFT CYLINDER PLUMBING 105MM
HITCH LIFT CYLINDER PLUMBING 115MM
HYDRAULIC SYSTEM, CHARGE PUMP
CYLINDER ASSEMBLY, HITCH (95 MM)
CYLINDER ASSEMBLY, HITCH (105 MM)
CYLINDER ASSEMBLY, HITCH (115 MM)
HITCH, LOWER LIFT LINKS
HITCH, LOWER LIFT LINKS, CATEGORY III
HITCH, LOWER LIFT LINKS
HITCH, STABILIZER and BRACKET
HITCH, TOP LINK BRACKET
HYDRAULIC TOP LINK ASSEMBLY- BALL and CLAW
REMOTE HYDRAULIC CONTROL VALVE
VALVE ASSEMBLY, HITCH
VALVE ASSEMBLY, TRAILER BRAKE
VALVE ASSEMBLY, LIFT LINK
HYDRAULIC POWER BEYOND, MOTOR RETURN VALVE
HYDRAULIC SYSTEM REMOTE COUPLERS
REMOTE HYDRAULIC COUPLING MOUNTING
REMOTE HYDRAULIC COUPLINGS
REMOTE HYDRAULIC VALVE 4 STACK
REMOTE HYDRAULIC VALVE 5 STACK
REMOTE HYDRAULIC VALVE 6 STACK
HYDRAULIC SYSTEM, OIL COOLER WITH POWERSHIFT TRANSMISSION
HYDRAUILIC SYSTEM, PISTON PUMP and FILTER, STANDARD and HIGH FLOW CAPACITY
HYDRAULIC SYSTEM, PISTON PUMP and FILTER, TWIN MEGA FLOW CAPACITY
HYDRAULIC SYSTEM, PISTON PUMP and FILTER, TWIN MEGA FLOW CAPACITY
PLATE ASSEMBLY, VALVE MOUNTING, LEFT HAND SIDE
PLATE ASSEMBLY, VALVE MOUNTING, TOP
MANIFOLD VALVE ASSEMBLY
HYDRAULIC SYSTEM, REGULATED PRESSURE
HYDRAULIC SYSTEM, REGULATED PRESSURE
HYDRAULIC SYSTEM, COUPLER SPILLAGE
HITCH, LIFT LINK ASSEMBLY
HITCH, TOP LINK BALL END
HITCH, TOP LINK BALL END
DRAWBAR and HAMMERSTRAP, STANDARD
DRAWBAR and HAMMERSTRAP, HIGH CAPACITY, CAT III
DRAWBAR and HAMMERSTRAP, HIGH CAPACITY, CAT IV
HITCH LINKAGE ASSY, HYDRAULIC LIFT
HITCH LINKAGE ASSY, TURNBUCKLE LIFT
FRONT WEIGHTS
REAR WHEEL WEIGHTS
LIFT HOOK ASSY, FRONT HITCH
FRONT FRAME, STANDARD and SUSPENDED AXLE
FRONT FRAME, CLASS V, SUSPENDED AXLE-T8.330,T8.360,T8.390
HITCH, SWAY LIMITER
HITCH, SWAY LIMITER
QUICK HITCH COUPLER, CONVERTIBLE, CATEGORY III/III-N
QUICK HITCH COUPLER, CONVERTIBLE, CATEGORY III / IV-N
HITCH, DRAFT CONTROL PINS
FPTO AND FRT HITCH READY - HYD
STEERING SYSTEM, MFD WITH AUTOGUIDANCE
STEERING SYSTEM, MFD WITH AUTOGUIDANCE
STEERING SYSTEM, MFD-T8.275,T8.300,T8.330,T8.360
STEERING SYSTEM, MFD-T8.275,T8.300,T8.330,T8.360
STEERING SYSTEM, CLASS 4.5 AXLE, STANDARD MFD-T8.275,T8.300
STEERING SYSTEM, CLASS V AXLE, STANDARD and SUSPENDED, MFD-T8.330,T8.360,T8.390
PRIORITY and REGULATOR VALVE ASSEMBLY - BSN ZBRD07104
PRIORITY and REGULATOR VALVE ASSY - ASN ZBRD07105
PRIORITY and REGULATOR PWM VALVE ASSEMBLY, T8.360, AND T8.390
PRIORITY and REGULATOR PWM VALVE ASSEMBLY, T8.360 AND T8.390
STEERING WHEEL and COLUMN
STEERING COLUMN ASSEMBLY
STEERING CYLINDER ASSEMBLY, CLASS 4.5 AXLE, BREAKDOWN-T8.275, T8.300
STEERING CYLINDER ASSEMBLY, MFD, 12 BOLT HUB-T8.275,T8.300,T8.330,T8.360
HUB ASSEMBLY, REAR WHEEL
SPACERS - DUAL FRONT WHEELS 12FRT/16FRT
FRONT WHEEL ASSY, MFD, 12 BOLT
SOLID STEEL REAR WHEELS
SPACER, DUAL REAR WHEELS
COMPRESSOR, AIRCOND. (504383046)
AIR CONDITIONING, CONDENSOR
AIR CONDITIONING, COMPRESSOR
AIR CONDITIONING, AIR FILTER
AIR CONDITIONING, CLIMATE CONTROL WITH AUTO TEMPERATURE CONTROL
AIR CONDITIONING, DUCTS
HARNESS ENGINE ASSY
HARNESS ENGINE
HARNESS CHASSIS ASSY, POWERSHIFT TRANSMISSION
HARNESS CHASSIS
HARNESS, CHASSIS
HARNESS, CHASSIS
HARNESS, 12 BOLT, SUSPENDED MFD AXLE-T8.275,T8.300,T8.330,T8.360
HARNESS, CLASS V, SUSPENDED MFD AXLE-T8.330,T8.360,T8.390
MOTOR ELECTRIC INSTALLATION (504385996)
HARNESS, HEADLAMPS
HARNESS, ROOF
HARNESS CAB
HARNESS CAB
HARNESS, CAB
HARNESS, PARK BRAKE SWITCH
HARNESS, GPS ANTENNA
HARNESS, AUXILLARY
HARNESS, TERMINATOR
HARNESS, FRONT PTO
HARNESS, FRONT HITCH
HARNESS, ISO 11783 OUTSIDE
HARNESS, ARMREST - WITH MOTOR
HARNESS, ARMREST - WITHOUT MOTOR
HARNESS, ARMREST ELECTRIC ADJUST
HARNESS, EGRESS LIGHTING
ELECTRICAL COMPONENT MOUNTING
ELECTRICAL COMPONENT MOUNTING, FUSES
IMPLEMENT CONNECTORS and MOUNTING
FUSE BOX, POWER DISTRIBUTION
HARNESS, AUTOGUIDANCE OUTSIDE
STARTER MOTOR (504357252)
ENGINE, ALTERNATOR MOUNTING (504383238)
BATTERY, BATTERY BOX and CABLES
BATTERY, DISCONNECT SWITCH
ALTERNATOR
HEADLAMPS
WORK LAMPS, ROOF
WORK LAMPS, REAR FENDERS
SIGNAL LAMPS, ROOF
C-POST, ROOF LIGHTS
A-POST, WORK LIGHTS, LEFT HAND
A-POST, WORK LIGHTS, RIGHT HAND
LAMPS, REAR FENDER AND REMOTE HITCH SWITCH
LAMPS, WIDE TRANSPORT, ADJUSTABLE
HORN
MOTOR SENSORS (504226073 - 504270473)
RADAR, MOUNTING
A-POST COVER, INSTRUMENT CLUSTER
HITCH, POSITION SENSOR
ELECTRONIC INJECTION (504305399)
PEDAL, INCHING
GPS RECIEVER and MOUNTING
POWER OUTLETS, CAB
CONTROLS, FRONT CONSOLE
CONTROLS, RIGHT FENDER CONSOLE
RADIOS, SPEAKERS and ANTENNAS
ARMREST CONTROL UNIT, ELECTRONIC CONTROLS
ARMREST CONTROL UNIT, ELECTRONIC CONTROLS
ARMREST CONTROLS
ARMREST CONTROL UNIT, CUSHION
ARMREST CONTROL UNIT, SLIDE MECHANISM
ELECTRIC ARMREST CONTROL 4WD
DIA KIT, JOYSTICK
LAMP, BEACON - SINGLE/DUAL
WINDSHIELD WIPER ASSEMBLY, FRONT and REAR
WINDSHIELD WASHER
RIGHT HAND WINDOW WIPER
TRANSMISSION, ELECTRONIC CONTROL UNITS
24V CONVERTER and MOUNT
AUTOGUIDANCE CONTROL MODULE and MOUNTING
COLOR DISPLAY - LARGE , MOUNTING
DIA KIT, AUXILLARY FUEL FILTER
DIA KIT, FRONT HITCH HYDRAULIC PLUMBING
DIA KIT, FRONT PTO COMPLETING-NA
DIA KIT, FRONT PTO COMPLETING-EUR
DIA KIT, HYDRAULIC FRONT AXLE SCISSOR SUSP
DIA KIT, HYDRAULIC FRONT AXLE SADDLE SUSP
DIA KIT, FRONT HITCH ONLY, STANDARD AXLE
DIA KIT, FRONT HITCH ONLY, SCISSOR SUSPENDED AXLE
DIA KIT, FRONT HITCH ONLY, SADDLE SUSPENDED AXLE
DIA KIT, NON-EEC AIR TRAILER BRAKE
DIA KIT, NON-EEC AIR TRAILER BRAKE
DIA KIT, NON-EEC AIR TRAILER BRAKE
DIA KIT, NON-EEC AIR TRAILER BRAKE
DIA KIT, EEC HYDRAULIC TRAILER BRAKE
DIA KIT, HYDRAULIC TRAILER BRAKE, ITALY
DIA KIT, HITCH READY COMPLETION, CAT III
DIA KIT, HITCH READY COMPLETION, CAT III
DIA KIT, HITCH READY COMPLETION, CAT IV
DIA KIT, HITCH READY COMPLETION, CAT IV
DIA KIT, HYDRAULIC 5TH REMOTE
DIA KIT, HYDRAUILIC MOTOR RETURN WITH CASE DRAIN
DIA KIT, HYDRAULIC POWER BEYOND, MOTOR RETURN VALVE
DIA KIT, MEGA-TWIN FLOW
DIA KIT, HYDRAULIC 6TH REMOTE
DIA KIT, FRONT WEIGHTS, 12 X 40KG
DIA KIT, FRONT WEIGHTS, 22 X 40KG
DIA KIT, FRONT WEIGHTS, 10 X 100KG
DIA KIT, FRONT WEIGHTS, 16 X 100KG
DIA KIT, REAR WHEEL WEIGHTS, I PAIR 200LB/91KG
DIA KIT, REAR WHEEL WEIGHTS, I PAIR 500LB/227KG
DIA KIT, REARWHEEL WEIGHT, 2 X 1000 LB
DIA KIT, FRONT 3PT WEIGHT BRACKET CARRIER
DIA KIT, JOYSTICK
DIA KIT, ISO BUS 11783
DIA KIT, HID
DIA KIT, LEFT HAND BEACON LIGHT
DIA KIT, DUAL BEACON LIGHTS
DIA KIT, REAR HID LIGHT
DIA KIT, BUSINESS BAND RADIO ANTENNA CABLE
DIA KIT, AM/FM/WB RADIO
DIA KIT, AM/FM/WB/CASS RADIO
DIA KIT, AM/FM/WB/CD/CASS RADIO
DIA KIT, FRONT HITCH HEADLAMPS, RIGHT HAND DIP
DIA KIT, FRONT HITCH HEADLAMPS, LEFT HAND DIP
DIA KIT, IMPLEMENTCONNECTOR
DIA KIT, FRONT FENDER, NARROW - DANA 10/12 HD BOLT
DIA KIT, FRONT FENDER, NARROW - DANA CLASS 5
DIA KIT, FRONT FENDER, NARROW - DANA CLASS 4, 4.5
DIA KIT, FRONT FENDER, WIDE - DANA 10/12 HD BOLT
DIA KIT, FRONT FENDER, WIDE - DANA CLASS 5
DIA KIT, FRONT FENDER, WIDE - DANA CLASS 4, 4.5
DIA KIT, MANUAL WIDE ADJUSTABLE MIRRORS
DIA KIT, REMOTE WIDE ADJUSTABLE MIRROR
DIA KIT, OVERWIDTH WARNING
DIA KIT, OVERWIDTH WARNING, ITALY
KIT HIGH DEBRIS INTAKE GRILLE
HOOD ASSY, FIXED
HOOD ASSY, FIXED
HOOD, TILTING
HOOD, TILTING
HOOD, TILTING
DECALS, HOOD and CAB
DECALS
DECALS
DECALS
DECALS
DECALS SPANISH
DECALS FRENCH CANADA
FENDERS, FRONT, AXLE MOUNTED, DYNAMIC
FENDERS - REAR, NARROW
FENDERS - REAR, WIDE
MIRRORS
CAB, STEPS
CAB, FRONT WINDOW STEP
SEAT, INSTRUCTIONAL
SEAT ASSEMBLY BSN ZBRC01349
SEAT ASSEMBLY ASN ZBRC01349
CUSHION ASSEMBLY, SEAT BSN ZBRC01349
CUSHION ASSEMBLY, SEAT ASN ZBRC01349
SUSPENSION ASSEMBLY WITHOUT POSITIVE RESPONSE, SEAT BSN ZBRC01349
SUSPENSION ASSEMBLY WITHOUT POSITIVE RESPONSE, SEAT ASN ZBRC01349
SUSPENSION ASSEMBLY WITH POSITIVE RESPONSE, SEAT BSN ZBRC01349
SUSPENSION ASSEMBLY WITH POSITIVE RESPONSE, SEAT ASN ZBRC01349
ISO CAB MOUNTS
TOOL BOX and MOUNTING
CAB, SERVICE
CAB, SUSPENSION
CAB, SUSPENSION
CAB, ROOF
CAB, DOOR
CAB, DOOR
CAB, FIXED GLASS
CAB, REAR WINDOW
CAB, INSTRUMENT PANEL
CAB INTERIOR TRIM - POSTS
CAB, HEADLINER, DELUXE and LUXURY TRIM
CAB, FLOOR MAT and INSULATION
CAB, EXTERIOR TRIM
CAB, TRIM, FENDERS
CAB, INSULATION
1
2
3
4
5
6
7
8
9
10
11
12
13
14
15
15
15
15
15
15
15
16
16
17
18
19
20
20
20
20
20
20
21
22
23
23
24
24
24
24
25
25
26
27
28
29
30
31
32
32
33
33
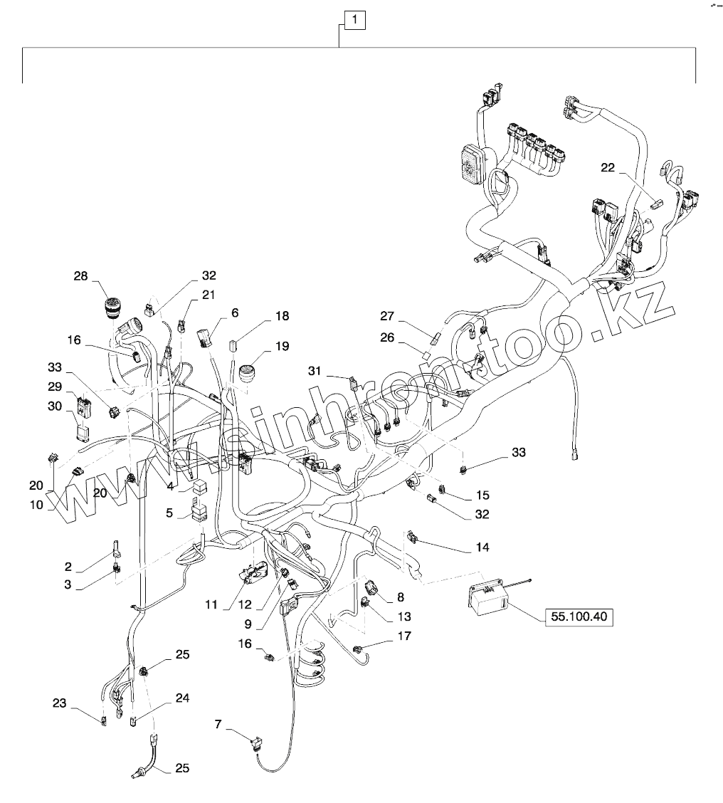
Позиция на иллюстрации
Заводской номер детали
Название детали
1
84420942
Harness
2
182064A1
Connector
3
182066A1
Connector
4
84179509
Relay
5
87697770
Wire connector
6
87382923
Elec connector
7
8602416
Connector
8
84526498
Wire connector
9
87688710
Elec connector
10
84190317
Wire connector
11
87713291
Wire connector
12
84062580
Connector
13
182069A1
Connector
14
245484C1
Elec connector
15
371614A1
Elec connector
15
371614A1
Elec connector
15
371614A1
Elec connector
15
371614A1
Elec connector
15
371614A1
Elec connector
15
371614A1
Elec connector
15
371614A1
Elec connector
16
87694153
Contact housing
17
87657131
Elec connector
18
87448363
Wire connector
19
87700172
Elec connector
20
87709793
Wire connector
20
87709793
Wire connector
21
335461A1
Connector
22
225315C1
Elec connector
23
225295C1
Elec connector
23
225295C1
Elec connector
24
225316C1
Elec connector
24
225316C1
Elec connector
24
225316C1
Elec connector
24
225316C1
Elec connector
25
87521424
Temperature sender
26
381414A1
Terminal connector
27
225294C1
ELEC CONNECTOR, Male, 3 Pin, To Front Frame Harness, C149F
28
84526555
Wire connector
29
87382929
Wire connector
30
87382928
Elec connector
31
872290R1
Elec connector
32
84607243
CONNECTOR
33
87709809
Elec connector
Содержащиеся в справочниках-каталогах запасные части и детали не предлагаются к продаже, а носят исключительно информационный характер
Дополнительная информация
×
Название:
Номер:
Примечание: