Вернуться на главную
Поиск
Каталоги запчастей к технике
Сельхозтехника
New Holland
Комбайн CR9080 E3 (часть 2)
SHIELD RH
Каталог запасных частей к технике: New Holland Комбайн CR9080 E3 (часть 2). SHIELD RH
zoom-in
zoom-out
enlarge
shrink
circle-right
circle-left
file-text2
info
cart
Тип техники
Не выбрано
Легковые автомобили
Грузовые автомобили и прицепы
Автобусы
Сельхозтехника
Спецтехника
Двигатели
Мототехника
Марка
Не выбрано
AGCO
Amity
CASE IH
DongFeng
Fortschritt
Foton
Franz Kleine
Gaspardo
Great Plains
KRONE
KUHN
Lemken
Lovol
MacDon
Massey Ferguson
New Holland
TIGARBO
Vaderstad
Versatile
Wirax
Агро
Агротехмаш
Бобруйскагромаш (ОАО «УКХ «Бобруйскагромаш»)
БЭМЗ
ВгТЗ
Воронежсельмаш
ВТЗ
Гомсельмаш
ДКЗ
ЗАО "Техника-сервис"
ЗиД
КЗК
Кировец-Ландтехник
Клевер
Красная Звезда
Лидагропроммаш
Лидсельмаш
ЛТЗ
Машстройхолдинг
Минитракторы
Мордовагромаш
МТЗ
Навигатор-Новое машиностроение
Нефтекамский автозавод
ПТЗ
Ремком
РСМ
Сибсельмаш
ТеКЗ
ТКЗ
ХЗТСШ
ХТЗ
ЮМЗ
Модель
Не выбрано
CSX7080 (D660) (2008)
T8 (2012)
T9.615, T9.670 (2012)
TL5040 (2012)
TS6.110 (2012)
Комбайн CR9080 E3 (часть 1) (2014)
Комбайн CR9080 E3 (часть 2) (2014)
Трактор T9.505 (часть 1) (2012)
Трактор T9.505 (часть 2) (2012)
Трактор TJ425 (часть 1) (2010)
Трактор TJ425 (часть 2) (2010)
Схема
>
Не выбрано
FEEDER
SENSOR PLATE
FEEDER, BALANCE FRAME
BOTTOM PLATE
BOTTOM PLATE FOR OPEN CONVEYOR
STONE ROLL FRAME, (Prod Date) before 14-MAR-2013
STONE ROLL FRAME, (Prod Date) after 15-MAR-2013
STONE SUMP
STONE ROLL SHAFT
STONE ROLL
FEEDER SHIELDS, LH
FEEDER SHIELDS, RH
FEEDER CHAIN (4)
UPPER SHAFT
DRUM, (Prod Date) before 14-JAN-2014
DRUM, (Prod Date) after 15-JAN-2014
CROP FEEDING AND CONTROL CHAIN
CROP FEEDING DRIVE BELT
CROP FEEDING DRIVE SHAFT
PRODUCT FEEDING DRIVE BELT, 4HB
PRODUCT FEEDING TENSIONER, 4HB
PRODUCT FEEDING DRIVE BELT, 2HB
PRODUCT FEEDING TENSIONER, 2HB
HEADER DRIVE SHAFT, 3HB FOR CORN AND BEANS
HEADER DRIVE BELT, 3HB FOR CORN AND BEANS
HEADER DRIVE SHAFT, 2HB FOR GRAIN
HEADER DRIVE BELT, 2HB FOR GRAIN
VARIABLE HEADER DRIVE SHAFT FOR CORN AND BEANS
VARIABLE HEADER DRIVE GEAR FOR CORN AND BEANS
VARIABLE HEADER DRIVE BELT FOR CORN AND BEANS
PRODUCT FEEDING DRIVE BELT 4HB WITH STONE TRAP
PRODUCT FEEDING TENSIONER 4HB WITH STONE TRAP
HEADER DRIVE SHAFT 3HB WITH STONE TRAP
HEADER DRIVE 3HB WITH STONE TRAP
HEADER DRIVE BELT AND TENSIONER 3HB WITH STONE TRAP
HIGH SPEED STONE TRAP MODULE DRIVE
LOW SPEED STONE TRAP MODULE DRIVE
REVERSER
ROTOR BEARING
CONCAVE FOR SMALL GRAIN AND FIELD PEAS
CONCAVE WITH ROUND BARS, (Prod Date) before 31-JAN-2014
CONCAVE WITH ROUND BARS, (Prod Date) after 01-FEB-2014
CONCAVE WITH SPIRAL ROUND BARS
CONCAVE FOR RICE, CORN AND BEANS
ROUND BAR SEPARATOR GRATES
ROUND BAR SEPARATOR GRATES, WET CORN
AWNING PLATES
PERFORATED SEPERATOR GRATES
CONCAVE CONTROL
MAIN DRIVE
DRUM VARIATOR BELT
DRUM VARIATOR BRIDGE
DRUM VARIATOR SPRING LOAD ADJUSTMENT
HYDRAULICS ROTOR AND FEEDER VARIATOR
ROTOR CORN AND GRAIN TWIN PITCH, RH
ROTOR CORN AND GRAIN TWIN PITCH, LH
TWIN PITCH REBUILD KIT - FOR SMALL GRAIN, CORN AND BEANS
ROTOR, SMALL GRAIN, RH
ROTOR, SMALL GRAIN, LH
ROTOR, RICE, TWIN PITCH, RH
ROTOR, RICE, TWIN PITCH, LH
TWIN PITCH REBUILD RICE
ROTOR CORN AND BEAN RH
ROTOR CORN AND BEAN LH
HARD THRESHING KIT
KIT SERRATED AUGER LUGS AND SERRATED ROTOR EXTENSIONS
DUAL SPEED ROTOR DRIVE
ROTOR GEARBOX LH ROTOR DRIVE
ROTOR GEARBOX 2-SPEED ROTOR
SLUG WRENCH, (Prod Date) before 12-AUG-2012
SLUG WRENCH, (Prod Date) after 13-AUG-2012
FINGER SET
SUNFLOWER COVER KIT
BEATER DRIVE SHAFT
BEATER DRIVE PULLEYS
COVER PLATES
ADJUSTABLE VANES, COVER PLATES
INFEED AND SEPARATOR FRONT
ADJUSTABLE VANES, TOP COVER PLATES
INFEED AND SEPARATOR
ADJUSTABLE VANES, TOP COVER PLATES, ABRASIVE
ADJUSTABLE VANES, TOP COVER PLATES, ABRASIVE
ROTARY SEPARATOR, SHAFT
DISCHARGE BEATER
BEATER ADJUSTMENT ROD
BEATER GRATE COVER
GREASING TUBES
STRAW CHOPPER, GREASING
CHOPPER DRIVE
CHOPPER DRIVE, SHAFT PULLEYS
CHOPPER DRIVE
CHOPPER DRIVE, SHIELDS
CHOPPER READY DRIVE
CHOPPER READY DRIVE, SHAFT PULLEYS
STRAWHOOD
CONVEYOR MOUNTING PLATES
CHOPPER DRIVE, SHAFT PULLEYS
DOOR, SWATH KICKBACK, PSD
SUPPORT, STRAW CHOPPER WITH PSD
STRAW CHOPPER WITH ROLLER
STRAW CHOPPER WITH ROLLER, ROLLER
SUPPORT, STRAW CHOPPER READY
STRAWHOOD
CHOPPER, ROTOR FRAME
CHOPPER, ROTOR FRAME
TAILINGS ELEVATORS, SELF-LEVELING DRIVE - LH
TAILINGS ELEVATORS, BOTTOM AUGER RH DRIVE
SHAKER SHOE DRIVE - SELF-LEVELLING
SHAKER SHOE DRIVE, GEARBOX - SELF-LEVELLING
SHAKER SHOE DRIVE, POWER TAKE -OFF - SELF-LEVELLING
SHAKER SHOE DRIVE, GEARBOX - SELF-LEVELLING
GRAINPAN SIDE SLOPE FOR CORN
GRAIN PAN
SHAKER SHOE
GRAEPEL SIEVE EXTENSION
REMOTE CHAFFER ADJUSTMENT, UPPER SIEVE, 1 1/8dm
REMOTE CHAFFER ADJUSTMENT, UPPER SIEVE, 1 5/8dm
PRE-SIEVES
UPPER SIEVES - CLOSZ 1 5/8dm
UPPER SIEVES - PETTERSON 1 1/8dm
UPPER SIEVES - CORN 1 5/8dm
UPPER SIEVES - CLOSZ 1 1/8dm
REMOTE CHAFFER ADJUSTMENT, LOWER SIEVE
LOWER SHAKER SHOE, AGRESSIVE SHAKE
LOWER SIEVES - 1 5/8dm
LOWER SIEVES - 1 1/8dm, (Prod Date) before 09-DEC-2012
SIEVE, AIR DAM
ECCENTRIC AND SHAKER SHOE
GRAIN PAN, SUPPORTS
GRAIN PAN, SUPPORTS
SHAKER SHOE
SHAKER SHOE
SHAKER SHOE
AUGER HOUSING - SELF-LEVELLING
AUGER HOUSING - SELF-LEVELLING
CLEANING SHOE FAN GUARD
FAN, FRAME
FAN, BLOWER
FAN, GUIDE
FIXATION, OPTI-SPREAD
FIXATION, OPTI-SPREAD
WIDE SPREADER HOOD AND COVER, OPTI-SPREAD
WIDE SPREADER COVER, OPTI-SPREAD
DISC ASSEMBLY, OPTI-SPREAD
NARROW SPREADER DEFLECTORS, OPTI-SPREAD
NARROW SPREADER DEFLECTOR SUPPORTS, OPTI-SPREAD
WIDE SPREADER DEFLECTORS, OPTI-SPREAD™, (Prod Date) before 31-JAN-2014
WIDE SPREADER DEFLECTOR SUPPORTS, OPTI-SPREAD™, (Prod Date) before 31-JAN-2014
SIEVE LOSS-PROTECTION PLATE
FIXATION, SPREADER HOOD
WIDE SPREADER HOOD REMOTE CONTROL
WIDE STRAW GUIDINGPLATE
WIDE STRAW GUIDINGPLATE BUMPERS AND RAKES
FRAME AND LH MOUNTING, WIDE CHAFF SPREADER
RH MOUNTING, WIDE CHAFF SPREADER
DISC ASSEMBLY MOUNTING, CHAFF SPREADER
DISC ASSEMBLY, CHAFF SPREADER
DEFLECTOR CORN KIT, WIDE CHAFF SPREADER
DEFLECTOR CORN KIT, WIDE CHAFF SPREADER
HYDRAULIC FAN DRIVE
TAILINGS ELEVATORS, BOTTOM AUGER TO RH DRIVE
TAILINGS ELEVATOR, LH
TAILINGS ELEVATOR, RH
TAILINGS ELEVATOR, BOTTOM AUGER BEATER, RH
TAILINGS ELEVATOR, BOTTOM AUGER BEATER, LH
TAILINGS ELEVATOR, GEARBOX, RH
TAILINGS ELEVATOR, GEARBOX, LH
TAILINGS ELEVATOR, DEFLECTORS
GRAIN ELEVATOR, DRIVE
GRAIN ELEVATOR, BOTTOM AUGER
GRAIN ELEVATOR
GRAIN ELEVATOR CHAIN, DRIVE
GRAIN ELEVATOR CHAIN
BUBBLE-UP, DRIVE
BUBBLE-UP, GEARBOX
BUBBLE-UP
GRAIN ELEVATOR HEAD
GRAIN ELEVATOR HEAD, WEAR PLATES
GRAIN ELEVATOR HEAD, DRIVE
GRAIN ELEVATOR DRIVE
GRAIN ELEVATOR DRIVE, PIVOT
GRAIN FLOW YIELD SENSOR
NO MOISTURE SENSOR COVER
GRAINTANK, RH
GRAINTANK, MIDDLE
GRAINTANK, LH
GRAINTANK BOTTOM
GRAINTANK CROSS AUGERS
GRAINTANK FLOOR
GRAINTANK EXTENSIONS
GRAINTANK EXTENSION HINGES
GRAINTANK COVERS, PIVOTING SYSTEM
GRAINTANK COVER SIDE PANELS
GRAINTANK COVERS
GRAINTANK EXTENSION, CANVAS
UNLOADING AUGER, DRIVE
UNLOADING AUGER, DRIVE, CHAIN
UNLOADING AUGER, GEARBOX
GRAIN DISCHARGE, UPPER GEARBOX
UNLOADING AUGER, FOR HEAVY DUTY
UNLOADING AUGER, EXTENSION 1.3 M
UNLOADING AUGER
UNLOADING AUGER, CANVAS
UNLOADING AUGER, SPOUT
DIA KIT: FIRE EXTINGUISHER
DIA KIT: HEADER LIFT CYLINDER KIT
DIA KIT: HEADER LIFT CYLINDER KIT
DIA KIT: HEADER LIFT CYLINDER KIT
DIA KIT: HEADER LIFT CYLINDER KIT
DIA KIT: NAVIGATION II CONTROLLER
DIA KIT: FEEDER DRUM STOP KIT
DIA KIT: SMOOTH RETHRESHING COVERS
DIA KIT: REINFORCED UNLOADING TUBE EXTENSION KIT, 4.4FT
DIA KIT, CR DIA TRACK COMPLETING
DIA KIT: STEERING PLATFORM EXTENSION - 500MM
AIR DEFLECTOR PLATE
ENGINE GUARDS, PLATE
ENGINE GUARDS, HOOD
ENGINE GUARDS, FRAME
DOOR LOCK
SHIELD, LH
SHIELD, RH
SHIELD, LH
SHIELD, LH
SHIELD, RH
SHIELD, RH
FRONT SHIELDS
MAIN SHIELD, SAFETY LOCK
SHIELD STONE ROLL, LH
SHIELD STONE ROLL, RH
CR TRACK COMPLETING
BATTERY, TRAY
SHIELDS, REAR
SHIELD LH
SHIELD LH
SHIELD LH
SHIELD RH
SHIELD RH
LOWER SHIELDS SUPPORT FOR TRACKS
SAFETY AND INSTRUCTION DECALS
SAFETY AND INSTRUCTION DECALS
SAFETY AND INSTRUCTION DECALS
SAFETY AND INSTRUCTION DECALS
COMMERCIAL DECALS
SAFETY AND INSTRUCTION DECALS
DECALS, NA FRENCH
MONITOR SUPPORT
PROTECTION FOR OPTI-SPREAD, (Prod Date) before 20-APR-2012
PROTECTION FOR CHOPPER, (Prod Date) before 21-NOV-2011
FENDERS
CAB FRAME
OPERATORS PLATFORM
OPERATORS PLATFORM
OPERATORS PLATFORM, LADDER
REAR DECK LADDER
REAR DECK RAILING
REAR DECK ASSEMBLY
ENGINE GUARDS, LADDER
SHIELD LH
SHIELD LH
SHIELD RH
PLATFORM EXTENSIONS, 250 MM
PLATFORM EXTENSIONS, 500 MM
PLATFORM EXTENSIONS, 750 MM
STEP, RH
OPERATORS SEAT
BUDDY SEAT
INSTRUCTORS SEAT
OPERATORS SEAT
OPERATORS SEAT
OPERATORS SEAT
OPERATORS SEAT
OPERATORS SEAT
OPERATORS SEAT
OPERATORS SEAT
OPERATORS SEAT
CAB FRAME
MOUNTING
CAB FRAME
DOOR, LH
DOOR, RH
CAB ROOF, OUTER
WINDSHIELD GLASS
CAB ROOF, INNER
INTERIOR PADDING FOOTBOARD MAT
OPERATORS SEAT, SUPPORT
REAR PANEL
REAR PANEL, LOWER
STORAGE BOXES
BRACKET
1
2
3
4
5
6
7
7
7
7
7
7
7
7
8
8
8
8
9
9
9
10
10
10
10
11
11
12
13
13
Позиция на иллюстрации
Заводской номер детали
Название детали
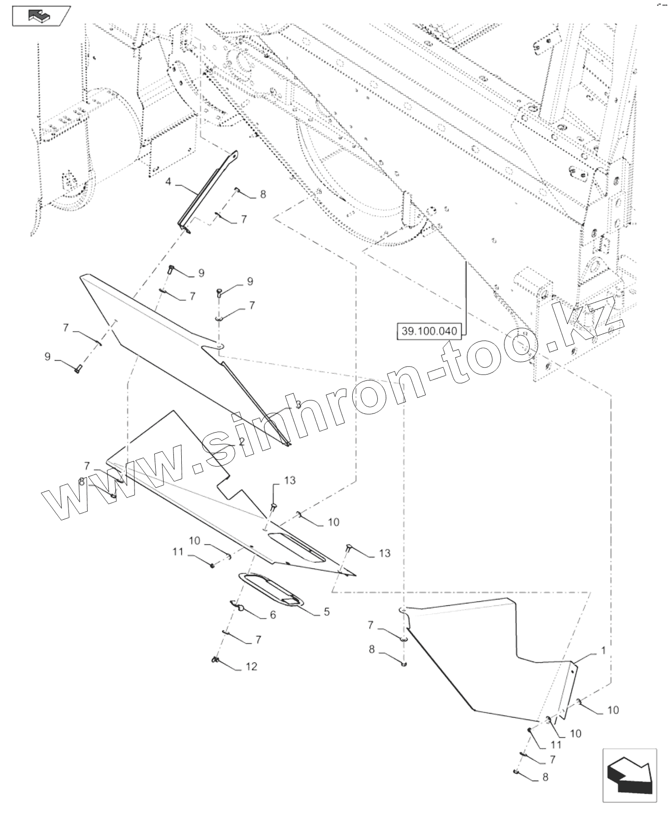
1
87629821
Protection plate
2
87011195
Shield
3
87011193
Shield
4
84404201
Support
5
916303
Cover
6
425093
Clamp
7
412650
Belleville washer
8
9706690
Nut
9
120104
BOLT
10
412649
Belleville washer
11
9706755
Nut
12
84807781
Wing nut
13
86507486
Carriage bolt
Содержащиеся в справочниках-каталогах запасные части и детали не предлагаются к продаже, а носят исключительно информационный характер
Дополнительная информация
×
Название:
Номер:
Примечание: