Каталог запасных частей к технике: New Holland Комбайн CR9080 E3 (часть 2). GRAINTANK, MIDDLE
1
2
2
2
2
2
2
2
2
2
2
2
2
2
2
2
2
2
2
2
2
2
3
3
3
3
3
3
3
3
3
3
3
4
4
4
4
4
4
4
4
5
6
6
6
6
6
7
7
7
8
8
8
8
8
8
8
9
9
9
9
10
11
12
13
14
15
15
16
17
17
17
17
17
17
17
17
17
17
18
18
18
18
18
19
20
20
21
22
23
24
25
26
27
28
28
29
30
31
31
31
32
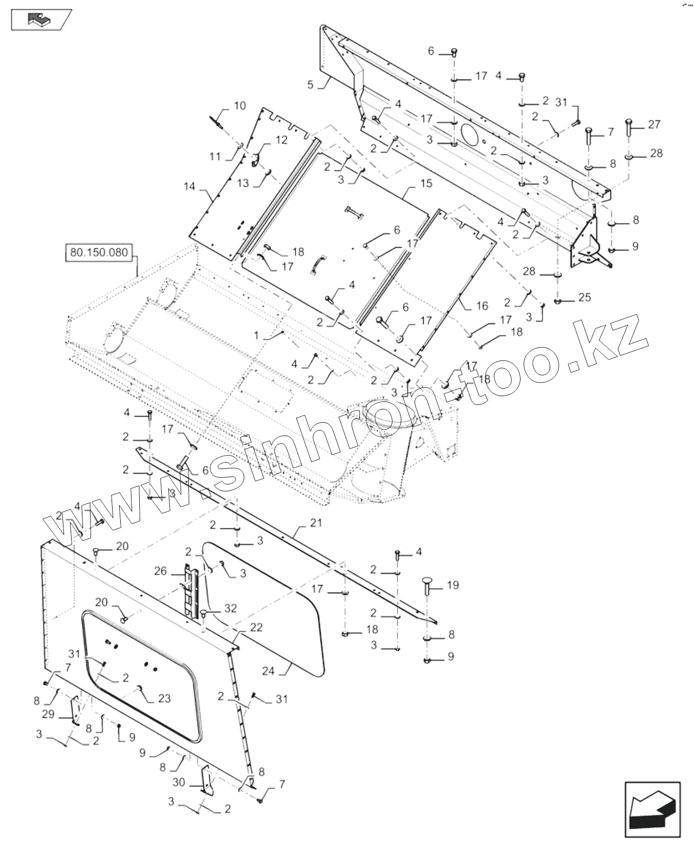
| Позиция на иллюстрации | Заводской номер детали | Название детали | |
|---|---|---|---|
| 1 | 86625127 | PLUG | |
| 2 | 322358 | Belleville washer | |
| 3 | 9706690 | Nut | |
| 4 | 120104 | BOLT | |
| 5 | 84386907 | Panel | |
| 6 | 43138 | BOLT | |
| 6 | 43138 | BOLT | |
| 7 | 398792 | BOLT | |
| 8 | 140046 | Belleville washer | |
| 9 | 337475 | NUT | |
| 10 | 445394 | Rivet | |
| 11 | 362785 | Belleville washer | |
| 12 | 362786 | Fastener | |
| 13 | 9824326 | WASHER | |
| 14 | 84340616 | Floor | |
| 15 | 86584544 | Door | |
| 15 | 47470654 | Door | |
| 16 | 84340670 | Floor | |
| 17 | 140045 | Belleville washer | |
| 17 | 140045 | Belleville washer | |
| 18 | 100016 | Гайка | |
| 18 | 100016 | Гайка | |
| 19 | 87695426 | Carriage bolt | |
| 20 | 86507486 | Carriage bolt | |
| 21 | 87485365 | Reinforcement | |
| 22 | 87380540 | Front sheet | |
| 23 | 9992358 | Elastic stop | |
| 24 | 86566851 | Glass | |
| 25 | 100020 | Гайка | |
| 26 | 86975493 | Bracket | |
| 27 | 43167 | Bolt | |
| 28 | 140048 | Belleville washer | |
| 29 | 86998708 | Bracket | |
| 30 | 86998707 | Bracket | |
| 31 | 43127 | BOLT | |
| 32 | 120041 | Carriage bolt |
Содержащиеся в справочниках-каталогах запасные части и детали не предлагаются к продаже, а носят исключительно информационный характер