Вернуться на главную
Поиск
Каталоги запчастей к технике
Сельхозтехника
New Holland
Комбайн CR9080 E3 (часть 1)
ELECTRICS ON HITCH
Каталог запасных частей к технике: New Holland Комбайн CR9080 E3 (часть 1). ELECTRICS ON HITCH
zoom-in
zoom-out
enlarge
shrink
circle-right
circle-left
file-text2
info
cart
Тип техники
Не выбрано
Легковые автомобили
Грузовые автомобили и прицепы
Автобусы
Сельхозтехника
Спецтехника
Двигатели
Мототехника
Марка
Не выбрано
AGCO
Amity
CASE IH
DongFeng
Fortschritt
Foton
Franz Kleine
Gaspardo
Great Plains
KRONE
KUHN
Lemken
Lovol
MacDon
Massey Ferguson
New Holland
TIGARBO
Vaderstad
Versatile
Wirax
Агро
Агротехмаш
Бобруйскагромаш (ОАО «УКХ «Бобруйскагромаш»)
БЭМЗ
ВгТЗ
Воронежсельмаш
ВТЗ
Гомсельмаш
ДКЗ
ЗАО "Техника-сервис"
ЗиД
КЗК
Кировец-Ландтехник
Клевер
Красная Звезда
Лидагропроммаш
Лидсельмаш
ЛТЗ
Машстройхолдинг
Минитракторы
Мордовагромаш
МТЗ
Навигатор-Новое машиностроение
Нефтекамский автозавод
ПТЗ
Ремком
РСМ
Сибсельмаш
ТеКЗ
ТКЗ
ХЗТСШ
ХТЗ
ЮМЗ
Модель
Не выбрано
CSX7080 (D660) (2008)
T8 (2012)
T9.615, T9.670 (2012)
TL5040 (2012)
TS6.110 (2012)
Комбайн CR9080 E3 (часть 1) (2014)
Комбайн CR9080 E3 (часть 2) (2014)
Трактор T9.505 (часть 1) (2012)
Трактор T9.505 (часть 2) (2012)
Трактор TJ425 (часть 1) (2010)
Трактор TJ425 (часть 2) (2010)
Схема
>
Не выбрано
FILTERS
CAPACITIES
MAINTENANCE PARTS, BELTS RIGHT-HAND SIDE
MAINTENANCE PARTS, BELTS LEFT-HAND SIDE
MAINTENANCE PARTS, FEEDER CHAINS
MAINTENANCE PARTS, GRAIN ELEVATOR
MAINTENANCE PARTS, UNLOADING AUGER DRIVE CHAIN
MAINTENANCE PARTS, ALTERNATOR, STARTER, THERMOSTAT
MAINTENANCE PARTS, CLUTCH PLATES
MAINTENANCE PARTS, REVOLVING DUST SCREEN BRUSHES
MAINTENANCE PARTS, BEVEL GEARS
MAINTENANCE PARTS, TRACTION GEARBOX AND BRAKES
MAINTENANCE PARTS, POWER TAKE-OFF FOR SELF-LEVELLING
MAINTENANCE PARTS, FEEDER WEAR PLATES
MAINTENANCE PARTS, THRESHING WEAR PLATES
MAINTENANCE PARTS, THRESHING, SMALL GRAIN ROTORS
MAINTENANCE PARTS, THRESHING, ROTOR KITS
MAINTENANCE PARTS, THRESHING, TWIN PITCH ROTORS
MAINTENANCE PARTS, THRESHING, CORN AND BEAN
MAINTENANCE PARTS, THRESHING, CONCAVES
MAINTENANCE PARTS, SIEVES
MAINTENANCE PARTS, CLEANING SEALS
MAINTENANCE PARTS, SHAKER SHOE
MAINTENANCE PARTS, GRAIN ELEVATOR WEAR PLATES
MAINTENANCE PARTS, UNLOADING AUGER
MAINTENANCE PARTS, CHOPPER
MAINTENANCE PARTS, CHAFF SPREADER
FIRE EXTINGUISHER, FOR NA AND CANADA ONLY
PRINTER
COMPLETE ENGINE CURSOR13
ENGINE SUPPORTS
OIL DRAIN
ENGINE IN AND OUTLET, AIR FILTER
ADDITIONAL FUEL FILTER
FUEL TANK 1000 LITER, FUEL LINES
FUEL TANK 1000 LITER, FUEL LINES
FUEL TANK 1000 LITER, SUPPORTS
FUEL TANK 250 LITER, SUPPORTS
AIR CIRCUIT
ENGINE IN- AND OUTLET
ENGINE IN- AND OUTLET
WATER CIRCUIT, SHUNT TANK, (Prod Date) before 20-JUN-2012
ROTARY SCREEN - FRAME
COOLER, FAN BLADE
ANTI-RECIRCULATION
COOLER, WATER
COOLER, AIR
COOLER, FAN
REVOLVING DUST SCREEN, DRIVE SHAFT
REVOLVING DUST SCREEN, DRIVE BELT
FAN DRIVE
REVOLVING DUST SCREEN 38dm
BRUSH IN DUST SCREEN
ROTARY DUST SCREEN DRIVE
ROTARY DUST SCREEN DRIVE
BLOW-OFF SYSTEM, AIR COMPRESSOR
BLOW-OFF SYSTEM, TUBES
BLOW-OFF SYSTEM, TUBES
BLOW-OFF SYSTEM, AIR RESERVOIR
ENGINE BLOW-OFF
ENGINE BLOW-OFF
BLOW-OFF SYSTEM, AIR GUN
ENGINE, GEARBOX
ENGINE, GEARBOX
ENGINE, GEARBOX
ENGINE, GEARBOX AND CLUTCH
ENGINE, GEARBOX
ENGINE, GEARBOX
CLUTCH, 16 PINS
GEARBOX
BRAKE GUARD
COMPLETE TRACTION GEARBOX
GEARBOX, INPUT SHAFT
GEARBOX, DRIVE SHAFT
GEARBOX, SHIFTING SYSTEM, GEARS
GEARBOX, DRIVEN SHAFT
DIFFERENTIAL LOCK CONTROL
DIFFERENTIAL LOCK CONTROL
DIFFERENTIAL, (Prod Date) before 29-MAR-2012
DIFFERENTIAL, (Prod Date) after 30-MAR-2012
DRIVE SHAFTS
DRIVE SHAFT FOR TRACKS
END REDUCTION, 13/110
END REDUCTION, 13/110
END REDUCTION, PLANETARY
END REDUCTION, PLANETARY
WHEELSPACER FOR TW620/70R42 - DUAL WHEELS
OIL DELIVERY AND RETURN PIPES
OIL COOLER
HYDROSTATIC LINES, 125/107 CC / 125/125 CC
HYDROSTATIC LINES, 125/107 CC / 125/125 CC
HYDROSTATIC LINES, 125/140 CC VARIABLE
HYDROSTATIC LINES, 125/140 CC VARIABLE
HYDROSTATIC PUMP, 125CC
CLEANING FAN AND ACTIVE SPREADER HYDRAULIC PUMP
HYDRAULIC PUMP FOR HYDRAULIC FAN
HYDROSTATIC PUMP, 125CC
HYDROSTATIC PUMP, 125CC
HYDROSTATIC PUMP, 125CC
HYDROSTATIC MOTOR, 125CC
HYDROSTATIC MOTOR, 140CC
DUAL SPEED, PRA2
POWERED REAR AXLE, PRA2
POWERED REAR AXLE, PRA2
POWERED REAR AXLE - WHEEL DRIVE, PRA2
POWERED REAR AXLE - WHEEL MOTOR
POWERED REAR AXLE - VALVE, PRA2
POWERED REAR AXLE, DUAL SPEED, PRA2
POWERED REAR AXLE - WHEEL DRIVE, PRA2, DUAL SPEED
POWERED REAR AXLE - WHEEL MOTOR, DUAL SPEED
POWERED REAR AXLE - VALVE, PRA2, DUAL SPEED
GEARBOX, PARKING BRAKE
HANDBRAKE PIPING
BRAKE DISCS
BRAKE CALIPER
CIRCUIT FOR HYDRAULIC BRAKES
CIRCUIT FOR HYDRAULIC BRAKES, (Prod Date) before 27-JUN-2012
RETURN FILTERS
HYDRAULICS FOR ENGINE, PUMP AND DIVIDER
HYDRAULIC TANK
HYDRAULICS FOR ENGINE - THERMOSTAT
HYDRAULICS FOR ENGINE - THERMOSTAT
HYDRAULICS FOR ENGINE - HYDRAULIC DIVIDER PIPING
FEEDER HYDRAULIC TUBES
FEEDER HYDRAULIC TUBES WITH LATERAL FLOTATION, FRONT FACE ADJUSTMENT AND ADVANCED STONE PROTECTION
FEEDER HYDRAULIC VALVE WITH LATERAL FLOTATION, FRONT FACE ADJUSTMENT AND ACTIVE STONE TRAP PROTECTION
FEEDER HYDRAULIC VALVE WITH LATERAL FLOTATION, FRONT FACE ADJUSTMENT AND ADVANCED STONE PROTECTION
FEEDER HYDRAULIC VALVE WITH LATERAL FLOTATION, FRONT FACE ADJUSTMENT AND STONE TRAP MODULE
FEEDER HYDRAULIC VALVE WITH LATERAL FLOTATION, FRONT FACE ADJUSTMENT AND STONE TRAP MODULE
MAIN STACK VALVE WITH FEEDER VARIATOR
MAIN STACK VALVE, STANDARD
MAIN STACK VALVE WITH FEEDER VARIATOR
MAIN STACK VALVE, STANDARD
ACCUMULATOR FOR MAIN VALVE
FEEDER HEIGHT SYSTEM PIPING
HEADER CYLINDER 80 MM, WITH STONE TRAP MODULE
HEADER CYLINDER 90 MM, WITH STONE TRAP MODULE
HEADER CYLINDERS, TUBES
80MM - 90MM HEADER CYLINDERS, TUBES WITH STONE TRAP MODULE
HEADER CYLINDER
STONE PROTECTION DOOR, DOOR LATCH
LH HYDRAULIC TUBES
UNLOADING AUGER CYLINDER
CYLINDER FOR UNLOADING AUGER
HYDRAULIC FAN DRIVE
HYDRAULIC FAN DRIVE
FEEDER LH CYLINDER AND ACCUMULATOR
FEEDER LH CYLINDER AND ACCUMULATOR WITH LATERAL FLOTATION, FRONT FACE ADJUSTMENT AND ADVANCED STONE PROTECTION
QUICK COUPLING, (Prod Date) before 09-SEP-2012
QUICK COUPLING, (Prod Date) after 10-SEP-2012
HYDRAULIC DIVIDER
SMART STEER AUTO-GUIDANCE KIT - HYDRAULICS, (ProdDate) before 16-AUG-2013
FEEDER REVERSER DRIVE MOTOR
CONVEYOR ASSEMBLY, HYDRAULIC MOTOR
STRAW CHOPPER WITH ROLLER, HYDRAULIC MOTOR
ACTIVE SPREADER HYDRAULIC TUBES
HYDRAULICS , OPTI-SPREAD
HYDRAULICS FOR ACTIVE SPREADER
HYDRAULIC CHAFF SPREADER DRIVE WITH PSD
HYDRAULICS FOR CHAFF SPREADER WITH VARIATOR
CHAFF SPREADER BYPASS
CHAFF SPREADER, HYDRAULICS
SMART STEER AUTO-GUIDANCE KIT - HYDRAULIC VALVE
HYDRAULIC TUBES
HYDRAULIC TUBES
HYDRAULIC TUBES FOR 36 INCH TRACKS
HYDRAULIC MOTORS , OPTI-SPREAD
HYDRAULIC MOTORS , CHAFF SPREADER
TUBE CLAMPS AND HYDRAULIC TUBES
STRAIGHT CONNECTIONS AND REPAIR FOR ORFS HYDRAULIC TUBES
HYDRAULIC FITTINGS
HYDRAULIC FITTINGS
HYDRAULIC FITTINGS, ANGULAR
HYDRAULIC FITTINGS, ANGULAR
HYDRAULIC FITTINGS, T
HYDRAULIC FITTINGS, PLUG
FOLDING TRAILER HITCH, (Prod Date) before 31-DEC-2011
HITCH, (Prod Date) before 23-JAN-2012
HITCH
COUNTERWEIGHTS
FRAME, THRESHING
LOWER AND PIVOTING FRAME, SELF LEVELLING
AXLE, POWERED AND HEAVY DUTY (HD), TIE RODS
STEERING, HYDRAULIC CONTROL, PIPING
STEERING, HYDRAULIC CONTROL, PIPING TO CAB
STEERING, HYDRAULIC CONTROL, STEERING VALVE PIPING
STEERING, HYDRAULIC CONTROL, STEERING VALVE PIPING, AGR
STEERING, HYDRAULIC CONTROL, MAIN STACK VALVE
STEERING VALVE
STEERING COLUMN
STEERING COLUMN
HYDRAULIC PUMP, (Prod Date) before 31-AUG-2012
HYDRAULIC PUMP, (Prod Date) after 01-SEP-2012
AXLE, POWERED AND HEAVY DUTY (HD), CYLINDER
POWERED REAR AXLE, HYDROSTATIC SUPPLY
FRONT AXLE
EXTENSIONS
AXLE, POWERED AND HEAVY DUTY (HD)
WHEEL HUBS, HEAVY DUTY (HD)
TRACTION WHEELS 520/85R42-157A8-R1W DUAL
TRACTION WHEELS 520/85R42-157A8-R1 DUAL
TRACTION WHEELS 620/70R42 - 166A8-R1W DUAL
TRACTION WHEELS 900/60R32-185A8-R1W
TRACTION WHEELS 900/60R32 176A8 R1W
TRACTION WHEELS 900/60R32 176A8 R1
TRACTION WHEELS 900/65R32 178A8 R2
TRACTION WHEELS 520/85R42-157A8-R1 DUAL
FIXATION KIT FOR DUAL WHEELS
FIXATION KIT FOR FLOTATION WHEELS
FLOTATION WHEELS 76X50.00-32 16PR HF3
STEERING WHEELS 28L-26 10PR R1 (-140)
STEERING WHEELS 28L-26 12PR R2 (-140)
STEERING WHEELS 480/70R30 LI152 R1 (-50)
STEERING WHEELS 540/65R30 LI 150 R1W (-50)
STEERING WHEELS 600/65R28 LI154 R1W (-65)
TRACK SUPPORT, NON SUSPENDED TRACKS
SIDE SUPPORT, NON SUSPENDED TRACKS
RUBBER TRACK, NON SUSPENDED TRACKS
TRACK ROLLER, NON SUSPENDED TRACKS
DRIVING WHEEL, FOR NON SUSPENDED TRACKS
FRONT IDLER AND TRACK TENSIONER, FOR NON SUSPENDED TRACKS
REAR IDLER, FOR NON SUSPENDED TRACKS
AIR CONDITIONER - COMPRESSOR DRIVE-BELT
AIR CONDITIONER - HEATING HOSES
AIR CONDITIONER - CONDENSOR RECIEVER-DRYER HOSES
AIR CONDITIONER - CONDENSOR RECIEVER-DRYER
AIR FILTER AND BLOWER
AIR FILTER AND BLOWER, SUPPORTS
AIR CONDITIONER - MOUNTING GROUP IN CAB
AIRCO UNIT ATC W/COOLBOX
STEERING COLUMN
FRONT FRAME, ELECTRICITY
MAIN WIRE HARNESS, CAB
MAIN WIRE HARNESS, REAR LH
MAIN WIRE HARNESS, REAR RH
HARNESS WIRE, OPTI-SPREAD
STRAW HOOD ELECTRICITY
CABLE HARNESS, STRAW HOOD, LH
CABLE HARNESS, STRAW HOOD, RH
FEEDER GROUP WIRE HARNESS EXTENSION
FEEDER GROUP WIRE HARNESS
FEEDER GROUP WIRE HARNESS FOR ADVANCED STONE PROTECTION
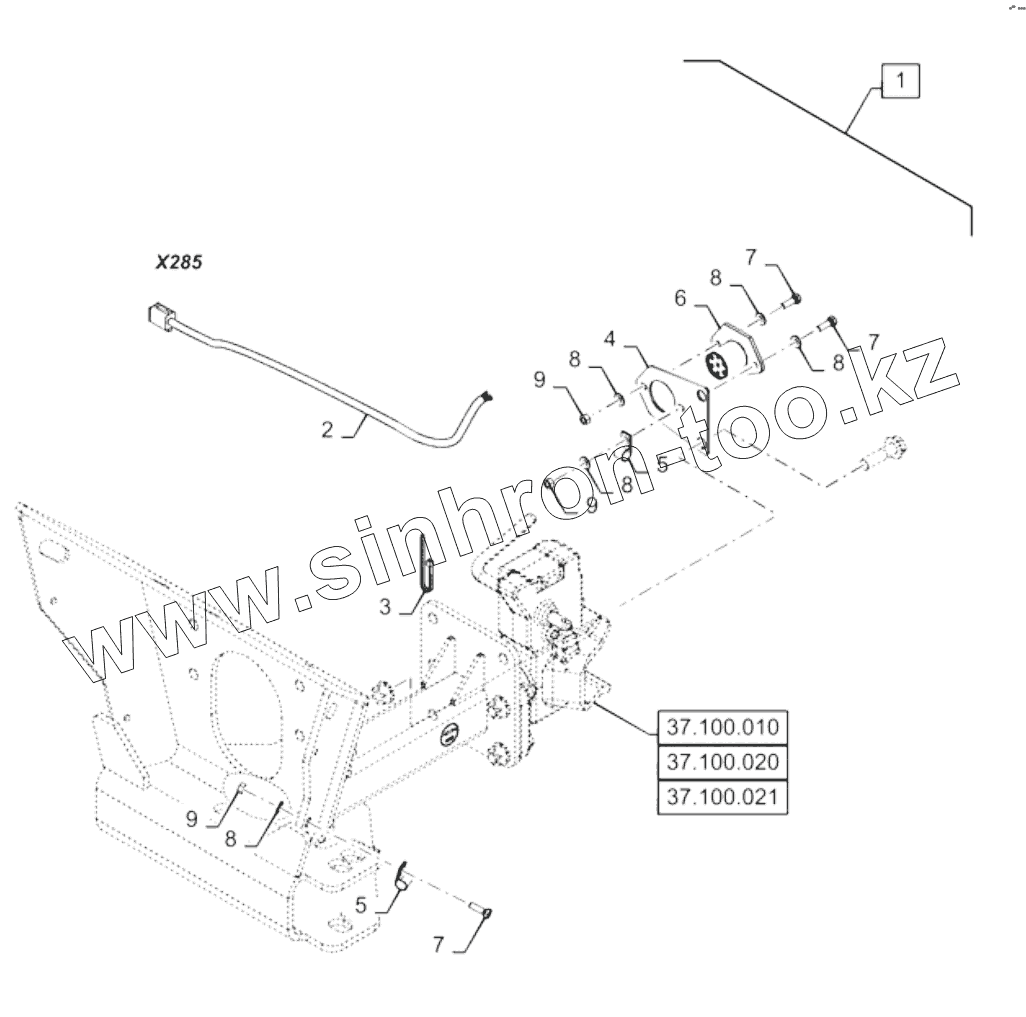
ELECTRICS ON HITCH
ENGINE ELECTRICITY
ENGINE ELECTRICITY
ENGINE ELECTRICITY
WIRE HARNESS CCM 3
HARNESS WIRE, CHAFF SPREADER
CCM4, WIRING HARNESS
CAB, MAIN WIRING HARNESS
COOLANT HEATER
ALTERNATOR DRIVE (FRONT DRIVES)
BATTERY SYSTEM
LIGHT-ARMS, STRAW CHOPPER READY
LIGHT-ARMS
STANDARD WORKING-LIGHTS
WORKING-LIGHTS - HID
EXTRA HID - WORKING-LIGHT
CENTRAL ROOF LIGHT, HALOGEN
HEADLIGHTS - FOR CANADA AND NA ONLY
SPECIFIC LIGHTS FOR NA AND CANADA
STRAW HOOD, WORKLIGHT
LIGHTING, UNDER SHIELD, L.H.
LIGHTING, UNDER SHIELD, R.H.
REAR LIGHTS EXTENSIONS
UNLOADING TUBE LIGHT
INSPECTION LAMP
ELECTRICITY GRAINTANK
LIGHT FOR 250 MM PLATFORM EXTENSIONS
LIGHT FOR 500 MM PLATFORM EXTENSIONS
LIGHT FOR 750 MM PLATFORM EXTENSIONS
GRAINTANK LIGHT
REAR BEACON LIGHT
CAB ROOF, OUTER
REAR BEACON LIGHT, (Prod Date) before 07-MAY-2012
FUEL LEVEL SENSOR, FOR 1000 LITER
STRAW CHOPPER, ELECTRICAL COMPONENTS
CONVEYOR ASSEMBLY, SENSOR
ELECTRICITY STRAW CUTTER WITH PSD, SENSOR
ELECTRICITY STRAW CUTTER WITH ROLLER, SENSOR
GRAINTANK ELECTRICITY
GRAIN FLOW YIELD SENSOR
HEADER HEIGHT NODE, SWITCH
LATERAL FLOTATION SENSOR
BLOWER SPEED SENSOR
ROTOR LOSS SENSOR
SENSOR, SELF BELT TENSION
GEARBOX SENSOR
GEARBOX, SHIFTING SYSTEM, ELECTRICITY
GEARBOX, SPEED SENSOR
RETURN FILTERS - SENSORS
ENGINE GEARBOX
HYDRAULIC TANK
SENSORS, OPTI-SPREAD
RIGHT HAND CONSOLE
RIGHT HAND CONSOLE - TOUCHSCREEN
SWITCH, UPPER/LOWER SIEVE ADJUSTMENT
LOWER FRAME, ELECTRICS
DGPS - NH062
DGPS ANTENNA MOUNTING KIT
DGPS MOUNTING KIT FOR GRAINTANK EXTENSIONS
DGPS ANTENNA - NH252/NH262
DGPS ANTENNA - NH162
SENSORS, CHAFF SPREADER
MEMORY STICK
CAB ROOF CONTROLS
ANTENNA
CAB ROOF, INNER, PREMIUM SPEAKERS
CAB ROOF, INNER, STANDARD REAR SPEAKERS
DASHBOARD
RADIO
REAR VIEW MIRROR
MANUAL REAR VIEW MIRROR
CAB ROOF WIRING HARNESS
CAB ROOF LIGHTS AND ANTENNA - AM-FM
WINDSCREEN WIPER
WINDSCREEN WASHER, WATER RESERVOIR, (Prod Date) before 07-JUN-2012
WASHER SYSTEM
REVERSER ELECTRIC CONTROL
CONCAVE CONTROL MOTOR
MOISTURE SENSOR
CCM CONTROL MODULE
SMART STEER AUTO-GUIDANCE KIT - STEERING WHEEL, SENSOR
SELF LEVELLING, ACTUATOR AND SENSOR
PERFORMANCE DETECTOR ON SHAKER SHOE
ROTARY DUST SCREEN DRIVE
ELECTRIC MOTOR - ENGINE BLOW-OFF
ACTUATOR, REMOTE CHAFFER ADJUSTMENT, UPPER SIEVE 1 1/8dm
ACTUATOR, REMOTE CHAFFER ADJUSTMENT, LOWER SIEVE
ACTUATOR, REMOTE CHAFFER ADJUSTMENT, UPPER SIEVE 1 5/8dm, (Prod Date) before 23-JUL-2013
FUEL PUMP, FOR 750 LITER
FUEL PUMP, FOR 1000 LITER
GRAINTANK COVERS, ACTUATOR
ACTUATORS, OPTI-SPREAD
REBUILD KIT WIDE SPREADER HOOD REMOTE CONTROL
CAMERA KIT
1
1
2
2
3
3
3
4
4
5
5
6
7
7
7
8
8
8
8
8
9
9
9
Позиция на иллюстрации
Заводской номер детали
Название детали
1
84081530
Hitch
1
84466501
Service kit
2
86604178
Wire harness
2
84394314
Wire harness
3
86566989
Cable tie
3
86566989
Cable tie
3
86566989
Cable tie
4
87499555
Bracket
4
84571767
Mounting plate
5
9706748
CLAMP
6
265927
Power socket
7
43127
BOLT
8
322358
Belleville washer
9
9706690
Nut
Содержащиеся в справочниках-каталогах запасные части и детали не предлагаются к продаже, а носят исключительно информационный характер
Дополнительная информация
×
Название:
Номер:
Примечание: