Вернуться на главную
Поиск
Каталоги запчастей к технике
Сельхозтехника
New Holland
CSX7080 (D660)
GEARSHIFT CONTROL
Каталог запасных частей к технике: New Holland CSX7080 (D660). GEARSHIFT CONTROL
zoom-in
zoom-out
enlarge
shrink
circle-right
circle-left
file-text2
info
cart
Тип техники
Не выбрано
Легковые автомобили
Грузовые автомобили и прицепы
Автобусы
Сельхозтехника
Спецтехника
Двигатели
Мототехника
Марка
Не выбрано
AGCO
Amity
CASE IH
DongFeng
Fortschritt
Foton
Franz Kleine
Gaspardo
Great Plains
KRONE
KUHN
Lemken
Lovol
MacDon
Massey Ferguson
New Holland
TIGARBO
Vaderstad
Versatile
Wirax
Агро
Агротехмаш
Бобруйскагромаш (ОАО «УКХ «Бобруйскагромаш»)
БЭМЗ
ВгТЗ
Воронежсельмаш
ВТЗ
Гомсельмаш
ДКЗ
ЗАО "Техника-сервис"
ЗиД
КЗК
Кировец-Ландтехник
Клевер
Красная Звезда
Лидагропроммаш
Лидсельмаш
ЛТЗ
Машстройхолдинг
Минитракторы
Мордовагромаш
МТЗ
Навигатор-Новое машиностроение
Нефтекамский автозавод
ПТЗ
Ремком
РСМ
Сибсельмаш
ТеКЗ
ТКЗ
ХЗТСШ
ХТЗ
ЮМЗ
Модель
Не выбрано
CSX7080 (D660) (2008)
T8 (2012)
T9.615, T9.670 (2012)
TL5040 (2012)
TS6.110 (2012)
Комбайн CR9080 E3 (часть 1) (2014)
Комбайн CR9080 E3 (часть 2) (2014)
Трактор T9.505 (часть 1) (2012)
Трактор T9.505 (часть 2) (2012)
Трактор TJ425 (часть 1) (2010)
Трактор TJ425 (часть 2) (2010)
Схема
>
Не выбрано
COMPLETE ENGINE
FUEL TANK, SUPPORTS
FUEL TANK, PIPE LINES
ROTARY SCREEN: SHAFTS
ROTARY SCREEN: FRAME AND FAN
COOLERS
AIR CIRCUIT
WATER CIRCUIT, SHUNT TANK
ENGINE SUPPORTS
DRIVE, ROTARY SCREEN AND FAN
EXHAUST AND AIR FILTER
MAIN DRIVE
REVOLVING DUST SCREEN
BRUSH IN DUST SCREEN
HYDRAULIC PUMP DRIVE
HYDROSTATIC PUMP DRIVE
MAIN DRIVE
MAIN SHAFT ON ENGINE
BLOW-OFF SYSTEM, AIR COMPRESSOR
BLOW-OFF SYSTEM, AIR RESERVOIR
BLOW-OFF SYSTEM, AIR GUN
BLOCK HEATER
FUEL FILTER
COMPLETE TRACTION GEARBOX
GEARBOX
GEARBOX, INPUT SHAFT
GEARBOX, DRIVE SHAFT
GEARBOX, GEARSHIFT CONTROL
GEARBOX, DRIVEN SHAFT
GEARBOX, DRIVEN SHAFT - FOR LATERALE ONLY
DIFFERENTIAL
BRAKE DISCS
BRAKE CALIPER
END REDUCTION 11/111
FINAL DRIVE 11/111 - FOR LATERALE ONLY
END REDUCTION 10/75 - 11/111
DRIVE SHAFTS WTHOUT EXTENSIONS
CIRCUIT FOR HYDRAULIC BRAKES
CIRCUIT FOR HYDRAULIC BRAKES
CIRCUIT FOR HYDRAULIC BRAKES - FOR LATERALE ONLY
BRAKE LIMITER, FOR MAIZE HEADER ONLY
DIFFERENTIAL LOCK CONTROL
DIFFERENTIAL LOCK CONTROL
GEARSHIFT CONTROL
TRANSMISSION HANDBRAKE
FRONT AXLE
EXTENSIONS
GEARBOX AND BRAKE PROTECTIONS
GEARBOX AND BRAKE PROTECTIONS - FOR LATERALE ONLY
FRONT AXLE - FOR LATERALE ONLY
TRACTION BEAM, LH - FOR LATERALE ONLY
TRACTION BEAM, RH - FOR LATERALE ONLY
ADJUSTABLE STEERING AXLE
WHEEL HUBS
ADJUSTABLE STEERING AXLE AND CYLINDERS
POWERED REAR AXLE
POWERED REAR AXLE: WHEEL DRIVE
POWERED REAR AXLE
ADDITIONAL PARTS, POWERED
POWERED REAR AXLE: VALVE
POWERED REAR AXLE - MOUNTING KIT
POWERED REAR AXLE: WHEEL MOTOR
POWERED REAR AXLE: WHEEL MOTOR
HEADLIGHTS
STANDARD HEADLIGHTS, FRONT - FOR LATERALE ONLY
STANDARD HEADLIGHTS, FRONT
STANDARD HEADLIGHTS, FRONT
WORK LIGHTS
ADDITIONAL LIGHTS FOR MAIZE HEADER - FOR LATERALE ONLY
STANDARD LIGHTS, REAR
FEEDER ANGLE SENSOR
HARNESS FOR STACK VALVE, FOR HYDRAULIC REVERSER AND LATERAL FLOTATION
REAR BEACON LIGHT
RIGHT HAND CONSOLE
RIGHT HAND CONSOLE
RIGHT HAND CONSOLE
ELECTRICAL EQUIPMENT, STRAW CHOPPER
ELECTRICITY SELF LEVELLING, SMART SIEVE
WORK LIGHTS
STRAW WALKER: PROTECTION
CAB, MAIN WIRING HARNESS
SENSOR, SELF LEVELING, CAB, SMART SIEVE
PRINTED CIRCUIT
BATTERY
ELECTRICS ON HITCH
GRAINTANK, LEVEL INDICATOR
GRAINTANK ELECTRICITY
SPREADER HOOD, REMOTE CONTROL
UPPER FRAME, ELECTRICITY
LOWER FRAME, ELECTRICITY
ROTARY SEPARATOR - SENSOR
STRAW FLOW BEATER
PRINTED CIRCUIT
CAB ROOF LIGHTS - WIRING
STRAW WALKER DETECTOR
WIRING HARNESS
STRAW WALKER FRAME, ELECTRICAL COMPONENTS
STRAW WALKER FRAME, ELECTRICAL COMPONENTS
STRAW WALKER FRAME, ELECTRICAL COMPONENTS
WIRING HARNESS, FRONT LIGHTS
WIRING HARNESS, FRONT LIGHTS
UNLOADING AUGER - SENSOR
RETURN SENSORS
ELECTRICITY FOR SELF LEVELLING - FOR LATERALE ONLY
YIELD MONITOR
YIELD MONITOR - MOISTURE SENSOR AND OPTICAL YIELD SENSORS
SWITCHES IN CAB ROOF
CAB, MAIN WIRING HARNESS
ENGINE ELECTRICITY
ENGINE ELECTRICITY
ENGINE ELECTRICITY
CAMERA KIT
PRINTER
CAB ELECTRICITY - FOR LATERALE ONLY
STANDARD MONITOR
ELECTRIC REMOTE SIEVE ADJUSTMENT
DGPS ANTENNA
CABLE HARNESS: 80264517
CABLE HARNESS: 87742089
CABLE HARNESS: 87742089
CABLE HARNESS: 87499323
CABLE HARNESS: 87399335
CABLE HARNESS: 87472180
CABLE HARNESS: 87378595
CABLE HARNESS: 87377154
CABLE HARNESS: 87368619
CABLE HARNESS: 84437176
CABLE HARNESS: 87396443
CABLE HARNESS: 87396122
CABLE HARNESS: 84437262
CABLE HARNESS: 84437263
CABLE HARNESS: 87494113
CABLE HARNESS: 84437294
CABLE HARNESS: 84437301
CABLE HARNESS: 84437313
CABLE HARNESS: 84437319
CABLE HARNESS: 84437323
CABLE HARNESS: 84437327
CABLE HARNESS: 87472066
CABLE HARNESS: 84437362
CABLE HARNESS: 84437362
CABLE HARNESS: 84437371
CABLE HARNESS: 84437374
CABLE HARNESS: 87720761
CABLE HARNESS: 87720763
CABLE HARNESS: 84441145
CABLE HARNESS: 84441145
CABLE HARNESS: 84441356
CABLE HARNESS: 87370061
CABLE HARNESS: 87369441
CABLE HARNESS: 84449919
CABLE HARNESS: 84441436
CABLE HARNESS: 84448868
CABLE HARNESS: 84448631
CABLE HARNESS: 84441663
CABLE HARNESS: 84448631
CABLE HARNESS: 84448038
CABLE HARNESS: 84448037
CABLE HARNESS: 84448033
CABLE HARNESS: 84448032
CABLE HARNESS: 84447791
CABLE HARNESS: 84444962
CABLE HARNESS: 84446931
CABLE HARNESS: 84126618
CABLE HARNESS: 87732956
CABLE HARNESS: 87597033
CABLE HARNESS: 87494109
CABLE HARNESS: 84461865
CABLE HARNESS: 84461866
CABLE HARNESS: 84461750
CABLE HARNESS: 87516806
CABLE HARNESS: 87732072
CABLE HARNESS: 87754067
CABLE HARNESS: 87023084
CABLE HARNESS: 87473284
CABLE HARNESS: 87719676
CABLE HARNESS: 87472182
CONNECTORS FOR COMPONENTS
CONNECTORS - FROM 80334588 TO 80445521
CONNECTORS - FROM 80445522 TO 84058194
CONNECTORS - FROM 84068583 TO 84400774
CONNECTORS - FROM 84400775 TO 84806918
CONNECTORS - FROM 84806919 TO 84814865
CONNECTORS - FROM 84814866 TO 89818033
CONNECTORS - FROM 89818548 TO 89861378
HYDRAULIC DRIVEN REVERSING SYSTEM
STRAW ELEVATOR HYDRAULICS WITH LATERAL FLOTATION
STRAW ELEVATOR HYDRAULICS WITH LATERAL FLOTATION - FOR LATERALE ONLY
CYLINDERS, STRAW ELEVATOR
CYLINDERS, STRAW ELEVATOR
FRAME HYDRAULICS - FOR LATERALE ONLY
FRAME HYDRAULICS - FOR LATERALE ONLY
CYLINDERS, STRAW ELEVATOR, FOR ITALY
CYLINDERS, STRAW ELEVATOR - FOR GERMANY
HYDRAULICS FOR ENGINE
HYDRAULIC PUMP, WITH LATERAL FLOTATION
HYDRAULIC LINES FOR STEERING VALVE
CYLINDER FOR UNLOADING AUGER AND LH TUBES
HYDRAULIC TUBES, FOR HYDRAULIC DRIVEN REVERSING SYSTEM AND LATERAL FLOTATION - FOR LATERALE O
HYDRAULIC TUBES, FOR HYDRAULIC DRIVEN REVERSING SYSTEM AND LATERAL FLOTATION - FOR LATERALE O
MAIN STACK VALVE, FOR HYDRAULIC DRIVEN REVERSING SYSTEM AND LATERAL FLOTATION - FOR LATERALE O
MAIN STACK VALVE, FOR HYDRAULIC DRIVEN REVERSING SYSTEM AND LATERAL FLOTATION
HYDRAULIC TUBES, FOR HYDRAULIC DRIVEN REVERSING SYSTEM AND LATERAL FLOTATION
MAIN STACK VALVE, FOR HYDRAULIC DRIVEN REVERSING SYSTEM AND LATERAL FLOTATION - NOT FOR LATERA
HYDRAULIC FOR STEERING CYLINDER, ADJUSTABLE
HYDRAULIC TANK
HYDRAULIC TANK
HYDRAULIC TANK - FOR LATERALE & HILLSIDE ONLY
HYDRAULIC TANK - FOR LATERALE & HILLSIDE ONLY
HYDRAULICS TO STRAW ELEVATOR, QUICK COUPLER
HYDROSTATIC LINES, FOR 130CC - 100CC
HYDROSTATIC LINES, FOR 130CC - 100CC
HYDROSTATIC LINES, FOR 130CC - 100CC - FOR LATERALE ONLY
HYDROSTATIC LINES, FOR 130CC - 130CC
HYDROSTATIC LINES, FOR 130CC - 130CC
HYDROSTATIC LINES, FOR 130CC - 130CC - FOR LATERALE ONLY
HYDROSTATIC MOTOR, 130CC
STEERING VALVE - FOR ADJUSTABLE STEERING AXLE
STEERING VALVE - FOR ADJUSTABLE STEERING AXLE AND ADJUSTABLE STEERING AXLE HIGH CENTER
STEERING VALVE - FOR FIXED, POWERED AND FIXED STEERING AXLE HIGH CENTER
ADDITIONAL CYLINDER, STRAW ELEVATOR
LOW PRESSURE HYDRAULICS
LOW PRESSURE HYDRAULICS
HYDRAULIC REEL DRIVE
HYDRAULIC REEL DRIVE
HYDRAULICS - FOR LATERALE ONLY
HYDRAULICS - FOR LATERALE ONLY
VALVE, HYDRAULICS - FOR LATERALE ONLY
HYDRAULICS - FOR LATERALE ONLY
HYDRAULICS - FOR LATERALE ONLY
STRAW HOOD
STRAW HOOD, PLATES FOR STRAWCHOPPER
UPPER SHIELDS, LH
LOWER SHIELDS, RH
TOOLBOX AND BATTERY SUPPORT
LOWER SHIELDS, LH
LOWER SHIELDS, LH, FOR POWERED STEERING AXLE
LOWER SHIELDS, LH - FOR LATERALE ONLY
LOWER SHIELDS, RH
LOWER SHIELDS, RH - FOR LATERALE ONLY
SIGNAL PLATES - FOR ITALY
ENGINE GUARDS AND PLATFORM LADDER
ENGINE GUARDS AND PLATFORM LADDER
ENGINE GUARDS AND PLATFORM LADDER - FOR LATERALE ONLY
ENGINE GUARDS
STRAW HOOD, CANVAS
FAN SHIELDING LHS
DEFLECTOR
SIGNAL PLATES
FRONT SIGNAL PLATES
SAFETY AND INSTRUCTION DECALS
COMMERCIAL DECALS - FOR LATERALE ONLY
SAFETY AND INSTRUCTION DECALS
SAFETY AND INSTRUCTION DECALS
SAFETY AND INSTRUCTION DECALS
DECALS: PRINTED CIRCUIT
STEERING COLUMN
STEERING COLUMN
WINDSCREEN WIPER
REAR VIEW MIRROR - FOR GERMANY
REAR VIEW MIRROR - MANUAL
REAR VIEW MIRROR - FOR REMOTE CONTROL
STANDARD SEAT
AIR SUSPENDED SEAT
CAB MOUNTING GROUP
CAB MOUNTING GROUP
CAB FRAME
RIGHT HAND CONSOLE
BUDDY SEAT
GEARSHIFT CONTROL
FIRE EXTINGUISHER
CAB ROOF LIGHTS
CAB ROOF LIGHTS, LH AND RH
CAB ROOF LIGHTS, MIDDLE
CAB ROOF LIGHTS, LH
CAB ROOF LIGHTS, RH
WARNING LIGHTS
OPERATOR'S PLATFORM LADDER
OPERATOR'S PLATFORM LADDER
OPERATOR'S PLATFORM LADDER
OPERATOR'S PLATFORM LADDER
OPERATOR'S PLATFORM LADDER
OPERATOR'S PLATFORM, RH
OPERATOR'S PLATFORM, LH
OPERATOR'S PLATFORM, EXTENSIONS
OPERATOR'S PLATFORM, EXTENSIONS
RAIL WITHOUT EXTENSION
AIR CONDITIONER UNIT: MOUNTING GROUP
AIR CONDITIONER UNIT: COMPRESSOR, DRYER
AIR CONDITIONER UNIT: MOUNTING GROUP
AIR CONDITIONER UNIT: MOUNTING GROUP
SAFETY SUPPORT
SAFETY SUPPORT
CAB FRAME
CAB FRAME
REAR PANEL
DOOR, LH
DOOR, RH
CAB ROOF, INNER
CAB ROOF, INNER
CAB ROOF, INNER
CAB ROOF, OUTER
CAB ROOF
AIR CONDITIONER
AIR CONDITIONER
HYDROSTATIC CABLE
CAB FLOOR
REAR PANEL, LOWER
SCREEN WASHER FOR FRONT WINDOW
CAB ROOF, AIR FILTER
COOLBOX
TRACTION WHEELS: 710/75R34-178A8-MEGAXBIB(10)
TRACTION WHEELS: 650/75R32-172A8(-24)5B
TRACTION WHEELS: 800/65R32 - 172A8 - DT822 (42)
TRACTION WHEELS: 1050/50R32-178A8
TRACTION WHEELS
TRACTION WHEELS: 900/60R32-176A8MXB(-115)
STEERING WHEELS: 16.0/70-20(SGI 1-3)
STEERING WHEELS: 500/70R24-164A8-AC70G (-105A)
STEERING WHEELS: 460/70R24-152A8-IT520 (-105A)
STEERING WHEELS: 460/70R24-152A8 (-10)
STEERING WHEELS: 500/70R24-164A8-AC70G (-60)
STEERING WHEELS: 14.9R24-150A8-A-356 (-95)
STEERING WHEELS: 14.9R24-150A8-A-356 (-70) - FOR LATERALE ONLY
COUNTERWEIGHTS
LOWER FRAME, FIXED SHOE
LOWER FRAME - FOR LATERALE ONLY
COUNTERWEIGHTS, SUPPORT
STRAW WALKER, FRAME
HITCH
FRAME, THRESHING - WITHOUT ROTARY SEPARATOR
FRAME, THRESHING - WITHOUT ROTARY SEPARATOR
FRAME, THRESHING - WITH ROTARY SEPARATOR
FRAME, THRESHING - WITH ROTARY SEPARATOR
PIVOTING RESTRICTIONS FOR STEERING VALVE
PIVOTING RESTRICTIONS FOR STEERING VALVE
PIVOTING RESTRICTIONS FOR STEERING VALVE - FOR LATERALE ONLY
PIVOTING RESTRICTIONS FOR STEERING VALVE
STRAW ELEVATOR, UPPER SHAFT GREASING
STRAW ELEVATOR, UPPER SHAFT DRIVE
STRAW ELEVATOR, UPPER SHAFT
CHOCK
HEADER DRIVE ENGAGING IDLER
SUSPENSION BRACES, FIXED
STRAW ELEVATOR DRIVE 3HB AND 2HB
STRAW ELEVATOR DRIVE 3HB - FOR LATERALE ONLY
STRAW ELEVATOR DRIVE 3HB AND 2HB, IDLER
LOWER SHAFT, 3HB
BALANCE FRAME STRAW ELEVATOR
PIVOTING FRAME - FOR LATERALE ONLY
FEEDER FRAME
FEEDER FRAME - FOR LATERALE ONLY
ELEVATOR CHAIN
LOWER SHAFT
STRAW ELEVATOR , SHIELDS LH
FEEDER SHIELDINGS - FOR LATERALE ONLY
FEEDER SHIELDINGS - FOR LATERALE ONLY
LOWER SHAFT, 2HB
STRAW ELEVATOR, GUIDE ROLL
ANTIWRAP SHIELDS
ANTIWRAP SHIELDS
ELEVATOR SAFETY DEVICES, GERMANY
NARROWING PLATES - STRAW ELEVATOR
BEATER
BEATER, FIXED
DRUM, STANDARD
STANDARD DRUM, SHAFT AND BEARINGS
DRUM VARIATOR
ROTARY SEPARATOR AND WEAR PLATES
CONCAVE, ROTARY SEPARATOR
BEATER SHAFT
SPRING LOADED DUSTPLATE
STONE TRAP AND COVER PLATE
ROTARY SEPARATOR DRIVE AND SHAFT
CONCAVE, ADJUSTMENT
CONCAVE, DRUM - WITHOUT ROTARY SEPARATOR
DRUM DRIVE
DE-AWNING SLATS
DRUM VARIATOR
AXLE
RAKE UNDER BEATER
MAIZE CONCAVE, DRUM
RICE DRUM 56
SPIKE TOOTH CONCAVE 56
STRAW FLOW BEATER
STRAW FLOW BEATER
CONCAVE, ELECTRICAL CONTROL
CONCAVE, ELECTRICAL CONTROL
ADDITIONAL PARTS WITHOUT STRAWFLOW BEATER
STRAW WALKERS AND COVER PLATES WITHOUT ROTARY SEPARATOR
STRAW WALKERS AND COVER PLATES WITH ROTARY SEPARATOR
SHAKER SHOE
SHAKER SHOE, SELF LEVELLING, 'SMART SIEVE'
INTERMEDIATE SHAFT
AUGER HOUSING
PERFORATED PLATE
STRAW WALKER SHAFTS BEARING
STRAW WALKER DRIVE
STRAW WALKER SHAFTS
CLEANING SHOE FAN GUARD
TAILINGS ELEVATORS, BOTTOM AUGER
INTERCHANGEABLE LOWER SIEVE, FRAME
GRAIN PAN, REMOVABLE
GRAIN PAN, REMOVABLE, 'SMART SIEVE'
GRAIN PAN, REMOVABLE
GRAIN PAN, REMOVABLE, 'SMART SIEVE'
SHAKER SHOE
SMART SIEVE
SMART SIEVE
SHAKER SHOE
SMART SIEVE
SMART SIEVE
SHAKER SHOE
SMART SIEVE
SHAKER SHOE DRIVE
SHAKER SHOE DRIVE
EXTENDED DIVIDERS
FAN VARI-DRIVE
FAN VARI-DRIVE
LOWER CLEANING SHOE
GRAIN ELEVATOR BOTTOM DRIVE
FAN, FRAME
FAN, BLOWER AND GUIDES
SIEVES
FIXED SHOE, UPPER SIEVES - HC 1 5/8"
FIXED SHOE, UPPER SIEVES - HC 1 1/8"
FIXED SHOE, UPPER SIEVES - HC 1 5/8"
FIXED SHOE, UPPER SIEVES - HC 1 1/8"
LOWER SIEVE CL 1 1/8"
GRASS SEED EQUIPMENT
GRAIN PAN, NON REMOVABLE
STRAWWALKER COVER PLATES - VERTICAL
SMART SIEVE SYSTEM
REMOTE LOWER SIEVE ADJUSTMENT
REMOTE UPPER SIEVE ADJUSTMENT
SMART SIEVE, UPPER SIEVES
GRAINTANK - SHIELDS, REAR
GRAINTANK - SHIELDS, REAR
GRAINTANK SHIELDS, LH
GRAINTANK - SHIELDS, RH
AUGERS FOR GRAIN AND TAILINGS ELEVATORS
GRAIN ELEVATOR - UPPER DRIVE
GRAIN ELEVATOR, EXTENSIONS
GRAIN ELEVATOR CHAIN
GRAIN ELEVATOR, UPPER DRIVE
UNLOADING AUGER
UNLOADING AUGER
UNLOADING AUGER
UNLOADING AUGER
UNLOADING AUGER
UNLOADING AUGER
GRAIN ELEVATOR
TAILINGS ELEVATORS
TAILINGS ELEVATORS
TAILINGS ELEVATORS, CHAIN
TAILINGS ELEVATORS
GRAINTANK
GRAINTANK
GRAINTANK
GRAINTANK EXTENSION, COVERS
GRAINTANK EXTENSION, COVERS
GRAINTANK EXTENSION, COVERS
GRAINTANK EXTENSION, COVERS
CHOPPER DRIVE, SHIELDS
CHOPPER DRIVE
CHOPPER, ROTOR
MANUAL ADJUSTABLE DEFLECTORS
SPREADER HOOD, REMOTE CONTROL
SPREADER HOOD
CHOPPER, ROTOR FRAME
SAFETY RAILING ON CHOPPER - FOR LATERALE ONLY
CHAFF SPREADER
CHAFF SPREADER
CHAFF SPREADER ROTORS
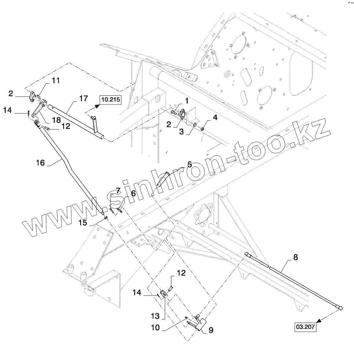
1
2
2
3
4
5
6
7
8
8
8
9
10
11
12
12
13
14
14
15
16
17
17
18
Позиция на иллюстрации
Заводской номер детали
Название детали
1
43127
BOLT
2
84433018
HOUSING
3
322358
Belleville washer
4
9706690
Nut
5
9501786
RING
6
378247
Washer
7
130011
Cotter pin
8
84433301
ROD
8
84432962
ROD
8
87539712
ROD
9
84432985
LEVER
10
323713
Lube nipple
11
86548577
PIN
12
322901
Pin
13
412417
FORK
14
130003
PIN
15
100016
Гайка
16
84433000
ROD
17
84433347
SHAFT
17
84433015
SHAFT
18
84433013
LEVER
Содержащиеся в справочниках-каталогах запасные части и детали не предлагаются к продаже, а носят исключительно информационный характер
Дополнительная информация
×
Название:
Номер:
Примечание: