Каталог запасных частей к технике: Навигатор-Новое машиностроение R12 SUPER. КОРПУС R12
1
2
3
4
5
6
7
7
8
8
9
12
13
14
15
16
17
18
19
20
20
21
21
22
22
23
23
24
25
26
27
28
29
30
31
32
33
34
35
36
37
38
39
43
46
47
48
60
61
63
64
65
66
69
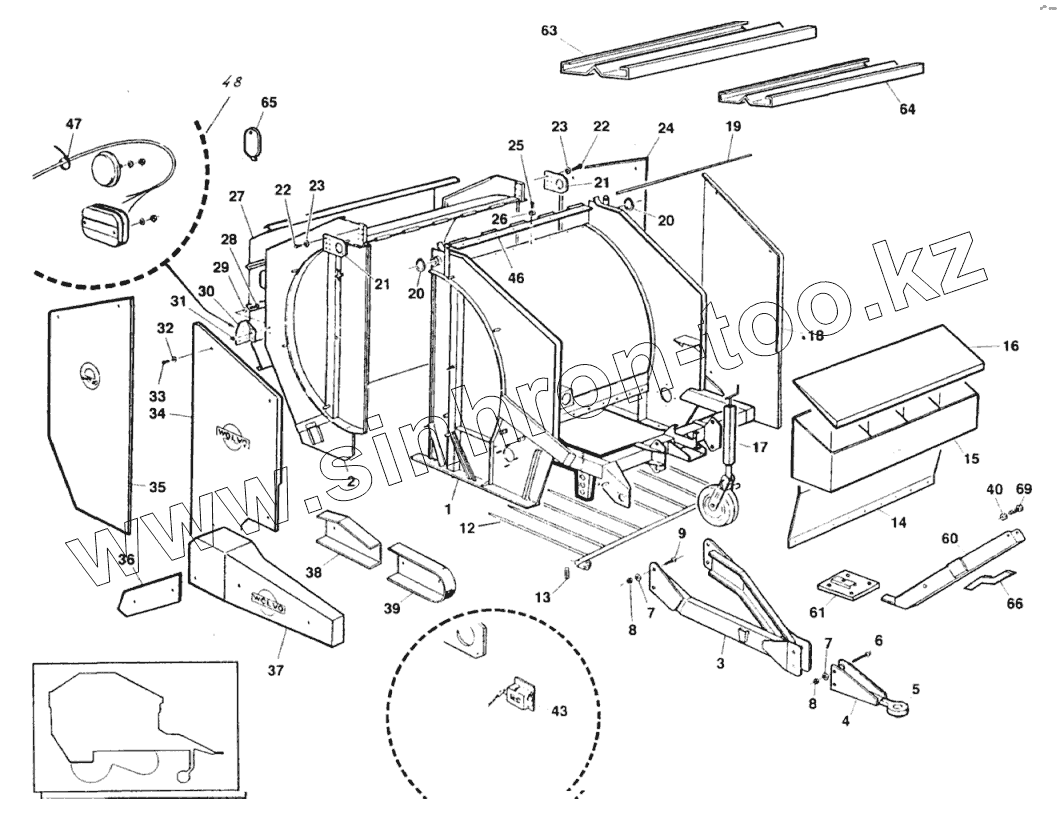
| Позиция на иллюстрации | Заводской номер детали | Название детали | |
|---|---|---|---|
| 1 | R26001 | Передняя часть корпуса | |
| 2 | R26002 | Задняя часть корпуса | |
| 3 | R23025 | Тяговая сцепка | |
| 4 | R23030 | Крепление буксирной серьги | |
| 5 | 450150 | Буксирная серьга | |
| 6 | 01E540 | Болт | |
| 7 | 02G200 | Шайба | |
| 8 | 02O056 | Гайка | |
| 9 | 01E515 | Болт | |
| 12 | R23038 | Грабли | |
| 13 | 12O020 | Рабочий шплинт | |
| 14 | 201100 | Соединительная пластина | |
| 15 | R23100 | Кассета для шпагатных бобин | |
| 16 | 201090 | Крышка кассеты | |
| 17 | 15S100 | Регулируемое опорное колесо | |
| 18 | 201020 | Правый передний ограничитель | |
| 19 | 221007 | Верхняя шарнирная ось | |
| 20 | 03E110 | Кольцо стопорное | |
| 21 | 201019 | Петля наружная | |
| 22 | 01E301 | Болт | |
| 23 | 02G012 | Шайба Гровера O12 | |
| 24 | 201048 | Правый задний ограничитель | |
| 25 | 01Q020 | Болт | |
| 26 | 02B025 | Гайка М8 | |
| 27 | 201050 | Задняя крышка | |
| 28 | 01E107 | Болт М8х16 | |
| 29 | 02R010 | Шайба 08 | |
| 30 | 201057 | Крепление фонаря | |
| 31 | 02B025 | Гайка М8 | |
| 32 | 02R016 | Шайба 1021 | |
| 33 | 01E210 | Болт М10х16 | |
| 34 | 201021 | Левый передний ограничитель | |
| 35 | 201049 | Левый задний ограничитель | |
| 36 | 201066 | Кожух цепи тележки | |
| 37 | 201065 | Кожух приводной цепи | |
| 38 | 201117 | Картер укладочной цепи | |
| 39 | 201116 | Картер подборочной цепи CR406 | |
| 43 | 450100 | Счетчик | |
| 46 | R23015 | Шарнирная петля в сборе | |
| 47 | 380020 | Хомут пластмассовый | |
| 48 | 380030 | Система освещения | |
| 60 | R23022 | Держатель | |
| 61 | R23032 | Соединительная пластина редуктора | |
| 63 | 201102 | Большая крышка | |
| 64 | 201227 | Малая крышка | |
| 65 | 201071 | Заслонка отверстия | |
| 66 | 201048 | Правый задний ограничитель | |
| 69 | 01E124 | Болт |
Содержащиеся в справочниках-каталогах запасные части и детали не предлагаются к продаже, а носят исключительно информационный характер