Вернуться на главную
Поиск
Каталоги запчастей к технике
Сельхозтехника
МТЗ
МТЗ-920.4/952.4
Установка фонарей задних
Каталог запасных частей к технике: МТЗ-920.4/952.4. Установка фонарей задних
zoom-in
zoom-out
enlarge
shrink
circle-right
circle-left
file-text2
info
cart
Тип техники
Не выбрано
Легковые автомобили
Грузовые автомобили и прицепы
Автобусы
Сельхозтехника
Спецтехника
Двигатели
Мототехника
Марка
Не выбрано
AGCO
Amity
CASE IH
DongFeng
Fortschritt
Foton
Franz Kleine
Gaspardo
Great Plains
KRONE
KUHN
Lemken
Lovol
MacDon
Massey Ferguson
New Holland
TIGARBO
Vaderstad
Versatile
Wirax
Агро
Агротехмаш
Бобруйскагромаш (ОАО «УКХ «Бобруйскагромаш»)
БЭМЗ
ВгТЗ
Воронежсельмаш
ВТЗ
Гомсельмаш
ДКЗ
ЗАО "Техника-сервис"
ЗиД
КЗК
Кировец-Ландтехник
Клевер
Красная Звезда
Лидагропроммаш
Лидсельмаш
ЛТЗ
Машстройхолдинг
Минитракторы
Мордовагромаш
МТЗ
Навигатор-Новое машиностроение
Нефтекамский автозавод
ПТЗ
Ремком
РСМ
Сибсельмаш
ТеКЗ
ТКЗ
ХЗТСШ
ХТЗ
ЮМЗ
Модель
Не выбрано
1025.5 (2013)
1025/1025.2/1025.3 (2009)
1220 (2011)
1220.5 (2013)
1523.5 (2013)
1523.5 с ГМТ (2014)
2122.3/2122.4 (2015)
3022ДЦ.1 (2011)
320.4М (2019)
622 (2012)
800/900 (2003)
80Х (2012)
892 (2011)
922.3 / 922.4 (2013)
922.5 (2013)
923.4 (2014)
923.5 (2013)
92П (2010)
952.5 (2013)
БЕЛАРУС 1025.7 (2022)
БЕЛАРУС 1220.7 (2022)
БЕЛАРУС 1221.7 (2022)
БЕЛАРУС 2103 (2015)
БЕЛАРУС 320 (1998)
БЕЛАРУС 3522.5 (2013)
БЕЛАРУС 3525 (2019)
БЕЛАРУС 421 (2014)
БЕЛАРУС 451 (2023)
БЕЛАРУС 651 (2023)
БЕЛАРУС 923.7 (2022)
БЕЛАРУС 952.7 (2022)
Беларус-08Н (09Н) (2015)
Беларус-422.1 (2018)
КБ-00.000 (САЗ) (2015)
КМ-2 (САЗ) (2015)
МТЗ-082
МТЗ-100
МТЗ-1005 (2008)
МТЗ-1021.3 (2010)
МТЗ-1025.4 (2009)
МТЗ-112Н, 132Н (2010)
МТЗ-1221 (1997)
МТЗ-1221 (2009) (2009)
МТЗ-1221.4 (2009)
МТЗ-1221.4 (2009)
МТЗ-1221.5 (2013)
МТЗ-1222/1523 (2009)
МТЗ-1522 (2008)
МТЗ-1523
МТЗ-1523 (2013)
МТЗ-1523 (2008) (2008)
МТЗ-1523.4 (2010)
МТЗ-1523.6 (2018)
МТЗ-2022 (2010)
МТЗ-2103 (2010)
МТЗ-2522 (2010)
МТЗ-310, 320, 321 (2011)
МТЗ-3522 (2011)
МТЗ-510/512, 520/522 (2010)
МТЗ-570 (2010)
МТЗ-80 (1998)
МТЗ-80 (2002) (2002)
МТЗ-80 (2009) (2009)
МТЗ-80.1 (2015)
МТЗ-821/921 (2009)
МТЗ-822 (2008)
МТЗ-826 (2010)
МТЗ-90/92 (2008)
МТЗ-900
МТЗ-900/920/950/952 (2009)
МТЗ-920.4/952.4 (2009)
МТЗ-922 (2008)
МТЗ-923 (2008)
ФР-00.010 (САЗ) (2015)
ФР-00700-Б (САЗ) (2015)
Схема
>
Не выбрано
Кабина трактора. Крылья задние
Крыша
Крыша
Пол кабины
Двери кабины
Сиденье оператора
Сиденье оператора
Подвеска сиденья
Сиденье дополнительное
Установка кондиционера
Установка компрессора
Отопитель (по заказу)
Зеркало заднего вида внутреннее
Зеркало заднего вида боковое
Козырек противосолнечный
Облицовка
Облицовка
Облицовка
Крылья передние (для ПВМ 822-2300020-02)
Крылья передние (для ПВМ 822-2300020-04 с короткими рукавами)
Подножка
Управление БД и ВОМ
Управление двигателем «DEUTZ»
Бак топливный
Управление подачей топлива
Управление подачей топлива
Установка воздузоочистителя
Глушитель
Блок охлаждения
Ограждение вентилятора
Установка охладителя
Установка сцепления
Корпус сцепления
Корпус сцепления. Отводка
Корпус сцепления (привод ВОМ, привод насоса гидросистемы навески)
Корпус сцепления. Привод ВОМ
Управление сцеплением
Механический понижающий редуктор
Синхронизированный понижающий редуктор
Управлением редуктором
Варианты исполнения КП
Корпус КП. Привод ПВМ.
Вал первичный и вал вторичный механической КП
Первичный вал синхронизированной КП
Вторичный вал синхронизированной КП
Вал 1 -ой передачи и передачи заднего хода
Вал промежуточный. Вал внутренний
Механизм управления механической КП. Корпус вилок.
Механизм управления синхронизированной КП. Корпус вилок.
Механизм правого однорычажного управления КП.
Механизм 2-х рычажного управления КП
Раздаточная коробка
Управление раздаточной коробкой
Карданный вал. Промежуточная опора карданного вала
Ограждение карданного привода
Передний ведущий мост 822-2300020
Главная передача переднего ведущего моста переднего ведущего моста
Дифференциал
Редуктор конечной передачи переднего ведущего моста
Корпус заднего моста. Конечная передача
Дифференциал. Стакан подшипников
Механизм блокировки дифференциала
Механизм блокировки дифференциала «мокрого» типа
Брус передний
Устройство буксирное
Крюк прицепной К1220-2807010-А
Крюк прицепной К1220-2807010-А
Тяга рулевая
Колеса передние ведущие
Колеса передние ведущие
Колеса задние
Колонка рулевая
Управление рулевое 920ДЦ-3400010
Управление рулевое 920ДЦ-3400010
Гидроцилиндр Ц63 (63x30-200)
Маслобак
Тормоза. Управление тормозами (сухого трения)
Тормоза (вариант исполнения)
Тормоза «мокрые» (левый/правый)
Тормоза. Управление «мокрыми» тормозами
Тормоз стояночно-запасной. Управление стояночно-запасным тормозом
Тормоз стояночно-запасной. Управление стояночно-запасным тормозом (для «мокрых» тормозов)
Пневмопривод
Баллон
Кран тормозной
Головка соединительная
Головка соединительная
Установка фар дорожных
Электрооборудование двигателя
Электрооборудование трансмиссии
Электрооборудование кабины
Установка маяка сигнального
Установка фонарей задних
Установка батарей аккумуляторных
Электрооборудование отопителя
Установка кондиционера
Установка фар рабочих
Установка фонарей передних
Стеклоомыватели
Стеклоочистители
Щиток приборов
Щиток приборов
Щиток приборов
Тягово-сцепное устройство
Тягово-сцепное устройство (варианты комплектации)
Вал отбора мощности задний
Вал отбора мощности задний
Вал отбора мощности боковой
Управление задним валом отбора мощности
Балласт
Привод насоса
Механизм задней навески
Стяжка телескопическая
Гидроагрегаты и арматура
Гидроагрегаты и арматура
Гидроагрегаты и арматура
Гидроагрегаты и арматура
Управление гидрораспределителем RS 213 Mita, RS 213 Belarus, РП70
Корпус гидросистемы и фильтр
Муфта быстросоединяемая
Гидрораспределитель
Цилиндр гидроподъемника
Распределитель гидроподъемника
Управление гидроподъемником
Гидроподъемник
Инструмент оператора
Аптечка
Ящик инструментальный
80-3700060-В-05
1
1
2
2
2
2
3
4
5
5
6
6
7
7
8
9
10
11
12
13
14
14
14
14
15
16
17
18
19
20
21
22
22
23
23
23
24
25
26
27
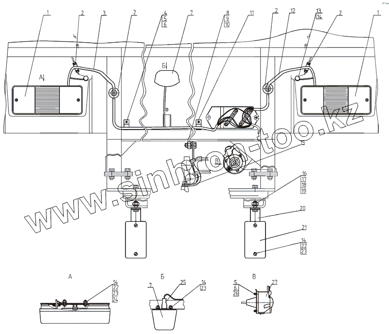
Позиция на иллюстрации
Заводской номер детали
Название детали
80-3700060-В-05
80-3700060-В-05
Установка фонарей задних
1
3716.10
Фонарь задний
2
70-3723042-02
Втулка
3
920-3724163
Жгут
4
B.M5-6gx12.58.019
Винт
5
M5-6H.6.019
Гайка
6
5Т
Шайба
7
3717.10
Фонарь освещения номерного знака
8
M12-6gx25.88.35.019
Болт
9
М12-6Н.6.019
Гайка
10
12ОТ
Шайба ОСТ 37.001.115-75
11
80-3723043
Скоба
12
920-3724162
Жгут
13
М6-6gx16.88.35.019
Болт
14
6Т
Шайба
15
80-3724112
Перемычка массы
16
М10-6gx25.88.35.019
Болт
17
М10-6Н.6.019
Гайка
18
С10.01.019
Шайба
19
10ОТ
Шайба ОСТ 37.001.115-75
20
Ф50-3731011
Кронштейн
21
3731.10
Световозвращатель
22
В.М6-6gx18.58.019
Винт
23
М6-6Н.6.019
Гайка
24
С6.01.019
Шайба
25
70-3723035
Наконечник
26
В.М5-6gx35.58.019
Винт
27
3723.10
Розетка прицепа
Содержащиеся в справочниках-каталогах запасные части и детали не предлагаются к продаже, а носят исключительно информационный характер
Дополнительная информация
×
Название:
Номер:
Примечание: