Каталог запасных частей к технике: МТЗ-920.4/952.4. Щиток приборов
6
7
7
8
8
8
8
8
8
8
8
9
9
9
9
9
9
10
10
10
10
10
10
10
10
11
12
18
24
25
25
29
30
31
31
31
31
31
31
32
33
33
33
34
35
36
36
37
38
39
39
40
40
41
42
43
43
44
45
46
47
48
49
50
51
51
52
53
54
55
| Позиция на иллюстрации | Заводской номер детали | Название детали | |
|---|---|---|---|
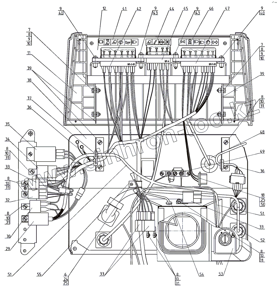
| 6 | 80-3805030 | Кронштейн | |
| 7 | M6-6gx16.88.35.019 | Болт | |
| 8 | M6-6H.6.019 | Гайка | |
| 9 | С6.01.019 | Шайба | |
| 10 | 6Т | Шайба | |
| 11 | 826-3805045 | Стенка | |
| 12 | 826-3805061 | Крышка | |
| 18 | 5Т | Шайба | |
| 24 | В.М5-6gx16.58.019 | Винт | |
| 25 | М5-6Н.6.019 | Гайка ГОСТ 5915-70 | |
| 29 | 3741.10 | Блок свечей накаливания | |
| 30 | 3747.25 | Реле стартера | |
| 31 | В.М6-6gx12.58.019 | Винт | |
| 32 | 3747.40 | Реле на размыкание | |
| 33 | 3747.50 | Реле на замыкание | |
| 34 | 3747.30 | Реле питания приборов | |
| 35 | 3747.10 | Прерыватель указателей поворота | |
| 36 | 70-3723042-02 | Втулка | |
| 37 | 70-3723042-01 | Втулка | |
| 38 | 80-3805050-03 | Основание | |
| 39 | 80-3805043 | Кронштейн | |
| 40 | В.М6-6gx25.58.019 | Винт | |
| 41 | 80-3805027-В | Табличка | |
| 42 | 3722.10 | Блок предохранителей | |
| 43 | В.М6-6gx40.58.019 | Винт | |
| 44 | 80-3805037-Г | Табличка | |
| 45 | 3722.15 | Блок предохранителей | |
| 46 | 80-3805026 | Табличка | |
| 47 | 3722.35 | Блок предохранителей | |
| 48 | 80-3723048 | Втулка | |
| 49 | 3741.30 | Сопротивление добавочное | |
| 50 | В.М5-6gx20.58.019 | Винт | |
| 51 | 826-3724530 | Жгут | |
| 52 | 826.4-3724395-Б | Жгут | |
| 53 | 826-3805013-01 | Табличка | |
| 54 | 50-4607064 | Втулка | |
| 55 | 80-3723043 | Скоба |
Содержащиеся в справочниках-каталогах запасные части и детали не предлагаются к продаже, а носят исключительно информационный характер