Каталог запасных частей к технике: МТЗ-920.4/952.4. Механизм задней навески
1
2
2
2
2
2
3
3
3
4
4
4
4
5
5
5
5
6
7
8
9
10
11
11
12
13
13
13
13
13
13
14
15
15
16
16
16
17
17
18
19
20
21
22
23
24
25
26
27
28
29
30
31
32
33
33
34
34
34
34
35
35
35
36
36
37
37
38
38
39
39
40
41
41
42
42
43
44
45
46
47
48
49
50
51
52
53
53
54
55
56
57
58
59
60
60
61
62
63
64
65
66
67
68
69
70
71
72
73
74
75
75
76
77
78
79
80
81
82
83
84
85
86
87
87
87
87
88
89
90
91
92
92
92
92
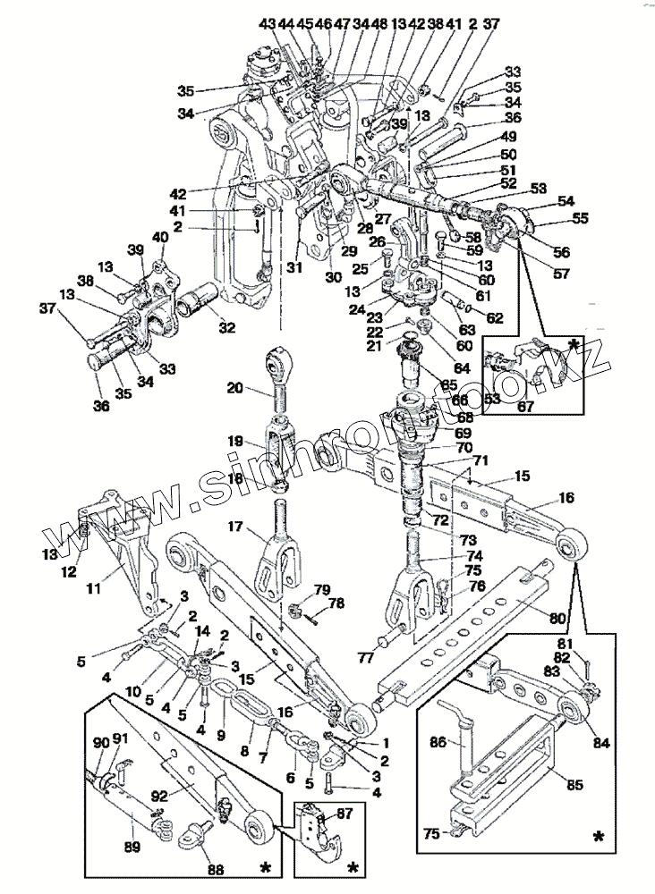
| Позиция на иллюстрации | Заводской номер детали | Название детали | |
|---|---|---|---|
| 822-4605010 | 822-4605010 | Устройство навесное | |
| А61.03.000 | А61.03.000 | Тяга в сборе | |
| А61.03.000-01 | А61.03.000-01 | Тяга верхняя | |
| 80-4605690 | 80-4605690 | Тяга верхняя | |
| 1220-4605150-Б-01 | 1220-4605150-Б-01 | Раскос регулируемый | |
| 1220-4605610-01 | 1220-4605610-01 | Раскос регулируемый | |
| 1220-4605012-Б | 1220-4605012-Б | Раскос винтовой | |
| 1220-4605612-01 | 1220-4605612-01 | Раскос винтовой | |
| 1220-4605030-Б-02 | 1220-4605030-Б-02 | Тяга L=38 мм | |
| 1220-4605030-Б-04 | 1220-4605030-Б-04 | Тяга L=45 мм | |
| 1220-4605580 | 1220-4605580 | Стяжка | |
| 822-4605085 | 822-4605085 | Поперечина | |
| 80-4605280 | 80-4605280 | Стяжка телескопическая | |
| А61.03.001-01 | А61.03.001-01 | Палец диаметр 25 мм | |
| А61.02.100-05 | А61.02.100-05 | Винт диаметр 25 | |
| 1220-4605615 | 1220-4605615 | Вилка | |
| 1220-4605084-01 | 1220-4605084-01 | Палец | |
| 1 | 1220-4605108-01 | Проушина | |
| 2 | 3,2x25.019 | Шплинт | |
| 3 | М12-6Н.04.019 | Гайка | |
| 4 | 50-4605086 | Болт серьги | |
| 5 | А61.09.002 | Серьга | |
| 6 | 1220-4605058 | Винт | |
| 7 | М20-6Н.04.019 | Гайка | |
| 8 | А61.04.003-01 | Стяжка | |
| 9 | 1220-4605058-01 | Винт | |
| 10 | 40-4605098 | Кольцо | |
| 11 | 80-4605091 | Кронштейн левый | |
| 11 | 80-4605091-01 | Кронштейн левый | |
| 12 | М16х1,5-61-1.6.019 | Гайка | |
| 13 | 16ОТ | Шайба ОСТ 37.001.115-75 | |
| 14 | Н50-4605060 | Цепочка с кольцом | |
| 15 | 1220-4605050-Б-01 | Тяга | |
| 16 | 1220-4605040 | Тяга | |
| 16 | 1220-4605040-02 | Тяга | |
| 17 | 1220-4605200-Б | Вилка | |
| 17 | 1220-4605620-Б | Вилка | |
| 18 | 142-4605424 | Контргайка | |
| 19 | 142-4605422 | Стяжка | |
| 20 | 1220-4605075 | Винт | |
| 21 | 142-4605403 | Ограничитель | |
| 22 | А61.01.005 | Заклепка | |
| 23 | 142-4605421 | Прокладка | |
| 24 | 142-4605418-Б | Крышка | |
| 25 | 142-4605408 | Болт | |
| 26 | 1220-4605668-Б | Серьга | |
| 27 | 1220-4605501 | Кронштейн правый | |
| 28 | А61.02.100-03 | Винт | |
| 29 | А61.05.005 | Чека | |
| 30 | А61.05.004 | Кольцо | |
| 31 | А61.10.001-02 | Палец | |
| 32 | 1220-4605502 | Втулка | |
| 33 | 1220-4605504 | Пластина | |
| 34 | 12ОТ | Шайба ОСТ 37.001.115-75 | |
| 35 | M12-6gx25.88.35.019 | Болт | |
| 36 | 1220-4605503 | Палец | |
| 37 | 70-2800016-01 | Болт | |
| 38 | 1220-4605506 | Болт | |
| 39 | 1220-4605507 | Штифт | |
| 40 | 1220-4605501-01 | Кронштейн левый | |
| 41 | М20х1,5-61-1.04.019 | Гайка | |
| 42 | 142-4605076 | Палец | |
| 43 | 1220-4605675 | Кронштейн | |
| 44 | 50-4605069 | Втулка | |
| 45 | M12-6gx35.88.35.019 | Болт | |
| 46 | С12.01.019 | Шайба | |
| 47 | А61.07.002 | Пружина | |
| 48 | М12-6Н.6.019 | Гайка | |
| 49 | А61.01.016 | Ось | |
| 50 | А.61.01.600 | Вал | |
| 51 | А61.01.400 | Вилка | |
| 52 | А61.03.100 | Труба | |
| 53 | А61.02.003 | Контргайка | |
| 54 | А61.03.001-02 | Палец | |
| 55 | А61.03.002 | Кольцо | |
| 56 | А61.02.100-04 | Винт | |
| 57 | А61.05.100 | Чека 9 звеньев | |
| 58 | А61.01.014 | Рукоятка | |
| 59 | M16-6gx40.88.35.019 | Болт | |
| 60 | А61.01.017 | Втулка | |
| 61 | 016-021-30-2-4 | Кольцо | |
| 62 | 142-4605431 | Кольцо | |
| 63 | 142-4605404-Б | Палец | |
| 64 | 142-4605413 | Шестерня | |
| 65 | 142-4605425 | Труба | |
| 66 | 8210 | Подшипник | |
| 67 | 80-4605685 | Захват | |
| 68 | 1.3.Ц9.хр | Масленка | |
| 69 | 142-4605415 | Корпус | |
| 70 | 142-4605402 | Втулка | |
| 71 | 142-4605407 | Труба | |
| 72 | 142-4605406 | Колпак | |
| 73 | 142-4605401 | Ограждение | |
| 74 | 1220-4605100-Б | Вилка | |
| 75 | А61.07.001 | Шплинт | |
| 76 | 50-3503071 | Шайба | |
| 77 | 1220-4605084 | Палец | |
| 78 | 5x36.019 | Шплинт | |
| 79 | 70-4605316 | Гайка упорная | |
| 80 | 1220-4605025 | Поперечина | |
| 81 | 5x45.019 | Шплинт | |
| 82 | А04.02.020 | Гайка | |
| 83 | 80-4605068 | Шайба | |
| 84 | 822-4605060 | Наконечник | |
| 85 | 822-4605065 | Поперечина | |
| 86 | 822-4605070 | Шкворень | |
| 87 | 1220-4605630-04 | Тяга правая без цепочки | |
| 87 | 1220-4605630-05 | Тяга правая с цепочкой | |
| 87 | 1220-4605635-04 | Тяга левая без цепочки | |
| 87 | 1220-4605635-05 | Тяга левая с цепочкой | |
| 88 | 1220-4605108 | Проушина | |
| 89 | 80-4605285-Б | Труба | |
| 90 | 80-4605284 | Винт | |
| 91 | 80-4605292 | Защелка | |
| 92 | 1220-4605530-04 | Тяга без цепочки | |
| 92 | 1220-4605530-05 | Тяга с цепочкой | |
| 92 | 1220-4605530-06 | Тяга без цепочки | |
| 92 | 1220-4605530-07 | Тяга с цепочкой |
Содержащиеся в справочниках-каталогах запасные части и детали не предлагаются к продаже, а носят исключительно информационный характер