Каталог запасных частей к технике: МТЗ-920.4/952.4. Гидроагрегаты и арматура
1
2
3
4
4
4
5
6
6
7
7
7
7
7
7
7
7
8
9
10
11
11
11
11
12
12
13
13
13
14
14
14
15
16
17
18
19
19
20
21
22
23
23
24
24
25
25
26
27
27
28
28
29
30
31
32
32
32
33
34
34
34
34
34
34
35
35
36
36
37
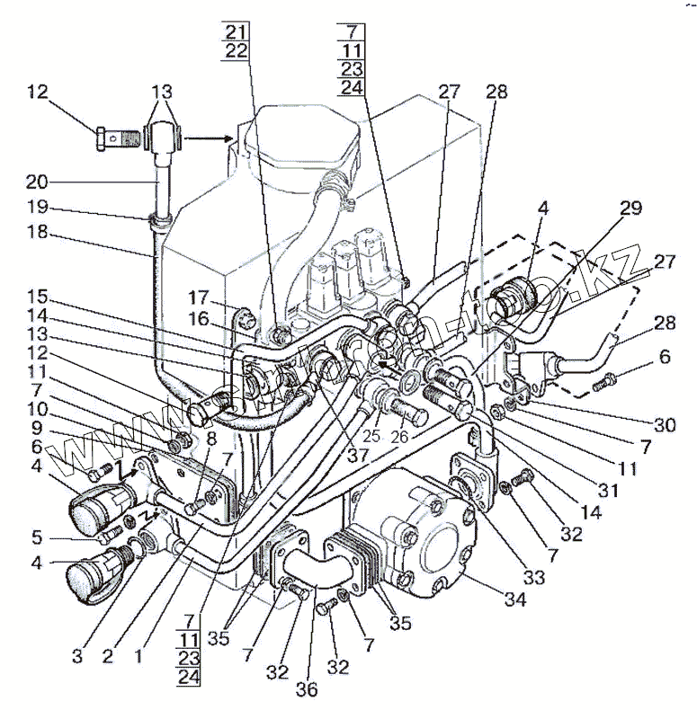
| Позиция на иллюстрации | Заводской номер детали | Название детали | |
|---|---|---|---|
| 1021-4600015 | 1021-4600015 | Корпус гидросистемы | |
| 1 | С80-4607130 | Труба | |
| 2 | С80-4607120 | Труба | |
| 3 | 017-022-30-1-4 | Кольцо | |
| 4 | М036.506.10 | Корпус левый | |
| 5 | M8-6gx35.88.35.019 | Болт | |
| 6 | M8-6gx30.88.35.019 | Болт | |
| 7 | 8ТOCT37.001.115-75 | Шайба | |
| 8 | M8-6gx20.88.35.019 | Болт | |
| 9 | 80-4608019-01 | Крышка | |
| 10 | 70-4608033-01 | Прокладка | |
| 11 | М8-6Н.6.019 | Гайка | |
| 12 | 40-4607037 | Болт | |
| 13 | 40-4607033-А-01 | Шайба | |
| 13 | РМ24 | Шайба | |
| 14 | С80-4607075-Б | Труба | |
| 14 | С80-4607075-Г | Труба | |
| 15 | С80-4607165 | Труба | |
| 16 | С80-4607030 | Кронштейн | |
| 17 | 50-4607032-Б | Кронштейн | |
| 18 | С80-4607063 | Шланг | |
| 19 | ХС-21 | Хомут | |
| 19 | НОРМАTORRO16-25/9-C6W | Хомут | |
| 20 | С80-4607375 | Труба | |
| 21 | M10-6gx20.88.35.019 | Болт | |
| 22 | 10ОТ | Шайба ОСТ 37.001.115-75 | |
| 23 | M8-6gx65.88.35.019 | Болт | |
| 24 | С8.01.019 | Шайба | |
| 25 | 40-4607038А-01 | Шайба | |
| 25 | РМ1/2 | Шайба | |
| 26 | 40-4607032 | Болт | |
| 27 | С80-4607110 | Труба | |
| 28 | 1021-4607115 | Труба | |
| 29 | С80-4607175 | Труба | |
| 30 | 80В-1108570 | Кронштейн | |
| 31 | 50-4607031 | Болт | |
| 32 | M8-6gx25.88.35.019 | Болт | |
| 33 | 035-040-30-1-4 | Кольцо | |
| 34 | НШ32А-3 | Насос шестеренный | |
| 34 | НШ32М-3 | Насос | |
| 34 | НШ32МА-3 | Насос | |
| 34 | НШ32УКФ-3 | Насос шестеренный | |
| 34 | НШ32Д-3 | Насос шестеренный | |
| 34 | НШ32УВ-3 | Насос | |
| 35 | 50-4607097-01 | Прокладка | |
| 36 | 70-4607096-А | Патрубок | |
| 36 | 50-4607096-А | Патрубок | |
| 37 | С80-4607380 | Труба |
Содержащиеся в справочниках-каталогах запасные части и детали не предлагаются к продаже, а носят исключительно информационный характер