Вернуться на главную
Поиск
Каталоги запчастей к технике
Сельхозтехника
МТЗ
МТЗ-920.4/952.4
Электрооборудование трансмиссии
Каталог запасных частей к технике: МТЗ-920.4/952.4. Электрооборудование трансмиссии
zoom-in
zoom-out
enlarge
shrink
circle-right
circle-left
file-text2
info
cart
Тип техники
Не выбрано
Легковые автомобили
Грузовые автомобили и прицепы
Автобусы
Сельхозтехника
Спецтехника
Двигатели
Мототехника
Марка
Не выбрано
AGCO
Amity
CASE IH
DongFeng
Fortschritt
Foton
Franz Kleine
Gaspardo
Great Plains
KRONE
KUHN
Lemken
Lovol
MacDon
Massey Ferguson
New Holland
TIGARBO
Vaderstad
Versatile
Wirax
Агро
Агротехмаш
Бобруйскагромаш (ОАО «УКХ «Бобруйскагромаш»)
БЭМЗ
ВгТЗ
Воронежсельмаш
ВТЗ
Гомсельмаш
ДКЗ
ЗАО "Техника-сервис"
ЗиД
КЗК
Кировец-Ландтехник
Клевер
Красная Звезда
Лидагропроммаш
Лидсельмаш
ЛТЗ
Машстройхолдинг
Минитракторы
Мордовагромаш
МТЗ
Навигатор-Новое машиностроение
Нефтекамский автозавод
ПТЗ
Ремком
РСМ
Сибсельмаш
ТеКЗ
ТКЗ
ХЗТСШ
ХТЗ
ЮМЗ
Модель
Не выбрано
1025.5 (2013)
1025/1025.2/1025.3 (2009)
1220 (2011)
1220.5 (2013)
1523.5 (2013)
1523.5 с ГМТ (2014)
2122.3/2122.4 (2015)
3022ДЦ.1 (2011)
320.4М (2019)
622 (2012)
800/900 (2003)
80Х (2012)
892 (2011)
922.3 / 922.4 (2013)
922.5 (2013)
923.4 (2014)
923.5 (2013)
92П (2010)
952.5 (2013)
БЕЛАРУС 1025.7 (2022)
БЕЛАРУС 1220.7 (2022)
БЕЛАРУС 1221.7 (2022)
БЕЛАРУС 2103 (2015)
БЕЛАРУС 320 (1998)
БЕЛАРУС 3522.5 (2013)
БЕЛАРУС 3525 (2019)
БЕЛАРУС 421 (2014)
БЕЛАРУС 451 (2023)
БЕЛАРУС 651 (2023)
БЕЛАРУС 923.7 (2022)
БЕЛАРУС 952.7 (2022)
Беларус-08Н (09Н) (2015)
Беларус-422.1 (2018)
КБ-00.000 (САЗ) (2015)
КМ-2 (САЗ) (2015)
МТЗ-082
МТЗ-100
МТЗ-1005 (2008)
МТЗ-1021.3 (2010)
МТЗ-1025.4 (2009)
МТЗ-112Н, 132Н (2010)
МТЗ-1221 (1997)
МТЗ-1221 (2009) (2009)
МТЗ-1221.4 (2009)
МТЗ-1221.4 (2009)
МТЗ-1221.5 (2013)
МТЗ-1222/1523 (2009)
МТЗ-1522 (2008)
МТЗ-1523
МТЗ-1523 (2013)
МТЗ-1523 (2008) (2008)
МТЗ-1523.4 (2010)
МТЗ-1523.6 (2018)
МТЗ-2022 (2010)
МТЗ-2103 (2010)
МТЗ-2522 (2010)
МТЗ-310, 320, 321 (2011)
МТЗ-3522 (2011)
МТЗ-510/512, 520/522 (2010)
МТЗ-570 (2010)
МТЗ-80 (1998)
МТЗ-80 (2002) (2002)
МТЗ-80 (2009) (2009)
МТЗ-80.1 (2015)
МТЗ-821/921 (2009)
МТЗ-822 (2008)
МТЗ-826 (2010)
МТЗ-90/92 (2008)
МТЗ-900
МТЗ-900/920/950/952 (2009)
МТЗ-920.4/952.4 (2009)
МТЗ-922 (2008)
МТЗ-923 (2008)
ФР-00.010 (САЗ) (2015)
ФР-00700-Б (САЗ) (2015)
Схема
>
Не выбрано
Кабина трактора. Крылья задние
Крыша
Крыша
Пол кабины
Двери кабины
Сиденье оператора
Сиденье оператора
Подвеска сиденья
Сиденье дополнительное
Установка кондиционера
Установка компрессора
Отопитель (по заказу)
Зеркало заднего вида внутреннее
Зеркало заднего вида боковое
Козырек противосолнечный
Облицовка
Облицовка
Облицовка
Крылья передние (для ПВМ 822-2300020-02)
Крылья передние (для ПВМ 822-2300020-04 с короткими рукавами)
Подножка
Управление БД и ВОМ
Управление двигателем «DEUTZ»
Бак топливный
Управление подачей топлива
Управление подачей топлива
Установка воздузоочистителя
Глушитель
Блок охлаждения
Ограждение вентилятора
Установка охладителя
Установка сцепления
Корпус сцепления
Корпус сцепления. Отводка
Корпус сцепления (привод ВОМ, привод насоса гидросистемы навески)
Корпус сцепления. Привод ВОМ
Управление сцеплением
Механический понижающий редуктор
Синхронизированный понижающий редуктор
Управлением редуктором
Варианты исполнения КП
Корпус КП. Привод ПВМ.
Вал первичный и вал вторичный механической КП
Первичный вал синхронизированной КП
Вторичный вал синхронизированной КП
Вал 1 -ой передачи и передачи заднего хода
Вал промежуточный. Вал внутренний
Механизм управления механической КП. Корпус вилок.
Механизм управления синхронизированной КП. Корпус вилок.
Механизм правого однорычажного управления КП.
Механизм 2-х рычажного управления КП
Раздаточная коробка
Управление раздаточной коробкой
Карданный вал. Промежуточная опора карданного вала
Ограждение карданного привода
Передний ведущий мост 822-2300020
Главная передача переднего ведущего моста переднего ведущего моста
Дифференциал
Редуктор конечной передачи переднего ведущего моста
Корпус заднего моста. Конечная передача
Дифференциал. Стакан подшипников
Механизм блокировки дифференциала
Механизм блокировки дифференциала «мокрого» типа
Брус передний
Устройство буксирное
Крюк прицепной К1220-2807010-А
Крюк прицепной К1220-2807010-А
Тяга рулевая
Колеса передние ведущие
Колеса передние ведущие
Колеса задние
Колонка рулевая
Управление рулевое 920ДЦ-3400010
Управление рулевое 920ДЦ-3400010
Гидроцилиндр Ц63 (63x30-200)
Маслобак
Тормоза. Управление тормозами (сухого трения)
Тормоза (вариант исполнения)
Тормоза «мокрые» (левый/правый)
Тормоза. Управление «мокрыми» тормозами
Тормоз стояночно-запасной. Управление стояночно-запасным тормозом
Тормоз стояночно-запасной. Управление стояночно-запасным тормозом (для «мокрых» тормозов)
Пневмопривод
Баллон
Кран тормозной
Головка соединительная
Головка соединительная
Установка фар дорожных
Электрооборудование двигателя
Электрооборудование трансмиссии
Электрооборудование кабины
Установка маяка сигнального
Установка фонарей задних
Установка батарей аккумуляторных
Электрооборудование отопителя
Установка кондиционера
Установка фар рабочих
Установка фонарей передних
Стеклоомыватели
Стеклоочистители
Щиток приборов
Щиток приборов
Щиток приборов
Тягово-сцепное устройство
Тягово-сцепное устройство (варианты комплектации)
Вал отбора мощности задний
Вал отбора мощности задний
Вал отбора мощности боковой
Управление задним валом отбора мощности
Балласт
Привод насоса
Механизм задней навески
Стяжка телескопическая
Гидроагрегаты и арматура
Гидроагрегаты и арматура
Гидроагрегаты и арматура
Гидроагрегаты и арматура
Управление гидрораспределителем RS 213 Mita, RS 213 Belarus, РП70
Корпус гидросистемы и фильтр
Муфта быстросоединяемая
Гидрораспределитель
Цилиндр гидроподъемника
Распределитель гидроподъемника
Управление гидроподъемником
Гидроподъемник
Инструмент оператора
Аптечка
Ящик инструментальный
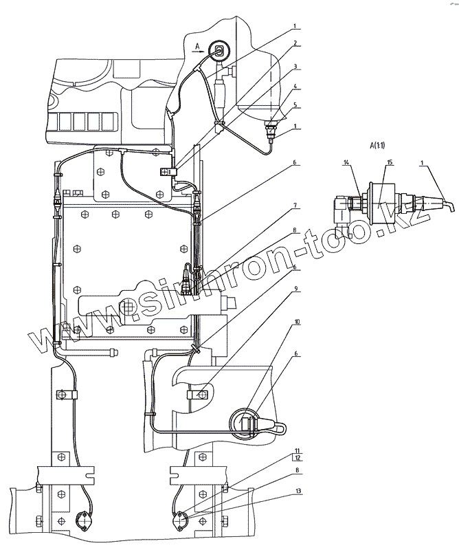
80-3700040-Б-04
1
1
1
2
3
4
5
6
6
6
7
8
8
9
10
11
12
13
14
15
Позиция на иллюстрации
Заводской номер детали
Название детали
80-3853010-Б
80-3853010-Б
Установка датчиков скорости
80-3700040-Б-04
80-3700040-Б-04
Электрооборудование трансмиссии
1
826-3724317
Жгут
2
70-3506027
Втулка
3
70-1115012-03
Хомутик
4
85-1702051
Шайба
5
3829.25
Датчик аварийного давления воздуха
6
80-3723045-01
Манжета
7
3710.70
Выключатель блокировки пуска
8
3843.10
Датчик оборотов
9
822-3723001
Скоба
10
3827.10
Датчик указателя уровня топлива
11
M8-6gx25.88.35.019
Болт
12
8Т
Шайба
13
80-3843001
Прокладка
14
Д18-055-А
Шайба
15
3829.20
Датчик давления воздуха
Содержащиеся в справочниках-каталогах запасные части и детали не предлагаются к продаже, а носят исключительно информационный характер
Дополнительная информация
×
Название:
Номер:
Примечание: