Вернуться на главную
Поиск
Каталоги запчастей к технике
Сельхозтехника
МТЗ
МТЗ-90/92
Сиденье. Механизм регулировки
Каталог запасных частей к технике: МТЗ-90/92. Сиденье. Механизм регулировки
zoom-in
zoom-out
enlarge
shrink
circle-right
circle-left
file-text2
info
cart
Тип техники
Не выбрано
Легковые автомобили
Грузовые автомобили и прицепы
Автобусы
Сельхозтехника
Спецтехника
Двигатели
Мототехника
Марка
Не выбрано
AGCO
Amity
CASE IH
DongFeng
Fortschritt
Foton
Franz Kleine
Gaspardo
Great Plains
KRONE
KUHN
Lemken
Lovol
MacDon
Massey Ferguson
New Holland
TIGARBO
Vaderstad
Versatile
Wirax
Агро
Агротехмаш
Бобруйскагромаш (ОАО «УКХ «Бобруйскагромаш»)
БЭМЗ
ВгТЗ
Воронежсельмаш
ВТЗ
Гомсельмаш
ДКЗ
ЗАО "Техника-сервис"
ЗиД
КЗК
Кировец-Ландтехник
Клевер
Красная Звезда
Лидагропроммаш
Лидсельмаш
ЛТЗ
Машстройхолдинг
Минитракторы
Мордовагромаш
МТЗ
Навигатор-Новое машиностроение
Нефтекамский автозавод
ПТЗ
Ремком
РСМ
Сибсельмаш
ТеКЗ
ТКЗ
ХЗТСШ
ХТЗ
ЮМЗ
Модель
Не выбрано
1025.5 (2013)
1025/1025.2/1025.3 (2009)
1220 (2011)
1220.5 (2013)
1523.5 (2013)
1523.5 с ГМТ (2014)
2122.3/2122.4 (2015)
3022ДЦ.1 (2011)
320.4М (2019)
622 (2012)
800/900 (2003)
80Х (2012)
892 (2011)
922.3 / 922.4 (2013)
922.5 (2013)
923.4 (2014)
923.5 (2013)
92П (2010)
952.5 (2013)
БЕЛАРУС 1025.7 (2022)
БЕЛАРУС 1220.7 (2022)
БЕЛАРУС 1221.7 (2022)
БЕЛАРУС 2103 (2015)
БЕЛАРУС 320 (1998)
БЕЛАРУС 3522.5 (2013)
БЕЛАРУС 3525 (2019)
БЕЛАРУС 421 (2014)
БЕЛАРУС 451 (2023)
БЕЛАРУС 651 (2023)
БЕЛАРУС 923.7 (2022)
БЕЛАРУС 952.7 (2022)
Беларус-08Н (09Н) (2015)
Беларус-422.1 (2018)
КБ-00.000 (САЗ) (2015)
КМ-2 (САЗ) (2015)
МТЗ-082
МТЗ-100
МТЗ-1005 (2008)
МТЗ-1021.3 (2010)
МТЗ-1025.4 (2009)
МТЗ-112Н, 132Н (2010)
МТЗ-1221 (1997)
МТЗ-1221 (2009) (2009)
МТЗ-1221.4 (2009)
МТЗ-1221.4 (2009)
МТЗ-1221.5 (2013)
МТЗ-1222/1523 (2009)
МТЗ-1522 (2008)
МТЗ-1523
МТЗ-1523 (2013)
МТЗ-1523 (2008) (2008)
МТЗ-1523.4 (2010)
МТЗ-1523.6 (2018)
МТЗ-2022 (2010)
МТЗ-2103 (2010)
МТЗ-2522 (2010)
МТЗ-310, 320, 321 (2011)
МТЗ-3522 (2011)
МТЗ-510/512, 520/522 (2010)
МТЗ-570 (2010)
МТЗ-80 (1998)
МТЗ-80 (2002) (2002)
МТЗ-80 (2009) (2009)
МТЗ-80.1 (2015)
МТЗ-821/921 (2009)
МТЗ-822 (2008)
МТЗ-826 (2010)
МТЗ-90/92 (2008)
МТЗ-900
МТЗ-900/920/950/952 (2009)
МТЗ-920.4/952.4 (2009)
МТЗ-922 (2008)
МТЗ-923 (2008)
ФР-00.010 (САЗ) (2015)
ФР-00700-Б (САЗ) (2015)
Схема
>
Не выбрано
Кабина (тент-каркас)
Кабина (тент-каркас)
Сиденье оператора
Сиденье. Механизм регулировки
Козырек противосолнечный
Облицовка радиатора. Капот
Крылья передние
Крылья передние (вариант)
Крылья передние (вариант)
Подножка
Установка передней опоры. Блок цилиндров
Установка головки цилиндров и впускного тракта
Установка головки цилиндров и впускного тракта для двигателей Д-244
Поршни и шатуны. Коленчатый вал. Маховик
Установка муфты сцепления
Распределительный механизм
Установка картера масляного
Установка насоса шестеренного
Установка воздухоочистителя
Установка масляного насоса
Установка центробежного фильтра
Установка пневмокомпрессора
Радиатор масляный
Установка топливной аппаратуры
Фильтр топливный тонкой очистки
Фильтр топливный грубой очистки
Бак топливный
Управление подачей топлива
Останов дизеля. Аварийный останов дизеля
Установка выпускного коллектора
Глушитель
Установка корпуса термостата
Установка водяного насоса и вентилятора
Радиатор водяной. Подвеска радиатора водяного
Ограждение вентилятора
Диски сцепления
Корпус сцепления
Корпус сцепления (отводка)
Корпус сцепления (привод ВОМ, привод насоса гидросистемы навески)
Корпус сцепления (понижающий редуктор)
Управление сцеплением
Коробка передач. Корпус коробки передач
Вал первичный. Вал вторичный
Вал внутренний. Вал промежуточный
Вал первой передачи и заднего хода
Редуктор
Коробка передач с рычагом переключения по центру (обозначение и краткая характеристика)
Управление редуктором
Раздаточная коробка привода ПВМ (для трактора «БЕЛАРУС-92»)
Карданный вал. Промежуточная опора карданного вала (для трактора «БЕЛАРУС-92»)
Ограждение карданного вала (для трактора «БЕЛАРУС-92»)
Передний ведущий мост в сборе. Корпус и крышка. Дифференциал. (Для трактора «БЕЛАРУС-92»)
Главная передача. (Для трактора «БЕЛАРУС-92»)
Редуктор конечной передачи ПВМ (конический редуктор), (Для трактора «БЕЛАРУС-92»)
Корпус заднего моста. Конечная передача
Дифференциал. Стакан подшипников
Механизм блокировки дифференциала
Полурама
Крюк прицепной гидрофицированный
Ось передняя и тяга рулевая (для трактора «БЕЛАРУС-90»), Колеса передние направляющие. Ступицы передних колес. (Для трактора «БЕЛАРУС-90»)
Колеса передние направляющие. Ступицы передних колес. (Для трактора «БЕЛАРУС-90»)
Колеса передние ведущие (для трактора «БЕЛАРУС-92»)
Колеса задние. Ступицы задних колес
Проставка (для сдваивания задних колес)
Привод управления рулевого
Гидроагрегаты и арматура ГУР
Цилиндр ГУР
Распределитель ГУР
Тормоза рабочие. Управление тормозами
Тормоз стояночный
Установка генератора
Установка стартера
Электрооборудование двигателя
Электрооборудование кабины
Установка аккумуляторных батарей
Генератор
Стартер
Установка фонарей передних
Установка фар рабочих и фонарей задних
Установка розетки и фонарей освещения номерного знака
Щиток приборов
Вал отбора мощности задний
Шкив приводной
Управление BOM
Балласт передний
Механизм задней навески
Наружная блокировка нижних тяг
Управление гидроузлами
Арматура корпуса гидроагрегатов
Гидроагрегаты и арматура
Корпус гидроагрегатов, фильтр и привод гидронасоса
Гидроцилиндр Ц100x200
Распределитель Р80-3/1 -222-3Гг
Запорное устройство
Механизм фиксации
Датчик блокировки дифференциала. Арматура датчика блокировки
Управление блокировкой дифференциала
Инструмент оператора
Аптечка санитарная
Ящик инструментальный
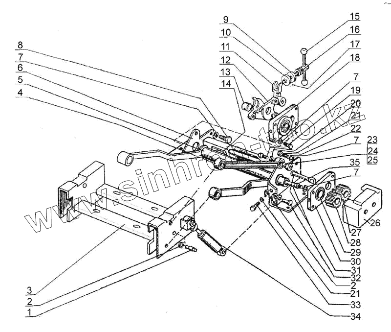
1
2
2
3
4
5
6
7
7
7
7
8
9
10
11
12
13
14
15
16
17
18
19
20
21
21
22
23
24
25
26
27
28
29
30
31
32
33
34
35
Позиция на иллюстрации
Заводской номер детали
Название детали
1
85-6801012
Палец
2
70-6801307
Шайба
3
70-6801410
Остов
4
85-6801360А
Рычаг
5
85-6801320А
Стабилизатор
6
85-6801310
Корпус
7
ШП8
Шайба
8
М8х40
Болт
9
70-6801013
Шайба
10
70-6801011
Сухарь
11
70-6801302
Рычаг
12
70-6801301
Крышка
13
70-6801008
Гайка
14
ПР-41
Амортизатор
15
70-6801080
Винт
16
130-3520057-Б
Пружина
17
5.0-100
Шарик
18
85-6801330
Опора
19
М8х25
Болт
20
М10x35
Болт
21
ШП 10
Шайба
22
М8х55
Болт
23
85-6801006
Втулка
24
85-6801309
Шайба
25
М10
Гайка
26
85-6801340
Корпус
27
3х15,8АЗ
Ролик
28
70-6801303-Б
Соединитель
29
85-6801305
Втулка
30
85-6801330
Опора
31
70-6801304
Торсион
32
85-6801012-01
Палец
33
М10х18
Болт
34
80-6809100
Амортизатор
35
М8х35
Болт
Содержащиеся в справочниках-каталогах запасные части и детали не предлагаются к продаже, а носят исключительно информационный характер
Дополнительная информация
×
Название:
Номер:
Примечание: