Вернуться на главную
Поиск
Каталоги запчастей к технике
Сельхозтехника
МТЗ
МТЗ-90/92
Кабина (тент-каркас)
Каталог запасных частей к технике: МТЗ-90/92. Кабина (тент-каркас)
zoom-in
zoom-out
enlarge
shrink
circle-right
circle-left
file-text2
info
cart
Тип техники
Не выбрано
Легковые автомобили
Грузовые автомобили и прицепы
Автобусы
Сельхозтехника
Спецтехника
Двигатели
Мототехника
Марка
Не выбрано
AGCO
Amity
CASE IH
DongFeng
Fortschritt
Foton
Franz Kleine
Gaspardo
Great Plains
KRONE
KUHN
Lemken
Lovol
MacDon
Massey Ferguson
New Holland
TIGARBO
Vaderstad
Versatile
Wirax
Агро
Агротехмаш
Бобруйскагромаш (ОАО «УКХ «Бобруйскагромаш»)
БЭМЗ
ВгТЗ
Воронежсельмаш
ВТЗ
Гомсельмаш
ДКЗ
ЗАО "Техника-сервис"
ЗиД
КЗК
Кировец-Ландтехник
Клевер
Красная Звезда
Лидагропроммаш
Лидсельмаш
ЛТЗ
Машстройхолдинг
Минитракторы
Мордовагромаш
МТЗ
Навигатор-Новое машиностроение
Нефтекамский автозавод
ПТЗ
Ремком
РСМ
Сибсельмаш
ТеКЗ
ТКЗ
ХЗТСШ
ХТЗ
ЮМЗ
Модель
Не выбрано
1025.5 (2013)
1025/1025.2/1025.3 (2009)
1220 (2011)
1220.5 (2013)
1523.5 (2013)
1523.5 с ГМТ (2014)
2122.3/2122.4 (2015)
3022ДЦ.1 (2011)
320.4М (2019)
622 (2012)
800/900 (2003)
80Х (2012)
892 (2011)
922.3 / 922.4 (2013)
922.5 (2013)
923.4 (2014)
923.5 (2013)
92П (2010)
952.5 (2013)
БЕЛАРУС 1025.7 (2022)
БЕЛАРУС 1220.7 (2022)
БЕЛАРУС 1221.7 (2022)
БЕЛАРУС 2103 (2015)
БЕЛАРУС 320 (1998)
БЕЛАРУС 3522.5 (2013)
БЕЛАРУС 3525 (2019)
БЕЛАРУС 421 (2014)
БЕЛАРУС 451 (2023)
БЕЛАРУС 651 (2023)
БЕЛАРУС 923.7 (2022)
БЕЛАРУС 952.7 (2022)
Беларус-08Н (09Н) (2015)
Беларус-422.1 (2018)
КБ-00.000 (САЗ) (2015)
КМ-2 (САЗ) (2015)
МТЗ-082
МТЗ-100
МТЗ-1005 (2008)
МТЗ-1021.3 (2010)
МТЗ-1025.4 (2009)
МТЗ-112Н, 132Н (2010)
МТЗ-1221 (1997)
МТЗ-1221 (2009) (2009)
МТЗ-1221.4 (2009)
МТЗ-1221.4 (2009)
МТЗ-1221.5 (2013)
МТЗ-1222/1523 (2009)
МТЗ-1522 (2008)
МТЗ-1523
МТЗ-1523 (2013)
МТЗ-1523 (2008) (2008)
МТЗ-1523.4 (2010)
МТЗ-1523.6 (2018)
МТЗ-2022 (2010)
МТЗ-2103 (2010)
МТЗ-2522 (2010)
МТЗ-310, 320, 321 (2011)
МТЗ-3522 (2011)
МТЗ-510/512, 520/522 (2010)
МТЗ-570 (2010)
МТЗ-80 (1998)
МТЗ-80 (2002) (2002)
МТЗ-80 (2009) (2009)
МТЗ-80.1 (2015)
МТЗ-821/921 (2009)
МТЗ-822 (2008)
МТЗ-826 (2010)
МТЗ-90/92 (2008)
МТЗ-900
МТЗ-900/920/950/952 (2009)
МТЗ-920.4/952.4 (2009)
МТЗ-922 (2008)
МТЗ-923 (2008)
ФР-00.010 (САЗ) (2015)
ФР-00700-Б (САЗ) (2015)
Схема
>
Не выбрано
Кабина (тент-каркас)
Кабина (тент-каркас)
Сиденье оператора
Сиденье. Механизм регулировки
Козырек противосолнечный
Облицовка радиатора. Капот
Крылья передние
Крылья передние (вариант)
Крылья передние (вариант)
Подножка
Установка передней опоры. Блок цилиндров
Установка головки цилиндров и впускного тракта
Установка головки цилиндров и впускного тракта для двигателей Д-244
Поршни и шатуны. Коленчатый вал. Маховик
Установка муфты сцепления
Распределительный механизм
Установка картера масляного
Установка насоса шестеренного
Установка воздухоочистителя
Установка масляного насоса
Установка центробежного фильтра
Установка пневмокомпрессора
Радиатор масляный
Установка топливной аппаратуры
Фильтр топливный тонкой очистки
Фильтр топливный грубой очистки
Бак топливный
Управление подачей топлива
Останов дизеля. Аварийный останов дизеля
Установка выпускного коллектора
Глушитель
Установка корпуса термостата
Установка водяного насоса и вентилятора
Радиатор водяной. Подвеска радиатора водяного
Ограждение вентилятора
Диски сцепления
Корпус сцепления
Корпус сцепления (отводка)
Корпус сцепления (привод ВОМ, привод насоса гидросистемы навески)
Корпус сцепления (понижающий редуктор)
Управление сцеплением
Коробка передач. Корпус коробки передач
Вал первичный. Вал вторичный
Вал внутренний. Вал промежуточный
Вал первой передачи и заднего хода
Редуктор
Коробка передач с рычагом переключения по центру (обозначение и краткая характеристика)
Управление редуктором
Раздаточная коробка привода ПВМ (для трактора «БЕЛАРУС-92»)
Карданный вал. Промежуточная опора карданного вала (для трактора «БЕЛАРУС-92»)
Ограждение карданного вала (для трактора «БЕЛАРУС-92»)
Передний ведущий мост в сборе. Корпус и крышка. Дифференциал. (Для трактора «БЕЛАРУС-92»)
Главная передача. (Для трактора «БЕЛАРУС-92»)
Редуктор конечной передачи ПВМ (конический редуктор), (Для трактора «БЕЛАРУС-92»)
Корпус заднего моста. Конечная передача
Дифференциал. Стакан подшипников
Механизм блокировки дифференциала
Полурама
Крюк прицепной гидрофицированный
Ось передняя и тяга рулевая (для трактора «БЕЛАРУС-90»), Колеса передние направляющие. Ступицы передних колес. (Для трактора «БЕЛАРУС-90»)
Колеса передние направляющие. Ступицы передних колес. (Для трактора «БЕЛАРУС-90»)
Колеса передние ведущие (для трактора «БЕЛАРУС-92»)
Колеса задние. Ступицы задних колес
Проставка (для сдваивания задних колес)
Привод управления рулевого
Гидроагрегаты и арматура ГУР
Цилиндр ГУР
Распределитель ГУР
Тормоза рабочие. Управление тормозами
Тормоз стояночный
Установка генератора
Установка стартера
Электрооборудование двигателя
Электрооборудование кабины
Установка аккумуляторных батарей
Генератор
Стартер
Установка фонарей передних
Установка фар рабочих и фонарей задних
Установка розетки и фонарей освещения номерного знака
Щиток приборов
Вал отбора мощности задний
Шкив приводной
Управление BOM
Балласт передний
Механизм задней навески
Наружная блокировка нижних тяг
Управление гидроузлами
Арматура корпуса гидроагрегатов
Гидроагрегаты и арматура
Корпус гидроагрегатов, фильтр и привод гидронасоса
Гидроцилиндр Ц100x200
Распределитель Р80-3/1 -222-3Гг
Запорное устройство
Механизм фиксации
Датчик блокировки дифференциала. Арматура датчика блокировки
Управление блокировкой дифференциала
Инструмент оператора
Аптечка санитарная
Ящик инструментальный
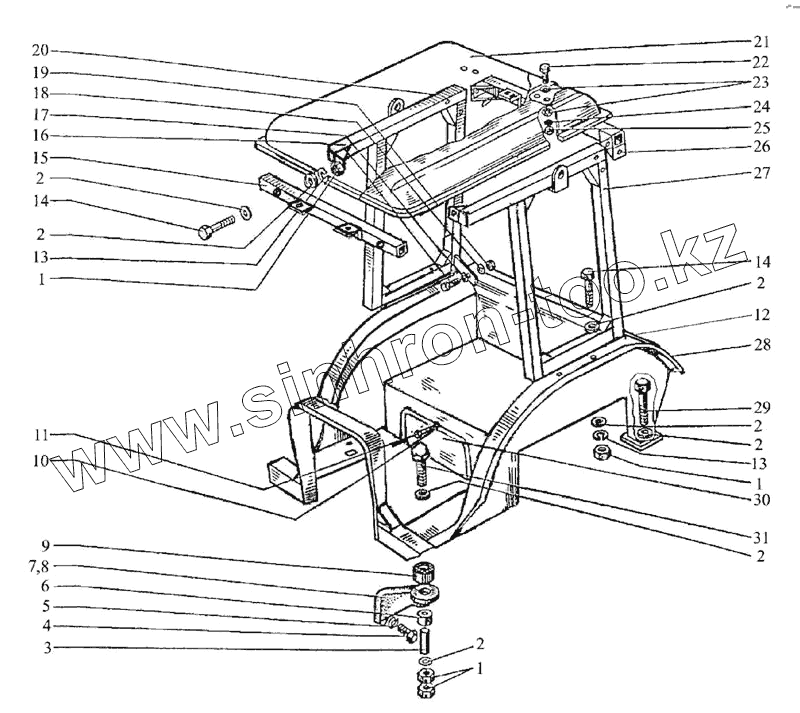
1
1
1
2
2
2
2
2
2
2
3
4
5
6
7
8
9
10
11
12
13
13
14
14
15
16
17
18
19
20
21
22
23
24
25
26
27
28
29
30
31
Позиция на иллюстрации
Заводской номер детали
Название детали
1
М12
Гайка
2
ШЧ12
Шайба
3
70-6702306
Втулка
4
М16x50
Болт
5
ШП16
Шайба
6
130-5001364-В
Подушка нижняя
7
80-6702069
Кронштейн правый
8
80-6702068
Кронштейн левый
9
130-5001332
Подушка верхняя
10
ШП8
Шайба
11
М8х16
Болт
12
70-6702150
Крышка задняя
13
ШП12
Шайба
14
М12x75
Болт
15
70-6709140
Поперечина передняя
16
М10x35
Болт
17
ШЧ10
Шайба
18
ШП10
Шайба
19
М10
Гайка
20
70-6709120
Рама боковая
21
70-6709036
Крыша
22
М6х20
Винт
23
ШЧ6
Шайба
24
ШП6
Шайба
25
М6
Гайка
26
70-6709130
Поперечина задняя
27
70-6709120-01
Рама боковая
28
70-6702020-03
Основание
29
М12х110
Болт
30
70-6702078-Б
Крышка
31
М12х120
Болт
Содержащиеся в справочниках-каталогах запасные части и детали не предлагаются к продаже, а носят исключительно информационный характер
Дополнительная информация
×
Название:
Номер:
Примечание: