Вернуться на главную
Поиск
Каталоги запчастей к технике
Сельхозтехника
МТЗ
МТЗ-900/920/950/952
Управление блокировкой дифференциала заднего моста
Каталог запасных частей к технике: МТЗ-900/920/950/952. Управление блокировкой дифференциала заднего моста
zoom-in
zoom-out
enlarge
shrink
circle-right
circle-left
file-text2
info
cart
Тип техники
Не выбрано
Легковые автомобили
Грузовые автомобили и прицепы
Автобусы
Сельхозтехника
Спецтехника
Двигатели
Мототехника
Марка
Не выбрано
AGCO
Amity
CASE IH
DongFeng
Fortschritt
Foton
Franz Kleine
Gaspardo
Great Plains
KRONE
KUHN
Lemken
Lovol
MacDon
Massey Ferguson
New Holland
TIGARBO
Vaderstad
Versatile
Wirax
Агро
Агротехмаш
Бобруйскагромаш (ОАО «УКХ «Бобруйскагромаш»)
БЭМЗ
ВгТЗ
Воронежсельмаш
ВТЗ
Гомсельмаш
ДКЗ
ЗАО "Техника-сервис"
ЗиД
КЗК
Кировец-Ландтехник
Клевер
Красная Звезда
Лидагропроммаш
Лидсельмаш
ЛТЗ
Машстройхолдинг
Минитракторы
Мордовагромаш
МТЗ
Навигатор-Новое машиностроение
Нефтекамский автозавод
ПТЗ
Ремком
РСМ
Сибсельмаш
ТеКЗ
ТКЗ
ХЗТСШ
ХТЗ
ЮМЗ
Модель
Не выбрано
1025.5 (2013)
1025/1025.2/1025.3 (2009)
1220 (2011)
1220.5 (2013)
1523.5 (2013)
1523.5 с ГМТ (2014)
2122.3/2122.4 (2015)
3022ДЦ.1 (2011)
320.4М (2019)
622 (2012)
800/900 (2003)
80Х (2012)
892 (2011)
922.3 / 922.4 (2013)
922.5 (2013)
923.4 (2014)
923.5 (2013)
92П (2010)
952.5 (2013)
БЕЛАРУС 1025.7 (2022)
БЕЛАРУС 1220.7 (2022)
БЕЛАРУС 1221.7 (2022)
БЕЛАРУС 2103 (2015)
БЕЛАРУС 320 (1998)
БЕЛАРУС 3522.5 (2013)
БЕЛАРУС 3525 (2019)
БЕЛАРУС 421 (2014)
БЕЛАРУС 451 (2023)
БЕЛАРУС 651 (2023)
БЕЛАРУС 923.7 (2022)
БЕЛАРУС 952.7 (2022)
Беларус-08Н (09Н) (2015)
Беларус-422.1 (2018)
КБ-00.000 (САЗ) (2015)
КМ-2 (САЗ) (2015)
МТЗ-082
МТЗ-100
МТЗ-1005 (2008)
МТЗ-1021.3 (2010)
МТЗ-1025.4 (2009)
МТЗ-112Н, 132Н (2010)
МТЗ-1221 (1997)
МТЗ-1221 (2009) (2009)
МТЗ-1221.4 (2009)
МТЗ-1221.4 (2009)
МТЗ-1221.5 (2013)
МТЗ-1222/1523 (2009)
МТЗ-1522 (2008)
МТЗ-1523
МТЗ-1523 (2013)
МТЗ-1523 (2008) (2008)
МТЗ-1523.4 (2010)
МТЗ-1523.6 (2018)
МТЗ-2022 (2010)
МТЗ-2103 (2010)
МТЗ-2522 (2010)
МТЗ-310, 320, 321 (2011)
МТЗ-3522 (2011)
МТЗ-510/512, 520/522 (2010)
МТЗ-570 (2010)
МТЗ-80 (1998)
МТЗ-80 (2002) (2002)
МТЗ-80 (2009) (2009)
МТЗ-80.1 (2015)
МТЗ-821/921 (2009)
МТЗ-822 (2008)
МТЗ-826 (2010)
МТЗ-90/92 (2008)
МТЗ-900
МТЗ-900/920/950/952 (2009)
МТЗ-920.4/952.4 (2009)
МТЗ-922 (2008)
МТЗ-923 (2008)
ФР-00.010 (САЗ) (2015)
ФР-00700-Б (САЗ) (2015)
Схема
>
Не выбрано
Кабина трактора ,крылья задние
Кабина трактора, крылья задние
Крыша
Крыша
Тент-каркас, основание
Пол кабины
Двери кабины
Сиденье оператора
Сиденье оператора
Подвеска сиденья
Сиденье дополнительное
Отопитель
Зеркало заднего вида внутреннее
Зеркало заднего вида боковое
Козырек противосолнечный
Облицовка
Облицовка
Облицовка
Облицовка
Подножка
Крылья передние (с ПВМ 72-2300020-А)
Крылья передние (для ПВМ 822-2300020-02)
Крылья передние (для ПВМ 822-2300020-04 с короткими рукавами)
Управление БД и ВОМ (электрическая часть) для Беларус- 920.2/920.3/952.2/952.3
Баки топливные (металлические)
Баки топливные (пластмассовые)
Бак топливный (в комплектации трактора с гидроподъемником)
Управление подачей топлива
Управление подачей топлива (с гидроподъемником)
Управление подачей топлива (с управлением гидронавесной системой типа «Joystick»)
Установка воздухоочистителя «Donaldson» (Д-245.5S2/Д-245.43S2)
Глушитель
Блок охлаждения (для Беларус - 900/900.2/920./920.2/950./950.2/952/952.2)
Блок охлаждения (для Д-245.5S2/Д-245.43S2)
Ограждение вентилятора
Шторка
Охладитель наддувочного воздуха (Д-245.5S2/Д-245.43S2)
Установка сцепления
Установка сцепления
Корпус сцепления
Корпус сцепления, отводка
Корпус сцепления (привод ВОМ, привод насоса гидросистемы навески)
Корпус сцепления, привод ВОМ
Корпус сцепления, привод ВОМ
Управление сцеплением
Механический понижающий редуктор/механический ускоритель
Синхронизированный понижающий редуктор/синхронизированный ускоритель
Управление редуктором/ускорителем
Синхронизированный реверс - редуктор
Управление синхронизированным реверс - редуктор
Корпус КП, привод ПВМ
Вал первичный и вал вторичный механической КП
Первичный вал синхронизированной КП
Вторичный вал синхронизированной КП
Вал 1 -ой передачи и передачи заднего хода
Вал промежуточный. Вал внутренний
Механизм управления механической КП, корпус вилок
Механизм управления синхронизированной КП, корпус вилок
Механизм правого однорычажного управления КП
Механизм 2-х рычажного управления КП
Раздаточная коробка (для Беларус - 920/920.2/920.3/952/952.2/952.3)
Управление раздаточной коробкой (для однорычажной КПП)
Управление раздаточной коробкой (для двухрычажной КПП)
Карданный вал. Промежуточная опора карданного вала (для Беларус - 920/920.2/920.3/952/952.2/952.3)
Ограждение карданного привода (для Беларус - 920/920.2/920.3/952/952.2/952.3)
Передний ведущий мост 72-2300020-А
Передний ведущий мост 822-2300020
Главная передача переднего ведущего моста
Дифференциал
Редуктор конечной передачи переднего ведущего моста (для ПВМ 72-2300020-А)
Редуктор конечной передачи переднего ведущего моста (для ПВМ 822-2300020)
Корпус заднего моста, конечная передача
Дифференциал. Стакан подшипников
Механизм блокировки дифференциала
Механизм блокировки дифференциала «мокрого» типа
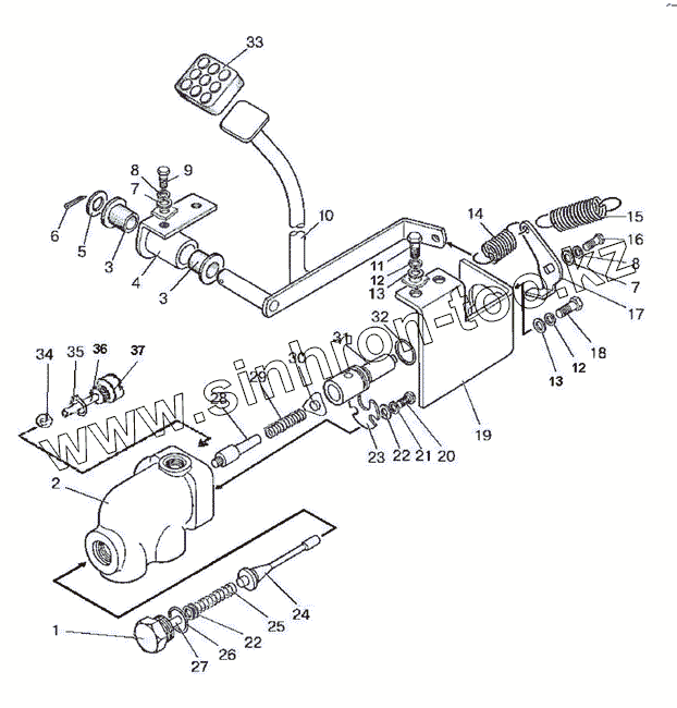
Управление блокировкой дифференциала заднего моста
Полурама
Устройство буксирное
Крюк прицепной гидрофицированный
Ось передняя и тяга рулевая
Колеса передние направляющие, ступицы передних колес. (Для тракторов с передней осью)
Колеса передние ведущие
Колеса передние ведущие
Колеса передние ведущие
Колеса задние, ступицы задних колес
Колонка рулевая
Арматура рулевого управления
Гидроцилиндр и арматура ГОРУ (вариант с передней осью)
Гидроцилиндр и арматура ГОРУ (ПВМ 72-2300020-А-04)
Гидроцилиндр 50x25-200
Гидроцилиндр Ц63 и арматура ГОРУ (ПВМ 822-2300020-02/-04)
Гидроцилиндр Ц63 (63x30-200)
Управление рулевое с ПВМ 822-2300020-04 и отдельным баком
Бак
Тормоза. Управление тормозами (сухого трения)
Тормоза (вариант исполнения)
Тормоза «мокрые» (левый/правый)
Тормоза. Управление «мокрыми» тормозами
Тормоз стояночный. Управление стояночным тормозом
Тормоз стояночный, управление стояночным тормозом (для «мокрых» тормозов)
Трубопроводы и арматура однопроводного пневмопривода тормозов прицепа
Трубопроводы и арматура двухпроводного пневмопривода тормозов прицепа
Баллон
Кран тормозной (для однопроводного пневмопривода)
Компрессор
Установка заглушки (для тракторов без пневмокомпрессора)
Электрооборудование по дизелю
Электрооборудование по дизелю (для тракторов Беларус - 900.3/920.3/950.3/952.3)
Электрооборудование трансмиссии
Электрооборудование по кабине
Генератор
Установка батарей аккумуляторных (система запуска 12В)
Установка батарей аккумуляторных (система запуска 24В)
Установка батарей аккумуляторных
Подогреватель электрофакельный
Стартер
Установка фар дорожных
Установка фонарей передних
Установка фонарей передних
Установка фонарей задних
Основание, приборы
Стенка, крышка
Устройство прицепное. Вариант «крюк» (по заказу)
Устройство прицепное. Вариант «маятник или прицеп»
Тягово-сцепное устройство
Тягово-сцепное устройство (варианты комплектации)
Вал отбора мощности задний
Вал отбора мощности задний
Шкив приводной
Вал отбора мощности боковой
Управление задним валом отбора мощности
Управление задним валом отбора мощности
Балласт
Балласт передний
Механизм задней навески (для тракторов с силовым регулятором)
Механизм задней навески (для тракторов с силовым регулятором)
Механизм задней навески (с гидроподъемником)
Наружная блокировка нижних тяг
Стяжка телескопическая
Гидросистема Р85-4600015
Гидросистема Р90-4600010
Гидроагрегаты и арматура
Гидроагрегаты и арматура
Гидроагрегаты и арматура
Гидроагрегаты и арматура (с силовым регулятором)
Гидроагрегаты и арматура (с гидроподъемником и распределителем RS 213 MITA)
Гидроагрегаты и арматура (с гидроподъемником)
Гидроагрегаты и арматура гидросистемы с тросовым управлением распределителя (типа «Joystiick»)
Корпус гидросистемы и фильтр
Привод насоса
Гидроцилиндр Ц 100x200
Гидрораспределитель Р80-3/4-222-3 Гг
Управление гидрораспределителем Р80
Гидрораспределитель РП70
Управление гидрораспределителем RS 213 Mita, RS 213 Belarus, РП70
Муфта быстросоединяемая
Механизм фиксации
Регулятор
Управление регулятором
Управление регулятором (ГНС со смешанным регулированием)
Переключатель (ГНС со смешанным регулированием)
Смеситель
Цилиндр гидроподъемника
Распределитель гидроподъемника
Управление гидроподъемником
Гидроподъемник
Инструмент оператора
Аптечка
1
2
3
3
4
5
6
7
7
8
8
9
10
11
12
12
13
13
14
15
16
17
18
19
20
21
22
22
23
24
25
26
27
28
29
30
31
32
33
34
35
36
37
Позиция на иллюстрации
Заводской номер детали
Название детали
80-4801200-Б
80-4801200-Б
Кран блокировки
1
80-4801222-Б
Пробка
2
80-4801211-Б
Корпус крана
3
50-4607082-А
Втулка
4
80-4802020
Кронштейн
5
12ОТ
Шайба ОСТ 37.001.115-75
6
2,5x16.019
Шплинт
7
С6.01.019
Шайба
8
6Т
Шайба
9
М6-6gx14.88.35.019
Болт
10
80-4803170
Педаль
11
М8-6gx16.88.35.019
Болт
12
8Т
Шайба
13
С8.01.019
Шайба
14
70-4616033
Пружина
15
50-3502068
Пружина
16
М6-6gx16.88.35.019
Болт
17
80-4801216-Б
Рычаг
18
М8-6gx20.88.35.019
Болт
19
80-4803151
Кронштейн
20
В.М5-6gx10.58.019
Винт
21
5Т
Шайба
22
С5.01.019
Шайба
23
80-4801217-Б
Стопор
24
80-4801213-Б
Клапан
25
50-4609054
Пружина
26
017-022-30-1-4
Кольцо
27
80-4801221-Б
Упор
28
80-4801223
Направляющая
29
70-4609037
Пружина
30
80-4801226
Клапан
31
80-4801212-Б
Золотник крана
32
012-016-25-2-4
Кольцо
33
А13.38.002
Накладка
34
7,938-100
Шарик
35
007-011-25-2-2
Кольцо
36
80-4801224
Упор
37
80-4801214-Б
Пробка
Содержащиеся в справочниках-каталогах запасные части и детали не предлагаются к продаже, а носят исключительно информационный характер
Дополнительная информация
×
Название:
Номер:
Примечание: