Каталог запасных частей к технике: МТЗ-900/920/950/952. Основание, приборы
1
2
3
3
4
4
4
4
5
5
5
5
5
6
6
7
7
8
8
8
9
9
10
10
10
11
12
13
14
14
15
16
16
16
17
17
17
18
19
20
21
21
21
22
23
24
25
26
27
28
29
29
30
31
31
31
31
32
33
34
34
35
36
37
38
39
40
41
41
42
42
43
44
45
46
47
48
49
50
51
52
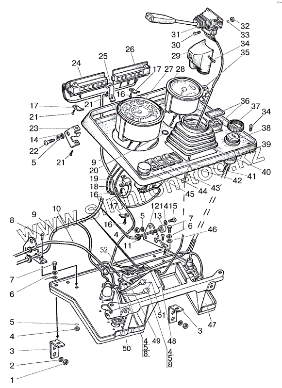
| Позиция на иллюстрации | Заводской номер детали | Название детали | |
|---|---|---|---|
| 822-3805013 | 822-3805013 | Табличка | |
| 80-3805010-Д1 | 80-3805010-Д1 | Щиток приборов | |
| 1 | М10-6Н.6.019 | Гайка | |
| 2 | 10ОТ | Шайба ОСТ 37.001.115-75 | |
| 3 | 80-3805030 | Кронштейн | |
| 4 | М6-6Н.6.019 | Гайка | |
| 5 | 6Т | Шайба | |
| 6 | 8Т | Шайба | |
| 7 | М8-6gx16.88.35.019 | Болт | |
| 8 | В.М6-6gx12.58.019 | Винт | |
| 9 | 80-3724395-Г | Жгут | |
| 10 | 80-3724512-В1 | Жгут | |
| 10 | 80-3724517-В1 | Жгут | |
| 10 | 82П-3724317 | Жгут | |
| 11 | 70-3723042-01 | Втулка | |
| 12 | 80-3805043 | Кронштейн | |
| 13 | 3747.15 | Реле лампы ручного тормоза | |
| 14 | С6.01.019 | Шайба | |
| 15 | М6-6gx16.88.35.019 | Болт | |
| 16 | 4x10.019 | Шуруп | |
| 17 | 80-3723026 | Скоба | |
| 18 | С5.01.019 | Шайба | |
| 19 | 3747.20 | Реле-сигнализатор | |
| 20 | 80-3805064 | Заглушка | |
| 21 | 4x16.019 | Шуруп | |
| 22 | В.М6-6gx18.58.019 | Винт | |
| 23 | 80-3805035-01 | Кронштейн левый | |
| 24 | 3803.15 | Блок контрольных ламп | |
| 25 | 80-3805015 | Кронштейн | |
| 26 | 3803.10 | Блок контрольных ламп | |
| 27 | 3801.15 | Комбинация приборов | |
| 28 | 3813.10 | Тахоспидометр | |
| 29 | 80-3709023-В | Кожух | |
| 29 | 80-3709023 | Кожух | |
| 30 | В.М5-6gx12.58.019 | Винт | |
| 31 | ПКП-1 | Переключатель подрулевой | |
| 31 | ПКП-1А | Переключатель подрулевой | |
| 31 | 3912.3769 | Переключатель подрулевой | |
| 31 | 3912.3769-01 | Переключатель подрулевой | |
| 32 | М5-6Н.6.019 | Гайка ГОСТ 5915-70 | |
| 33 | 5Т | Шайба | |
| 34 | В.М6-6gx12.58.019 | Винт | |
| 35 | 80-3805035 | Кронштейн правый | |
| 36 | 3813.15 | Пульт управления | |
| 37 | 80-3805014 | Гайка | |
| 38 | 3710.45 | Выключатель стартера и приборов | |
| 39 | 80-3805021-Б | Щиток | |
| 40 | 80-3805012-Б | Уплотнитель | |
| 41 | 80-3801327 | Заглушка | |
| 41 | 3710.55 | Выключатель «массы» | |
| 42 | 3710.50 | Выключатель средств облегчения пуска | |
| 42 | 80-3801327 | Заглушка | |
| 43 | 3710.50 | Выключатель средств облегчения пуска | |
| 44 | 3709.20 | Переключатель света | |
| 45 | 3710.10 | Выключатель аварийной сигнализации | |
| 46 | С8.01.019 | Шайба | |
| 47 | 80-3805050-Б1-02 | Основание | |
| 48 | 50-4607064 | Втулка | |
| 49 | 3741.20 | Сопротивление добавочное | |
| 50 | 80-3723036 | Скоба | |
| 51 | 3747.50 | Реле на замыкание | |
| 52 | 80-3724610-Б | Жгут |
Содержащиеся в справочниках-каталогах запасные части и детали не предлагаются к продаже, а носят исключительно информационный характер