Вернуться на главную
Поиск
Каталоги запчастей к технике
Сельхозтехника
МТЗ
МТЗ-900/920/950/952
Колонка рулевая
Каталог запасных частей к технике: МТЗ-900/920/950/952. Колонка рулевая
zoom-in
zoom-out
enlarge
shrink
circle-right
circle-left
file-text2
info
cart
Тип техники
Не выбрано
Легковые автомобили
Грузовые автомобили и прицепы
Автобусы
Сельхозтехника
Спецтехника
Двигатели
Мототехника
Марка
Не выбрано
AGCO
Amity
CASE IH
DongFeng
Fortschritt
Foton
Franz Kleine
Gaspardo
Great Plains
KRONE
KUHN
Lemken
Lovol
MacDon
Massey Ferguson
New Holland
TIGARBO
Vaderstad
Versatile
Wirax
Агро
Агротехмаш
Бобруйскагромаш (ОАО «УКХ «Бобруйскагромаш»)
БЭМЗ
ВгТЗ
Воронежсельмаш
ВТЗ
Гомсельмаш
ДКЗ
ЗАО "Техника-сервис"
ЗиД
КЗК
Кировец-Ландтехник
Клевер
Красная Звезда
Лидагропроммаш
Лидсельмаш
ЛТЗ
Машстройхолдинг
Минитракторы
Мордовагромаш
МТЗ
Навигатор-Новое машиностроение
Нефтекамский автозавод
ПТЗ
Ремком
РСМ
Сибсельмаш
ТеКЗ
ТКЗ
ХЗТСШ
ХТЗ
ЮМЗ
Модель
Не выбрано
1025.5 (2013)
1025/1025.2/1025.3 (2009)
1220 (2011)
1220.5 (2013)
1523.5 (2013)
1523.5 с ГМТ (2014)
2122.3/2122.4 (2015)
3022ДЦ.1 (2011)
320.4М (2019)
622 (2012)
800/900 (2003)
80Х (2012)
892 (2011)
922.3 / 922.4 (2013)
922.5 (2013)
923.4 (2014)
923.5 (2013)
92П (2010)
952.5 (2013)
БЕЛАРУС 1025.7 (2022)
БЕЛАРУС 1220.7 (2022)
БЕЛАРУС 1221.7 (2022)
БЕЛАРУС 2103 (2015)
БЕЛАРУС 320 (1998)
БЕЛАРУС 3522.5 (2013)
БЕЛАРУС 3525 (2019)
БЕЛАРУС 421 (2014)
БЕЛАРУС 451 (2023)
БЕЛАРУС 651 (2023)
БЕЛАРУС 923.7 (2022)
БЕЛАРУС 952.7 (2022)
Беларус-08Н (09Н) (2015)
Беларус-422.1 (2018)
КБ-00.000 (САЗ) (2015)
КМ-2 (САЗ) (2015)
МТЗ-082
МТЗ-100
МТЗ-1005 (2008)
МТЗ-1021.3 (2010)
МТЗ-1025.4 (2009)
МТЗ-112Н, 132Н (2010)
МТЗ-1221 (1997)
МТЗ-1221 (2009) (2009)
МТЗ-1221.4 (2009)
МТЗ-1221.4 (2009)
МТЗ-1221.5 (2013)
МТЗ-1222/1523 (2009)
МТЗ-1522 (2008)
МТЗ-1523
МТЗ-1523 (2013)
МТЗ-1523 (2008) (2008)
МТЗ-1523.4 (2010)
МТЗ-1523.6 (2018)
МТЗ-2022 (2010)
МТЗ-2103 (2010)
МТЗ-2522 (2010)
МТЗ-310, 320, 321 (2011)
МТЗ-3522 (2011)
МТЗ-510/512, 520/522 (2010)
МТЗ-570 (2010)
МТЗ-80 (1998)
МТЗ-80 (2002) (2002)
МТЗ-80 (2009) (2009)
МТЗ-80.1 (2015)
МТЗ-821/921 (2009)
МТЗ-822 (2008)
МТЗ-826 (2010)
МТЗ-90/92 (2008)
МТЗ-900
МТЗ-900/920/950/952 (2009)
МТЗ-920.4/952.4 (2009)
МТЗ-922 (2008)
МТЗ-923 (2008)
ФР-00.010 (САЗ) (2015)
ФР-00700-Б (САЗ) (2015)
Схема
>
Не выбрано
Кабина трактора ,крылья задние
Кабина трактора, крылья задние
Крыша
Крыша
Тент-каркас, основание
Пол кабины
Двери кабины
Сиденье оператора
Сиденье оператора
Подвеска сиденья
Сиденье дополнительное
Отопитель
Зеркало заднего вида внутреннее
Зеркало заднего вида боковое
Козырек противосолнечный
Облицовка
Облицовка
Облицовка
Облицовка
Подножка
Крылья передние (с ПВМ 72-2300020-А)
Крылья передние (для ПВМ 822-2300020-02)
Крылья передние (для ПВМ 822-2300020-04 с короткими рукавами)
Управление БД и ВОМ (электрическая часть) для Беларус- 920.2/920.3/952.2/952.3
Баки топливные (металлические)
Баки топливные (пластмассовые)
Бак топливный (в комплектации трактора с гидроподъемником)
Управление подачей топлива
Управление подачей топлива (с гидроподъемником)
Управление подачей топлива (с управлением гидронавесной системой типа «Joystick»)
Установка воздухоочистителя «Donaldson» (Д-245.5S2/Д-245.43S2)
Глушитель
Блок охлаждения (для Беларус - 900/900.2/920./920.2/950./950.2/952/952.2)
Блок охлаждения (для Д-245.5S2/Д-245.43S2)
Ограждение вентилятора
Шторка
Охладитель наддувочного воздуха (Д-245.5S2/Д-245.43S2)
Установка сцепления
Установка сцепления
Корпус сцепления
Корпус сцепления, отводка
Корпус сцепления (привод ВОМ, привод насоса гидросистемы навески)
Корпус сцепления, привод ВОМ
Корпус сцепления, привод ВОМ
Управление сцеплением
Механический понижающий редуктор/механический ускоритель
Синхронизированный понижающий редуктор/синхронизированный ускоритель
Управление редуктором/ускорителем
Синхронизированный реверс - редуктор
Управление синхронизированным реверс - редуктор
Корпус КП, привод ПВМ
Вал первичный и вал вторичный механической КП
Первичный вал синхронизированной КП
Вторичный вал синхронизированной КП
Вал 1 -ой передачи и передачи заднего хода
Вал промежуточный. Вал внутренний
Механизм управления механической КП, корпус вилок
Механизм управления синхронизированной КП, корпус вилок
Механизм правого однорычажного управления КП
Механизм 2-х рычажного управления КП
Раздаточная коробка (для Беларус - 920/920.2/920.3/952/952.2/952.3)
Управление раздаточной коробкой (для однорычажной КПП)
Управление раздаточной коробкой (для двухрычажной КПП)
Карданный вал. Промежуточная опора карданного вала (для Беларус - 920/920.2/920.3/952/952.2/952.3)
Ограждение карданного привода (для Беларус - 920/920.2/920.3/952/952.2/952.3)
Передний ведущий мост 72-2300020-А
Передний ведущий мост 822-2300020
Главная передача переднего ведущего моста
Дифференциал
Редуктор конечной передачи переднего ведущего моста (для ПВМ 72-2300020-А)
Редуктор конечной передачи переднего ведущего моста (для ПВМ 822-2300020)
Корпус заднего моста, конечная передача
Дифференциал. Стакан подшипников
Механизм блокировки дифференциала
Механизм блокировки дифференциала «мокрого» типа
Управление блокировкой дифференциала заднего моста
Полурама
Устройство буксирное
Крюк прицепной гидрофицированный
Ось передняя и тяга рулевая
Колеса передние направляющие, ступицы передних колес. (Для тракторов с передней осью)
Колеса передние ведущие
Колеса передние ведущие
Колеса передние ведущие
Колеса задние, ступицы задних колес
Колонка рулевая
Арматура рулевого управления
Гидроцилиндр и арматура ГОРУ (вариант с передней осью)
Гидроцилиндр и арматура ГОРУ (ПВМ 72-2300020-А-04)
Гидроцилиндр 50x25-200
Гидроцилиндр Ц63 и арматура ГОРУ (ПВМ 822-2300020-02/-04)
Гидроцилиндр Ц63 (63x30-200)
Управление рулевое с ПВМ 822-2300020-04 и отдельным баком
Бак
Тормоза. Управление тормозами (сухого трения)
Тормоза (вариант исполнения)
Тормоза «мокрые» (левый/правый)
Тормоза. Управление «мокрыми» тормозами
Тормоз стояночный. Управление стояночным тормозом
Тормоз стояночный, управление стояночным тормозом (для «мокрых» тормозов)
Трубопроводы и арматура однопроводного пневмопривода тормозов прицепа
Трубопроводы и арматура двухпроводного пневмопривода тормозов прицепа
Баллон
Кран тормозной (для однопроводного пневмопривода)
Компрессор
Установка заглушки (для тракторов без пневмокомпрессора)
Электрооборудование по дизелю
Электрооборудование по дизелю (для тракторов Беларус - 900.3/920.3/950.3/952.3)
Электрооборудование трансмиссии
Электрооборудование по кабине
Генератор
Установка батарей аккумуляторных (система запуска 12В)
Установка батарей аккумуляторных (система запуска 24В)
Установка батарей аккумуляторных
Подогреватель электрофакельный
Стартер
Установка фар дорожных
Установка фонарей передних
Установка фонарей передних
Установка фонарей задних
Основание, приборы
Стенка, крышка
Устройство прицепное. Вариант «крюк» (по заказу)
Устройство прицепное. Вариант «маятник или прицеп»
Тягово-сцепное устройство
Тягово-сцепное устройство (варианты комплектации)
Вал отбора мощности задний
Вал отбора мощности задний
Шкив приводной
Вал отбора мощности боковой
Управление задним валом отбора мощности
Управление задним валом отбора мощности
Балласт
Балласт передний
Механизм задней навески (для тракторов с силовым регулятором)
Механизм задней навески (для тракторов с силовым регулятором)
Механизм задней навески (с гидроподъемником)
Наружная блокировка нижних тяг
Стяжка телескопическая
Гидросистема Р85-4600015
Гидросистема Р90-4600010
Гидроагрегаты и арматура
Гидроагрегаты и арматура
Гидроагрегаты и арматура
Гидроагрегаты и арматура (с силовым регулятором)
Гидроагрегаты и арматура (с гидроподъемником и распределителем RS 213 MITA)
Гидроагрегаты и арматура (с гидроподъемником)
Гидроагрегаты и арматура гидросистемы с тросовым управлением распределителя (типа «Joystiick»)
Корпус гидросистемы и фильтр
Привод насоса
Гидроцилиндр Ц 100x200
Гидрораспределитель Р80-3/4-222-3 Гг
Управление гидрораспределителем Р80
Гидрораспределитель РП70
Управление гидрораспределителем RS 213 Mita, RS 213 Belarus, РП70
Муфта быстросоединяемая
Механизм фиксации
Регулятор
Управление регулятором
Управление регулятором (ГНС со смешанным регулированием)
Переключатель (ГНС со смешанным регулированием)
Смеситель
Цилиндр гидроподъемника
Распределитель гидроподъемника
Управление гидроподъемником
Гидроподъемник
Инструмент оператора
Аптечка
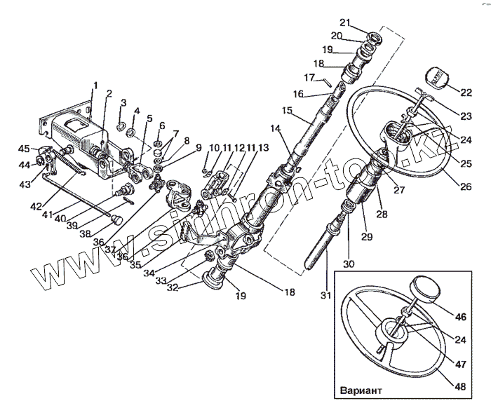
85-3401010
1
2
3
4
5
6
7
8
9
10
11
11
12
13
14
15
15
16
17
18
18
19
19
20
21
22
23
24
24
25
26
27
28
29
30
31
32
33
34
35
36
36
37
38
39
40
41
42
43
44
45
46
47
48
Позиция на иллюстрации
Заводской номер детали
Название детали
85-3401010
85-3401010
Колонка рулевая для насоса-дозатора НД-80 и щитка приборов 80-3805010 в сборе
85-3401150
85-3401150
Кардан для ОSРВ-100 в сборе
1
85-3401120
Кронштейн
2
85-3401016
Втулка
3
С20
Кольцо
4
80-3401019
Шайба
5
85-3401156-Б
Вилка (ОSРВ-100)
6
С19
Кольцо
7
904700УС17
Подшипник
8
50-3401064
Сальник
9
50-3401063
Обойма
10
М10-6Н.04.019
Гайка
11
80-3401013
Шайба
12
50-3401061-А
Вилка
13
M10-6gx45.88.35.019
Болт
14
СШ-510
Шпонка
15
70-3401055
Вал промежуточный
15
70-3401050-Б
Вал со штифтом и хвостовиком в сборе
16
70-3401054-Б
Хвостовик вала
17
ШЦК8x36
Штифт
18
70-3401077-Б
Амортизатор
19
70-3401076
Втулка
20
70-3401078
Гайка
21
70-3401079
Контргайка
22
80-3401082
Крышка головки
23
80-3401140
Зажим
24
М16x1,5-61-1.6.019
Гайка
25
50-3401091
Шайба
26
80-3402015
Колесо
27
80-3709025
Втулка
28
80-3709026-Б
Втулка
29
80-3709024
Чехол
30
50-4608057
Пружина
31
85-3401175
Вал
32
600-3401012
Шайба
33
70-3003032
Гайка
34
8x28.01.019
Заклепка
35
600-3401160
Сектор
36
50-3401062
Крестовина
37
85-3401067
Вилка
38
70-3709012-А
Ручка переключателя
39
4x25.019
Шплинт
40
85-3401011
Винт
41
80-3401001
Тяга
42
50-1310158-Б
Пружина
43
1,6x12.019
Шплинт
44
С18
Кольцо
45
85-3401014
Фиксатор
46
822-3401140-А1
Зажим
47
16ОТ
Шайба ОСТ 37.001.115-75
48
70-3402015-А
Рулевое колесо
Содержащиеся в справочниках-каталогах запасные части и детали не предлагаются к продаже, а носят исключительно информационный характер
Дополнительная информация
×
Название:
Номер:
Примечание: