Каталог запасных частей к технике: МТЗ-900. Вал отбора мощности
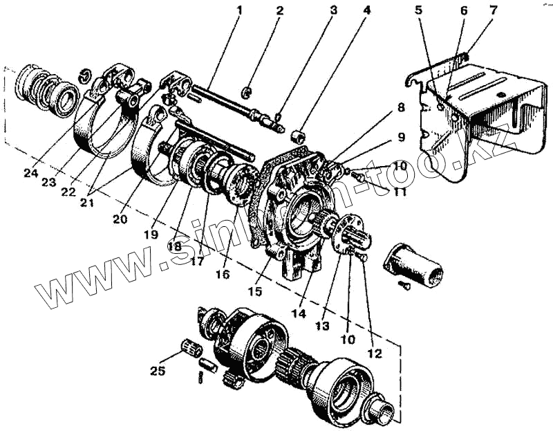
1
2
3
4
5
6
7
8
9
10
10
11
12
13
14
15
16
17
18
19
20
21
22
23
24
25
| Позиция на иллюстрации | Заводской номер детали | Название детали | |
|---|---|---|---|
| 80-4202010А-01 | 80-4202010А-01 | Задний вал отбора мощности (ВОМ) | |
| 80-4202019Б-02 | 80-4202019Б-02 | Хвостовик (с 21 шплицем) | |
| Шайба ШП8 | Шайба ШП8 | Шайба ШП8 | |
| Шайба ШЧ8 | Шайба ШЧ8 | Шайба ШЧ8 | |
| Гайка М8 | Гайка М8 | Гайка М8 | |
| 1 | 80-4202076 | Вал | |
| 2 | Кольцо 54.38.619 | Кольцо 54.38.619 | |
| 3 | Кольцо 014-018-25-1-4 | Кольцо 014-018-25-1-4 | |
| 4 | 80-4202082 | Втулка | |
| 5 | Болт М8х6 | Болт М8х6 | |
| 6 | 80-4202092 | Крышка | |
| 7 | 80-4202091-01 | Кожух | |
| 8 | Кольцо 2Б18 | Кольцо 2Б18 | |
| 9 | 85-4202079 | Пластина | |
| 10 | Шайба ШП10 | Шайба ШП10 | |
| 11 | Болт М10х35 | Болт М10х35 | |
| 12 | Болт М10х18 | Болт М10х18 | |
| 13 | 80-4202081 | Пластина | |
| 14 | 80-4202019Б-01 | Хвостовик (с 6 шплицами) | |
| 15 | 80-4202042Б | Крышка | |
| 16 | 80-4202017Б | Вал | |
| 17 | Манжета 2-80х105-1 | Манжета 2-80х105-1 | |
| 18 | Подшипник 60 310А | Подшипник 60 310А | |
| 19 | Кольцо 2В110 | Кольцо 2В110 | |
| 20 | 70-4202072Б | Ось | |
| 21 | 50-4202100А1 | Лента с накладкой | |
| 22 | 85-4202074 | Рычаг | |
| 23 | 50-4202058 | Кронштейн | |
| 24 | 50-4202074 | Рычаг | |
| 25 | Подшипник ЗКК 20х26х34Е | Подшипник ЗКК 20х26х34Е |
Содержащиеся в справочниках-каталогах запасные части и детали не предлагаются к продаже, а носят исключительно информационный характер