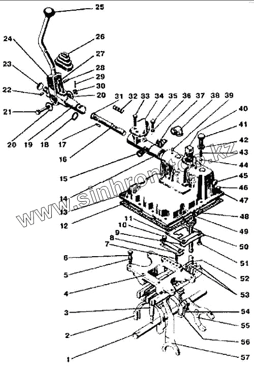
Каталог запасных частей к технике: МТЗ-900. Управление коробкой передач
1
2
3
4
5
6
7
8
9
10
11
12
13
14
15
16
17
18
19
20
20
21
22
23
24
25
26
27
28
29
30
31
32
33
34
35
36
37
38
39
40
41
42
43
44
45
46
47
48
49
50
51
52
53
54
55
56
57
| Позиция на иллюстрации | Заводской номер детали | Название детали | |
|---|---|---|---|
| 74-1702080 | 74-1702080 | Корпус | |
| 1 | 50-1702063 | Валик | |
| 2 | 74-1702096 | Вилка переключения 2-й и 3-йпередач | |
| 3 | 74-1702095 | Поводок | |
| 4 | 50-1702085 | Корпус вилок | |
| 5 | Шайба ШП10 | Шайба ШП10 | |
| 6 | Болт М10х25 | Болт М10х25 | |
| 7 | 50-1702148-А | Пружина фиксатора | |
| 8 | 50-1702081 | Планка вилок переключения | |
| 9 | 50-1702107-А | Пластина стопорная | |
| 10 | Болт М10х12 | Болт М10х12 | |
| 11 | 74-1702084 | Пластина ограничительная | |
| 12 | 50-1702026 | Прокладка | |
| 13 | 50-1703025-А | Крышка | |
| 14 | 70-1703024-А | Труба | |
| 15 | 70-1702053 | Пробка | |
| 16 | 70-1703201 | Вал | |
| 17 | Шпонка 6х11 | Шпонка 6х11 | |
| 18 | Кольцо 030-034-25-1-4 | Кольцо 030-034-25-1-4 | |
| 19 | 70-1703210 | Опора | |
| 20 | Шайба ШП12 | Шайба ШП12 | |
| 21 | 50-2403034-01 | Болт | |
| 22 | Штифт 8х20 | Штифт 8х20 | |
| 23 | Заглушка 35.08 КП-019 | Заглушка 35.08 КП-019 | |
| 24 | 70-1703220 | Рычаг | |
| 25 | Рукоятка 12-12-108 | Рукоятка 12-12-108 | |
| 26 | 70-1703203 | Чехол | |
| 27 | Штифт 8х25 | Штифт 8х25 | |
| 28 | 70-1703202 | Поводок | |
| 29 | Шплинт 3,2х28 | Шплинт 3,2х28 | |
| 30 | Гайка М12К | Гайка М12К | |
| 31 | 70-1703058 | Шайба | |
| 32 | 70-17003057 | Пружина | |
| 33 | 50-1703205 | Стопор | |
| 34 | 80-3710021 | Кронштейн | |
| 35 | Болт М12х25 | Болт М12х25 | |
| 36 | Болт ШП12 | Болт ШП12 | |
| 37 | Выключатель УК403 | Выключатель УК403 | |
| 38 | 50Л-3724050 | Чехол | |
| 39 | Штифт 8ПР 2 2ах14 | Штифт 8ПР 2 2ах14 | |
| 40 | Пробка КG 11/4 | Пробка КG 11/4 | |
| 41 | Болт М16х32 | Болт М16х32 | |
| 42 | Гайка М16 | Гайка М16 | |
| 43 | 70-4609037 | Пружина | |
| 44 | Шарик 10,0-60 | Шарик 10,0-60 | |
| 45 | Заглушка 28.10.Ц9ХР | Заглушка 28.10.Ц9ХР | |
| 46 | Болт М10х60 | Болт М10х60 | |
| 47 | Шайба ШП10 | Шайба ШП10 | |
| 48 | Болт М10х30 | Болт М10х30 | |
| 49 | Шайба ШП 10 | Шайба ШП 10 | |
| 50 | 70-1703011 | Рычаг | |
| 51 | Болт М10х18 | Болт М10х18 | |
| 52 | 74-1702040 | Пластина | |
| 53 | 50-1702083 | Планка замковая | |
| 54 | 36-1702110 | Винт установочный | |
| 55 | 50-1702028 | Вилка переключения редуктора | |
| 56 | 74-1702116 | Вилка 4-й и 5-й передач | |
| 57 | 74-1702086 | Вилка 1-й передачи и заднего хода |
Содержащиеся в справочниках-каталогах запасные части и детали не предлагаются к продаже, а носят исключительно информационный характер