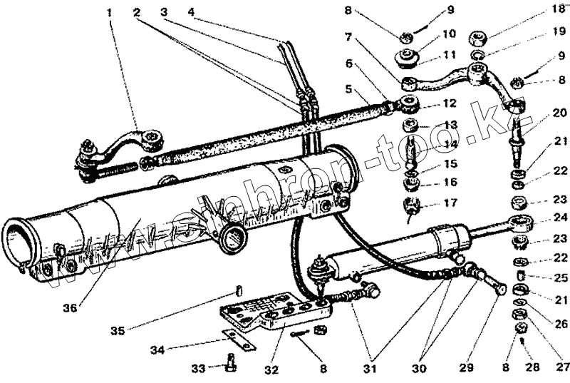
Каталог запасных частей к технике: МТЗ-900. Передняя ось с гидроцилиндром в рулевой трапеции
1
2
3
4
5
6
7
8
8
8
8
9
9
10
11
12
13
14
15
16
17
17
18
19
20
21
21
22
22
23
23
24
25
26
27
28
29
30
31
32
33
34
35
36
| Позиция на иллюстрации | Заводской номер детали | Название детали | |
|---|---|---|---|
| 1220-3003022-01 | 1220-3003022-01 | Корпус шарнира левый | |
| 1220-3003013-01 | 1220-3003013-01 | Гайка с левой резьбой | |
| 1220-3003020А | 1220-3003020А | Шарнир с правой резьбой | |
| 1220-3003010 | 1220-3003010 | Тяга рулевая | |
| 1220 3003020А-01 | 1220 3003020А-01 | Шарнир с левой резьбой | |
| 1 | 70-3001040 | Рычаг правый | |
| 2 | 952-3407100 | Рукав высокого давления | |
| 3 | 952-3407040 | Маслопровод | |
| 4 | 952-3407030 | Маслопровод | |
| 5 | 1220-3003011 | Труба | |
| 6 | 1220-3003013 | Гайка с правой резьбой | |
| 7 | 70-3001040-01 | Рычаг левый | |
| 8 | Гайка корончатая М20х1,5 | Гайка корончатая М20х1,5 | |
| 9 | Шплинт 4х36 | Шплинт 4х36 | |
| 10 | 1220-3003025 | Чехол шарнира | |
| 11 | 1220-3003029 | Кольцо | |
| 12 | 1220-3003022 | Корпус шарнира правый | |
| 13 | 1220-3003023 | Вкладыш верхний | |
| 14 | 1220-3003021 | Палец шаровой | |
| 15 | 1220-3003027 | Вкладыш | |
| 16 | 1220-3003028 | Вкладыш нижний | |
| 17 | 50-3003018Б | Пробка | |
| 17 | А35.32.006 | Пробка | |
| 18 | 50-3001087 | Гайка | |
| 19 | Шайба ШП27 | Шайба ШП27 | |
| 20 | Ф80-3405101Б | Палец | |
| 21 | Ф80-3405108 | Чашка уплотнительная | |
| 22 | Ф80-3405109 | Уплотнитель | |
| 23 | Ф80-3405107 | Втулка сферическая | |
| 24 | Ц50-3405215 | Гидроцилиндр | |
| 25 | Ф80-3405102В | Втулка | |
| 26 | Шайба ШЧ20 | Шайба ШЧ20 | |
| 27 | Ф80-3405103 | Шайба стопорная | |
| 28 | Масленка 2.1.61 | Масленка 2.1.61 | |
| 29 | Ф80-3407201 | Болт | |
| 30 | Ф80-3407114 | Шайба | |
| 31 | 952-3407020 | Переходник | |
| 32 | Ф80-3001011 | Кронштейн | |
| 33 | Ф80-3001013 | Пластина | |
| 34 | Болт М16х40 | Болт М16х40 | |
| 35 | Штифт Д01-015 | Штифт Д01-015 | |
| 36 | 50-3001010А-01 | Ось передняя |
Содержащиеся в справочниках-каталогах запасные части и детали не предлагаются к продаже, а носят исключительно информационный характер