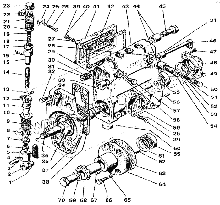
Каталог запасных частей к технике: МТЗ-900. Насос топливный высокого давления
1
2
3
4
5
6
7
8
9
10
11
12
13
14
15
16
17
18
19
20
21
22
23
24
25
25
26
27
28
29
30
31
31
32
33
34
35
36
37
38
39
39
40
41
42
43
44
45
46
47
48
49
50
51
52
53
54
55
55
56
57
58
59
60
61
62
63
64
65
66
67
68
69
70
| Позиция на иллюстрации | Заводской номер детали | Название детали | |
|---|---|---|---|
| 16-С13-1Б | 16-С13-1Б | Клапан перепускной в сборе | |
| УТН-5-1111220 | УТН-5-1111220 | Клапан с седлом в сборе | |
| 4УТНМ-1111090-01 | 4УТНМ-1111090-01 | Толкатель в сборе | |
| 4УТНМ-1111410-02 | 4УТНМ-1111410-02 | Плунжерная пара в сборе | |
| 4УТНМ-Т-1111010-30 | 4УТНМ-Т-1111010-30 | Насос топливный | |
| 4УТНМ-Т-1111005-20 | 4УТНМ-Т-1111005-20 | Насос топливный | |
| 1 | УТН-3-1111264 | Втулка | |
| 2 | УТН-3-1111263 | Ролик | |
| 3 | 4УТНМ-1111266 | Ось | |
| 4 | 4УТНМ-1111262-01 | Корпус толкателя | |
| 5 | 4УТНМ-11114.26 | Фиксатор | |
| 6 | УТН-5-1111267 | Контргайка | |
| 7 | 4УТНМ-1111265 | Болт | |
| 8 | 4УТНМ-1111472 | Тарелка | |
| 9 | УТН-5-1111138 | Пружина | |
| 10 | УТН-5-1111473-А | Тарелка | |
| 11 | УТН-5-1111431-Б | Втулка | |
| 12 | 4УТНМ-1111432-01 | Венец | |
| 13 | УТН-5-1111433-А | Винт | |
| 14 | 4УТНМ-1111422-02 | Плунжер | |
| 15 | 4УТНМ-1111425-01 | Втулка | |
| 16 | УТН-3-1111489 | Штифт | |
| 17 | УТН-5-1111226 | Седло | |
| 18 | УТН-5-1111224 | Клапан | |
| 19 | 16-068-А | Пружина | |
| 20 | 16-212 | Прокладка | |
| 21 | УТН-3-11П485 | Штуцер | |
| 22 | УТН-3-1111478-А2 | Зажим | |
| 23 | 119-73-В | Колпачок (деталь технологическая) | |
| 24 | УТН-3-1111477-А2 | Зажим | |
| 25 | Шайба ШП6 | Шайба ШП6 | |
| 26 | Болт М6х30 | Болт М6х30 | |
| 27 | УТН-3-1111488-01 | Шайба | |
| 28 | УТН-3-1111028-В2 | Футорка | |
| 29 | УТН-5-1111519 | Кольцо | |
| 30 | УТН-5-1111023-А | Пробка | |
| 31 | УТН-5-1111029 | Втулка | |
| 32 | Болт М8х16 | Болт М8х16 | |
| 33 | УТН-3-1111022-Б | Футорка | |
| 34 | УТН-5-1110242 | Шайба | |
| 35 | УТН-5-11111155 | Шпонка | |
| 36 | 4УТНМ-1111152-В | Вал кулачковый | |
| 37 | 4УТНМ-1111082 | Плита | |
| 38 | 4УТНМ-1111483 | Прокладка | |
| 39 | Болт М6х20 | Болт М6х20 | |
| 40 | Болт 3М6х20 | Болт 3М6х20 | |
| 41 | УТН-5-1111475-А6 | Крышка | |
| 42 | УТН-5-1111476-А5 | Прокладка | |
| 43 | 4УТНМ-1111025-20 | Корпус | |
| 44 | 119-85-1 | Втулка (деталь технологическая) | |
| 45 | А12.01.003-03 | Болт | |
| 46 | УТН-5-1111350 | Рейка | |
| 47 | ВМ6-6qх12 | Винт | |
| 48 | УТН-5-1111451-И | Стакан | |
| 49 | 4УТНМ-1111213 | Прокладка регулировочная | |
| 50 | 16-218 | Пробка | |
| 51 | 16-219 | Прокладка | |
| 52 | 16-057 | Пружина | |
| 53 | 16-262 | Шарик | |
| 54 | 16-216-1 | Корпус | |
| 55 | Подшипник 7204Л | Подшипник 7204Л | |
| 56 | Д40-1110026 | Штифт | |
| 57 | ОНМ-019-2 | Болт | |
| 58 | ОНМ-086-1 | Прокладка | |
| 59 | 16-148-Б | Прокладка | |
| 60 | УТН-3-111026-А2 | Пробка | |
| 61 | 4УТНМ-1111244 | Пластина опорная | |
| 62 | 4УТНМ-1111243-10 | Пружина | |
| 63 | 4УТНМ-1111493 | Прокладка | |
| 64 | 4УТНМ-1111162-10 | Фланец | |
| 65 | Шайба ШП8 | Шайба ШП8 | |
| 66 | Болт М8х30 | Болт М8х30 | |
| 67 | УТН-5-1111163 | Заглушка | |
| 68 | УТН-3-1111165 | Втулка | |
| 69 | 16-091 | Шайба | |
| 70 | УТН-5-1111471 | Гайка |
Содержащиеся в справочниках-каталогах запасные части и детали не предлагаются к продаже, а носят исключительно информационный характер