Каталог запасных частей к технике: МТЗ-900. Корпус коробки передач. Привод ПВМ
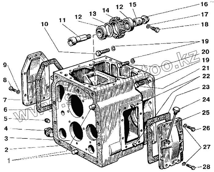
1
2
3
4
5
6
7
8
9
10
11
12
12
13
14
15
16
17
18
19
19
20
21
22
23
24
25
26
27
28
| Позиция на иллюстрации | Заводской номер детали | Название детали | |
|---|---|---|---|
| 1 | 50-4605027 | Штифт | |
| 2 | 50-1701026 | Прокладка | |
| 3 | 50-1701025-А | Корпус | |
| 4 | Пробка Р5М 1 1/4 | Пробка Р5М 1 1/4 | |
| 5 | Пробка КО 3/8 | Пробка КО 3/8 | |
| 6 | 50-1701459 | Прокладка | |
| 7 | 50-1701458 | Крышка правая | |
| 8 | Болт М10х35 | Болт М10х35 | |
| 9 | Шайба ШП10 | Шайба ШП10 | |
| 10 | Болт М16Х100 | Болт М16Х100 | |
| 11 | 52-1802094-А2 | Ось | |
| 12 | Подшипник 7306К | Подшипник 7306К | |
| 13 | 52-1802097 | Кольцо | |
| 14 | 52-1802091 | Шестерня | |
| 15 | 52-1802092-В | Втулка | |
| 16 | 72-1802128 | Гайка | |
| 17 | Шайба ШП12 | Шайба ШП12 | |
| 18 | 52-1802093 | Винт | |
| 19 | Шайба ШП16 | Шайба ШП16 | |
| 20 | Болт М16х60 | Болт М16х60 | |
| 21 | Болт М16х50 | Болт М16х50 | |
| 22 | 001-015 | Штифт | |
| 23 | 50-1701456-А | Прокладка | |
| 24 | 70-1701410 | Щуп | |
| 25 | 70-1701454-А | Крышка левая | |
| 26 | Болт М12х35 | Болт М12х35 | |
| 27 | Шайба ШП12 | Шайба ШП12 | |
| 28 | Болт М16х45 | Болт М16х45 |
Содержащиеся в справочниках-каталогах запасные части и детали не предлагаются к продаже, а носят исключительно информационный характер