Каталог запасных частей к технике: МТЗ-826. Управление гидроподъемником
1
2
3
4
5
6
6
7
7
8
8
8
9
9
9
9
10
10
10
10
11
11
12
12
13
14
15
16
16
16
16
17
18
19
19
20
20
20
21
21
21
22
23
24
24
25
26
27
28
29
30
31
31
32
33
34
35
36
37
38
39
40
41
42
43
44
45
46
47
47
48
49
50
51
52
52
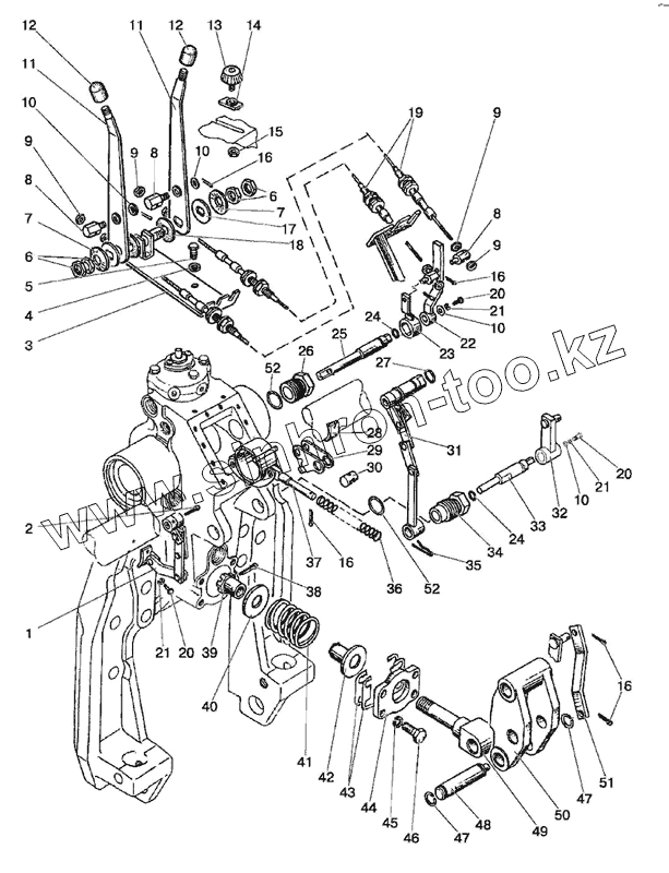
| Позиция на иллюстрации | Заводской номер детали | Название детали | |
|---|---|---|---|
| 820-4635020А | 820-4635020А | Датчик силовой | |
| 820-4635090-Б | 820-4635090-Б | Кронштейн | |
| 1 | 820-4635025 | Звено | |
| 2 | 3,2x25.019 | Шплинт | |
| 3 | 820-4635095-Б | Кронштейн | |
| 4 | 8Т | Шайба | |
| 5 | M8-6gx20.88.35.019 | Болт | |
| 6 | М14x1,5-61-1.6.019 | Гайка | |
| 7 | 80В-1108347 | Пружина тарельчатая | |
| 8 | 80В-1108317 | Бонка | |
| 9 | М6-6Н.6.019 | Гайка | |
| 10 | С 6.01.019 | Шайба | |
| 11 | 820-4635100-Б | Рычаг позиционный | |
| 12 | А13.11.000 | Рукоятка | |
| 13 | 80-4616070 | Винт | |
| 14 | 820-4635082 | Упор | |
| 15 | М6-6Н.019 | Гайка | |
| 16 | 3,2x18.019 | Шплинт | |
| 17 | 80-1108028 | Шайба | |
| 18 | 80-1108178 | Шайба фрикционная | |
| 19 | Morse 900 | Трос | |
| 19 | 23.588.1.1.2.00.01-01 | Трос | |
| 20 | М6-6gx16.88.35.019 | Болт | |
| 21 | 6Т | Шайба | |
| 22 | 820-4635080 | Рычаг | |
| 23 | 820-4635075 | Рычаг | |
| 24 | 011-015-25-2-4 | Кольцо | |
| 25 | 820-4635034 | Валик | |
| 26 | 820-4635033-Б | Втулка | |
| 27 | 019-023-25-2-4 | Кольцо | |
| 28 | 820-4635046 | Скоба | |
| 29 | 820-4635070 | Рычаг | |
| 30 | 820-4635069 | Фиксатор | |
| 31 | 820-4635060 | Звено суммирующее | |
| 31 | 820-4635030 | Звено | |
| 32 | 820-4635015-Б | Рычаг | |
| 33 | 820-4635016-В | Валик | |
| 34 | 820-4635032-Б | Втулка | |
| 35 | 820-4635049 | Шплинт | |
| 36 | 820-4635063 | Пружина | |
| 37 | 820-4635065 | Кронштейн | |
| 38 | 4x22.019 | Шплинт | |
| 39 | 820-4635024 | Гайка | |
| 40 | 820-4635023 | Шайба | |
| 41 | 820-4635022 | Пружина | |
| 42 | 820-4635026-Б | Втулка | |
| 43 | 820-4635044-Б | Прокладка | |
| 44 | 820-4635043-Б | Крышка | |
| 45 | 12 ОТ | Шайба | |
| 46 | М12-6gx30.88.35.019 | Болт | |
| 47 | С22 | Кольцо | |
| 48 | 820-4635018 | Палец | |
| 49 | 820-4635021 | Шток | |
| 50 | 820-4635019 | Серьга | |
| 51 | 820-4635048 | Тяга | |
| 52 | 027-032-30-1-4 | Кольцо |
Содержащиеся в справочниках-каталогах запасные части и детали не предлагаются к продаже, а носят исключительно информационный характер