Вернуться на главную
Поиск
Каталоги запчастей к технике
Сельхозтехника
МТЗ
МТЗ-826
Корпус КП. Привод ПВМ
Каталог запасных частей к технике: МТЗ-826. Корпус КП. Привод ПВМ
zoom-in
zoom-out
enlarge
shrink
circle-right
circle-left
file-text2
info
cart
Тип техники
Не выбрано
Легковые автомобили
Грузовые автомобили и прицепы
Автобусы
Сельхозтехника
Спецтехника
Двигатели
Мототехника
Марка
Не выбрано
AGCO
Amity
CASE IH
DongFeng
Fortschritt
Foton
Franz Kleine
Gaspardo
Great Plains
KRONE
KUHN
Lemken
Lovol
MacDon
Massey Ferguson
New Holland
TIGARBO
Vaderstad
Versatile
Wirax
Агро
Агротехмаш
Бобруйскагромаш (ОАО «УКХ «Бобруйскагромаш»)
БЭМЗ
ВгТЗ
Воронежсельмаш
ВТЗ
Гомсельмаш
ДКЗ
ЗАО "Техника-сервис"
ЗиД
КЗК
Кировец-Ландтехник
Клевер
Красная Звезда
Лидагропроммаш
Лидсельмаш
ЛТЗ
Машстройхолдинг
Минитракторы
Мордовагромаш
МТЗ
Навигатор-Новое машиностроение
Нефтекамский автозавод
ПТЗ
Ремком
РСМ
Сибсельмаш
ТеКЗ
ТКЗ
ХЗТСШ
ХТЗ
ЮМЗ
Модель
Не выбрано
1025.5 (2013)
1025/1025.2/1025.3 (2009)
1220 (2011)
1220.5 (2013)
1523.5 (2013)
1523.5 с ГМТ (2014)
2122.3/2122.4 (2015)
3022ДЦ.1 (2011)
320.4М (2019)
622 (2012)
800/900 (2003)
80Х (2012)
892 (2011)
922.3 / 922.4 (2013)
922.5 (2013)
923.4 (2014)
923.5 (2013)
92П (2010)
952.5 (2013)
БЕЛАРУС 1025.7 (2022)
БЕЛАРУС 1220.7 (2022)
БЕЛАРУС 1221.7 (2022)
БЕЛАРУС 2103 (2015)
БЕЛАРУС 320 (1998)
БЕЛАРУС 3522.5 (2013)
БЕЛАРУС 3525 (2019)
БЕЛАРУС 421 (2014)
БЕЛАРУС 451 (2023)
БЕЛАРУС 651 (2023)
БЕЛАРУС 923.7 (2022)
БЕЛАРУС 952.7 (2022)
Беларус-08Н (09Н) (2015)
Беларус-422.1 (2018)
КБ-00.000 (САЗ) (2015)
КМ-2 (САЗ) (2015)
МТЗ-082
МТЗ-100
МТЗ-1005 (2008)
МТЗ-1021.3 (2010)
МТЗ-1025.4 (2009)
МТЗ-112Н, 132Н (2010)
МТЗ-1221 (1997)
МТЗ-1221 (2009) (2009)
МТЗ-1221.4 (2009)
МТЗ-1221.4 (2009)
МТЗ-1221.5 (2013)
МТЗ-1222/1523 (2009)
МТЗ-1522 (2008)
МТЗ-1523
МТЗ-1523 (2013)
МТЗ-1523 (2008) (2008)
МТЗ-1523.4 (2010)
МТЗ-1523.6 (2018)
МТЗ-2022 (2010)
МТЗ-2103 (2010)
МТЗ-2522 (2010)
МТЗ-310, 320, 321 (2011)
МТЗ-3522 (2011)
МТЗ-510/512, 520/522 (2010)
МТЗ-570 (2010)
МТЗ-80 (1998)
МТЗ-80 (2002) (2002)
МТЗ-80 (2009) (2009)
МТЗ-80.1 (2015)
МТЗ-821/921 (2009)
МТЗ-822 (2008)
МТЗ-826 (2010)
МТЗ-90/92 (2008)
МТЗ-900
МТЗ-900/920/950/952 (2009)
МТЗ-920.4/952.4 (2009)
МТЗ-922 (2008)
МТЗ-923 (2008)
ФР-00.010 (САЗ) (2015)
ФР-00700-Б (САЗ) (2015)
Схема
>
Не выбрано
Кабина трактора. Крылья задние
Крыша
Крыша
Пол кабины
Двери кабины
Сиденье оператора
Сиденье
Подвеска сиденья
Сиденье дополнительное
Отопитель
Зеркало заднего вида внутреннее
Зеркало заднего вида боковое
Козырек противосолнечный
Облицовка
Облицовка
Облицовка
Крылья передние (с передней осью)
Крылья передние (с ПВМ 72-2300020-А)
Крылья передние (для ПВМ 822-2300020-02 с удлиненными рукавами)
Крылья передние (для ПВМ 822-2300020-04 с короткими рукавами)
Подножка
Установка двигателя
Баки топливные
Управление подачей топлива
Управление подачей топлива
Управление подачей топлива
Радиатор водяной. Подвеска радиатора водяного
Шторка
Ограждение вентилятора
Радиатор масляный
Установка сцепления
Установка сцепления
Корпус сцепления
Корпус сцепления. Отводка.
Корпус сцепления (привод ВОМ, привод насоса гидросистемы навески)
Корпус сцепления. Привод ВОМ
Корпус сцепления. Привод ВОМ
Управление сцеплением
Механический понижающий редуктор, механический ускоритель
Синхронизированный понижающий редуктор, синхронизированный ускоритель
Управлением редуктором, ускорителем
Синхронизированный реверс - редуктор
Синхронизированный реверс - редуктор
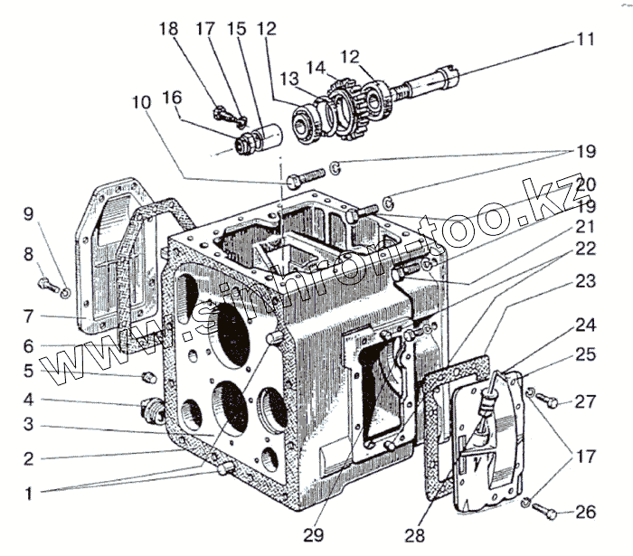
Корпус КП. Привод ПВМ
Вал первичный и вал вторичный механической КП
Первичный вал синхронизированной КП
Вторичный вал синхронизированной КП
Вал 1-ой передачи и передачи заднего хода
Вал промежуточный. Вал внутренний
Механизм управления механической КП. Корпус вилок
Механизм управления синхронизированной КП. Корпус вилок
Механизм правого однорычажного управления КП
Механизм 2-х рычажного управления КП
Раздаточная коробка
Управление раздаточной коробкой (для однорычажной КПП)
Управление раздаточной коробкой (для двухрычажной КПП)
Карданный вал. Промежуточная опора карданного вала
Ограждение карданного привода
Передний ведущий мост 72-2300020-А
Передний ведущий мост 822-2300020
Главная передача переднего ведущего моста
Дифференциал
Редуктор колесный
Редуктор конечной передачи переднего ведущего моста
Корпус заднего моста. Конечная передача
Дифференциал. Стакан подшипников
Механизм блокировки дифференциала
Механизм блокировки дифференциала «мокрого» типа
Полурама
Устройство буксирное
Крюк прицепной гидрофицированный
Ось передняя и тяга рулевая
Тяга рулевая
Колеса передние направляющие, ступицы передних колес
Колеса передние ведущие (для тракторов с ПВМ 72-2300020-А)
Колеса передние ведущие (для тракторов с ПВМ 822-2300020)
Колеса передние ведущие (для тракторов с ПВМ 822-2300020)
Колеса задние, ступицы задних колес
Ступицы задних колес
Колонка рулевая
Арматура рулевого управления 900-3400010/-02
Гидроцилиндр и арматура ГОРУ 900-3400010 (вариант с передней осью)
Гидроцилиндр и арматура ГОРУ 900-3400010-02 (вариант с ПВМ 72-2300020-А)
Управление рулевое 920-3400010-01 (с ПВМ 822-2300020)
Управление рулевое 920-3400010 (с ПВМ 72-2300020-А)
Гидроцилиндр 50x25-200
Гидроцилиндр Ц63
Управление тормозами (сухого трения)
Тормоза (вариант исполнения)
Тормоза «мокрые» (левый/правый)
Тормоза, управление «мокрыми» тормозами
Тормоз стояночно-запасной. Управление стояночно-запасным тормозом
Тормоз стояночно-запасной, управление стояночно-запасным тормозом (для «мокрых» тормозов)
Трубопроводы и арматура двухпроводного пневмопривода тормозов прицепа
Трубопроводы и арматура однопроводного пневмопривода тормозов прицепа
Баллон
Кран тормозной, для однопроводного пневмопривода
Управление БД и ВОМ (электрическая часть)
Электрооборудование двигателя
Электрооборудование трансмиссии
Электрооборудование кабины
Установка фар дорожных
Установка фар дорожных
Установка фар рабочих
Установка батарей аккумуляторных (система запуска 12В)
Установка батарей аккумуляторных (система запуска 24В)
Установка фонарей передних
Установка фонарей задних
Электрооборудование отопителя
Фонари автопоезда
Установка маяка сигнального
Стеклоочистители
Стеклooмыватели
Щиток приборов
Щиток приборов
Гидроагрегаты и арматура
Гидроагрегаты и арматура
Гидроагрегаты и арматура
Гидроагрегаты и арматура
Гидроагрегаты и арматура
Гидроагрегаты и арматура
Гидроагрегаты и арматура
Гидроагрегаты и арматура
Гидроагрегаты и арматура
Гидроагрегаты и арматура
Гидроагрегаты и арматура
Привод насоса
Управление гидрораспределителем RS 213 Mita, RS 213 Belarus, РП70
Корпус гидросистемы и фильтр
Гидроцилиндр Ц 100x200/ Ц110x200
Муфта быстросоединяемая
Гидрораспределитель РП70
Регулятор
Управление регулятором
Управление регулятором, ГНС со смешанным регулированием
Переключатель, ГНС со смешанным регулированием
Цилиндр гидроподъемника
Распределитель гидроподъемника
Управление гидроподъемником
Гидроподъемник
Управление блокировкой дифференциала
Устройство прицепное, для тракторов с силовым регулятором и без силового регулятора
Устройство прицепное, для тракторов с силовым регулятором и без силового регулятора
Тягово-сцепное устройство
Тягово-сцепное устройство, варианты комплектации
Вал отбора мощности задний
Вал отбора мощности задний
Вал отбора мощности боковой
Управление задним валом отбора мощности
Управление задним валом отбора мощности
Балласт
Балласт передний
Механизм задней навески, для тракторов с силовым регулятором
Механизм задней навески с гидроподъемником
Наружная блокировка нижних тяг
Стяжка телескопическая
Механизм фиксации
Инструмент оператора
Аптечка (по заказу)
Ящик инструментальный
1
2
3
3
4
5
6
7
8
9
10
11
12
12
13
14
15
16
17
17
18
19
19
20
21
22
23
24
25
26
27
28
29
Позиция на иллюстрации
Заводской номер детали
Название детали
52-1802095-Б
52-1802095-Б
Шестерня промежуточная с кольцом и подшипником в сборе
1
50-4605027
Штифт
2
50-1701026
Прокладка
3
50-1701025-А
Корпус
3
50-1701025-А-01
Корпус
4
70-1701300
Пробка
5
"ПК КГ 3/8"""
Пробка
6
50-1701459
Прокладка
7
50-1701458
Крышка правая
8
M10-6gx35.88.35.019
Болт
9
10 ОТ
Шайба
10
М16-6gx100.88.35.019
Болт
11
52-1802094
Ось
12
7306А
Подшипник
13
52-1802097-А
Кольцо
14
52-1802091
Шестерня
15
52-1802092-Б
Втулка
16
52-1802128
Гайка
17
12 ОТ
Шайба
18
52-1802093
Винт
19
16 ОТ
Шайба
20
М16-6gx60.88.35.019
Болт
21
М16-6gx50.88.35.019
Болт
22
Д01-015
Штифт установочный
23
50-1701456-А
Прокладка
24
70-1701415-А
Масломер
25
70-1701454-А2
Крышка
26
М12-6gx35.88.35.019
Болт
27
М12-6gx35.88.35.019
Болт
28
011-015-25-2-4
Кольцо
29
М16-6gx55.88.35.019
Болт
Содержащиеся в справочниках-каталогах запасные части и детали не предлагаются к продаже, а носят исключительно информационный характер
Дополнительная информация
×
Название:
Номер:
Примечание: