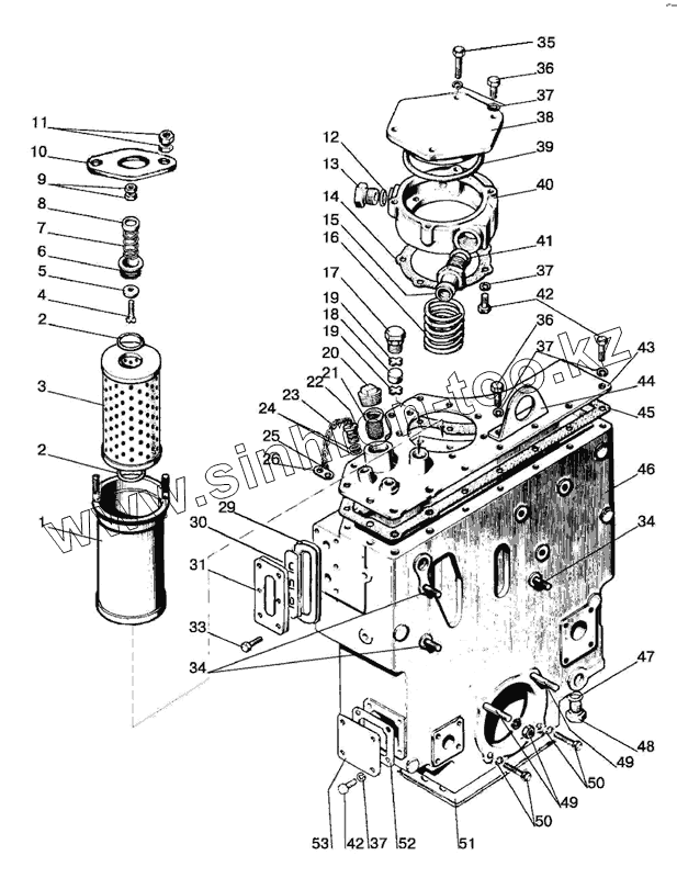
Каталог запасных частей к технике: МТЗ-826. Корпус гидросистемы и фильтр
85-4608010
1
2
2
3
3
4
5
5
6
7
8
9
10
11
12
12
13
14
15
16
17
18
19
19
20
21
22
22
23
24
25
26
29
30
31
33
34
34
35
36
36
37
37
37
37
38
39
40
41
42
42
43
44
45
46
47
47
48
49
49
49
50
50
50
51
52
53
| Позиция на иллюстрации | Заводской номер детали | Название детали | |
|---|---|---|---|
| 85-4608010 | 85-4608010 | Корпус гидросистемы | |
| 1 | А28.04.20.000-А1 | Корпус | |
| 2 | 042-050-46-2-4 | Кольцо | |
| 3 | ЭФОМ635-1 | Элемент фильтрующий | |
| 3 | ФЭГ3-25 | Элемент фильтрующий | |
| 4 | В.М6-6gx40.58.019 | Винт | |
| 5 | А28.04.10.000 | Клапан 8.20.004 в сборе | |
| 5 | 8.20.004 | Клапан | |
| 6 | А28.04.10.001 | Корпус | |
| 7 | 8.20.002 | Пружина | |
| 8 | 8.20.005 | Шайба опорная | |
| 9 | М6-6Н.6.019 | Гайка | |
| 10 | А28.04.00.001 | Ограничитель | |
| 11 | М6-6Н.6.019 | Гайка | |
| 12 | РМ 24 | Шайба | |
| 12 | 40-4607033-А | Шайба | |
| 13 | 85-4608021 | Пробка | |
| 14 | 85-4608089 | Прокладка | |
| 15 | 85-4607034 | Штуцер | |
| 16 | 85-4608057 | Пружина | |
| 17 | 50-4608059 | Пробка сапуна | |
| 18 | 50-4608063 | Фильтр | |
| 19 | 50-4608062 | Шайба сапуна | |
| 20 | КГ11/4 | Пробка | |
| 21 | А61-С06-А3 | Фильтр | |
| 22 | 85-4608091 | Клапан | |
| 22 | 85-4608090 | Клапан 85-4608091 в сборе | |
| 23 | 50-1002450 | Цепочка | |
| 24 | 011-015-25-2-4 | Кольцо | |
| 25 | 36-1101067 | Кольцо | |
| 26 | 50-3407069 | Чека | |
| 29 | 85-4608086-Б | Уплотнитель | |
| 30 | 85-4608087-Б | Указатель | |
| 31 | 85-4608088-Б | Корпус | |
| 33 | Болт М6х20 DIN EN 1665-98 | Болт | |
| 34 | М10 3р/6gx20.66.019 | Шпилька | |
| 35 | М8-6gx80.88.35.019 | Болт | |
| 36 | М8-6gx25.88.35.019 | Болт | |
| 37 | 8Т | Шайба | |
| 38 | 85-4608022 | Крышка | |
| 39 | 130-135-30-1-4 | Кольцо | |
| 40 | 85-4608018 | Стакан | |
| 41 | 027-032-30-1-4 | Кольцо | |
| 42 | М8-6gx20.88.35.019 | Болт | |
| 43 | 85-4608025 | Крышка | |
| 44 | 80-4608073 | Кронштейн | |
| 45 | 85-4608031-Б | Прокладка | |
| 46 | 85-4608016-А | Корпус гидросистемы | |
| 47 | РМ | Шайба | |
| 47 | 40-4607038-А | Шайба | |
| 48 | 70-4607163 | Пробка | |
| 49 | М10 3р/6gx35.66.019 | Шпилька | |
| 49 | М10-6Н.6.019 | Гайка | |
| 50 | М10-6gx40.88.35.019 | Болт | |
| 50 | 10 ОТ | Шайба | |
| 51 | 50-4608049-01 | Прокладка | |
| 52 | 70-4608033 | Прокладка | |
| 53 | 70-4608019 | Крышка |
Содержащиеся в справочниках-каталогах запасные части и детали не предлагаются к продаже, а носят исключительно информационный характер