Вернуться на главную
Поиск
Каталоги запчастей к технике
Сельхозтехника
МТЗ
МТЗ-822
Головка цилиндров. Клапаны и толкатели клапанов
Каталог запасных частей к технике: МТЗ-822. Головка цилиндров. Клапаны и толкатели клапанов
zoom-in
zoom-out
enlarge
shrink
circle-right
circle-left
file-text2
info
cart
Тип техники
Не выбрано
Легковые автомобили
Грузовые автомобили и прицепы
Автобусы
Сельхозтехника
Спецтехника
Двигатели
Мототехника
Марка
Не выбрано
AGCO
Amity
CASE IH
DongFeng
Fortschritt
Foton
Franz Kleine
Gaspardo
Great Plains
KRONE
KUHN
Lemken
Lovol
MacDon
Massey Ferguson
New Holland
TIGARBO
Vaderstad
Versatile
Wirax
Агро
Агротехмаш
Бобруйскагромаш (ОАО «УКХ «Бобруйскагромаш»)
БЭМЗ
ВгТЗ
Воронежсельмаш
ВТЗ
Гомсельмаш
ДКЗ
ЗАО "Техника-сервис"
ЗиД
КЗК
Кировец-Ландтехник
Клевер
Красная Звезда
Лидагропроммаш
Лидсельмаш
ЛТЗ
Машстройхолдинг
Минитракторы
Мордовагромаш
МТЗ
Навигатор-Новое машиностроение
Нефтекамский автозавод
ПТЗ
Ремком
РСМ
Сибсельмаш
ТеКЗ
ТКЗ
ХЗТСШ
ХТЗ
ЮМЗ
Модель
Не выбрано
1025.5 (2013)
1025/1025.2/1025.3 (2009)
1220 (2011)
1220.5 (2013)
1523.5 (2013)
1523.5 с ГМТ (2014)
2122.3/2122.4 (2015)
3022ДЦ.1 (2011)
320.4М (2019)
622 (2012)
800/900 (2003)
80Х (2012)
892 (2011)
922.3 / 922.4 (2013)
922.5 (2013)
923.4 (2014)
923.5 (2013)
92П (2010)
952.5 (2013)
БЕЛАРУС 1025.7 (2022)
БЕЛАРУС 1220.7 (2022)
БЕЛАРУС 1221.7 (2022)
БЕЛАРУС 2103 (2015)
БЕЛАРУС 320 (1998)
БЕЛАРУС 3522.5 (2013)
БЕЛАРУС 3525 (2019)
БЕЛАРУС 421 (2014)
БЕЛАРУС 451 (2023)
БЕЛАРУС 651 (2023)
БЕЛАРУС 923.7 (2022)
БЕЛАРУС 952.7 (2022)
Беларус-08Н (09Н) (2015)
Беларус-422.1 (2018)
КБ-00.000 (САЗ) (2015)
КМ-2 (САЗ) (2015)
МТЗ-082
МТЗ-100
МТЗ-1005 (2008)
МТЗ-1021.3 (2010)
МТЗ-1025.4 (2009)
МТЗ-112Н, 132Н (2010)
МТЗ-1221 (1997)
МТЗ-1221 (2009) (2009)
МТЗ-1221.4 (2009)
МТЗ-1221.4 (2009)
МТЗ-1221.5 (2013)
МТЗ-1222/1523 (2009)
МТЗ-1522 (2008)
МТЗ-1523
МТЗ-1523 (2013)
МТЗ-1523 (2008) (2008)
МТЗ-1523.4 (2010)
МТЗ-1523.6 (2018)
МТЗ-2022 (2010)
МТЗ-2103 (2010)
МТЗ-2522 (2010)
МТЗ-310, 320, 321 (2011)
МТЗ-3522 (2011)
МТЗ-510/512, 520/522 (2010)
МТЗ-570 (2010)
МТЗ-80 (1998)
МТЗ-80 (2002) (2002)
МТЗ-80 (2009) (2009)
МТЗ-80.1 (2015)
МТЗ-821/921 (2009)
МТЗ-822 (2008)
МТЗ-826 (2010)
МТЗ-90/92 (2008)
МТЗ-900
МТЗ-900/920/950/952 (2009)
МТЗ-920.4/952.4 (2009)
МТЗ-922 (2008)
МТЗ-923 (2008)
ФР-00.010 (САЗ) (2015)
ФР-00700-Б (САЗ) (2015)
Схема
>
Не выбрано
Кабина
Кабина
Кабина
Кабина
Кабина (облицовка)
Облицовка
Стеклоомыватель
Двери кабины
Двери кабины
Сиденье оператора
Сиденье оператора
Отопитель
Отопитель
Электрофакельный подогреватель
Зеркало внутреннее
Зеркало наружное
Козырек противосолнечный
Облицовка
Облицовка
Облицовка
Крылья передних колес
Подножка
Механизмы двигателя
Головка цилиндров. Клапаны и толкатели клапанов
Головка цилиндров. Клапаны и толкатели клапанов
Головка цилиндров. Клапаны и толкатели клапанов
Поршни и шатуны. Коленчатый вал и маховик
Распределительный механизм
Газопровод дизеля
Газопровод дизеля
Привод гидронасоса
Бак
Бак
Топливные трубопроводы. Установка топливной аппаратуры
Топливные трубопроводы. Установка топливной аппаратуры
Насос топливный высокого давления
Регулятор топливного насоса
Корректор по наддуву
Насос подкачивающий
Форсунка
Фильтр топливный тонкой очистки
Фильтр топливный грубой очистки
Управление подачей топлива
Управление подачей топлива
Установка воздухоочистителя
Маслопроводы турбокомпрессора
Глушитель
Глушитель
Радиатор водяной
Термостат системы охлаждения
Водяной насос. Вентилятор
Шторка
Масляный картер
Масляный насос и приемник масляного насоса
Центробежный масляный фильтр
Масляный радиатор
Диски сцепления
Корпус сцепления
Корпус сцепления (отводка)
Корпус сцепления. Привод насоса. Редуктор привода вала отбора мощности
Муфта сцепления. Валы
Управление сцеплением
Управление сцеплением
Цилиндр рабочий
Гидроусилитель
Коробка передач. Привод ПВМ
Вал первичный
Вал вторичный
Вал промежуточный
Вал I передачи и заднего хода. Опоры промежуточного и внутреннего валов
Механизм управления коробкой передач
Механизм управления коробкой передач. Корпус вилок
Управление редуктором (мультипликатором)
Раздаточная коробка
Управление раздаточной коробкой
Вал карданный. Промежуточная опора карданного вала
Ограждение карданного вала
Передний ведущий мост (822-2300020). Корпус переднего моста. Дифференциал
Главная передача переднего ведущего моста
Редуктор конечной передачи переднего ведущего моста
Задний мост. Корпус заднего моста
Дифференциал. Главная передача. Стакан подшипников. Крышка стакана
Механизм блокировки дифференциала
Полурама
Рулевые тяги
Колеса передние ведущие
Колеса задние
Колонка рулевая
Колонка рулевая
Гидроцилиндр
Управление рулевое гидрообъемное
Бак
Тормоза
Управление тормозами
Тормоз стояночно-запасной. Управление стояночно-запасным тормозом
Тормоз стояночно-запасной. Управление стояночно-запасным тормозом
Пневмопривод
Регулятор давления
Кран тормозной
Головка соединительная
Компрессор
Электрооборудование по дизелю
Электрооборудование трансмиссии
Электрооборудование трансмиссии
Электрооборудование кабины
Электрооборудование по кабине
Электрооборудование по кабине. Установка фар рабочих
Электрооборудование по кабине. Установка фар рабочих
Генератор
Стартер
Фонарь передний
Плафон освещения кабины
Фонарь задний
Фонарь освещения номерного знака
Световозвращатели
Управление БД, ВОМ и редуктором (мультипликатором)
Щиток приборов
Тягово-сцепное устройство
Вал отбора мощности (BOM)
Шкив приводной
Балласт
Привод насоса
Переключение ВОМ (независимый/синхронный)
Навесное устройство
Гидроагрегаты и арматура
Гидроагрегаты и арматура
Гидрораспределитель
Бак масляный
Цилиндр гидроподъемника
Распределитель гидроподъемника
Гидроподъемник
Гидроподъемник
Плита гидропривода
Гидропривод управления блокировкой дифференциала, ВОМ и редуктором (мультипликатором)
Инструмент оператора
Ящик инструментальный
Аптечка
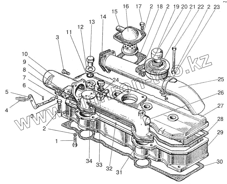
1
2
2
2
2
3
3
4
5
6
7
8
9
10
10
11
12
13
14
15
16
17
18
19
20
21
21
22
23
24
25
26
27
28
29
29
30
31
32
33
34
Позиция на иллюстрации
Заводской номер детали
Название детали
1
М8х35
Болт
2
ШП8
Шайба
3
М8х30
Болт
4
240-1003226-А1
Пружина
5
240-1003240-А1
Валик
6
ВМ4х10
Винт
7
009-013-25-2-1
Кольцо
8
240-1003264-А
Прокладка
9
240-1003227
Штифт
10
240-1003220-В-03
Патрубок
10
240-1003222-В
Патрубок
11
50-1003107-А-01
Кольцо
12
50-1003106
Шайба
13
50-1003104-А
Гайка колпака
14
240-1003264-А
Прокладка
15
240-1002440
Фильтр
16
240-1002430-В
Корпус сапуна
17
М8х16
Болт
18
240-1002444-А
Прокладка
19
240-3707200-01
Пробка
20
М8
Гайка
21
240-3707220
Бачок с пробкой
21
240-3707140-А-01
Бачок
22
М3х30
Болт
23
ХС-61.019
Хомут
24
Д18-055-А
Шайба
25
240-1003260
Труба
26
240-1003033
Коллектор
27
240-1003122-Б
Колпак крышки
28
240-1003109
Прокладка
29
240-1003030
Крышка головки цилиндров
29
240-1003032-А
Крышка головки цилиндров
30
240-1003108
Прокладка
31
240-1003031
Прокладка
32
2,5х10
Штифт
33
50-1117028
Пробка
34
240-1003221
Заслонка
Содержащиеся в справочниках-каталогах запасные части и детали не предлагаются к продаже, а носят исключительно информационный характер
Дополнительная информация
×
Название:
Номер:
Примечание: