Каталог запасных частей к технике: МТЗ-822. Электрооборудование по кабине. Установка фар рабочих
1
2
3
4
4
4
5
6
7
8
8
9
10
10
10
11
11
11
12
12
12
12
13
14
15
15
16
16
17
17
18
19
20
21
21
22
23
24
25
25
26
26
27
28
29
29
29
30
31
32
33
33
34
35
36
37
38
39
40
40
41
41
42
43
44
45
46
47
48
49
50
51
52
53
54
55
56
57
58
59
60
61
62
63
64
65
66
67
68
69
70
71
71
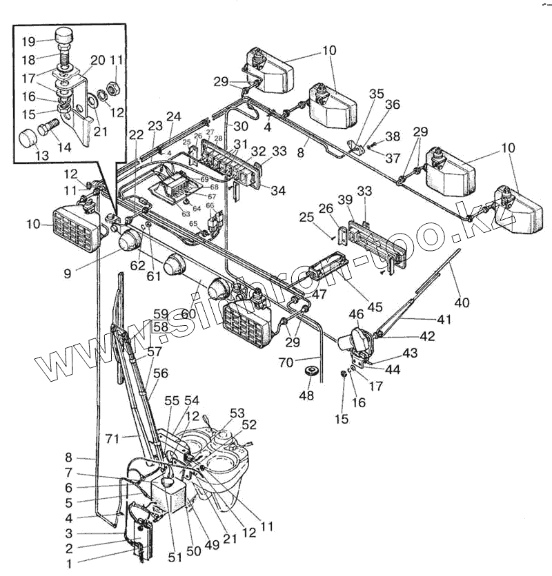
| Позиция на иллюстрации | Заводской номер детали | Название детали | |
|---|---|---|---|
| ВМ6х12 | ВМ6х12 | Винт | |
| М4 | М4 | Гайка | |
| ШП4 | ШП4 | Шайба | |
| 1 | 923-3712016 | Прокладка | |
| 2 | 923-3712017 | Кронштейн | |
| 3 | 923-3724130 | Жгут | |
| 4 | 80-3723045 | Манжета | |
| 5 | АДЮИ723.111.001-19 | Трубка | |
| 6 | АДЮИ752261.001-01 | Распределитель | |
| 7 | 122.5208000 | Омыватель | |
| 8 | АДЮИ723.111.001.18 | Трубка | |
| 9 | УП101-П | Фонарь | |
| 10 | 8724.304/301 | Фара | |
| 11 | М6 | Гайка | |
| 12 | ШП6 | Шайба | |
| 13 | А30.04.017 | Колпачок | |
| 14 | М6х16 | Винт | |
| 15 | М8 | Гайка | |
| 16 | ШП8 | Шайба | |
| 17 | ШЧ6 | Шайба | |
| 18 | М8х20 | Болт | |
| 19 | А30.04.017-01 | Колпачок | |
| 20 | 90-8402071-01 | Кронштейн | |
| 21 | ШЧ8 | Шайба | |
| 22 | 923-3724233 | Жгут | |
| 23 | 923-3724353-Б | Жгут | |
| 24 | 923-3724350 | Жгут | |
| 25 | 4х10 | Шуруп | |
| 26 | 923-3801344 | Пластина | |
| 27 | 676.00.00/R | Выключатель | |
| 28 | П150-07.28 | Переключатель Сhаngе-оvеr switсh | |
| 29 | 923-3723024 | Втулка | |
| 30 | 923-3724014 | Жгут | |
| 31 | 650.00.00/R | Выключатель | |
| 32 | П147М-04.11 | Переключатель Сhаngе-оvеr switсh | |
| 33 | 80-3801327 | Заглушка | |
| 34 | 923-3801342 | Щиток | |
| 35 | АДЮИ306549.001 | Жиклер | |
| 36 | 80-5208011-А | Фланец | |
| 37 | ШЧ5 | Шайба | |
| 38 | Винт 4х10 | Винт 4х10 | |
| 39 | 923-7901018 | Щиток | |
| 40 | 32.5205.900 | Щетка стеклоочистителя | |
| 40 | 33.5205.900 | Щетка стеклоочистителя | |
| 41 | 322.5205.800 | Рычаг стеклоочистителя | |
| 41 | 333-5205.800 | Рычаг стеклоочистителя | |
| 42 | 822-5205043 | Втулка | |
| 43 | 80-3723045-01 | Манжета | |
| 44 | 923-5205022 | Кронштейн | |
| 45 | 25009814 | Плафон | |
| 46 | 475.3730 | Моторедуктор | |
| 47 | 923-3723042 | Втулка | |
| 48 | 80-3723048 | Втулка | |
| 49 | ВМ4х10 | Винт | |
| 50 | 1222-5208001 | Кронштейн | |
| 51 | М6х12 | Винт | |
| 52 | 923-3724130 | Жгут | |
| 53 | 923-5208005 | Кронштейн | |
| 54 | 192.090.012 | Моторедуктор | |
| 55 | 70-1602037 | Втулка | |
| 56 | АДЮИ723.111.002-01 | Трубка | |
| 57 | АДЮИ754164.001 | Зажим | |
| 58 | АДЮИ306549.003-01 | Жиклер | |
| 59 | АДЮИ754164.002 | Защелка | |
| 60 | 80-3738001 | Кронштейн | |
| 61 | М5 | Гайка | |
| 62 | ШП5 | Шайба | |
| 63 | 822-3801341 | Щиток | |
| 64 | 80-3805065 | Винт | |
| 65 | 70-3723042-01 | Втулка | |
| 66 | 90.3747 | Реле | |
| 67 | 006-010-25-1-4 | Кольцо | |
| 68 | 923-3801343 | Табличка | |
| 69 | БП-4 | Блок предохранителей | |
| 70 | 822-3724351-Б | Жгут | |
| 71 | 787.000.030 | Рычаг со щеткой | |
| 71 | 791.000.030 | Рычаг со щеткой |
Содержащиеся в справочниках-каталогах запасные части и детали не предлагаются к продаже, а носят исключительно информационный характер