Вернуться на главную
Поиск
Каталоги запчастей к технике
Сельхозтехника
МТЗ
МТЗ-80 (2009)
Отопитель. Арматура отопителя
Каталог запасных частей к технике: МТЗ-80 (2009). Отопитель. Арматура отопителя
zoom-in
zoom-out
enlarge
shrink
circle-right
circle-left
file-text2
info
cart
Тип техники
Не выбрано
Легковые автомобили
Грузовые автомобили и прицепы
Автобусы
Сельхозтехника
Спецтехника
Двигатели
Мототехника
Марка
Не выбрано
AGCO
Amity
CASE IH
DongFeng
Fortschritt
Foton
Franz Kleine
Gaspardo
Great Plains
KRONE
KUHN
Lemken
Lovol
MacDon
Massey Ferguson
New Holland
TIGARBO
Vaderstad
Versatile
Wirax
Агро
Агротехмаш
Бобруйскагромаш (ОАО «УКХ «Бобруйскагромаш»)
БЭМЗ
ВгТЗ
Воронежсельмаш
ВТЗ
Гомсельмаш
ДКЗ
ЗАО "Техника-сервис"
ЗиД
КЗК
Кировец-Ландтехник
Клевер
Красная Звезда
Лидагропроммаш
Лидсельмаш
ЛТЗ
Машстройхолдинг
Минитракторы
Мордовагромаш
МТЗ
Навигатор-Новое машиностроение
Нефтекамский автозавод
ПТЗ
Ремком
РСМ
Сибсельмаш
ТеКЗ
ТКЗ
ХЗТСШ
ХТЗ
ЮМЗ
Модель
Не выбрано
1025.5 (2013)
1025/1025.2/1025.3 (2009)
1220 (2011)
1220.5 (2013)
1523.5 (2013)
1523.5 с ГМТ (2014)
2122.3/2122.4 (2015)
3022ДЦ.1 (2011)
320.4М (2019)
622 (2012)
800/900 (2003)
80Х (2012)
892 (2011)
922.3 / 922.4 (2013)
922.5 (2013)
923.4 (2014)
923.5 (2013)
92П (2010)
952.5 (2013)
БЕЛАРУС 1025.7 (2022)
БЕЛАРУС 1220.7 (2022)
БЕЛАРУС 1221.7 (2022)
БЕЛАРУС 2103 (2015)
БЕЛАРУС 320 (1998)
БЕЛАРУС 3522.5 (2013)
БЕЛАРУС 3525 (2019)
БЕЛАРУС 421 (2014)
БЕЛАРУС 451 (2023)
БЕЛАРУС 651 (2023)
БЕЛАРУС 923.7 (2022)
БЕЛАРУС 952.7 (2022)
Беларус-08Н (09Н) (2015)
Беларус-422.1 (2018)
КБ-00.000 (САЗ) (2015)
КМ-2 (САЗ) (2015)
МТЗ-082
МТЗ-100
МТЗ-1005 (2008)
МТЗ-1021.3 (2010)
МТЗ-1025.4 (2009)
МТЗ-112Н, 132Н (2010)
МТЗ-1221 (1997)
МТЗ-1221 (2009) (2009)
МТЗ-1221.4 (2009)
МТЗ-1221.4 (2009)
МТЗ-1221.5 (2013)
МТЗ-1222/1523 (2009)
МТЗ-1522 (2008)
МТЗ-1523
МТЗ-1523 (2013)
МТЗ-1523 (2008) (2008)
МТЗ-1523.4 (2010)
МТЗ-1523.6 (2018)
МТЗ-2022 (2010)
МТЗ-2103 (2010)
МТЗ-2522 (2010)
МТЗ-310, 320, 321 (2011)
МТЗ-3522 (2011)
МТЗ-510/512, 520/522 (2010)
МТЗ-570 (2010)
МТЗ-80 (1998)
МТЗ-80 (2002) (2002)
МТЗ-80 (2009) (2009)
МТЗ-80.1 (2015)
МТЗ-821/921 (2009)
МТЗ-822 (2008)
МТЗ-826 (2010)
МТЗ-90/92 (2008)
МТЗ-900
МТЗ-900/920/950/952 (2009)
МТЗ-920.4/952.4 (2009)
МТЗ-922 (2008)
МТЗ-923 (2008)
ФР-00.010 (САЗ) (2015)
ФР-00700-Б (САЗ) (2015)
Схема
>
Не выбрано
Кабина трактора. Крылья задние
Тент-каркас. Основание
Пол кабины
Стеклоочиститель переднего стекла
Стеклоочиститель заднего стекла
Установка стеклоочистителей (для трактора «БЕЛАРУС-82П»)
Установка стеклоомывателя заднего (для трактора «БЕЛАРУС-82П»)
Двери кабины
Сиденье оператора
Подвеска сиденья
Механизм реверса (для трактора «БЕЛАРУС-82П»)
Отопитель. Арматура отопителя
Зеркало заднего вида внутреннее
Зеркало заднего вида боковое
Козырек противосолнечный
Облицовка радиатора. Капот (кроме трактора «БЕЛАРУС-82Р»)
Облицовка радиатора. Капот (для трактора «БЕЛАРУС-82Р»)
Крылья передние (для тракторов «БЕЛАРУС-80.1/80.3/80У»)
Крылья передние (для тракторов «БЕЛАРУС-80.1/80.3/80У»)
Крылья передние (для трактора «БЕЛАРУС-82Р»)
Крылья передние (для тракторов «БЕЛАРУС-82У/82.1/820/82.3/82П»)
Крылья передние (для тракторов «БЕЛАРУС-82.1/820/82.3»)
Подножка
Подвеска и блок цилиндров
Клапаны и толкатели клапанов
Поршни и шатуны. Вал коленчатый и маховик
Механизм распределительный
Установка выпускного коллектора
Установка насоса рулевого управления
Картер масляный
Насос масляный и приемник масляного насоса
Фильтр масляный центробежный
Радиатор масляный
Баки топливные (металлические)
Баки топливные (пластмассовые)
Бак топливный (для трактора «БЕЛАРУС-82П»)
Установка топливной аппаратуры (для двигателя Д-243)
Установка топливной аппаратуры (для двигателя Д-243С с топливным насосом пр-ва ОАО «ЯЗДА»)
Установка топливной аппаратуры (для двигателя Д-243С с топливным насосом пр-ва ОАО «НЗТА»)
Установка топливной аппаратуры (для двигателя Д-243С с топливным насосом пр-ва ОАО «НЗТА»)
Фильтр топливный грубой очистки
Фильтр топливный тонкой очистки
Управление подачей топлива
Останов дизеля. Аварийный останов дизеля
Воздухоочиститель
Глушитель
Радиатор водяной. Подвеска радиатора водяного
Термостат
Насос водяной и вентилятор
Ограждение вентилятора (по заказу)
Шторка
Диски сцепления
Корпус сцепления
Корпус сцепления (отводка)
Корпус сцепления (привод ВОМ, привод насоса гидросистемы навески)
Корпус сцепления (понижающий редуктор)
Корпус сцепления (реверс-редуктор)
Управление сцеплением
Управление сцеплением (для трактора «БЕЛАРУС-80У/82У»)
Коробка передач. Корпус коробки передач
Вал первичный. Вал вторичный
Вал внутренний. Вал промежуточный
Вал первой передачи и заднего хода
Редуктор
Механизм переключения передач. Корпус вилок
Механизм переключения передач. Крышка
Управление понижающим редуктором
Управление реверс-редуктором
Ходоуменьшитель механический
Гидроходоуменьшитель
Раздаточная коробка привода ПВМ
Карданный вал. Промежуточная опора карданного вала
Ограждение карданного вала
Передний ведущий мост в сборе (для тракторов «Беларус-82.1/82У/82Р»)
Передний ведущий мост в сборе (для тракторов «БЕЛАРУС-820/82.3/82П»)
Главная передача ПВМ
Дифференциал
Редуктор конечной передачи ПВМ (для ПВМ 72-2300020-А-04 («БЕЛАРУС-82.1/82У/82Р»))
Редуктор конечной передачи ПВМ (для ПВМ 822-2300020-02 («БЕЛАРУС-820/82.3/82П»))
Корпус заднего моста. Конечная передача
Дифференциал. Стакан подшипников
Механизм блокировки дифференциала
Бортовой редуктор (для трактора «БЕЛАРУС-82Р»)
Управление блокировкой дифференциала
Полурама
Крюк прицепной гидрофицированный (по заказу, кроме трактора «БЕЛАРУС-82П»)
Ось передняя и тяга рулевая (для тракторов «БЕЛАРУС-80.1/80.3/80У»)
Колеса передние направляющие. Ступицы передних колес. (Для тракторов «БЕЛАРУС-80.1/80.3/80У»)
Колеса передние ведущие
Колеса передние ведущие
Колеса задние. Ступицы задних колес
Проставка для сдваивания задних колес
Колонка рулевая
Арматура рулевого управления
Гидроцилиндр и арматура ГОРУ
Гидроцилиндр 50x25-200
Гидроцилиндр и арматура ГОРУ (ПВМ 72-2300020-А-04)
Гидроцилиндр Ц63 (63x30-200)
Гидроцилиндр Ц63 и арматура ГОРУ (ПВМ 822-2300020-04)
Тормоза рабочие. Управление тормозами
Тормоз стояночный. Управление стояночным тормозом
Трубопроводы и арматура однопроводного пневмопривода тормозов прицепа
Трубопроводы и арматура двухпроводного пневмопривода тормозов прицепа
Регулятор давления
Баллон
Кран тормозной (для однопроводного пневмопривода)
Кран тормозной (для двух проводного пневмопривода)
Головка соединительная (для однопроводного пневмопривода)
Головка соединительная (для двухпроводного пневмопривода)
Компрессор
Установка заглушки (для тракторов без пневмокомпрессора)
Электрооборудование двигателя
Электрооборудование трансмиссии
Электрооборудование кабины
Батареи аккумуляторные. Установка батарей аккумуляторных с системой запуска 12В. (Кроме трактора «БЕЛАРУС-82П»)
Батареи аккумуляторные. Установка батарей аккумуляторных с системой запуска 24В. (Кроме трактора «БЕЛАРУС-82П»)
Батареи аккумуляторные. Установка батарей аккумуляторных. (Для трактора «БЕЛАРУС-82П»)
Генератор (для трактора «БЕЛАРУС-80.1/80.У/82У/82.1/820/82Р/82П»)
Генератор (для трактора «БЕЛАРУС-80.3/82.3»)
Стартер. Установка стартера
Подогреватель электрофакельный
Установка фар дорожных (кроме трактора «БЕЛАРУС-82П»)
Установка фонарей передних (кроме трактора «БЕЛАРУС-82П»)
Установка фар рабочих (для тракторов с тент-каркасом)
Установка фар рабочих (для трактора «БЕЛАРУС-82П»)
Установка фар дорожных
Установка фонарей передних с дорожными фарами (для трактора «БЕЛАРУС-82П»)
Установка фонарей задних (кроме трактора «БЕЛАРУС-82П»)
Установка фонарей задних (для трактора «БЕЛАРУС-82П»)
Электрооборудование отопителя
Установка маяка сигнального
Основание, приборы
Стенка, крышка
Устройство прицепное. Вариант «крюк» (по заказу). (Для тракторов с силовым регулятором и без силового регулятора)
Устройство прицепное. Вариант «маятник» или «прицеп» (по заказу).
Тягово-сцепное устройство (для трактора «БЕЛАРУС-82П»)
Вал отбора мощности задний
Вал отбора мощности боковой. Управление ВОМом боковым
Шкив приводной
Управление задним валом отбора мощности
Балласт передний
Балласт передний (для трактора «БЕЛАРУС-820»)
Механизм задней навески (для тракторов с силовым регулятором и без силового регулятора)
Механизм задней навески (вариант для трактора «БЕЛАРУС-82П» с гидроподъемником)
Наружная блокировка нижних тяг (для тракторов с силовым регулятором и без силового регулятора)
Управление гидрораспределителем (для тракторов с силовым регулятором и без силового регулятора)
Гидросистема
Корпус гидросистемы
Корпус гидросистемы
Арматура корпуса гидроагрегатов
Гидроагрегаты и арматура. Вариант с силовым регулятором (Для тракторов «БЕЛАРУС-82.1/820/82Р»)
Гидроагрегаты и арматура. Вариант без силового регулятора (Для тракторов «БЕЛАРУС-80.1/80.3/80У/82У/82.1/82.3»)
Гидроагрегаты и арматура (для трактора «БЕЛАРУС-82П» без навески)
Корпус гидроагрегатов и фильтр
Корпус гидроагрегатов и фильтр. Вариант
Привод насоса
Привод насоса. Вариант
Стяжка телескопическая
Гидроцилиндр Ц 100x200
Гидрораспределитель РП70
Гидрораспределитель Р80
Управление гидрораспределителем РП70
Управление гидрораспределителем Р80
Регулятор
Управление регулятором
Муфта разрывная
Запорное устройство
Механизм фиксации
Распределитель гидроподъемника (для трактора «БЕЛАРУС-82П» с гидроподъемником)
Гидроподъемник. Управление гидроподъемником (для трактора «БЕЛАРУС-82П» с гидроподъемником)
Гидроподъемник
Инструмент оператора
Аптечка санитарная
Ящик инструментальный
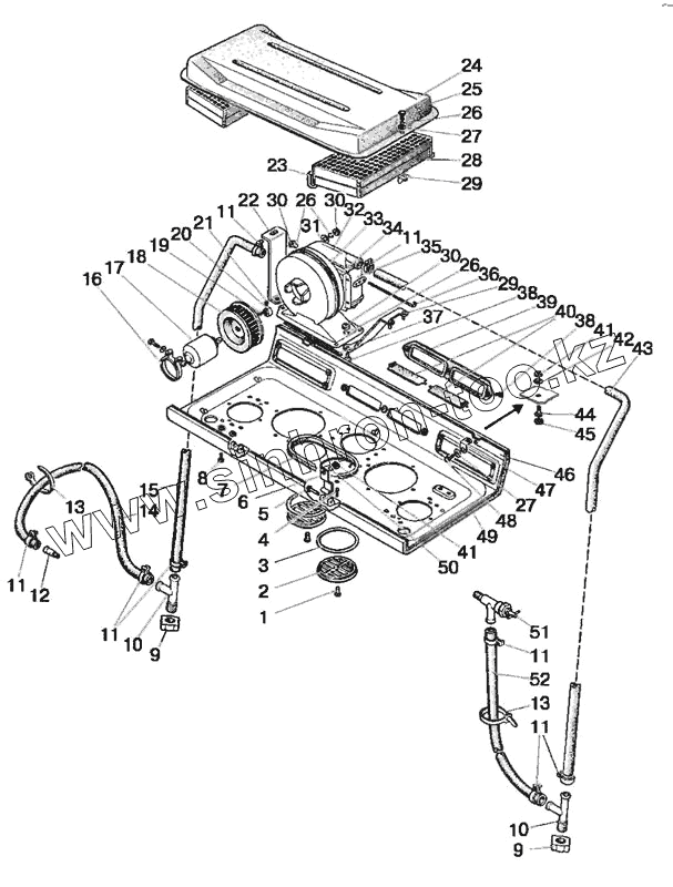
80-8101720
80-8101830
1
2
3
4
5
6
7
8
9
9
10
10
11
11
11
11
11
11
12
13
13
14
15
16
17
18
19
20
21
22
23
24
25
26
26
26
27
27
28
29
29
30
30
30
31
32
33
34
35
36
37
38
38
39
40
41
41
42
43
44
45
46
47
48
49
50
51
52
Позиция на иллюстрации
Заводской номер детали
Название детали
80-8101810
80-8101810
Панель
80-8101720
80-8101720
Отопитель в сборе
80-8101830
80-8101830
Арматура отопителя
1
6x18
Палец
2
150.95.301
Воздухораспределитель
3
80-8100013
Накладка
4
2x12
Шплинт
5
50-8400031
Ось
6
80-8100048
Петля
7
80-8101714-07
Уплотнитель
8
ВМ6х20
Винт
9
80-8100052
Пробка
10
80-8100051
Тройник
11
ХС-23
Хомут
12
80-8100023
Штуцер
13
80-3723045-01
Манжета
14
80-8102015-02
Шланг L=1840 мм
15
80-8101015
Шланг
16
ХС-76
Хомут
17
9742.3730
Электродвигатель
18
80-8104034
Ротор
19
М4
Гайка
20
80-8104039
Кольцо
21
ВМ4х10
Винт
22
80-8101721
Растяжка
23
80-8101714-04
Уплотнитель
24
80-8101760
Крышка
25
М6х20
Винт
26
ШП6
Шайба
27
ШЧ6
Шайба
28
80-8104070
Фильтр
29
80-8101820
Подвеска
30
М6
Гайка
31
ШЧ6
Шайба
32
70У-8101070-А
Радиатор отопителя
33
80-8101730-А
Кожух
34
ПР32-06
Уплотнитель
35
80-8101800
Коробка
36
80-3703046-А
Шпилька
37
80-8100014
Стержень
38
ВМ6х16
Винт
39
80-8100011-Б
Крышка
40
80-8100012
Заслонка
41
М8
Гайка
42
ШЧ8
Шайба
43
80-8102015
Шланг L=700 мм
44
М8х35
Болт
45
А30.04.017-01
Колпачок
46
80-8100100
Панель
47
70-6702111
Угольник
48
М6х16
Винт
49
80-8101713
Обивка
50
ШП8
Шайба
51
ВС-11
Кран
52
80-8102015-03
Шланг L=500 мм
Содержащиеся в справочниках-каталогах запасные части и детали не предлагаются к продаже, а носят исключительно информационный характер
Дополнительная информация
×
Название:
Номер:
Примечание: