Вернуться на главную
Поиск
Каталоги запчастей к технике
Сельхозтехника
МТЗ
МТЗ-80 (2009)
Корпус сцепления (отводка)
Каталог запасных частей к технике: МТЗ-80 (2009). Корпус сцепления (отводка)
zoom-in
zoom-out
enlarge
shrink
circle-right
circle-left
file-text2
info
cart
Тип техники
Не выбрано
Легковые автомобили
Грузовые автомобили и прицепы
Автобусы
Сельхозтехника
Спецтехника
Двигатели
Мототехника
Марка
Не выбрано
AGCO
Amity
CASE IH
DongFeng
Fortschritt
Foton
Franz Kleine
Gaspardo
Great Plains
KRONE
KUHN
Lemken
Lovol
MacDon
Massey Ferguson
New Holland
TIGARBO
Vaderstad
Versatile
Wirax
Агро
Агротехмаш
Бобруйскагромаш (ОАО «УКХ «Бобруйскагромаш»)
БЭМЗ
ВгТЗ
Воронежсельмаш
ВТЗ
Гомсельмаш
ДКЗ
ЗАО "Техника-сервис"
ЗиД
КЗК
Кировец-Ландтехник
Клевер
Красная Звезда
Лидагропроммаш
Лидсельмаш
ЛТЗ
Машстройхолдинг
Минитракторы
Мордовагромаш
МТЗ
Навигатор-Новое машиностроение
Нефтекамский автозавод
ПТЗ
Ремком
РСМ
Сибсельмаш
ТеКЗ
ТКЗ
ХЗТСШ
ХТЗ
ЮМЗ
Модель
Не выбрано
1025.5 (2013)
1025/1025.2/1025.3 (2009)
1220 (2011)
1220.5 (2013)
1523.5 (2013)
1523.5 с ГМТ (2014)
2122.3/2122.4 (2015)
3022ДЦ.1 (2011)
320.4М (2019)
622 (2012)
800/900 (2003)
80Х (2012)
892 (2011)
922.3 / 922.4 (2013)
922.5 (2013)
923.4 (2014)
923.5 (2013)
92П (2010)
952.5 (2013)
БЕЛАРУС 1025.7 (2022)
БЕЛАРУС 1220.7 (2022)
БЕЛАРУС 1221.7 (2022)
БЕЛАРУС 2103 (2015)
БЕЛАРУС 320 (1998)
БЕЛАРУС 3522.5 (2013)
БЕЛАРУС 3525 (2019)
БЕЛАРУС 421 (2014)
БЕЛАРУС 451 (2023)
БЕЛАРУС 651 (2023)
БЕЛАРУС 923.7 (2022)
БЕЛАРУС 952.7 (2022)
Беларус-08Н (09Н) (2015)
Беларус-422.1 (2018)
КБ-00.000 (САЗ) (2015)
КМ-2 (САЗ) (2015)
МТЗ-082
МТЗ-100
МТЗ-1005 (2008)
МТЗ-1021.3 (2010)
МТЗ-1025.4 (2009)
МТЗ-112Н, 132Н (2010)
МТЗ-1221 (1997)
МТЗ-1221 (2009) (2009)
МТЗ-1221.4 (2009)
МТЗ-1221.4 (2009)
МТЗ-1221.5 (2013)
МТЗ-1222/1523 (2009)
МТЗ-1522 (2008)
МТЗ-1523
МТЗ-1523 (2013)
МТЗ-1523 (2008) (2008)
МТЗ-1523.4 (2010)
МТЗ-1523.6 (2018)
МТЗ-2022 (2010)
МТЗ-2103 (2010)
МТЗ-2522 (2010)
МТЗ-310, 320, 321 (2011)
МТЗ-3522 (2011)
МТЗ-510/512, 520/522 (2010)
МТЗ-570 (2010)
МТЗ-80 (1998)
МТЗ-80 (2002) (2002)
МТЗ-80 (2009) (2009)
МТЗ-80.1 (2015)
МТЗ-821/921 (2009)
МТЗ-822 (2008)
МТЗ-826 (2010)
МТЗ-90/92 (2008)
МТЗ-900
МТЗ-900/920/950/952 (2009)
МТЗ-920.4/952.4 (2009)
МТЗ-922 (2008)
МТЗ-923 (2008)
ФР-00.010 (САЗ) (2015)
ФР-00700-Б (САЗ) (2015)
Схема
>
Не выбрано
Кабина трактора. Крылья задние
Тент-каркас. Основание
Пол кабины
Стеклоочиститель переднего стекла
Стеклоочиститель заднего стекла
Установка стеклоочистителей (для трактора «БЕЛАРУС-82П»)
Установка стеклоомывателя заднего (для трактора «БЕЛАРУС-82П»)
Двери кабины
Сиденье оператора
Подвеска сиденья
Механизм реверса (для трактора «БЕЛАРУС-82П»)
Отопитель. Арматура отопителя
Зеркало заднего вида внутреннее
Зеркало заднего вида боковое
Козырек противосолнечный
Облицовка радиатора. Капот (кроме трактора «БЕЛАРУС-82Р»)
Облицовка радиатора. Капот (для трактора «БЕЛАРУС-82Р»)
Крылья передние (для тракторов «БЕЛАРУС-80.1/80.3/80У»)
Крылья передние (для тракторов «БЕЛАРУС-80.1/80.3/80У»)
Крылья передние (для трактора «БЕЛАРУС-82Р»)
Крылья передние (для тракторов «БЕЛАРУС-82У/82.1/820/82.3/82П»)
Крылья передние (для тракторов «БЕЛАРУС-82.1/820/82.3»)
Подножка
Подвеска и блок цилиндров
Клапаны и толкатели клапанов
Поршни и шатуны. Вал коленчатый и маховик
Механизм распределительный
Установка выпускного коллектора
Установка насоса рулевого управления
Картер масляный
Насос масляный и приемник масляного насоса
Фильтр масляный центробежный
Радиатор масляный
Баки топливные (металлические)
Баки топливные (пластмассовые)
Бак топливный (для трактора «БЕЛАРУС-82П»)
Установка топливной аппаратуры (для двигателя Д-243)
Установка топливной аппаратуры (для двигателя Д-243С с топливным насосом пр-ва ОАО «ЯЗДА»)
Установка топливной аппаратуры (для двигателя Д-243С с топливным насосом пр-ва ОАО «НЗТА»)
Установка топливной аппаратуры (для двигателя Д-243С с топливным насосом пр-ва ОАО «НЗТА»)
Фильтр топливный грубой очистки
Фильтр топливный тонкой очистки
Управление подачей топлива
Останов дизеля. Аварийный останов дизеля
Воздухоочиститель
Глушитель
Радиатор водяной. Подвеска радиатора водяного
Термостат
Насос водяной и вентилятор
Ограждение вентилятора (по заказу)
Шторка
Диски сцепления
Корпус сцепления
Корпус сцепления (отводка)
Корпус сцепления (привод ВОМ, привод насоса гидросистемы навески)
Корпус сцепления (понижающий редуктор)
Корпус сцепления (реверс-редуктор)
Управление сцеплением
Управление сцеплением (для трактора «БЕЛАРУС-80У/82У»)
Коробка передач. Корпус коробки передач
Вал первичный. Вал вторичный
Вал внутренний. Вал промежуточный
Вал первой передачи и заднего хода
Редуктор
Механизм переключения передач. Корпус вилок
Механизм переключения передач. Крышка
Управление понижающим редуктором
Управление реверс-редуктором
Ходоуменьшитель механический
Гидроходоуменьшитель
Раздаточная коробка привода ПВМ
Карданный вал. Промежуточная опора карданного вала
Ограждение карданного вала
Передний ведущий мост в сборе (для тракторов «Беларус-82.1/82У/82Р»)
Передний ведущий мост в сборе (для тракторов «БЕЛАРУС-820/82.3/82П»)
Главная передача ПВМ
Дифференциал
Редуктор конечной передачи ПВМ (для ПВМ 72-2300020-А-04 («БЕЛАРУС-82.1/82У/82Р»))
Редуктор конечной передачи ПВМ (для ПВМ 822-2300020-02 («БЕЛАРУС-820/82.3/82П»))
Корпус заднего моста. Конечная передача
Дифференциал. Стакан подшипников
Механизм блокировки дифференциала
Бортовой редуктор (для трактора «БЕЛАРУС-82Р»)
Управление блокировкой дифференциала
Полурама
Крюк прицепной гидрофицированный (по заказу, кроме трактора «БЕЛАРУС-82П»)
Ось передняя и тяга рулевая (для тракторов «БЕЛАРУС-80.1/80.3/80У»)
Колеса передние направляющие. Ступицы передних колес. (Для тракторов «БЕЛАРУС-80.1/80.3/80У»)
Колеса передние ведущие
Колеса передние ведущие
Колеса задние. Ступицы задних колес
Проставка для сдваивания задних колес
Колонка рулевая
Арматура рулевого управления
Гидроцилиндр и арматура ГОРУ
Гидроцилиндр 50x25-200
Гидроцилиндр и арматура ГОРУ (ПВМ 72-2300020-А-04)
Гидроцилиндр Ц63 (63x30-200)
Гидроцилиндр Ц63 и арматура ГОРУ (ПВМ 822-2300020-04)
Тормоза рабочие. Управление тормозами
Тормоз стояночный. Управление стояночным тормозом
Трубопроводы и арматура однопроводного пневмопривода тормозов прицепа
Трубопроводы и арматура двухпроводного пневмопривода тормозов прицепа
Регулятор давления
Баллон
Кран тормозной (для однопроводного пневмопривода)
Кран тормозной (для двух проводного пневмопривода)
Головка соединительная (для однопроводного пневмопривода)
Головка соединительная (для двухпроводного пневмопривода)
Компрессор
Установка заглушки (для тракторов без пневмокомпрессора)
Электрооборудование двигателя
Электрооборудование трансмиссии
Электрооборудование кабины
Батареи аккумуляторные. Установка батарей аккумуляторных с системой запуска 12В. (Кроме трактора «БЕЛАРУС-82П»)
Батареи аккумуляторные. Установка батарей аккумуляторных с системой запуска 24В. (Кроме трактора «БЕЛАРУС-82П»)
Батареи аккумуляторные. Установка батарей аккумуляторных. (Для трактора «БЕЛАРУС-82П»)
Генератор (для трактора «БЕЛАРУС-80.1/80.У/82У/82.1/820/82Р/82П»)
Генератор (для трактора «БЕЛАРУС-80.3/82.3»)
Стартер. Установка стартера
Подогреватель электрофакельный
Установка фар дорожных (кроме трактора «БЕЛАРУС-82П»)
Установка фонарей передних (кроме трактора «БЕЛАРУС-82П»)
Установка фар рабочих (для тракторов с тент-каркасом)
Установка фар рабочих (для трактора «БЕЛАРУС-82П»)
Установка фар дорожных
Установка фонарей передних с дорожными фарами (для трактора «БЕЛАРУС-82П»)
Установка фонарей задних (кроме трактора «БЕЛАРУС-82П»)
Установка фонарей задних (для трактора «БЕЛАРУС-82П»)
Электрооборудование отопителя
Установка маяка сигнального
Основание, приборы
Стенка, крышка
Устройство прицепное. Вариант «крюк» (по заказу). (Для тракторов с силовым регулятором и без силового регулятора)
Устройство прицепное. Вариант «маятник» или «прицеп» (по заказу).
Тягово-сцепное устройство (для трактора «БЕЛАРУС-82П»)
Вал отбора мощности задний
Вал отбора мощности боковой. Управление ВОМом боковым
Шкив приводной
Управление задним валом отбора мощности
Балласт передний
Балласт передний (для трактора «БЕЛАРУС-820»)
Механизм задней навески (для тракторов с силовым регулятором и без силового регулятора)
Механизм задней навески (вариант для трактора «БЕЛАРУС-82П» с гидроподъемником)
Наружная блокировка нижних тяг (для тракторов с силовым регулятором и без силового регулятора)
Управление гидрораспределителем (для тракторов с силовым регулятором и без силового регулятора)
Гидросистема
Корпус гидросистемы
Корпус гидросистемы
Арматура корпуса гидроагрегатов
Гидроагрегаты и арматура. Вариант с силовым регулятором (Для тракторов «БЕЛАРУС-82.1/820/82Р»)
Гидроагрегаты и арматура. Вариант без силового регулятора (Для тракторов «БЕЛАРУС-80.1/80.3/80У/82У/82.1/82.3»)
Гидроагрегаты и арматура (для трактора «БЕЛАРУС-82П» без навески)
Корпус гидроагрегатов и фильтр
Корпус гидроагрегатов и фильтр. Вариант
Привод насоса
Привод насоса. Вариант
Стяжка телескопическая
Гидроцилиндр Ц 100x200
Гидрораспределитель РП70
Гидрораспределитель Р80
Управление гидрораспределителем РП70
Управление гидрораспределителем Р80
Регулятор
Управление регулятором
Муфта разрывная
Запорное устройство
Механизм фиксации
Распределитель гидроподъемника (для трактора «БЕЛАРУС-82П» с гидроподъемником)
Гидроподъемник. Управление гидроподъемником (для трактора «БЕЛАРУС-82П» с гидроподъемником)
Гидроподъемник
Инструмент оператора
Аптечка санитарная
Ящик инструментальный
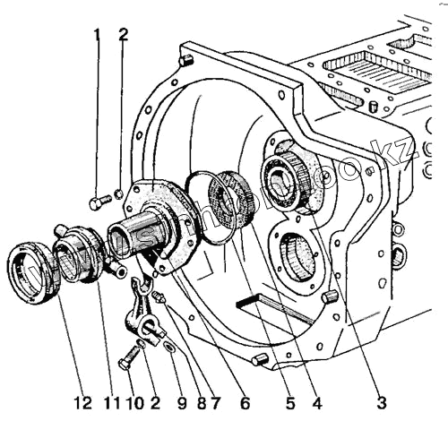
1
2
2
3
4
5
6
7
8
9
10
11
12
Позиция на иллюстрации
Заводской номер детали
Название детали
1
М10x25
Болт
2
ШП10
Шайба
3
60210АУШ1
Подшипник
4
240-1002055
Манжета 2.1-50х70-4
5
110-115-30-1-4
Кольцо ГОСТ 9833-73
6
50-1601172-А
Кронштейн отводки
7
1.1Цбхр
Масленка
8
50-1601203
Вилка
9
50-1601218
Шпонка
10
М10x30
Болт
11
50-1601185-А
Отводка
12
986714К1С23
Подшипник отводки
Содержащиеся в справочниках-каталогах запасные части и детали не предлагаются к продаже, а носят исключительно информационный характер
Дополнительная информация
×
Название:
Номер:
Примечание: