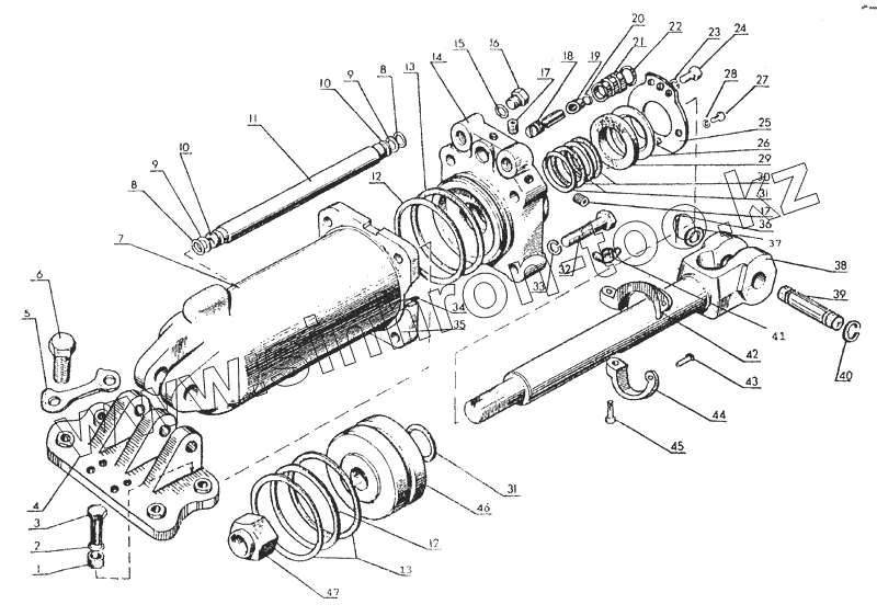
Каталог запасных частей к технике: МТЗ-80 (2002). Ц100 Гидроцилиндр Ц100х200
1
2
3
4
5
6
7
8
8
9
9
10
10
11
12
12
13
13
14
15
16
17
17
18
19
20
21
22
23
24
25
26
27
28
29
30
31
31
32
33
34
35
36
37
38
39
40
41
42
43
44
45
46
47
| Позиция на иллюстрации | Заводской номер детали | Название детали | |
|---|---|---|---|
| Ц100x200-3 | Ц100x200-3 | Цилиндр | |
| 1 | 70-4605041 | Втулка | |
| 2 | ГОСТ11371-78 | Шайба С6.01.08кп.019 | |
| 3 | 70-4605036-01 | Болт | |
| 4 | 70-4605017-А | Кронштейн | |
| 5 | 70-4605034 | Пластина | |
| 6 | 70-4605036 | Болт | |
| 7 | Ц100x200.007-01 | Корпус цилиндра | |
| 8 | ГОСТ9833-73 | Кольцо 010-015-30-2-3 | |
| 9 | Ц100x200053 | Кольцо защитное | |
| 10 | Ц90-1212027 | Шайба | |
| 11 | Ц100х200026 | Маслопровод | |
| 12 | Ц100-1313043 | Кольцо | |
| 13 | Ц100x200.055 | Кольцо защитное | |
| 14 | Ц100x200.021 | Крышка | |
| 15 | ГОСТ9833-73 | Кольцо 010-015-30-2-3 | |
| 16 | Ц50Х160.061 | Заглушка | |
| 17 | Ц90-1212056 | Заглушка 1/4" | |
| 18 | Ц90-1212004А | Клапан с уплотнением | |
| 19 | Ц90-1212034 | Втулка | |
| 20 | Ц90-1212047 | Кольцо | |
| 21 | Ц90-1212033А | Корпус клапана | |
| 22 | Ц90-1212046 | Кольцо | |
| 23 | ОСТ37.001.115-75 | Шайба 8Т | |
| 24 | ГОСТ7796-70 | Болт М8-6gх20.88.35.019 | |
| 25 | Ц100x200035А | Крышка чистиков | |
| 26 | Ц80х200036 | Скребок | |
| 27 | ГОСТ7798-70 | Болт M6-6gx16.88.35.019 | |
| 28 | ОСТ37.001.115-75 | Шайба 8Т | |
| 29 | Ц80х200037 | Манжета | |
| 30 | Ц100x200056 | Кольцо | |
| 31 | Ц110-1414044 | Кольцо | |
| 32 | ГОСТ7796-70 | Болт М8-6gх20.88.35.019 | |
| 33 | ОСТ37.001.115-75 | Шайба 8Т | |
| 34 | Ц100x200065 | Кольцо стопорное | |
| 35 | Ц100x200.025-1 | Фланец | |
| 36 | ГОСТ397-79 | Шплинт 3.2x18.019 | |
| 37 | 70-4619042 | Шайба | |
| 38 | Ц100x200003-1А | Шток | |
| 39 | Ц90-1212037М | Палец | |
| 40 | 50-3406022А | Кольцо | |
| 41 | Ц90-1212031-А | Гайка-барашек | |
| 42 | Ц110-1414028-Б | Упор | |
| 43 | ГОСТ10299-80 | Заклепка 8x22.01 | |
| 44 | Ц110-1414029-Б | Полукольцо упора | |
| 45 | ГОСТ7798-70 | Болт M6-6gx16.88.35.019 | |
| 46 | Ц100-1313023Г | Поршень | |
| 47 | Ц100x200.064 | Гайка |
Содержащиеся в справочниках-каталогах запасные части и детали не предлагаются к продаже, а носят исключительно информационный характер