Каталог запасных частей к технике: МТЗ-80 (2002). 3805 Основание, приборы. Вариант 2
1
2
3
3
4
4
4
4
5
5
5
5
5
6
6
7
7
8
8
9
9
10
11
12
13
14
14
15
16
16
16
17
17
17
18
19
20
21
21
21
22
22
23
24
25
26
27
28
29
30
31
32
33
34
34
35
36
37
38
39
40
41
42
43
44
45
46
47
48
49
50
51
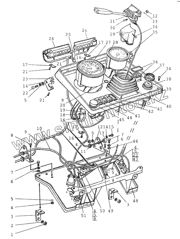
| Позиция на иллюстрации | Заводской номер детали | Название детали | |
|---|---|---|---|
| 80-3805010-Д | 80-3805010-Д | Щиток приборов | |
| 1 | ГОСТ5915-70 | Гайка М6-6Н.6.019 | |
| 2 | ОСТ37.001.115-75 | Шайба 8Т | |
| 3 | 80-3805030 | Кронштейн | |
| 4 | ГОСТ5915-70 | Гайка М6-6Н.6.019 | |
| 5 | ОСТ37.001.115-75 | Шайба 8Т | |
| 6 | ОСТ37.001.115-75 | Шайба 8Т | |
| 7 | ГОСТ7796-70 | Болт М8-6gх20.88.35.019 | |
| 8 | ГОСТ17473-80 | Винт ВМ6-6gх12.58.019 | |
| 9 | 80-3724395-Б | Жгут | |
| 10 | 80-3724512-Б | Жгут | |
| 11 | 70-3723042-01 | Втулка | |
| 12 | 80-3805043 | Кронштейн | |
| 13 | РС492 | Реле-прерыватель контрольной лампы ручного тормоза | |
| 14 | ГОСТ5915-70 | Гайка М6-6Н.6.019 | |
| 15 | ГОСТ7798-70 | Болт M6-6gx16.88.35.019 | |
| 16 | Шуруп 4x10.019 | Шуруп 4x10.019 | |
| 17 | 80-3723026 | Скоба | |
| 18 | ГОСТ11371-78 | Шайба С6.01.08кп.019 | |
| 19 | 733.3747 | Реле | |
| 20 | 80-3805064 | Заглушка | |
| 21 | Шуруп 4x16.019 | Шуруп 4x16.019 | |
| 22 | ГОСТ17473-80 | Винт ВМ6-6gх12.58.019 | |
| 23 | 80-3805035-01 | Кронштейн левый | |
| 24 | БКЛ3803-03 | Блок контрольных ламп | |
| 25 | 80-3805015 | Кронштейн | |
| 26 | БКЛ3803-01 | Блок контрольных ламп | |
| 27 | AР70.3801-01 | Комбинация приборов | |
| 28 | АР70.3813 | Тахоспидометр | |
| 29 | 80-3709023-В | Кожух | |
| 30 | ГОСТ17473-80 | Винт ВМ6-6gх12.58.019 | |
| 31 | ПКП-1 | Переключатель подрулевой | |
| 32 | ГОСТ5915-70 | Гайка М6-6Н.6.019 | |
| 33 | ОСТ37.001.115-75 | Шайба 8Т | |
| 34 | ГОСТ17474-80 | Винт BM6-6gx12.58.019 | |
| 35 | 80-3805035 | Кронштейн правый | |
| 36 | АР70.3709-01 | Пульт управления | |
| 37 | 80-3805014 | Гайка | |
| 38 | 1202.3704-03 | Выключатель стартера и приборов | |
| 39 | 80-3805021-Б | Щиток | |
| 40 | 80-3805012 | Уплотнитель | |
| 41 | 80-3801327 | Заглушка | |
| 42 | П150М-19.44 | Переключатель | |
| 43 | П150М-14.10 | Переключатель | |
| 44 | П147М-04.29 | Переключатель | |
| 45 | 245.3710 | Выключатель аварийный | |
| 46 | ГОСТ11371-78 | Шайба С6.01.08кп.019 | |
| 47 | П14.3723 | Панель | |
| 48 | 80-3805050-Б1 | Основание | |
| 49 | 50-4607064 | Втулка | |
| 50 | СДФ-2 | Сопротивление добавочное | |
| 51 | 80-3723036 | Скоба |
Содержащиеся в справочниках-каталогах запасные части и детали не предлагаются к продаже, а носят исключительно информационный характер