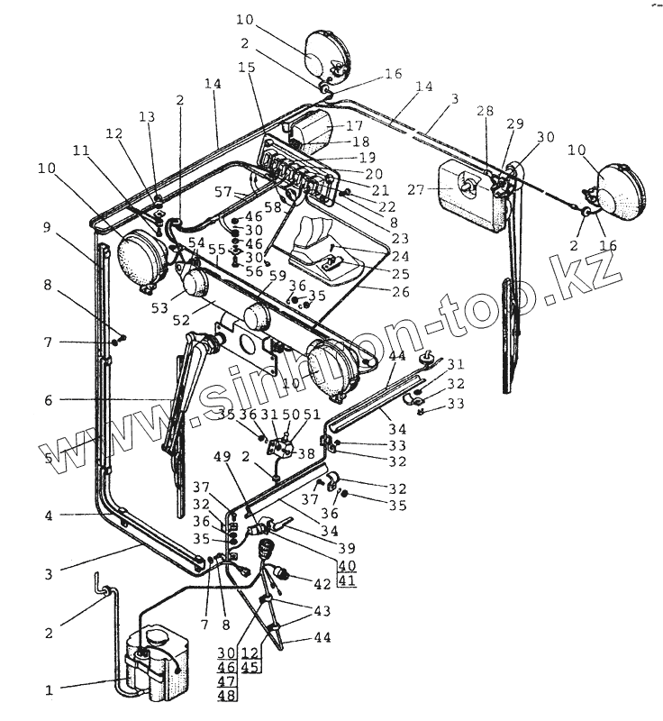
Каталог запасных частей к технике: МТЗ-80 (2002). 3713, 3721 Электрооборудование кабины
1
2
2
2
2
2
3
3
4
5
6
6
6
7
7
8
8
8
9
10
10
10
10
11
12
12
13
14
14
15
16
16
17
18
19
20
21
22
23
24
25
26
27
28
29
30
30
30
30
31
31
32
32
32
32
33
33
34
34
35
35
35
35
36
36
36
36
37
37
38
39
40
41
42
43
44
44
45
46
46
46
47
48
49
50
51
52
53
54
55
56
57
58
59
| Позиция на иллюстрации | Заводской номер детали | Название детали | |
|---|---|---|---|
| 1 | САЭТ-00 | Стеклоомыватель | |
| 2 | 70-3723042-01 | Втулка | |
| 3 | 80-3724351-Г | Жгут | |
| 4 | 80-3723015 | Желоб | |
| 5 | 80-3723020 | Желоб | |
| 6 | 192000010 | Стеклоочиститель | |
| 6 | 96.5205 | Стеклоочиститель | |
| 6 | 443122006020 | Стеклоочиститель | |
| 7 | ГОСТ11371-78 | Шайба С6.01.08кп.019 | |
| 8 | ГОСТ17473-80 | Винт ВМ6-6gх12.58.019 | |
| 9 | 80-3723010 | Желоб | |
| 10 | 8724.3.06 | Фары | |
| 11 | ГОСТ7796-70 | Болт М8-6gх20.88.35.019 | |
| 12 | ОСТ37.001.115-75 | Шайба 8Т | |
| 13 | ГОСТ5915-70 | Гайка М6-6Н.6.019 | |
| 14 | 80В-3724014 | Провод | |
| 15 | 80-3801342 | Щиток | |
| 16 | 80-3724035 | Провод | |
| 17 | 111.3714 | Плафон | |
| 18 | 80-3801327 | Заглушка | |
| 19 | 676.00.00/R | Выключатель | |
| 20 | 650.00.00/R | Выключатель | |
| 21 | 26.3710-25.52 | Выключатель задних рабочих фар | |
| 22 | П147М-04.11 | Переключатель Сhаngе-оvеr switсh | |
| 23 | П147.09.09 | Переключатель | |
| 24 | ГОСТ10621-80 | Винт 4x10.01.019 | |
| 25 | 11.3729 | Дополнительное сопротивление | |
| 26 | 80В-3724010 | Жгут | |
| 27 | Т240 | Стеклоочиститель | |
| 28 | 80-5205031 | Кронштейн | |
| 29 | ГОСТ7798-70 | Болт M6-6gx16.88.35.019 | |
| 30 | ОСТ37.001.115-75 | Шайба 8Т | |
| 31 | ГОСТ11371-78 | Шайба С6.01.08кп.019 | |
| 32 | 80-3723038 | Скоба | |
| 33 | 70-3723033 | Скоба | |
| 34 | 80-3723025 | Желоб | |
| 35 | ГОСТ5915-70 | Гайка М6-6Н.6.019 | |
| 36 | ОСТ37001.115-75 | Шайба 27Л | |
| 37 | ГОСТ17473-80 | Винт ВМ6-6gх12.58.019 | |
| 38 | ГОСТ17473-80 | Винт ВМ6-6gх12.58.019 | |
| 39 | 85-3710032 | Рычаг | |
| 40 | 85-3710025 | Гайка | |
| 41 | ОСТ37001.115-75 | Шайба 27Л | |
| 42 | ДАДМ-03 | Датчик | |
| 43 | 1321-8700029 | Хомут | |
| 44 | 80-3724300В | Жгут | |
| 45 | ГОСТ17473-80 | Винт ВМ6-6gх12.58.019 | |
| 46 | ГОСТ5915-70 | Гайка М6-6Н.6.019 | |
| 47 | ГОСТ11371-78 | Шайба С6.01.08кп.019 | |
| 48 | ГОСТ17473-80 | Винт ВМ6-6gх12.58.019 | |
| 49 | ВК12-2 | Выключатель | |
| 50 | ВК409 | Выключатель | |
| 51 | 80-3710012 | Кронштейн | |
| 52 | 80-3738001 | Кронштейн | |
| 53 | УП-101-Г1 | Фонарь | |
| 54 | 80-6708904 | Прокладка | |
| 55 | 80-3724232-Б | Жгут | |
| 56 | ГОСТ7798-70 | Болт M6-6gx16.88.35.019 | |
| 57 | 80-3724231-Б | Жгут | |
| 58 | 80-3724353-Г | Жгут | |
| 59 | 803724233 | Жгут |
Содержащиеся в справочниках-каталогах запасные части и детали не предлагаются к продаже, а носят исключительно информационный характер