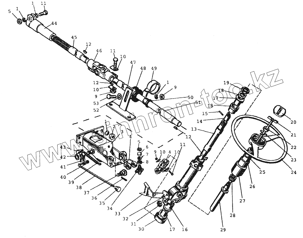
Каталог запасных частей к технике: МТЗ-80 (2002). 3401 Привод управления рулевого. Вариант с ГУР
1
1
1
1
2
3
4
4
5
5
6
7
8
9
9
9
10
10
10
10
11
11
11
12
12
12
13
14
15
16
16
17
17
18
19
20
21
22
23
24
25
26
27
28
29
30
31
32
33
34
35
36
37
38
39
40
41
42
43
44
45
46
47
48
49
50
51
52
53
| Позиция на иллюстрации | Заводской номер детали | Название детали | |
|---|---|---|---|
| 70-3401050-Б | 70-3401050-Б | Вал со штифтом и хвостовиком в сборе | |
| 50A-3401010 | 50A-3401010 | Колонка рулевая | |
| 50-3401060 | 50-3401060 | Кардан | |
| 1 | OCT37.001.115-75 | Шайба 6Т | |
| 2 | ГОСТ5915-70 | Гайка М6-6Н.6.019 | |
| 3 | 85-3401120-02 | Кронштейн | |
| 4 | 50-3401061-A | Вилка | |
| 5 | ГОСТ13943-86 | Кольцо В19 | |
| 6 | 904700УС17 | Подшипник | |
| 7 | 50-3401064 | Сальник | |
| 8 | 50-3401063 | Обойма | |
| 9 | ГОСТ5915-70 | Гайка М6-6Н.6.019 | |
| 10 | 80-3401013 | Шайба | |
| 11 | ГОСТ7795-70 | Болт M12-6gx100.88.35.019 | |
| 12 | Шпонка СШ-510 | Шпонка СШ-510 | |
| 13 | 70-3401055 | Вал промежуточный | |
| 14 | 70-3401054-Б | Хвостовик вала | |
| 15 | ГОСТ3128-70 | Штифт 2x12 | |
| 16 | 70-3401077-В | Амортизатор | |
| 17 | 70-3401076 | Втулка | |
| 18 | 70-3401078 | Гайка | |
| 19 | 70-3401079 | Контргайка | |
| 20 | 80-3401082 | Крышка головки | |
| 21 | 80-3401140 | Зажим | |
| 22 | ГОСТ5915-70 | Гайка М6-6Н.6.019 | |
| 23 | 50-3401091 | Шайба | |
| 24 | 80-3402015 | Колесо | |
| 25 | 80-3709025 | Втулка | |
| 26 | 80-3709026 | Втулка | |
| 27 | 80-3709024 | Чехол | |
| 28 | 50-4608057 | Пружина | |
| 29 | 85-3401175 | Вал | |
| 30 | 600-3401012 | Шайба | |
| 31 | 70-3003032 | Гайка | |
| 32 | ГОСТ10299-80 | Заклепка 8x22.01 | |
| 33 | 600-3401160 | Сектор | |
| 34 | 50-3401062 | Крестовина | |
| 35 | 70-3709012-А | Ручка переключателя | |
| 36 | ГОСТ397-79 | Шплинт 3.2x18.019 | |
| 37 | 85-3401011 | Винт | |
| 38 | 80-3401001 | Тяга | |
| 39 | 50-1310158-В | Пружина | |
| 40 | ГОСТ11371-78 | Шайба С6.01.08кп.019 | |
| 41 | ГОСТ397-79 | Шплинт 3.2x18.019 | |
| 42 | ГОСТ13940-86 | Кольцо 2В50 | |
| 43 | 85-3401014 | Фиксатор | |
| 44 | 80-3401070 | Втулка | |
| 45 | 80-3401072 | Вал | |
| 46 | 50-3401060 | Кардан | |
| 47 | 80-3401105 | Стойка | |
| 48 | 80-3401104 | Амортизатор | |
| 49 | 80-3401103 | Хомут | |
| 50 | 80-3401106 | Втулка | |
| 51 | 80-3401052-Б | Вал | |
| 52 | ГОСТ11371-78 | Шайба С6.01.08кп.019 | |
| 53 | ГОСТ7796-70 | Болт М8-6gх20.88.35.019 |
Содержащиеся в справочниках-каталогах запасные части и детали не предлагаются к продаже, а носят исключительно информационный характер