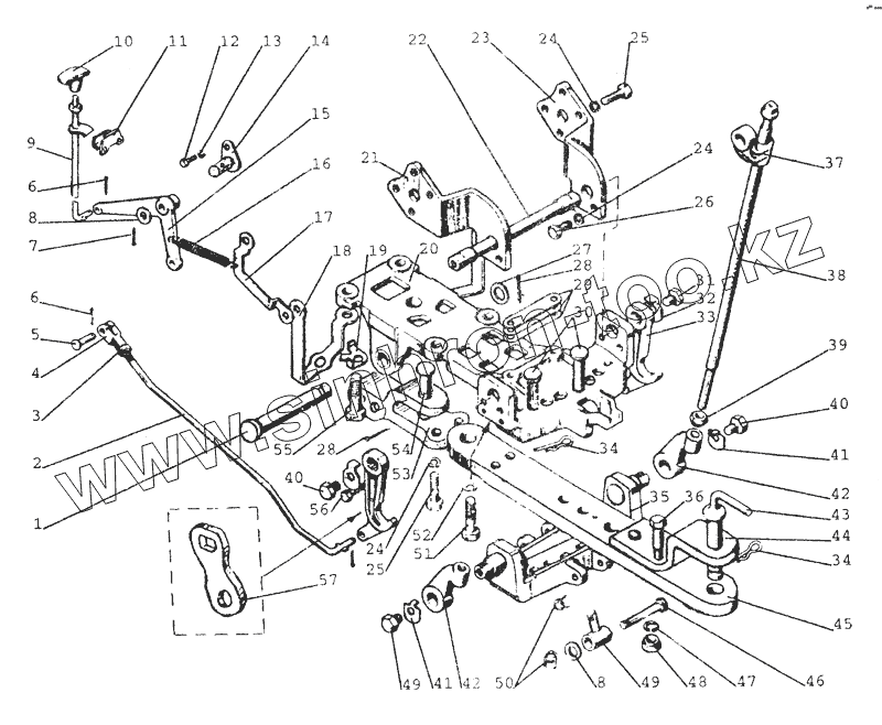
Каталог запасных частей к технике: МТЗ-80 (2002). 2707 Устройство прицепное. Вариант маятник или прицеп
1
2
3
4
5
6
6
7
8
8
9
10
11
12
13
14
15
16
17
18
19
20
21
22
23
24
24
24
25
25
26
27
28
28
29
30
31
32
33
34
34
35
36
37
38
39
40
40
41
41
42
42
43
44
45
46
47
48
49
49
50
51
52
53
54
55
56
57
| Позиция на иллюстрации | Заводской номер детали | Название детали | |
|---|---|---|---|
| 70-2807039-02 | 70-2807039-02 | Пластина 0,2 мм | |
| 70-2807039-01 | 70-2807039-01 | Пластина 0,5 мм | |
| 80-2707110-А-01/-05 | 80-2707110-А-01/-05 | Устройство прицепное. Вариант маятник или прицеп | |
| 80-2707129-01 | 80-2707129-01 | Пластина правая | |
| ГОСТ5915-70 | ГОСТ5915-70 | Гайка М6-6Н.6.019 | |
| 1 | 80-4619019 | Палец | |
| 2 | 80-2707133-Б | Тяга | |
| 3 | ГОСТ5915-70 | Гайка М6-6Н.6.019 | |
| 4 | 50-3502203 | Вилка | |
| 5 | ОСТ37.001.163-75 | Палец 8x65 | |
| 6 | ГОСТ397-79 | Шплинт 3.2x18.019 | |
| 7 | ГОСТ397-79 | Шплинт 3.2x18.019 | |
| 8 | ГОСТ11371-78 | Шайба С6.01.08кп.019 | |
| 9 | 80-2807180-Б | Рукоятка | |
| 10 | 50-1310136-А | Рукоятка | |
| 11 | 85-2807092 | Кронштейн | |
| 12 | ГОСТ7796-70 | Болт М8-6gх20.88.35.019 | |
| 13 | ОСТ37.001.115-75 | Шайба 8Т | |
| 14 | 70-1602120-Б | Фланец оси | |
| 15 | 70-2807079 | Рычаг | |
| 16 | 50-1605152 | Пружина | |
| 17 | 70-2807081 | Кронштейн | |
| 18 | 80-2707129 | Пластина | |
| 19 | 70-2807044 | Шайба | |
| 20 | 80-2707120-Б | Кронштейн | |
| 21 | 80-2707116 | Боковина | |
| 22 | 80-2707141 | Ось | |
| 23 | 80-2707116-01 | Боковина | |
| 24 | ОСТ37.001.115-75 | Шайба 8Т | |
| 25 | ГОСТ7796-70 | Болт М8-6gх20.88.35.019 | |
| 26 | ГОСТ7796-70 | Болт М8-6gх20.88.35.019 | |
| 27 | 70-4619042 | Шайба | |
| 28 | ГОСТ397-79 | Шплинт 3.2x18.019 | |
| 29 | 70-2807039 | Пластина 1,0 мм | |
| 30 | 80-2707128 | Палец | |
| 31 | 80-2707137 | Болт | |
| 32 | 80-2707153 | Шайба | |
| 33 | 80-2707077 | Захват | |
| 34 | А61.07.001 | Шплинт | |
| 35 | 80-2707130-Б | Поперечина | |
| 36 | 80-2707149 | Болт | |
| 37 | 70-2807051 | Серьга | |
| 38 | 70-2807052-Б | Винт тяги | |
| 39 | 40-3405062 | Гайка | |
| 40 | 80-2707137 | Болт | |
| 41 | 80-2707138 | Шайба | |
| 42 | 70-2807053-Б | Гайка тяги | |
| 43 | 50-4605079-Б | Шкворень | |
| 44 | 80-2707143 | Накладка | |
| 45 | 80-2707144-Б | Тяга | |
| 46 | 80-2707123 | Ось | |
| 47 | ОСТ37.001.115-75 | Шайба 8Т | |
| 48 | ГОСТ5915-70 | Гайка М6-6Н.6.019 | |
| 49 | 80-2707126 | Палец | |
| 50 | А61.05.004 | Кольцо | |
| 51 | 80-2807026-01 | Болт | |
| 52 | ОСТ37.001.115-75 | Шайба 8Т | |
| 53 | 80-2707124 | Серьга | |
| 54 | 80-2707127 | Палец | |
| 55 | 40-3104021 | Болт | |
| 56 | 80-2707118 | Болт | |
| 57 | 80-2707177 | Проушина |
Содержащиеся в справочниках-каталогах запасные части и детали не предлагаются к продаже, а носят исключительно информационный характер