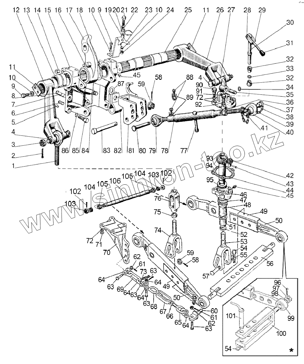
Каталог запасных частей к технике: МТЗ-80.1. Механизм задней навески (вариант)
1
2
3
4
4
4
5
6
7
8
9
9
10
10
10
11
11
12
13
14
15
16
17
18
19
20
21
22
23
24
25
26
27
28
29
30
31
32
32
33
34
35
36
37
38
38
39
40
40
41
42
43
44
45
45
46
47
48
49
49
49
50
50
50
51
52
53
54
54
55
56
57
58
58
59
59
60
61
61
62
62
63
63
63
63
63
64
64
64
64
64
65
66
67
68
69
70
70
71
72
72
73
74
75
76
77
78
79
80
81
82
83
84
85
86
87
88
89
90
91
92
93
94
95
96
97
98
99
100
101
102
102
103
103
104
104
105
105
106
| Позиция на иллюстрации | Заводской номер детали | Название детали | |
|---|---|---|---|
| Р80-4605010 | Р80-4605010 | Механизм задней навески | |
| 1220-4605012 | 1220-4605012 | Раскос в сборе | |
| 1220-4605030-01 | 1220-4605030-01 | Тяга | |
| 1220-4605030-03 | 1220-4605030-03 | Тяга | |
| 1220-4605030-02 | 1220-4605030-02 | Тяга правая в сборе | |
| 1220-4605030-04 | 1220-4605030-04 | Тяга с цепочкой | |
| 1220-4605150 | 1220-4605150 | Раскос в сборе | |
| 70-4605145-01 | 70-4605145-01 | Кронштейн | |
| А61.03.000 | А61.03.000 | Тяга в сборе | |
| А61.03.000-01 | А61.03.000-01 | Тяга верхняя | |
| 1 | 1220-4605075 | Винт | |
| 2 | 4х36.019 | Шплинт | |
| 3 | М20х1,5-6Н.04.019 | Гайка | |
| 4 | 921-4605076 | Палец | |
| 4 | 142-4605076 | Палец | |
| 5 | 70-4605317 | Ограничитель | |
| 6 | 21А-1601150 | Пружина | |
| 7 | 50-4605027 | Штифт | |
| 8 | 54.38.619 | Кольцо | |
| 9 | М12-6gх25.88.35.019 | Болт ГОСТ 7796-70 | |
| 10 | 12.ОТ | Шайба | |
| 11 | 40-4605023-А2 | Шайба | |
| 12 | 80-4605021-01 | Рычаг | |
| 13 | 70-4605032 | Втулка | |
| 14 | 70-4605308-Б | Втулка | |
| 15 | 70-4605016-Б | Кронштейн | |
| 16 | 70-4605313 | Палец | |
| 17 | 70-4605340 | Рычаг с пальцем в сборе | |
| 17 | 70-4605024-А | Рычаг поворотный | |
| 18 | 2С65 | Кольцо | |
| 19 | 50-4605069 | Втулка | |
| 20 | А61.07.002 | Пружина | |
| 21 | М12-6gх35.88.35.019 | Болт | |
| 22 | С12.01.019 | Шайба | |
| 23 | 70-4605240-А | Кронштейн | |
| 24 | М12-6Н.6.019 | Гайка | |
| 25 | 70-4605023 | Вал поворотный | |
| 26 | 80-4605022-01 | Рычаг | |
| 27 | 1220-4605168-Б | Серьга | |
| 28 | А61.01.016-Б | Ось | |
| 29 | А61.01.400 | Вилка | |
| 30 | А61.01.600 | Вал | |
| 31 | А61.01.014 | Рукоятка | |
| 32 | А61.01.017 | Втулка | |
| 33 | 016-021-30-2-4 | Кольцо | |
| 34 | 142-4605431 | Кольцо | |
| 35 | 142-4605404-Б | Палец | |
| 36 | А61.02.003 | Контргайка | |
| 37 | А61.03.002 | Кольцо | |
| 38 | А61.03.001-01 | Палец диаметр 25 мм | |
| 38 | А61.03.001-02 | Палец | |
| 39 | А61.08.001-01 | Цепочка (9 звеньев) | |
| 40 | А61.03.200 | Винт в сборе | |
| 40 | А61.03.200-01 | Винт | |
| 40 | А61.02.100-04 | Винт | |
| 40 | А61.02.100-05 | Винт диаметр 25 | |
| 41 | А61.05.100-01 | Чека | |
| 41 | А61.05.100-05 | Чека | |
| 42 | 142-4605413 | Шестерня | |
| 43 | А61.01.005 | Заклепка | |
| 44 | 142-4605421 | Прокладка | |
| 45 | 1.3.Ц9.хр | Масленка | |
| 46 | 142-4605415 | Корпус | |
| 47 | 142-4605402 | Втулка | |
| 48 | 142-4605407 | Труба | |
| 49 | 1220-4605050 | Тяга правая | |
| 49 | 1220-4605050-01 | Тяга левая | |
| 50 | 1220-4605040 | Тяга | |
| 50 | 1220-4605040-02 | Тяга | |
| 51 | 142-4605406 | Колпак | |
| 52 | 142-4605401 | Ограждение | |
| 53 | 1220-4605100 | Вилка | |
| 54 | А61.07.001 | Шплинт | |
| 55 | 50-3503071 | Шайба | |
| 56 | 1220-4605025 | Поперечина | |
| 57 | 1220-4605084 | Палец | |
| 58 | 5х36.019 | Шплинт | |
| 59 | 70-4605316 | Гайка упорная | |
| 60 | 1220-4605108-01 | Проушина | |
| 61 | 3,2х18.019 | Шплинт | |
| 62 | М12-6Н.04.019 | Гайка | |
| 63 | 50-4605086 | Болт серьги | |
| 64 | А61.09.002 | Серьга | |
| 65 | 1220-4605058 | Винт | |
| 66 | М20-6Н.6.019 | Гайка | |
| 67 | 1220-4605580 | Стяжка | |
| 67 | А61.04.003-01 | Стяжка | |
| 68 | 1220-4605058-01 | Винт | |
| 69 | 40-4605098 | Кольцо | |
| 70 | 80-4605091 | Кронштейн левый | |
| 70 | 80-4605091-01 | Кронштейн левый | |
| 71 | М16х1,5-6Н.6.019 | Гайка | |
| 72 | 16.ОТ | Шайба | |
| 73 | Н50-4605060 | Цепочка с кольцом | |
| 74 | 1220-4605200 | Вилка | |
| 75 | 142-4605424 | Контргайка | |
| 76 | 142-4605422 | Стяжка | |
| 77 | А61.03.102 | Рукоятка | |
| 78 | А61.03.101 | Труба | |
| 79 | А61.02.100-02 | Винт | |
| 80 | А61.10.001-02 | Палец | |
| 81 | 70-4605330-Б | Серьга | |
| 82 | 70-4605302-Б | Пружина | |
| 83 | А61.10.001 | Палец | |
| 84 | 70-4605320 | Болт | |
| 85 | 70-4605036 | Болт | |
| 86 | 20.ОТ | Шайба | |
| 87 | 70-4605304-Б | Шайба | |
| 88 | А61.05.005 | Чека | |
| 89 | А61.05.004 | Кольцо | |
| 90 | 142-4605408 | Болт | |
| 91 | М16-6gх40.88.35.019 | Болт | |
| 92 | 142-4605418-Б | Крышка | |
| 93 | 142-4605403 | Ограничитель | |
| 94 | 142-4605425 | Труба | |
| 95 | 8210 | Подшипник | |
| 96 | 5х45.019 | Шплинт 5х45.019 | |
| 97 | А04.02.020 | Гайка | |
| 98 | 80-4605068 | Шайба | |
| 99 | 822-4605060 | Наконечник | |
| 100 | 822-4605085 | Поперечина | |
| 100 | 822-4605065 | Поперечина | |
| 101 | 822-4605070 | Шкворень | |
| 102 | 5х45.019 | Шплинт 5х45.019 | |
| 103 | А04.02.020 | Гайка | |
| 104 | 80-4605047 | Шайба | |
| 105 | 80-4605068 | Шайба | |
| 106 | 80-4605026 | Ось |
Содержащиеся в справочниках-каталогах запасные части и детали не предлагаются к продаже, а носят исключительно информационный характер