Вернуться на главную
Поиск
Каталоги запчастей к технике
Сельхозтехника
МТЗ
МТЗ-80.1
Корпус гидросистемы и фильтр
Каталог запасных частей к технике: МТЗ-80.1. Корпус гидросистемы и фильтр
zoom-in
zoom-out
enlarge
shrink
circle-right
circle-left
file-text2
info
cart
Тип техники
Не выбрано
Легковые автомобили
Грузовые автомобили и прицепы
Автобусы
Сельхозтехника
Спецтехника
Двигатели
Мототехника
Марка
Не выбрано
AGCO
Amity
CASE IH
DongFeng
Fortschritt
Foton
Franz Kleine
Gaspardo
Great Plains
KRONE
KUHN
Lemken
Lovol
MacDon
Massey Ferguson
New Holland
TIGARBO
Vaderstad
Versatile
Wirax
Агро
Агротехмаш
Бобруйскагромаш (ОАО «УКХ «Бобруйскагромаш»)
БЭМЗ
ВгТЗ
Воронежсельмаш
ВТЗ
Гомсельмаш
ДКЗ
ЗАО "Техника-сервис"
ЗиД
КЗК
Кировец-Ландтехник
Клевер
Красная Звезда
Лидагропроммаш
Лидсельмаш
ЛТЗ
Машстройхолдинг
Минитракторы
Мордовагромаш
МТЗ
Навигатор-Новое машиностроение
Нефтекамский автозавод
ПТЗ
Ремком
РСМ
Сибсельмаш
ТеКЗ
ТКЗ
ХЗТСШ
ХТЗ
ЮМЗ
Модель
Не выбрано
1025.5 (2013)
1025/1025.2/1025.3 (2009)
1220 (2011)
1220.5 (2013)
1523.5 (2013)
1523.5 с ГМТ (2014)
2122.3/2122.4 (2015)
3022ДЦ.1 (2011)
320.4М (2019)
622 (2012)
800/900 (2003)
80Х (2012)
892 (2011)
922.3 / 922.4 (2013)
922.5 (2013)
923.4 (2014)
923.5 (2013)
92П (2010)
952.5 (2013)
БЕЛАРУС 1025.7 (2022)
БЕЛАРУС 1220.7 (2022)
БЕЛАРУС 1221.7 (2022)
БЕЛАРУС 2103 (2015)
БЕЛАРУС 320 (1998)
БЕЛАРУС 3522.5 (2013)
БЕЛАРУС 3525 (2019)
БЕЛАРУС 421 (2014)
БЕЛАРУС 451 (2023)
БЕЛАРУС 651 (2023)
БЕЛАРУС 923.7 (2022)
БЕЛАРУС 952.7 (2022)
Беларус-08Н (09Н) (2015)
Беларус-422.1 (2018)
КБ-00.000 (САЗ) (2015)
КМ-2 (САЗ) (2015)
МТЗ-082
МТЗ-100
МТЗ-1005 (2008)
МТЗ-1021.3 (2010)
МТЗ-1025.4 (2009)
МТЗ-112Н, 132Н (2010)
МТЗ-1221 (1997)
МТЗ-1221 (2009) (2009)
МТЗ-1221.4 (2009)
МТЗ-1221.4 (2009)
МТЗ-1221.5 (2013)
МТЗ-1222/1523 (2009)
МТЗ-1522 (2008)
МТЗ-1523
МТЗ-1523 (2013)
МТЗ-1523 (2008) (2008)
МТЗ-1523.4 (2010)
МТЗ-1523.6 (2018)
МТЗ-2022 (2010)
МТЗ-2103 (2010)
МТЗ-2522 (2010)
МТЗ-310, 320, 321 (2011)
МТЗ-3522 (2011)
МТЗ-510/512, 520/522 (2010)
МТЗ-570 (2010)
МТЗ-80 (1998)
МТЗ-80 (2002) (2002)
МТЗ-80 (2009) (2009)
МТЗ-80.1 (2015)
МТЗ-821/921 (2009)
МТЗ-822 (2008)
МТЗ-826 (2010)
МТЗ-90/92 (2008)
МТЗ-900
МТЗ-900/920/950/952 (2009)
МТЗ-920.4/952.4 (2009)
МТЗ-922 (2008)
МТЗ-923 (2008)
ФР-00.010 (САЗ) (2015)
ФР-00700-Б (САЗ) (2015)
Схема
>
Не выбрано
Установка двигателя
Баки топливные (металлические)
Баки топливные (пластмассовые)
Управление подачей топлива 800-1108500
Управление подачей топлива 1221-1108005 (с управлением гидронавесной системой типа «Joystick»)
Глушитель 60-1205015-01
Установка глушителя 826-1205005-Б
Установка ограждения 1021.4-1205600 (для тракторов «Беларсус-82.3)
Блок охлаждения 90-1301009 (для тракторов «Беларсус-82.1/82.3/820)
Шторка
Ограждение вентилятора
Установка сцепления 240-1005009
Корпус сцепления
Корпус сцепления. Отводка
Корпус сцепления (привод ВОМ, привод насоса гидросистемы навески)
Корпус сцепления. Привод ВОМ. (nдв=2200 об/мин)
Управление сцеплением
Варианты комплектации по КП тракторов БЕЛАРУС-80.1/80.3/82.1/820/82.3
Код маркировки исполнения КП
Механический понижающий редуктор
Синхронизированный понижающий редуктор
Управление механическим/синхронизированным понижающим редуктором или ускорителем
Синхронизированный реверс-редуктор
Управление синхронизированным реверс-редуктором
Корпус КП. Привод ПВМ
Вал первичный и Вал вторичный механической КП
Вал I передачи и заднего хода
Вал промежуточный. Вал внутренний
Корпус вилок механической КП
Механизм правого однорычажного управления КП
Ходоуменьшитель механический
Гидроходоуменьшитель
Раздаточная коробка
Управление раздаточной коробкой (для однорычажной КП)
Карданный вал. Промежуточная опора карданного вала.
Ограждение карданного привода
Передний ведущий мост в сборе (для тракторов «Беларус-82.1»)
Передний ведущий мост в сборе (для тракторов «БЕЛАРУС-820/82.3»)
Главная передача ПВМ
Дифференциал
Редуктор конечной передачи ПВМ (для ПВМ 72-2300020-А-04 («БЕЛАРУС-82.1»))
Редуктор конечной передачи ПВМ (для ПВМ 822-2300020-02 или 822-2300020-04 («БЕЛАРУС-820/82.3»))
Корпус заднего моста. Конечная передача
Дифференциал. Стакан подшипников
Механизм блокировки дифференциала
Полурама
Крюк прицепной гидрофицированный
Тяга рулевая (для тракторов с неведущей осью или ПВМ 72)
Тяга рулевая (для тракторов с ПВМ 822)
Тяга рулевая
Ось передняя (для тракторов с ГУР)
Ось передняя (для тракторов с ГОРУ)
Колеса передние направляющие. Ступицы передних колес.
Колеса передние ведущие
Колеса передние ведущие
Колеса передние ведущие
Колеса задние ведущие. Ступицы задних колес
Ступица колеса
Колонка рулевая (для тракторов с ГОРУ)
Кардан
Колонка рулевая (для тракторов с ГУР)
Арматура рулевого управления 900-3400010/-01/-02/-03
Гидроцилиндр и арматура ГОРУ 900-3400010/-01 (вариант с передней осью)
Гидроцилиндр и арматура ГОРУ 900-3400010-02/-03 (вариант с ПВМ 72-2300020-A)
Управление рулевое 920-3400010-01/-03
Гидроцилиндр Ц50 (50x25-200)
Гидроцилиндр Ц63 (63х30-200)
Гидроагрегаты и арматура ГУР
Цилиндр ГУР
Распределитель ГУР
Тормоза. Управление тормозами (сухого трения)
Тормоз стояночный. Управление стояночным тормозом
Трубопроводы и арматура однопроводного пневмопривода тормозов прицепа
Трубопроводы и арматура двухпроводного пневмопривода тормозов прицепа
Баллон
Кран тормозной
Компрессор
Установка заглушки (для тракторов без пневмокомпрессора)
Электрооборудование двигателя
Электрооборудование двигателя (для тракторов с металлической облицовкой)
Электрооборудование трансмиссии
Электрооборудование кабины
Установка фар дорожных (921-3700020-01)
Установка фар дорожных (950-3700020)
Установка фар рабочих
Установка фонарей передних
Установка фонарей передних
Установка фонарей задних
Установка батарей аккумуляторных (система запуска 12В)
Установка батарей аккумуляторных (система запуска 24В)
Электрооборудование отопителя
Установка маяка сигнального
Установка фонарей автопоезда
Щиток приборов 80-3805010
Основание, приборы 80-3805010
Щиток приборов 826-3805010
Основание, приборы 826-3805010
Основание, приборы 80С-3805010 (c облицовкой 92П-8400005-01)
Основание, приборы 926-3805010
Механизм задней навески
Наружная блокировка нижних тяг
Механизм задней навески (вариант)
Стяжка телескопическая
Механизм фиксации
Гидросистема 80-4600010-Б. Вариант с силовым регулятором
Гидросистема 80-4600010-Б. Вариант без силового регулятора
Корпус гидросистемы 80-4600015-Б
Гидросистема 952-4600010
Корпус гидросистемы 952-4600015-01
Гидросистема Р90-4600010
Корпус гидросистемы Р85-4600015-01
Гидросистема Р952-4600010
Корпус гидросистемы Р952-4600015
Гидросистема С90-4600010
Корпус гидросистемы С90-4600015
Корпус гидросистемы и фильтр
Корпус гидроагрегатов и фильтр. Вариант
Привод насоса
Привод насоса
Муфта быстросоединяемая
Гидроцилиндр
Гидрораспределитель РП70-1221.1C, РП70-1221С, РП70-1221ТС, РП70-890.1, РП70-890
Гидрораспределитель Р80
Управление гидрораспределителем RS 213 Belarus, РП 70
Управление гидрораспределителем Р80
Регулятор с кронштейном
Управление регулятором
Установка стеклоочистителя
Установка стеклоомывателя
Кабина трактора. Крылья задние
Кабина трактора. Крылья задние (вариант)
Крыша
Крыша
Тент-каркас. Основание
Пол кабины
Двери кабины
Сиденье оператора
Сиденье оператора
Подвеска сиденья.
Сиденье дополнительное
Кондиционер
Конденсатор
Компрессор
Установка отопителя-охладителя
Отопитель
Отопитель (вариант)
Зеркало заднего вида внутреннее
Зеркало заднего вида боковое
Козырек противосолнечный
Облицовка радиатора. Капот
Облицовка радиатора. Капот
Облицовка радиатора. Капот
Облицовка радиатора. Капот
Облицовка радиатора. Капот
Облицовка радиатора. Капот
Крылья передние (Для тракторов «БЕЛАРУС-80.1/80.3»)
Крылья передние (Для тракторов «БЕЛАРУС-820/82.1/82.3»,с ПВМ 72-2300020-А) Вариант (крылья металлические)
Крылья передние (Для тракторов «БЕЛАРУС-820/82.1/82.3»,с ПВМ 72-2300020-А) Вариант (крылья пластмассовые)
Крылья передние (Для тракторов «БЕЛАРУС-820/82.1/82.3»,ПВМ 822-2300020-02 с удлиненными рукавами)
Крылья передние (Для тракторов «БЕЛАРУС-820/82.1/82.3», ПВМ 822-2300020-04 с короткими рукавами)
Подножка
Тягово-сцепное устройство
Тягово-сцепное устройство (варианты комплектации)
Устройство прицепное. Наладка «крюк», вариант «крюк»
Устройство прицепное. Наладка «маятник», вариант «маятник» и «прицеп»
Вал отбора мощности задний 85-4202010
Вал отбора мощности задний 1221-4202010-А
Вал отбора мощности боковой
Управление задним валом отбора мощности
Балласт
Грузы дополнительные
Датчик блокировки дифференциала. Арматура датчика блокировки
Управление блокировкой дифференциала
Инструмент оператора
Аптечка (по заказу)
Установка ящика инструментального
1
2
2
3
4
5
6
7
8
9
10
11
12
13
14
15
16
17
18
19
19
20
21
22
23
24
25
26
29
30
31
33
34
34
35
36
36
37
37
37
37
38
39
40
41
42
42
43
44
45
46
47
48
49
49
49
50
50
50
51
52
53
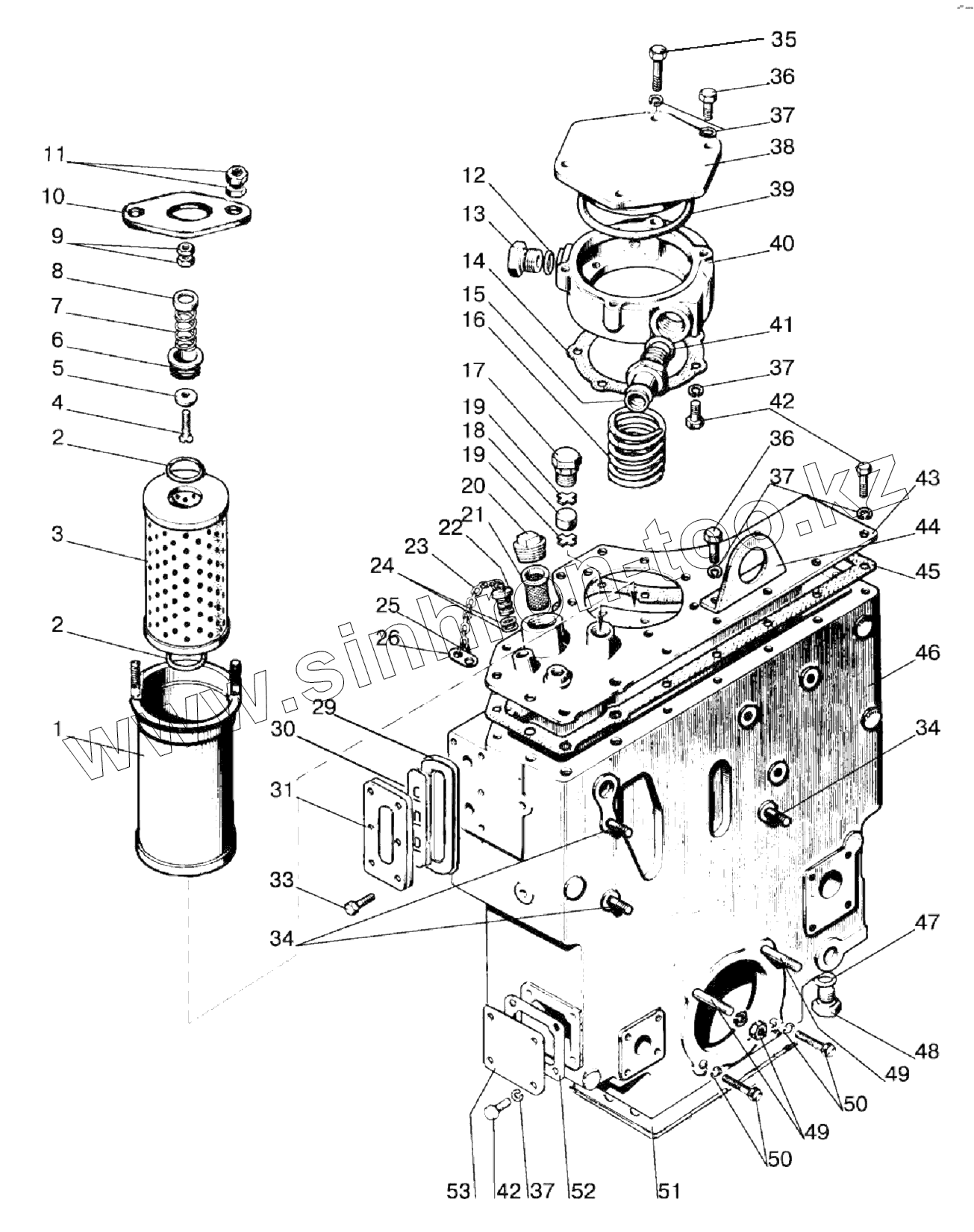
Позиция на иллюстрации
Заводской номер детали
Название детали
85-4608010
85-4608010
Корпус гидросистемы
1
A28.04.20.000-A1
Корпус
2
042-050-46-2-4
Кольцо
3
4600.30
Элемент фильтрующий
4
В.М6-6gх40.58.019
Винт
5
A28.04.10.000
Клапан
5
8.20.004
Клапан
6
A28.04.10.001
Корпус клапана
7
8.20.002
Пружина
8
8.20.005
Шайба опорная
9
М6-6Н.6.019
Гайка
10
A28.04.00.001
Ограничитель
11
М6-6Н.6.019
Гайка
12
4600.22
Шайба РМ24
13
85-4608021
Пробка
14
85-4608089
Прокладка
15
85-4607034
Штуцер
16
85-4608057
Пружина
17
50-4608059
Пробка сапуна
18
50-4608063
Фильтр
19
50-4608062
Шайба сапуна
20
КГ11/4”
Пробка
21
A61-C06-A3
Фильтр
22
85-4608091
Клапан
22
85-4608090
Клапан 85-4608091 в сборе
23
50-1002450
Цепочка
24
011-015-25-2-4
Кольцо
25
36-1101067
Кольцо
26
50-3407069
Чека
29
85-4608086-Б
Уплотнитель
30
85-4608087-Б
Указатель
31
85-4608088-Б
Корпус
33
М6х20DINEN1665-98
Болт
34
М103р/6gх20.66.019
Шпилька
35
М8-6gх80.88.35.019
Болт
36
М8-6gх25.88.35.019
Болт
37
8Т
Шайба
38
85-4608022
Крышка
39
130-135-30-1-4
Кольцо
40
85-4608018
Стакан
41
027-032-30-1-4
Кольцо
42
М8-6gх20.88.35.019
Болт
43
85-4608025
Крышка
44
80-4608073
Кронштейн
45
85-4608031-Б
Прокладка
46
85-4608016-A
Корпус гидросистемы
47
4600.20
Шайба РМ1/2
48
70-4607163
Пробка
49
М103р/6gх35.66.019
Шпилька
49
М10-6Н.6.019
Гайка
50
М10-6gх40.88.35.019
Болт
50
10.ОТ
Шайба
51
50-4608049
Прокладка
52
70-4608033
Прокладка
53
70-4608019
Крышка
Содержащиеся в справочниках-каталогах запасные части и детали не предлагаются к продаже, а носят исключительно информационный характер
Дополнительная информация
×
Название:
Номер:
Примечание: