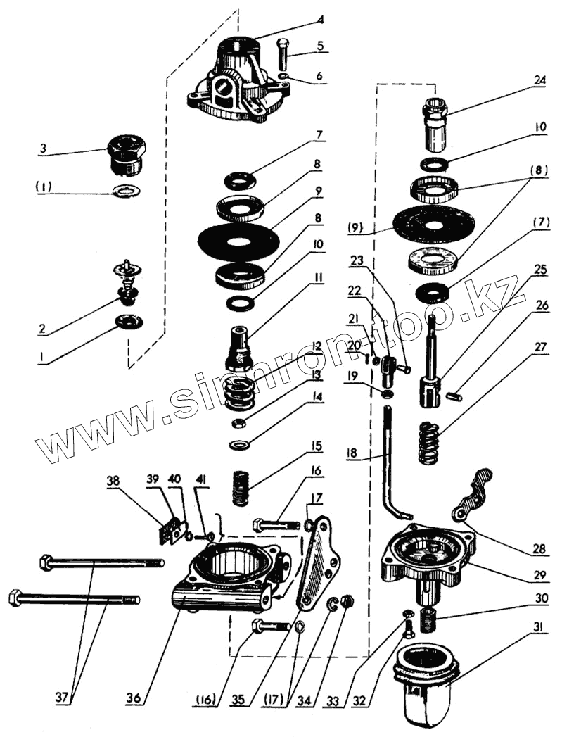
Каталог запасных частей к технике: МТЗ-80. Тормозной кран
1
1
2
3
4
5
6
7
7
8
8
8
9
9
10
10
11
12
13
14
15
16
16
17
17
18
19
20
21
22
23
24
25
26
27
28
29
30
31
32
33
34
35
36
37
38
39
40
41
| Позиция на иллюстрации | Заводской номер детали | Название детали | |
|---|---|---|---|
| А29.61.750 | А29.61.750 | Диафрагма с шайбами, кольцом и седлом в сборе | |
| А29.61.450 | А29.61.450 | Диафрагма в сборе | |
| А29.61.000-В | А29.61.000-В | Кран тормозной в сборе | |
| 1 | 127-3514237-А | Прокладка (для регулировки допускается изменение количества деталей) | |
| 2 | 130-3514210-А2 | Клапан | |
| 3 | А29.61.004 | Пробка | |
| 4 | А29.61.005 | Крышка | |
| 5 | Болт М8-6gх25.58.016 ГОСТ 7796-70 | Болт М8-6gх25.58.016 ГОСТ 7796-70 | |
| 6 | Шайба 8 65Г 016 ГОСТ 6402-70 | Шайба 8 65Г 016 ГОСТ 6402-70 | |
| 7 | А29.61.459 | Шайба | |
| 8 | А29.61.501 | Шайба | |
| 9 | А29.61.551 | Диафрагма | |
| 10 | 130-3514239 | Кольцо | |
| 11 | А29.61.552 | Седло | |
| 12 | А29.61.009 | Пружина | |
| 13 | Гайка М6-6Н.06.016 ГОСТ 5916-70 | Гайка М6-6Н.06.016 ГОСТ 5916-70 | |
| 14 | А29.61.455 | Шайба | |
| 15 | А29.61.454 | Пружина | |
| 16 | Болт М10-6gх40.88.35.019 ГОСТ 7795-70 | Болт М10-6gх40.88.35.019 ГОСТ 7795-70 | |
| 17 | Шайба 10 ОТ ОСТ 37.001.115-75 | Шайба 10 ОТ ОСТ 37.001.115-75 | |
| 18 | 70-3514121 | Тяга | |
| 19 | Гайка М12х1,25-6Н.6.019 ГОСТ 5916-70 | Гайка М12х1,25-6Н.6.019 ГОСТ 5916-70 | |
| 20 | Шплинт 3,2х18.016 ГОСТ 397-79 | Шплинт 3,2х18.016 ГОСТ 397-79 | |
| 21 | Шайба 12 01 019 ГОСТ 11371-78 | Шайба 12 01 019 ГОСТ 11371-78 | |
| 22 | 70-3514022 | Вилка | |
| 23 | Палец 12х ОСТ 37.001.163-75 | Палец 12х ОСТ 37.001.163-75 | |
| 24 | А29.61.451 | Шток | |
| 25 | А29.61.452 | Тяга | |
| 26 | А29.61.012 | Палец | |
| 27 | А29.61.023 | Пружина | |
| 28 | А29.61 | Рычаг | |
| 29 | А29.61.016 | Корпус | |
| 30 | А29.61.018 | Пробка | |
| 31 | А29.61.013 | Чехол | |
| 32 | А29.61.010 | Болт | |
| 33 | Гайка М8-6Н.019 ГОСТ 7795-70 | Гайка М8-6Н.019 ГОСТ 7795-70 | |
| 34 | Гайка М10-6Н.019 ГОСТ 7795-70 | Гайка М10-6Н.019 ГОСТ 7795-70 | |
| 35 | 70-3514108-Б1 | Кронштейн | |
| 36 | А29.61.001 | Вставка | |
| 37 | Болт М10-6gх105.58.35.019 ГОСТ 7795-70 | Болт М10-6gх105.58.35.019 ГОСТ 7795-70 | |
| 38 | А29.61.002 | Клапан | |
| 39 | А29.61.003 | Прижим | |
| 40 | Шайба 5ОТ ОСТ 37.001.115-74 | Шайба 5ОТ ОСТ 37.001.115-74 | |
| 41 | Винт М5 | Винт М5 |
Содержащиеся в справочниках-каталогах запасные части и детали не предлагаются к продаже, а носят исключительно информационный характер