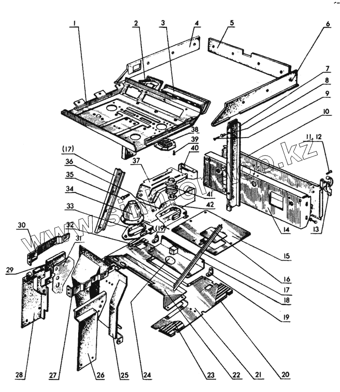
Каталог запасных частей к технике: МТЗ-80. Пол кабины
1
2
3
4
5
6
7
8
9
10
11
12
13
14
15
16
17
17
18
19
19
20
21
22
23
23
24
25
26
27
28
29
30
31
32
33
34
35
36
37
38
39
40
41
42
| Позиция на иллюстрации | Заводской номер детали | Название детали | |
|---|---|---|---|
| 80-6700145 | 80-6700145 | Уголок | |
| 80-6700060-01 | 80-6700060-01 | Накладка | |
| 1 | 80-8101020 | Панель | |
| 2 | 80-3801328 | Щиток | |
| 3 | 80-3801311 | Щиток | |
| 4 | 80-6700050 | Накладка | |
| 5 | 80-6700070 | Накладка | |
| 6 | 80-6700065 | Накладка | |
| 7 | 80-6700060 | Накладка | |
| 8 | А37.10.031 | Бонка | |
| 9 | Шуруп 2Б4х25.001 | Шуруп 2Б4х25.001 | |
| 10 | 80-6702125 | Панель | |
| 11 | Винт М4-6gх12.58.019 | Винт М4-6gх12.58.019 | |
| 12 | Гайка М4-6Н.Н.019 ГОСТ 5927-70 | Гайка М4-6Н.Н.019 ГОСТ 5927-70 | |
| 13 | А37.09.060 | Защелка | |
| 14 | 80-6702135 | Панель | |
| 15 | 80-6702195 | Крышка | |
| 16 | 80-6702190 | Крышка | |
| 17 | 80-6702111 | Прижим | |
| 18 | 80-6702085 | Крышка | |
| 19 | 70-6702111 | Угольник | |
| 20 | 80-6702132 | Уплотнитель пола | |
| 21 | 80-6702095 | Панель | |
| 22 | 80П-6702105 | Панель | |
| 23 | 80-6702077 | Прокладка левая | |
| 23 | 80-6702078 | Прокладка правая | |
| 24 | 80-6702088 | Заглушка | |
| 25 | 80П-6700115 | Панель | |
| 26 | 80П-6700120 | Панель | |
| 27 | 80-6700130 | Кронштейн | |
| 28 | 80П-6700126 | Панель | |
| 29 | 80П-6700131 | Стенка | |
| 30 | 80-6700110 | Кронштейн | |
| 31 | 80П-6700132 | Прокладка | |
| 32 | 80-6702133 | Уплотнитель пола | |
| 33 | 80-6702817 | Накладка (рычаг КПП справа) | |
| 34 | 80П-6702270 | Чехол (рычаг КПП справа) | |
| 35 | Винт М6-16gх58.019 ГОСТ 17475-72 | Винт М6-16gх58.019 ГОСТ 17475-72 | |
| 36 | 80-6700040 | Пульт | |
| 37 | 80П-6700036-Б | Крышка | |
| 38 | 80-7909019-А | Решетка | |
| 39 | Винт М6-6gх20.58.019 ГОСТ 17475-72 | Винт М6-6gх20.58.019 ГОСТ 17475-72 | |
| 40 | 80-6700085 | Кронштейн | |
| 41 | 80-6702441 | Чехол (для тракторов с ПВМ) | |
| 42 | 80-6702820 | Накладка (для тракторов с ПВМ) |
Содержащиеся в справочниках-каталогах запасные части и детали не предлагаются к продаже, а носят исключительно информационный характер