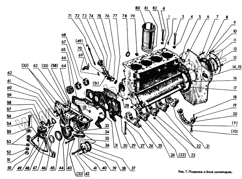
Каталог запасных частей к технике: МТЗ-80. Подвеска и блок цилиндров дизеля
1
2
3
4
4
5
6
7
8
9
9
10
10
11
12
13
14
15
16
17
18
19
20
21
22
22
23
24
25
26
27
28
29
30
31
32
33
33
33
33
34
35
36
37
38
39
40
41
42
43
44
45
46
47
48
49
49
50
51
51
52
53
54
55
56
57
58
58
59
60
61
62
63
64
65
66
67
68
69
70
71
72
73
74
75
76
77
78
79
80
81
82
| Позиция на иллюстрации | Заводской номер детали | Название детали | |
|---|---|---|---|
| 240-1002115-01 | 240-1002115-01 | Горловина с кольцом и патрубком в сборе | |
| 240-1002001-Б2-01 | 240-1002001-Б2-01 | Блок цилиндров в сборе | |
| 50-1002045 | 50-1002045 | Опора картера с уплотнением и штифтом в сборе | |
| 50-1002040-Б | 50-1002040-Б | Опора картера в сборе со штифтом | |
| 240-1001010-А | 240-1001010-А | Опора в сборе | |
| А19.01.100-04 | А19.01.100-04 | Крышка с кольцом и пробкой в сборе | |
| 240-1002060-А-01 | 240-1002060-А-01 | Крышка шестерен в сборе | |
| 240-1002035-01 | 240-1002035-01 | Крышка в сборе | |
| 1 | 240-1002015-А3 | Блок цилиндров | |
| 2 | 240-1002046 | Штифт | |
| 3 | 240-1002047-01 | Болт | |
| 4 | 48-1002318 | Шайба | |
| 5 | Заглушка 45-019 | Заглушка 45-019 | |
| 6 | 50-1002318-Б | Рым | |
| 7 | 50-1002340 | Фиксатор | |
| 8 | 50-1002316-А2 | Прокладка | |
| 9 | Шайба 12 ГОСТ 6402-70 | Шайба 12 ГОСТ 6402-70 | |
| 10 | Болт М12-gх35.88.35.019 ГОСТ 7796-70 | Болт М12-gх35.88.35.019 ГОСТ 7796-70 | |
| 11 | 240-1002300-01 | Корпус сальника | |
| 12 | Манжета 1-100х125-4 ГОСТ 8752-70 | Манжета 1-100х125-4 ГОСТ 8752-70 | |
| 13 | Болт М10-6gх25.88.35.019 ГОСТ 7796-70 | Болт М10-6gх25.88.35.019 ГОСТ 7796-70 | |
| 14 | 50-1002313-В | Лист | |
| 15 | 50Л-1002313 | Лист | |
| 16 | 50-1005019 | Штифт | |
| 17 | 240-1002314 | Прокладка | |
| 18 | 240-1002044 | Штифт | |
| 19 | 240-1002043 | Уплотнение | |
| 20 | 50-1002042-Б | Опора картера | |
| 21 | 50-1005152-В | Крышка | |
| 22 | 50-1005140-Б | Крышка | |
| 23 | 240-1002332 | Пробка КГ 1/8" ГОСТ 12720-67 | |
| 24 | 50-1002034 | Штифт | |
| 25 | 50-1005141-Б | Крышка коренного подшипника | |
| 26 | 50-1005161 | Шайба | |
| 27 | 50-1005159-Б1 | Болт | |
| 28 | 50-1002326-В | Заглушка | |
| 29 | 240-1002033 | Прокладка | |
| 30 | 240-1002030 | Щит | |
| 31 | Болт М10-6gх20.88.35.019 ГОСТ 7796-70 | Болт М10-6gх20.88.35.019 ГОСТ 7796-70 | |
| 32 | Штифт 8hх16 ГОСТ 3128-70 | Штифт 8hх16 ГОСТ 3128-70 | |
| 33 | Шайба 10 ГОСТ 6402-70 | Шайба 10 ГОСТ 6402-70 | |
| 34 | Болт М10-6gх45.88.35.019 ГОСТ 7795-70 | Болт М10-6gх45.88.35.019 ГОСТ 7795-70 | |
| 35 | Шайба 12 ГОСТ 11371-78 | Шайба 12 ГОСТ 11371-78 | |
| 36 | 240-1002034 | Прокладка | |
| 37 | 240-1002038 | Прокладка | |
| 38 | 240-1002036 | Крышка | |
| 39 | 50-1022067 | Кольцо уплотнительное | |
| 40 | Болт М8-6gх25.88.35.019 ГОСТ 7796-70 | Болт М8-6gх25.88.35.019 ГОСТ 7796-70 | |
| 41 | Гайка М12.6.019 ГОСТ 5915-70 | Гайка М12.6.019 ГОСТ 5915-70 | |
| 42 | 240-1002039 | Болт | |
| 43 | Болт М10-6gх75.88.35.019 ГОСТ 7796-70 | Болт М10-6gх75.88.35.019 ГОСТ 7796-70 | |
| 44 | 240-1002065-А | Крышка шестерен | |
| 45 | 50-1002066 | Маслоотражатель | |
| 46 | Манжета 2-50х70-4 ГОСТ 8752-70 | Манжета 2-50х70-4 ГОСТ 8752-70 | |
| 47 | Шайба 6 ГОСТ 6402-70 | Шайба 6 ГОСТ 6402-70 | |
| 48 | 240-3802005 | Болт | |
| 49 | Болт М8-6gх20.88.35.019 ГОСТ 7796-70 | Болт М8-6gх20.88.35.019 ГОСТ 7796-70 | |
| 50 | 240-1001015-А1 | Опора | |
| 51 | Гайка М16.6Н.6.019 ГОСТ 5915-70 | Гайка М16.6Н.6.019 ГОСТ 5915-70 | |
| 52 | Шайба 16 ГОСТ 6402-70 | Шайба 16 ГОСТ 6402-70 | |
| 53 | Шайба 16 ГОСТ 11371-78 | Шайба 16 ГОСТ 11371-78 | |
| 54 | Болт М16-6gх80.88.35.019 ГОСТ 7796-70 | Болт М16-6gх80.88.35.019 ГОСТ 7796-70 | |
| 55 | Шайба 8 ГОСТ 6402-70 | Шайба 8 ГОСТ 6402-70 | |
| 56 | 240-1001025 | Амортизатор | |
| 57 | Болт М6-6gх16.88.35.019 ГОСТ 7796-70 | Болт М6-6gх16.88.35.019 ГОСТ 7796-70 | |
| 58 | 240-1001017 | Прокладка | |
| 59 | ПТ-3802010-09 | Привод тахоспидометра | |
| 60 | 50-1021012 | Прокладка | |
| 61 | Болт М10-6gх60.88.35.019 ГОСТ 7796-70 | Болт М10-6gх60.88.35.019 ГОСТ 7796-70 | |
| 62 | Болт М10-6gх30.88.35.019 ГОСТ 7796-70 | Болт М10-6gх30.88.35.019 ГОСТ 7796-70 | |
| 63 | Гайка М10-6.019 ГОСТ 5915-70 | Гайка М10-6.019 ГОСТ 5915-70 | |
| 64 | Болт М10-6gх35.88.35.019 ГОСТ 7796-70 | Болт М10-6gх35.88.35.019 ГОСТ 7796-70 | |
| 65 | 240-1002064 | Прокладка | |
| 66 | 240-1002069 | Втулка | |
| 67 | 240-1002067 | Втулка | |
| 68 | 240-1002068 | Втулка | |
| 69 | 240-1002323Б | Трубка | |
| 70 | Краник Кр2 | Краник Кр2 | |
| 71 | 240-1002320-В-а2 | Масломер | |
| 72 | А19.01.001 | Пробка | |
| 73 | 042-048-30-2-1 | Кольцо | |
| 74 | А19.01.003 | Кольцо | |
| 75 | 240-1002088-В-01 | Патрубок | |
| 76 | 240-1002082-А | Прокладка | |
| 77 | 240-1002085 | Сетка | |
| 78 | 240-1002328 | Заглушка | |
| 79 | 50-1002327-А | Пробка | |
| 80 | 50-1002021-А4 | Гильза цилиндров | |
| 81 | 50-1002022-01 | Кольцо гильзы | |
| 82 | 240-1002047 | Болт |
Содержащиеся в справочниках-каталогах запасные части и детали не предлагаются к продаже, а носят исключительно информационный характер