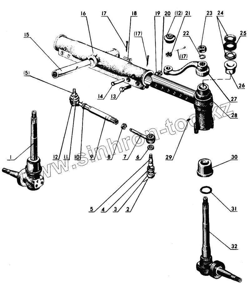
Каталог запасных частей к технике: МТЗ-80. Передняя ось и рулевые тяги
1
2
3
4
5
6
7
8
9
10
11
12
12
13
14
15
16
17
17
17
18
19
20
21
22
23
24
25
26
27
28
29
30
31
32
| Позиция на иллюстрации | Заводской номер детали | Название детали | |
|---|---|---|---|
| 80-3000010 | 80-3000010 | Передняя ось с полурамой | |
| 80-3000030 | 80-3000030 | Передняя ось в сборе | |
| 52-3003010-А | 52-3003010-А | Тяга в сборе (для тракторов МТЗ-82) | |
| 50-3003010-А4 | 50-3003010-А4 | Тяга в сборе | |
| А35.32.010-03 | А35.32.010-03 | Труба (для тракторов МТЗ-82) | |
| 1 | 80-3001065 | Цапфа поворотная правая | |
| 2 | Проволока 2,0х270 ГОСТ 3282-74 | Проволока 2,0х270 ГОСТ 3282-74 | |
| 3 | А35.32.006 | Пробка | |
| 4 | А35.32.003 | Вкладыш | |
| 5 | А35.32.002-А | Палец шаровой | |
| 6 | А35.32.004 | Вкладыш | |
| 7 | А35.32.001 | Корпус шарнира правый | |
| 8 | А35.32.012 | Контргайка | |
| 9 | А35.32.010-07 | Труба | |
| 10 | А35.32.012-01 | Контргайка | |
| 11 | А35.32.001-01 | Корпус шарнира левый | |
| 12 | А35.32.005-Б | Чехол | |
| 13 | Болт М8х1,5-6gх100.88.35.019 ГОСТ 7796-7 | Болт М8х1,5-6gх100.88.35.019 ГОСТ 7796-70 | |
| 14 | Ось 6-20h11х120 ГОСТ 9650-71 | Ось 6-20h11х120 ГОСТ 9650-71 | |
| 15 | 50-3000011 | Ось качания | |
| 16 | 50-3001010-А | Передняя ось | |
| 17 | Шплинт 4х36.016 ГОСТ 397-79 | Шплинт 4х36.016 ГОСТ 397-79 | |
| 18 | Палец 16х80.016 ОСТ 37.001.163-75 | Палец 16х80.016 ОСТ 37.001.163-75 | |
| 19 | Шайба 18ОТ ОСТ 37.001.115-75 | Шайба 18ОТ ОСТ 37.001.115-75 | |
| 20 | Гайка М18х1,5-6Н.019 ГОСТ 45915-70 | Гайка М18х1,5-6Н.019 ГОСТ 45915-70 | |
| 21 | Гайка корончатая М18х1,5-6Н.6.019 ГОСТ 5 | Гайка корончатая М18х1,5-6Н.6.019 ГОСТ 5915-73 | |
| 22 | Шайба 27Л ОСТ 37.001.115-75 | Шайба 27Л ОСТ 37.001.115-75 | |
| 23 | 50-3001087 | Гайка | |
| 24 | 80-3001032 | Шайба | |
| 25 | 80-3001031 | Шайба | |
| 26 | 70-3001102-А | Втулка | |
| 27 | 50-3001040-А | Рычаг поворотный | |
| 28 | 80-3001070 | Кулак выдвижной | |
| 29 | Масленка 1-3Ц6хр ГОСТ 19853-74 | Масленка 1-3Ц6хр ГОСТ 19853-74 | |
| 30 | 70-3001101-А | Втулка | |
| 31 | Кольцо 070-80-5-2-2 ГОСТ 18829-73, ГОСТ | Кольцо 070-80-5-2-2 ГОСТ 18829-73, ГОСТ 9833-73 | |
| 32 | 80-3001065 | Цапфа поворотная правая |
Содержащиеся в справочниках-каталогах запасные части и детали не предлагаются к продаже, а носят исключительно информационный характер